收藏 分销(赏)

KLH圆型零序电流互感器说明书.doc

上传人:s4****5z 文档编号:8821664 上传时间:2025-03-03 格式:DOC 页数:3 大小:87.50KB 下载积分:10 金币
下载 相关 举报
KLH圆型零序电流互感器说明书.doc_第1页
第1页 / 共3页
KLH圆型零序电流互感器说明书.doc_第2页
第2页 / 共3页


点击查看更多>>
资源描述
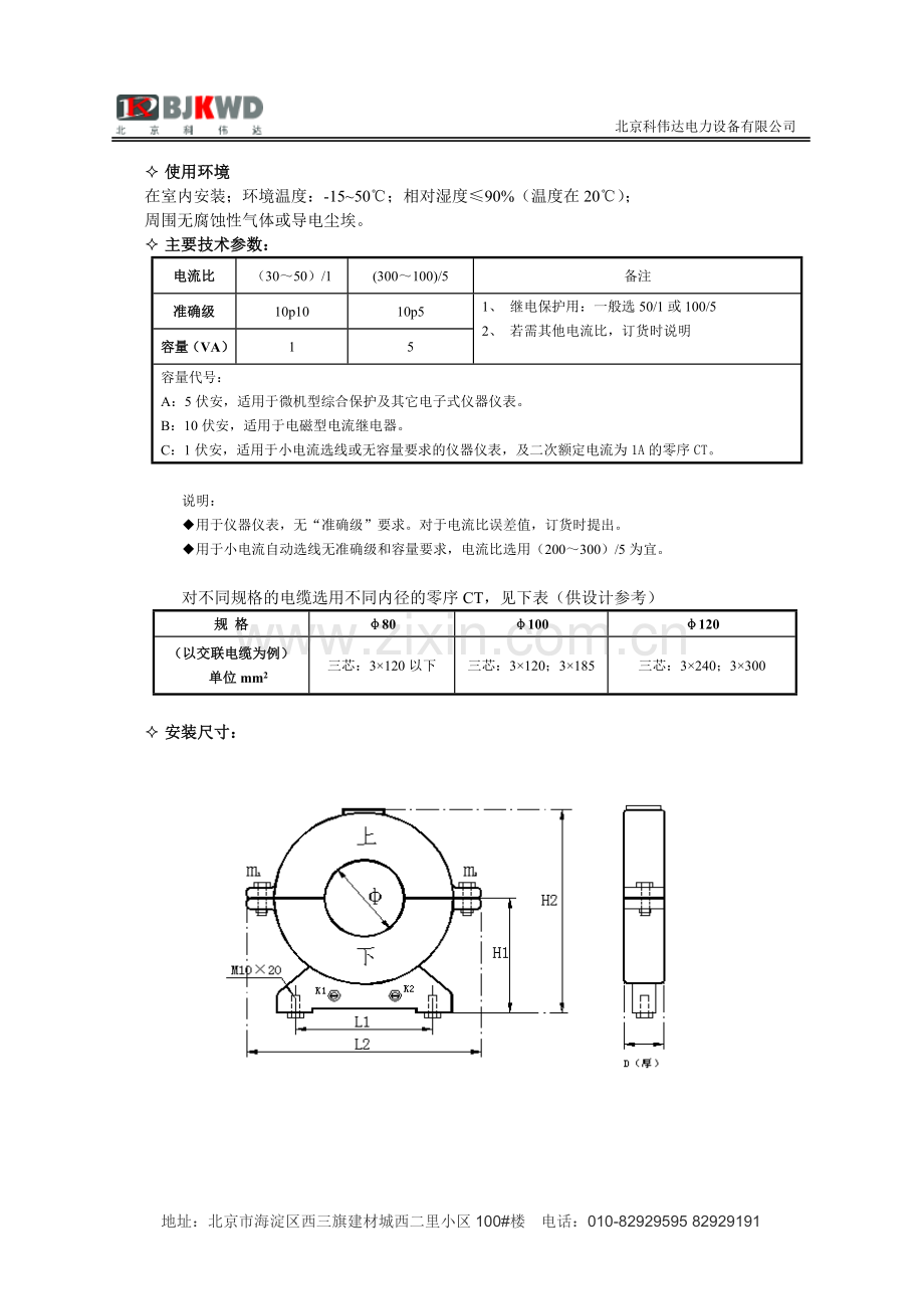
北京科伟达电力设备有限公司 ZLH(KLH)圆形零序电流互感器 ² 简介: 1998年研制成功荣获国家“实用新型”专利,并由电力部电科院试验、北京供电公司在10KV电网做人工接地试验均获成功。现已在北京、上海等地推广使用,北京奥运工程的鸟巢等大部分场馆均使用的我公司产品,并随开关柜出口到韩国、印度等国家。 (1).KLH型(开启式):适用于已敷设电缆的配电室内安装,该型号是我公司研制的创新产品,荣获国家实用新型专利。 (2).ZLH型(整体式):适用于未敷设电缆的配电室内安装。 以上产品从1998年研制成功后,已在北京、上海、广州、江苏、华北、华东、东北等多个省市地区广泛推广使用。运行可靠,取得了良好效果。 08年北京奥运工程中奥运场馆建设中如鸟巢、水立方等多数配电室使用我公司产品,也赢得同行的好评。 ² 用途: 在6~35kV电网中,当发生单相接地故障时,可将故障电流(即零序电流)按比例输出,提供给继电保护或小电流接地自动选线装置,仪器仪表动作电流。 ² 型号定义: ZLH (KLH) –□□/ Y 方形(三芯电缆截面积300mm2及单芯电缆用方形) 容量:A、B、C三种 内径尺寸 开启式零序电流互感器(适用于电缆已敷设场所) 整体式零序电力互感器(适用于电缆未敷设场所) ² 使用环境 在室内安装;环境温度:-15~50℃;相对湿度≤90%(温度在20℃); 周围无腐蚀性气体或导电尘埃。 ² 主要技术参数: 电流比 (30~50)/1 (300~100)/5 备注 准确级 10p10 10p5 1、 继电保护用:一般选50/1或100/5 2、 若需其他电流比,订货时说明 容量(VA) 1 5 容量代号: A:5伏安,适用于微机型综合保护及其它电子式仪器仪表。 B:10伏安,适用于电磁型电流继电器。 C:1伏安,适用于小电流选线或无容量要求的仪器仪表,及二次额定电流为1A的零序CT。 说明: ◆用于仪器仪表,无“准确级”要求。对于电流比误差值,订货时提出。 ◆用于小电流自动选线无准确级和容量要求,电流比选用(200~300)/5为宜。 对不同规格的电缆选用不同内径的零序CT,见下表(供设计参考) 规 格 φ80 φ100 φ120 (以交联电缆为例) 单位mm2 三芯:3×120以下 三芯:3×120;3×185 三芯:3×240;3×300 ² 安装尺寸: 下表为KLH型各部尺寸(误差±2mm) 单位mm 型号 内经 (φ) 中心距 (H1) 总高度 (H2) 总宽度 (L2) 厚度 (D) 安装孔距 (L1) 固定螺丝 KLH-80 80 95 170 185 55 105 M10 KLH-100 100 112 198 205 63 123 M10 KLH-120 120 121 221 236 64 140 M10 ² 注意: ◆ZLH/圆形各部尺寸除Ф、H1、H2、C比KLH/圆形大3mm左右外,其它尺寸相同。 ◆K1、K2为出线端子。 ² 订货须知: 说明型号、数量及交货期。 地址:北京市海淀区西三旗建材城西二里小区100#楼 电话:010-82929595 82929191
展开阅读全文

开通  VIP会员、SVIP会员  优惠大
下载10份以上建议开通VIP会员
下载20份以上建议开通SVIP会员


开通VIP      成为共赢上传

当前位置:首页 > 包罗万象 > 大杂烩

移动网页_全站_页脚广告1

关于我们      便捷服务       自信AI       AI导航        抽奖活动

©2010-2025 宁波自信网络信息技术有限公司  版权所有

客服电话:0574-28810668  投诉电话:18658249818

gongan.png浙公网安备33021202000488号   

icp.png浙ICP备2021020529号-1  |  浙B2-20240490  

关注我们 :微信公众号    抖音    微博    LOFTER 

客服