收藏 分销(赏)

检验批质量检验记录表.doc

上传人:人****来 文档编号:9998923 上传时间:2025-04-16 格式:DOC 页数:12 大小:392.04KB 下载积分:8 金币
下载 相关 举报
检验批质量检验记录表.doc_第1页
第1页 / 共12页
检验批质量检验记录表.doc_第2页
第2页 / 共12页


点击查看更多>>
资源描述
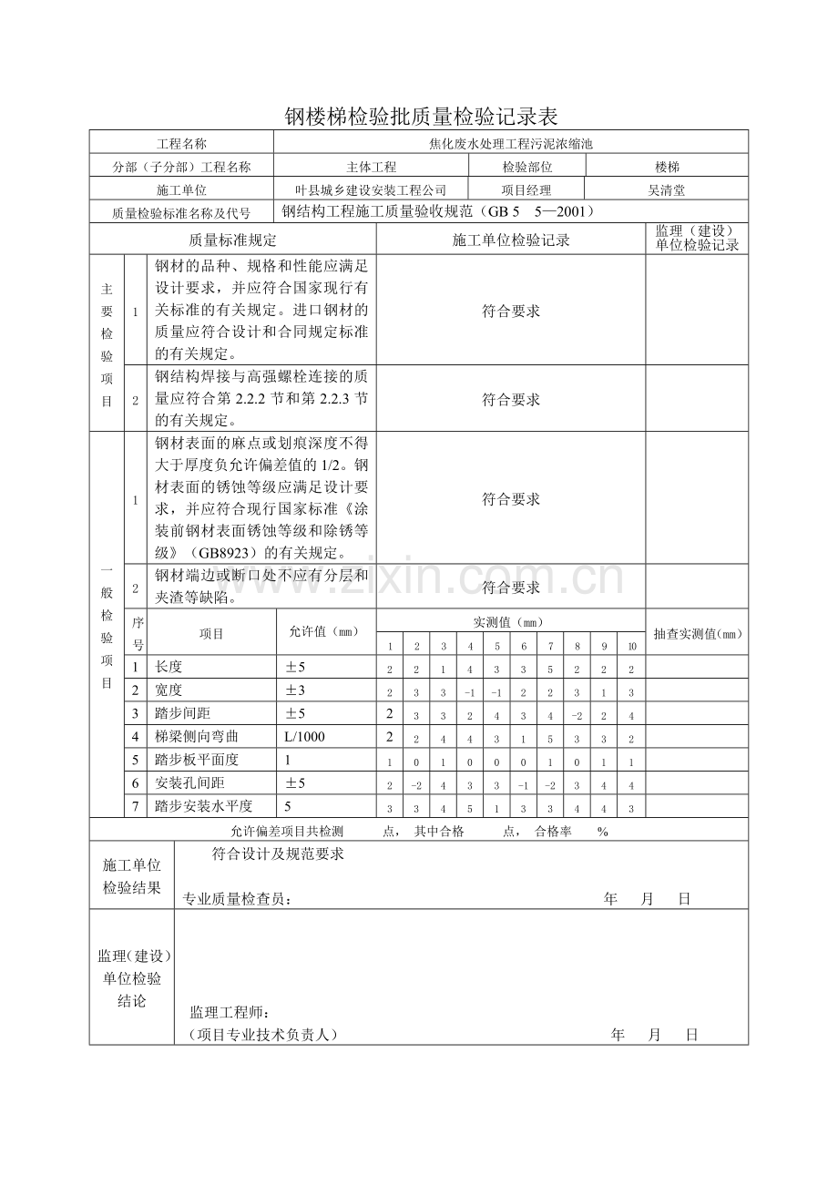
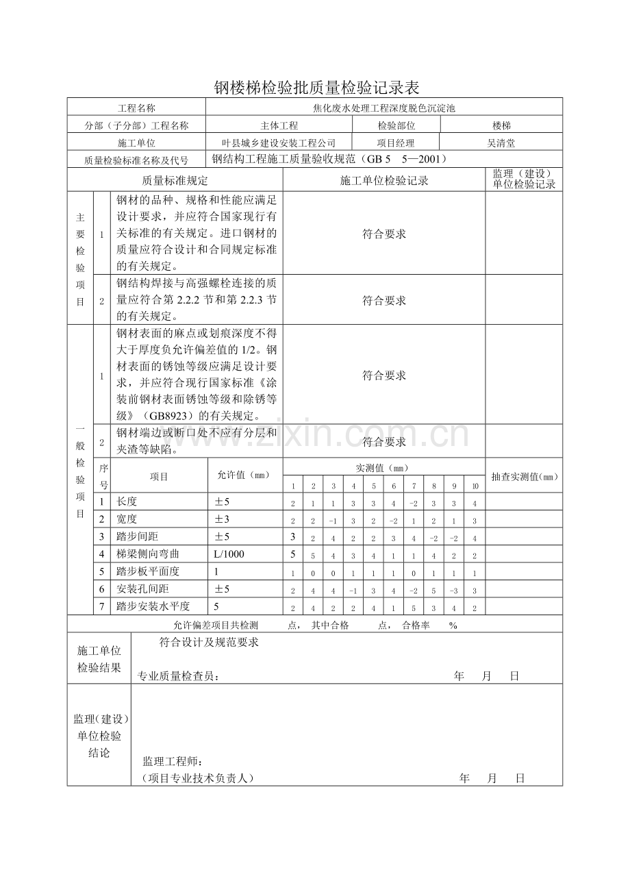
钢楼梯安装检验批质量检验记录表 工程名称 焦化废水处理工程生化沉淀池 分部(子分部)工程名称 主体工程 检验部位 楼梯 施工单位 ****建设安装工程公司 项目经理 **** 质量检验标准名称及代号 钢结构工程施工质量验收规范(GB 5 5—2001) 质量标准规定 施工单位检验记录 监理(建设)单位检验记录 主要 检验项目 1 钢材的品种、规格和性能应满足设计要求,并应符合国家现行有关标准的有关规定。进口钢材的质量应符合设计和合同规定标准的有关规定。 符合要求 2 钢结构焊接与高强螺栓连接的质量应符合第2.2.2节和第2.2.3节的有关规定。 符合要求 一般检验项目 1 钢材表面的麻点或划痕深度不得大于厚度负允许偏差值的1/2。钢材表面的锈蚀等级应满足设计要求,并应符合现行国家标准《涂装前钢材表面锈蚀等级和除锈等级》(GB8923)的有关规定。 符合要求 2 钢材端边或断口处不应有分层和夹渣等缺陷。 符合要求 序号 项目 允许值(mm) 实测值(mm) 抽查实测值(mm) 1 2 3 4 5 6 7 8 9 10 1 长度 ±5 2 1 1 3 5 4 -2 5 4 4 2 宽度 ±3 2 2 -1 3 3 1 1 -2 1 3 3 踏步间距 ±5 2 2 4 1 1 3 5 -2 -2 4 4 梯梁侧向弯曲 L/1000 2 2 4 3 3 1 1 4 2 2 5 踏步板平面度 1 1 1 1 0 0 1 1 0 0 1 6 安装孔间距 ±5 2 2 4 -1 3 5 -2 3 3 5 7 踏步安装水平度 5 2 3 3 5 1 1 3 3 4 2 允许偏差项目共检测 点, 其中合格 点, 合格率 % 施工单位 检验结果 符合设计及规范要求 专业质量检查员: 年 月 日 监理(建设)单位检验结论 监理工程师: (项目专业技术负责人) 年 月 日 钢楼梯检验批质量检验记录表 工程名称 焦化废水处理工程污泥浓缩池 分部(子分部)工程名称 主体工程 检验部位 楼梯 施工单位 叶县城乡建设安装工程公司 项目经理 吴清堂 质量检验标准名称及代号 钢结构工程施工质量验收规范(GB 5 5—2001) 质量标准规定 施工单位检验记录 监理(建设)单位检验记录 主要 检验项目 1 钢材的品种、规格和性能应满足设计要求,并应符合国家现行有关标准的有关规定。进口钢材的质量应符合设计和合同规定标准的有关规定。 符合要求 2 钢结构焊接与高强螺栓连接的质量应符合第2.2.2节和第2.2.3节的有关规定。 符合要求 一般检验项目 1 钢材表面的麻点或划痕深度不得大于厚度负允许偏差值的1/2。钢材表面的锈蚀等级应满足设计要求,并应符合现行国家标准《涂装前钢材表面锈蚀等级和除锈等级》(GB8923)的有关规定。 符合要求 2 钢材端边或断口处不应有分层和夹渣等缺陷。 符合要求 序号 项目 允许值(mm) 实测值(mm) 抽查实测值(mm) 1 2 3 4 5 6 7 8 9 10 1 长度 ±5 2 2 1 4 3 3 5 2 2 2 2 宽度 ±3 2 3 3 -1 -1 2 2 3 1 3 3 踏步间距 ±5 2 3 3 2 4 3 4 -2 2 4 4 梯梁侧向弯曲 L/1000 2 2 4 4 3 1 5 3 3 2 5 踏步板平面度 1 1 0 1 0 0 0 1 0 1 1 6 安装孔间距 ±5 2 -2 4 3 3 -1 -2 3 4 4 7 踏步安装水平度 5 3 3 4 5 1 3 3 4 4 3 允许偏差项目共检测 点, 其中合格 点, 合格率 % 施工单位 检验结果 符合设计及规范要求 专业质量检查员: 年 月 日 监理(建设)单位检验结论 监理工程师: (项目专业技术负责人) 年 月 日 钢楼梯检验批质量检验记录表 工程名称 焦化废水处理工程深度脱色沉淀池 分部(子分部)工程名称 主体工程 检验部位 楼梯 施工单位 叶县城乡建设安装工程公司 项目经理 吴清堂 质量检验标准名称及代号 钢结构工程施工质量验收规范(GB 5 5—2001) 质量标准规定 施工单位检验记录 监理(建设)单位检验记录 主要 检验项目 1 钢材的品种、规格和性能应满足设计要求,并应符合国家现行有关标准的有关规定。进口钢材的质量应符合设计和合同规定标准的有关规定。 符合要求 2 钢结构焊接与高强螺栓连接的质量应符合第2.2.2节和第2.2.3节的有关规定。 符合要求 一般检验项目 1 钢材表面的麻点或划痕深度不得大于厚度负允许偏差值的1/2。钢材表面的锈蚀等级应满足设计要求,并应符合现行国家标准《涂装前钢材表面锈蚀等级和除锈等级》(GB8923)的有关规定。 符合要求 2 钢材端边或断口处不应有分层和夹渣等缺陷。 符合要求 序号 项目 允许值(mm) 实测值(mm) 抽查实测值(mm) 1 2 3 4 5 6 7 8 9 10 1 长度 ±5 2 1 1 3 3 4 -2 3 3 4 2 宽度 ±3 2 2 -1 3 2 -2 1 2 1 3 3 踏步间距 ±5 3 2 4 2 2 3 4 -2 -2 4 4 梯梁侧向弯曲 L/1000 5 5 4 3 4 1 1 4 2 2 5 踏步板平面度 1 1 0 0 1 1 1 0 1 1 1 6 安装孔间距 ±5 2 4 4 -1 3 4 -2 5 -3 3 7 踏步安装水平度 5 2 4 2 2 4 1 5 3 4 2 允许偏差项目共检测 点, 其中合格 点, 合格率 % 施工单位 检验结果 符合设计及规范要求 专业质量检查员: 年 月 日 监理(建设)单位检验结论 监理工程师: (项目专业技术负责人) 年 月 日 钢楼梯检验批质量检验记录表 工程名称 焦化废水处理工程脱色反应池 分部(子分部)工程名称 主体工程 检验部位 楼梯 施工单位 叶县城乡建设安装工程公司 项目经理 吴清堂 质量检验标准名称及代号 钢结构工程施工质量验收规范(GB 5 5—2001) 质量标准规定 施工单位检验记录 监理(建设)单位检验记录 主要 检验项目 1 钢材的品种、规格和性能应满足设计要求,并应符合国家现行有关标准的有关规定。进口钢材的质量应符合设计和合同规定标准的有关规定。 符合要求 2 钢结构焊接与高强螺栓连接的质量应符合第2.2.2节和第2.2.3节的有关规定。 符合要求 一般检验项目 1 钢材表面的麻点或划痕深度不得大于厚度负允许偏差值的1/2。钢材表面的锈蚀等级应满足设计要求,并应符合现行国家标准《涂装前钢材表面锈蚀等级和除锈等级》(GB8923)的有关规定。 符合要求 2 钢材端边或断口处不应有分层和夹渣等缺陷。 符合要求 序号 项目 允许值(mm) 实测值(mm) 抽查实测值(mm) 1 2 3 4 5 6 7 8 9 10 1 长度 ±5 2 1 4 3 3 2 4 3 4 4 2 宽度 ±3 2 1 -1 2 3 3 1 -2 1 3 3 踏步间距 ±5 4 3 3 4 1 3 5 -2 -2 4 4 梯梁侧向弯曲 L/1000 2 2 4 2 3 1 1 4 2 2 5 踏步板平面度 1 1 1 1 0 0 1 1 0 0 1 6 安装孔间距 ±5 4 1 3 -1 3 4 -2 4 -2 3 7 踏步安装水平度 5 2 4 3 3 4 1 3 3 4 2 允许偏差项目共检测 点, 其中合格 点, 合格率 % 施工单位 检验结果 符合设计及规范要求 专业质量检查员: 年 月 日 监理(建设)单位检验结论 监理工程师: (项目专业技术负责人) 年 月 日 钢楼梯检验批质量检验记录表 工程名称 污水处理脱水车间 分部(子分部)工程名称 主体工程 检验部位 楼梯 施工单位 叶县城乡建设安装工程公司 项目经理 吴清堂 质量检验标准名称及代号 钢结构工程施工质量验收规范(GB 5 5—2001) 质量标准规定 施工单位检验记录 监理(建设)单位检验记录 主要 检验项目 1 钢材的品种、规格和性能应满足设计要求,并应符合国家现行有关标准的有关规定。进口钢材的质量应符合设计和合同规定标准的有关规定。 符合要求 2 钢结构焊接与高强螺栓连接的质量应符合第2.2.2节和第2.2.3节的有关规定。 符合要求 一般检验项目 1 钢材表面的麻点或划痕深度不得大于厚度负允许偏差值的1/2。钢材表面的锈蚀等级应满足设计要求,并应符合现行国家标准《涂装前钢材表面锈蚀等级和除锈等级》(GB8923)的有关规定。 符合要求 2 钢材端边或断口处不应有分层和夹渣等缺陷。 符合要求 序号 项目 允许值(mm) 实测值(mm) 抽查实测值(mm) 1 2 3 4 5 6 7 8 9 10 1 长度 ±5 2 -2 3 -1 1 3 3 5 4 4 2 宽度 ±3 3 2 -1 1 1 2 1 -2 1 3 3 踏步间距 ±5 2 2 -4 3 3 4 3 3 -2 4 4 梯梁侧向弯曲 L/1000 2 2 4 3 3 1 1 4 2 2 5 踏步板平面度 1 0 1 1 0 0 1 1 0 1 1 6 安装孔间距 ±5 2 3 3 4 3 3 -2 3 3 5 7 踏步安装水平度 5 2 4 4 5 1 2 2 3 4 2 允许偏差项目共检测 点, 其中合格 点, 合格率 % 施工单位 检验结果 符合设计及规范要求 专业质量检查员: 年 月 日 监理(建设)单位检验结论 监理工程师: (项目专业技术负责人) 年 月 日 水泥混凝土面层施工检验批质量检验记录表 CJJ 1-2021 工程名称 叶集孙岗片区龙江小区内部道路工程 单位工程名称 施工单位 安徽诚信建设 验收部位 K0+000至K0+155砼面层 项目经理 技术负责人 施工工长 分部工程名称 分项工程名称 交方班组 接方班组 验收规范及图号 CJJ-2021 检查项目 施工单位检查记录 监理单位 验收记录 主控项目 1 混凝土抗弯拉强度 符合设计规定 符合要求 2 混凝土抗压强度 符合设计规定 符合要求 3 厚度 符合设计规定 允许偏差±5mm 符合要求 4 抗滑性能构造深度 符合设计要求 检查项目 1 2 3 4 5 6 7 8 9 应测点数 合格点数 合格 率(%) 一 般 项 目 1 表面外观 板面平整密实,边角整齐无裂痕,无石子外露、浮浆、脱皮、踏痕、积水、蜂窝麻面≤总面积0.5% 符合要求 2 伸缩缝 伸缩缝垂直直顺,缝内无杂物,在规定的深度和宽度内贯通。传力杆与缝面垂直 符合要求 3 纵段高程 ±15 11 14 1 5 6 4 -8 5 3 27 27 100 -7 4 -9 6 4 -8 6 9 5 4 6 4 11 11 12 4 7 9 4 中线偏移 ≤20 2 4 6 8 4 3 7 4 4 18 18 100 13 15 6 8 14 5 7 11 17 5 平整度 测平仪检测,城市快速路、主干路σ≤1.2,次干路σ≤2。人工检测,城市快速路、主干路最大间隙≤3mm,次干路、支路最大间隙≤3mm 6 宽度 0 -20 3 5 -6 8 -5 8 9 5 -3 18 18 100 3 -6 8 0 6 3 -6 8 4 7 横坡(%) ±0.3%且不反坡 8 井框与路面高差 ≤3 1 2 3 1 2 2 3 1 1 18 18 100 0 2 1 1 2 2 1 3 1 9 相邻板高差 ≤3 0 2 3 1 2 2 3 1 1 27 27 100 1 2 1 1 2 2 1 3 1 1 3 2 0 2 2 0 2 0 10 纵逢直顺度 ≤10 1 2 4 7 4 7 5 4 2 18 18 100 1 3 4 3 6 7 6 4 8 11 横缝直顺度 ≤10 2 5 3 7 4 7 5 8 5 18 18 100 8 4 3 6 3 2 7 4 3 12 蜂窝麻面面积 ≤2% 1 0 2 0 1 1 0 1 0 27 27 100 1 0 1 0 1 0 1 0 1 0 1 0 1 2 1 0 2 1 平均合格率(%) 100 施工单位检查意见 符合施工质量验收规范要求 质检员签名: 年 月 日 监理单位验收意见 监理工程师签名: 年 月 日 注:1、σ为标准差。 2、主控项目、一般项目的检查结果,需要语言描述的项,应按CJJ1-2021的要求详实描述;主控项目的计数检验项先填写“检验批主控项目计数检验记录表”(G1-1-1),然后将计数检验结果填写在本表相应的检查结果栏内;检验批一般项目计数检验数据较多、本表空格不够填写的项,可填写“检验批一般项目计数检验记录表”(G1-1-2),将该表作为本表的附页。 水泥混凝土面层施工检验批质量检验记录表 CJJ 1-2021 工程名称 叶集孙岗片区龙江小区内部道路工程 单位工程名称 施工单位 安徽诚信建设 验收部位 K0+155至K0+330砼面层 项目经理 技术负责人 施工工长 分部工程名称 分项工程名称 交方班组 接方班组 验收规范及图号 CJJ-2021 检查项目 施工单位检查记录 监理单位 验收记录 主控项目 1 混凝土抗弯拉强度 符合设计规定 符合要求 2 混凝土抗压强度 符合设计规定 符合要求 3 厚度 符合设计规定 允许偏差±5mm 符合要求 4 抗滑性能构造深度 符合设计要求 检查项目 1 2 3 4 5 6 7 8 9 应测点数 合格点数 合格 率(%) 一 般 项 目 1 表面外观 板面平整密实,边角整齐无裂痕,无石子外露、浮浆、脱皮、踏痕、积水、蜂窝麻面≤总面积0.5% 符合要求 2 伸缩缝 伸缩缝垂直直顺,缝内无杂物,在规定的深度和宽度内贯通。传力杆与缝面垂直 符合要求 3 纵段高程 ±15 11 14 1 3 6 4 -8 2 3 27 27 100 -7 4 -9 6 4 -8 5 9 5 4 6 4 11 12 12 4 7 9 4 中线偏移 ≤20 2 4 6 8 4 3 7 4 4 18 18 100 13 15 6 8 14 5 7 11 17 5 平整度 测平仪检测,城市快速路、主干路σ≤1.2,次干路σ≤2。人工检测,城市快速路、主干路最大间隙≤3mm,次干路、支路最大间隙≤3mm 6 宽度 0 -20 3 5 -6 2 -5 8 5 5 -3 18 18 100 3 -6 8 0 6 3 -6 8 4 7 横坡(%) ±0.3%且不反坡 8 井框与路面高差 ≤3 1 2 3 1 2 2 3 1 1 18 18 100 0 3 1 1 2 1 1 3 1 9 相邻板高差 ≤3 0 2 3 1 1 2 3 1 1 27 27 100 1 2 1 1 2 2 1 3 1 1 3 2 0 2 2 0 2 0 10 纵逢直顺度 ≤10 1 2 4 7 4 3 5 4 2 18 18 100 1 3 4 2 6 7 6 4 8 11 横缝直顺度 ≤10 2 5 3 7 4 7 5 8 5 18 18 100 8 4 3 6 3 2 7 4 3 12 蜂窝麻面面积 ≤2% 1 0 2 0 1 1 0 1 0 27 27 100 1 0 1 0 1 0 1 0 1 0 1 0 1 2 1 0 2 1 平均合格率(%) 100 施工单位检查意见 符合施工质量验收规范要求 质检员签名: 年 月 日 监理单位验收意见 监理工程师签名: 年 月 日 注:1、σ为标准差。 2、主控项目、一般项目的检查结果,需要语言描述的项,应按CJJ1-2021的要求详实描述;主控项目的计数检验项先填写“检验批主控项目计数检验记录表”(G1-1-1),然后将计数检验结果填写在本表相应的检查结果栏内;检验批一般项目计数检验数据较多、本表空格不够填写的项,可填写“检验批一般项目计数检验记录表”(G1-1-2),将该表作为本表的附页。 水泥混凝土面层施工检验批质量检验记录表 CJJ 1-2021 工程名称 叶集孙岗片区龙江小区内部道路工程 单位工程名称 施工单位 安徽诚信建设 验收部位 K0+330至K0+517.1砼面层 项目经理 技术负责人 施工工长 分部工程名称 分项工程名称 交方班组 接方班组 验收规范及图号 CJJ-2021 检查项目 施工单位检查记录 监理单位 验收记录 主控项目 1 混凝土抗弯拉强度 符合设计规定 符合要求 2 混凝土抗压强度 符合设计规定 符合要求 3 厚度 符合设计规定 允许偏差±5mm 符合要求 4 抗滑性能构造深度 符合设计要求 检查项目 1 2 3 4 5 6 7 8 9 应测点数 合格点数 合格 率(%) 一 般 项 目 1 表面外观 板面平整密实,边角整齐无裂痕,无石子外露、浮浆、脱皮、踏痕、积水、蜂窝麻面≤总面积0.5% 符合要求 2 伸缩缝 伸缩缝垂直直顺,缝内无杂物,在规定的深度和宽度内贯通。传力杆与缝面垂直 符合要求 3 纵段高程 ±15 11 14 1 2 6 4 -8 6 3 27 27 100 -7 4 -9 6 4 -3 6 9 5 4 6 4 13 11 12 4 7 9 4 中线偏移 ≤20 2 4 6 8 4 3 5 4 4 18 18 100 13 15 3 8 14 5 7 11 17 5 平整度 测平仪检测,城市快速路、主干路σ≤1.2,次干路σ≤2。人工检测,城市快速路、主干路最大间隙≤3mm,次干路、支路最大间隙≤3mm 6 宽度 0 -20 3 5 -6 4 -5 8 9 5 -3 18 18 100 3 -6 3 1 6 3 -6 8 4 7 横坡(%) ±0.3%且不反坡 8 井框与路面高差 ≤3 1 2 3 1 2 2 2 1 1 18 18 100 0 2 1 2 2 2 1 3 1 9 相邻板高差 ≤3 0 2 3 1 2 2 3 1 1 27 27 100 1 2 1 1 2 2 1 3 1 1 3 2 0 2 2 0 2 0 10 纵逢直顺度 ≤10 1 2 6 7 4 7 5 4 2 18 18 100 1 3 4 3 3 7 6 4 8 11 横缝直顺度 ≤10 2 5 3 7 4 7 5 8 5 18 18 100 8 4 3 6 3 2 7 4 3 12 蜂窝麻面面积 ≤2% 1 0 2 0 2 1 0 1 0 27 27 100 1 1 1 0 1 0 1 0 1 0 1 0 1 2 1 0 2 1 平均合格率(%) 100 施工单位检查意见 符合施工质量验收规范要求 质检员签名: 年 月 日 监理单位验收意见 监理工程师签名: 年 月 日 注:1、σ为标准差。 2、主控项目、一般项目的检查结果,需要语言描述的项,应按CJJ1-2021的要求详实描述;主控项目的计数检验项先填写“检验批主控项目计数检验记录表”(G1-1-1),然后将计数检验结果填写在本表相应的检查结果栏内;检验批一般项目计数检验数据较多、本表空格不够填写的项,可填写“检验批一般项目计数检验记录表”(G1-1-2),将该表作为本表的附页。 道路铣刨 检验批质量检验记录表 工程名称 施工单位 单位工程名称 道路工程 分部工程名称 面层 分项工程名称 道路铣刨 验收部位 工程数量 项目经理 技术负责人 制表人 施工负责人 质量检验员 交方班组 / 接方班组 / 检验日期 检查项目 检验依据或 允许偏差(mm) 检查结果 监理(建设)单位验收记录 主控项目 1 压实度(%) 符合规范及设计规定 符合规范及设计规定 2 弯沉值 不大于设计规定 符合规范及设计规定 3 厚度 符合规范及设计规定 符合规范及设计规定 检查项目 允许偏差或 允许值(mm) 检查结果/实测点偏差值或实测值 1 2 3 4 5 6 7 8 9 10 应测点数 合格 点数 合格率 % 一般项目 1 平整度 ≤15 2 路床宽度(mm) 不小于设计值+B 3 路床 横坡 ±0.3%且不反坡 4 铣刨路面外观 符合规范及设计规定 表面平整、坚实,无杂物、油污、裂缝。 一般项目 合格率平均值(%) 施工单位 检查评定结果 符合规范及设计规定 项目专业质量检查员:年月日 监理(建设) 单位验收结论 专业监理工程师: (建设单位项目专业技术负责人)年月日 注:1、B为施工是必要的附加宽度。
展开阅读全文

开通  VIP会员、SVIP会员  优惠大
下载10份以上建议开通VIP会员
下载20份以上建议开通SVIP会员


开通VIP      成为共赢上传

当前位置:首页 > 应用文书 > 办公表格

移动网页_全站_页脚广告1

关于我们      便捷服务       自信AI       AI导航        抽奖活动

©2010-2025 宁波自信网络信息技术有限公司  版权所有

客服电话:0574-28810668  投诉电话:18658249818

gongan.png浙公网安备33021202000488号   

icp.png浙ICP备2021020529号-1  |  浙B2-20240490  

关注我们 :微信公众号    抖音    微博    LOFTER 

客服