收藏 分销(赏)

工程监理工作表式.docx

上传人:xrp****65 文档编号:5840158 上传时间:2024-11-20 格式:DOCX 页数:39 大小:36.96KB 下载积分:10 金币
下载 相关 举报
工程监理工作表式.docx_第1页
第1页 / 共39页
工程监理工作表式.docx_第2页
第2页 / 共39页


点击查看更多>>
资源描述
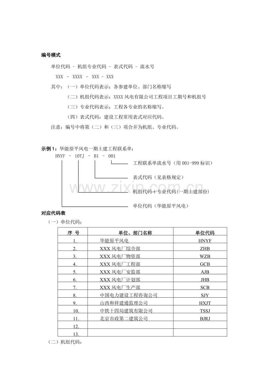
附录八 工程监理工作表式 A.1工程开工报审表 A.2工程复工申请表 A.3施工组织设计报审表(项目管理实施规划) A.4方案报审表 A.5分包单位资质报审表 A.6单位资质报审表(试验检测单位/主要材料、构配件及设备供货商) A.7人员资质报审表(主要管理人员/特殊工种/特种作业人员) A.8工程控制网测量/线路复测报审表 A.9主要施工机械/工器具/安全用具报审表 A.10主要测量计量器具/试验设备检验报审表 A.11质量验收及评定项目划分报审表 A.12工程材料/构配件/设备报审表 A.13主要设备开箱申请表 A.14验收申请表 A.15中间交付验收交接表 A.16计划/调整计划报审表 A.17费用索赔申请表 A.18监理工程师通知回复单 A.19工程款支付申请单 A.20工程变更报审表 A.21设备/材料/构配件缺陷通知单 A.22设备材料缺陷处理报验单 A.23工程竣工报验单 A.24强制性条文执行计划报审表 A.25承包单位资质报审表 B.1监理工作联系单 B.2监理工程师通知单 B.3工程暂停令 B.4设计文件图纸评审意见及回复单 B.5旁站监理记录表 C.1图纸交付计划报审表 C.2设计文件报检表 C.3设计变更通知单报检表 D.1工程联系单 D.2工程变更申请单 编号模式 单位代码 - 机组专业代码 - 表式代码 - 流水号 XXX – XXXX – XXX - XXX 其中:(一)单位代码表示:各参建单位、部门名称缩写 (二)机组代码表示:XXXX风电有限公司工程项目工期号和机组号 (三)专业代码表示:工程各专业的名称缩写。 (四)表式代码:建设工程常用表式对应代码。 注意:编号中将第(二)和(三)项合并为机组、专业代码。 示例1:华能原平风电一期土建工程联系单: HNYF – 10TJ – B1 – 001 工程联系单流水号(用001-999标识) 表式代码(见表格规定) 机组代码+专业代码(一期土建部份) 单位代码(华能原平风电) 对应代码表 (一)单位代码: 序 号 单位、部门名称 单位代码 1. 华能原平风电 HNYF 2. XXX风电厂综合部 ZHB 3. XXX风电厂物资部 WZB 4. XXX风电厂工程部 GCB 5. XXX风电厂安监部 AJB 6. XXX风电厂计划部 JHB 7. XXX风电厂生产部 SCB 8. 中国电力建设工程咨询公司 SJY 9. 山西和祥建通监理公司 HXJT 10. 中铁十四局建筑有限公司 TSSJ 11. 北京市政第二建筑公司 BJRJ 12. 13. (二)机组代码: 序 号 机 组 名 称 规定代码 1. 共用系统 00 2. 一期机组 10 (三)专业代码: 序 号 专 业 名 称 专 业 代 码 1. 电气专业 DQ 2. 总交专业 ZJ 3. 土建专业 TJ 4. 通迅专业 TX 5. 质量检验 JY 6. 临时设施 LJ 7. 质量 ZL 8. 安全 AQ 9. 调试 TS 10. 技术 JS 11. 综合 ZH 12. (四)表式代码 XXX风电厂建设工程常用表式共33种,其中: A类表式: A1-A23是承包商(施工、安装、调试)单位向建设单位、项目监理部报送表式。 B类表式: B1-B5 是项目监理部向各承包商或建设单位发送的表式。 C类表式: C1-C3 设计院向建设单位、项目监理部报送表式。 D类表式: D1-D2是整个工程的通用表式,适用于本工程各参建单位。需要增加内容由XXX风电厂统一制定。 表A.1 工程开工报审表 工程名称: 编号: 致 项目监理机构: 我方承担的 工程,已完成了开工前的各项准备工作,特申请于 年 月 日开工,请审查。 □施工组织设计(项目管理实施规划)已审批; □各项施工管理制度和响应的施工方案已制定并审查合格; □施工图已会检; □技术交底已进行; □质量验收及评定项目划分表已报审; □工程控制网测量/线路复测资料已审核; □质量管理体系、安全环境管理体系满足要求; □特殊工种/特殊作业人员满足工程需要; □本工程的施工人力和机械已进场; □物资、材料准备能满足连续施工的需要; □计量器具、仪表经法定单位检验合格; □分包单位资格审查文件已报审; □试验(检测)单位资质审查文件已报审; □上道工序已完工并验收合格。 承包单位(章): 项目经理: 日 期: 项目监理机构审查意见: 项目监理机构(章): 总监理工程师: 日 期: 建设单位审批意见: 建设单位(章): 项目代表: 日 期: 填报说明: 1、 本表一式 份,由承包单位填报,建设单位、项目监理机构各一份,承包单位 份。 2、 报审表的“□”作为附件附在报审表后,项目监理机构审查确认后在框内打“√”。 3、 项目监理机构审查要点:工程各项开工准备是否充分;相关的报审是否已全部完成,是否具备开工条件。 表A.2工程复工申请表 工程名称: 编号: 致: 项目监理机构: 第 号工程暂停令指出的 工程停工因素现已全部消除,具备复工条件。特报请审查,请予批准复工。 附件:整改自查报告。 承包单位(章): 项目经理: 日 期: 项目监理机构审查意见: 项目监理机构(章): 总监理工程师: 日 期: 建设单位审批意见: 建设单位(章): 项目代表: 日 期: 填报说明: 本表一式 份,由承包单位填报,建设单位、项目监理机构、承包单位各一份。 表A.3施工组织设计报审表 (项目管理实施规划) 工程名称: 编号: 致: 项目监理机构: 我方已根据承包合同的有关规定完成了 工程施工组织设计(项目管理实施规划)的编制,并经我单位技术负责人审查批准,请予以审查。 附件:施工组织设计(项目管理实施规划) 承包单位(章): 项目经理: 日 期: 专业监理工程师审查意见: 专业监理工程师: 日 期: 总监理工程师审查意见: 项目监理机构(章): 总监理工程师: 日 期: 建设单位审查意见: 建设单位(章): 项目代表: 日 期: 填报说明: 本表一式 份,由承包单位填报,建设单位、项目监理机构、承包单位各一份。 表A.4方案报审表 工程名称: 编号: 致: 项目监理机构: 现报上 专工程施工方案/安全方案/调试方案/特殊施工技术方案/采购方案/工艺方案/事故处理/节能减排/水土保持/环境保护方案,请审查。 附件: 承包单位(章): 项目经理: 日 期: 专业监理工程师审查意见: 专业监理工程师: 日 期: 总监理工程师审查意见: 项目监理机构(章): 总监理工程师: 日 期: 建设单位审查意见: 建设单位(章): 项目代表: 日 期: 填报说明: 本表一式 份,由承包单位填报,建设单位、项目监理机构、承包单位各一份。特殊施工技术方案由承包单位总工程师批准,并附验算结果。 表A.5分包单位资质报审表 工程名称: 编号: 致: 项目监理机构: 经考察,我方认为拟选择的 (分包单位)具有承担下列工程的施工资质和施工能力,可以保证本工程项目按承包合同的规定进行施工。分包后,我方仍承担总承包单位的全部责任,请予以审批。 附件:1.分包单位资质材料 2.分包单位业绩材料 分包工程名称(部位) 工程量 拟分包工程合同额 分包工程占全部工程 合 计 承包单位(章): 项目经理: 日 期: 项目监理机构审查意见: 项目监理机构(章): 总监理工程师: 专业监理工程师: 日 期: 建设单位审批意见: 建设单位(章): 项目代表: 日 期: 填报说明: ① 本表一式 份,由承包单位填报,建设单位、项目监理机构、承包单位各一份。 ② 如无分包工程,则也需承包单位确认。 表A.6单位资质报审表 (试验检测单位/主要材料、构配件及设备供货商) 工程名称: 编号: 致: 项目监理机构: 经我方审查, 单位可提供工程需要的 ,请予以审批。 附件: □本工程的试验项目及其要求。 □试验室的资质证明文件。 (资质等级、试验范围、法定计量部门对试验设备出具的计量检定证明 □供货商的资质证明文件。 (营业执照、生产许可证、质量管理体系认证书、产品检验报告等) 承包单位(章): 项目经理: 日 期: 项目监理机构审查意见: 项目监理机构(章): 总监理工程师: 专业监理工程师: 日 期: 建设单位审批意见: 建设单位(章): 项目代表: 日 期: 填报说明: 本表一式 份,由承包单位填报,建设单位、项目监理机构、承包单位各一份。 表A.7人员资质报审表 (主要管理人员/特殊工种/特种作业人员) 工程名称: 编号: 致: 项目监理机构: 现报上本项目部主要管理人员/特殊工种/特种作业人员名单及其资格证件,请查验。工程进行中如有调整,将重新统计并上报。 附件:相关资格证件。 承包单位(章): 项目经理: 日 期: 姓名 岗位/工种 证件名称 证件编号 发证单位 有效期 项目监理机构审查意见: 项目监理机构(章): 总监理工程师: 专业监理工程师: 日 期: 填报说明: 本表一式 份,由承包单位填报,建设单位、项目监理机构、承包单位各一份。 表A.8工程控制网测量/线路复测报审表 工程名称: 编号: 致: 项目监理机构: 现报上 工程控制网测量记录/线路复测记录,请查验。 附件: 工程控制网测量记录/线路复测记录。 承包单位(章): 项目经理: 日 期: 专业监理工程师审查意见: 专业监理工程师: 日 期: 总监理工程师审查意见: 项目监理机构(章): 总监理工程师: 日 期: 填报说明: 本表一式 份,由承包单位填报,建设单位、项目监理机构、承包单位各一份 表A.9主要施工机械/工器具/安全用具报审表 工程名称: 编号: 致: 项目监理机构: 现报上拟用于本工程的主要施工机械/工器具/安全用具清单及其检验资料,请查验。工程进行中如有调整,将重新统计并上报。 器具名称 编号 检验证编号 检验单位 检定日期/有效期 附件:相关检验证明文件。 承包单位(章): 项目经理: 日 期: 项目监理机构审查意见: 项目监理机构(章): 专业监理工程师: 日 期: 填报说明: 本表一式 份,由承包单位填报,建设单位、项目监理机构、承包单位各一份。 表A.10主要测量计量器具/试验设备检验报审表 工程名称: 编号: 致: 项目监理机构: 现报上拟用于本工程的主要测量、计量器具、试验设备及其检验证明,请查验。工程进行中如有调整,将重新统计并上报。 附件:测量、计量器具检验证明材料。 承包单位(章): 项目经理: 日 期: 器具名称 编号 检验证编号 检验单位 检定日期/有效期 项目监理机构审查意见: 项目监理机构(章): 总监理工程师: 专业监理工程师: 日 期: 填报说明: 本表一式 份,由承包单位填报,建设单位、项目监理机构、承包单位各一份。 表A.11质量验收及评定项目划分报审表 工程名称: 编号: 致: 项目监理机构: 现报上 工程质量验收及评定项目划分表,请审查。 附件: 工程质量验收及评定项目划分表。 承包单位(章): 项目经理: 日 期: 项目监理机构审查意见: 项目监理机构(章): 总监理工程师: 专业监理工程师: 日 期: 建设单位审批意见: 建设单位(章): 项目代表: 日 期: 填报说明: 本表一式 份,由承包单位填报,建设单位、项目监理机构、承包单位各一份。 表A.12工程材料/构配件/设备报审表 工程名称: 编号: 致: 项目监理机构: 我方于 年 月 日进场的工程材料/构配件/设备数量如下(见附件)。现将质量证明文件及自检结果报上,拟用于下述部位; 请审核。 附件:1.数量清单。 2.质量证明文件。 3.自检结果。 4.复试报告。 承包单位(章): 项目经理: 日 期: 项目监理机构审查意见: 经审查行数工程材料/构配件/设备符合/不符合设计文件和规范要求,准许/不准许进场,同意/不同意使用于拟定部位。 项目监理机构(章): 专业监理工程师: 日 期: 填报说明: 本表一式 份,由承包单位填报,建设单位、项目监理机构、承包单位各一份。 表A.13主要设备开箱申请表 工程名称: 编号: 致: 项目监理机构: 现计划于 年 月 日在 地点对设备进行开箱检查验收,请予以安排。 附件:拟开箱设备清单。 承包单位(章): 项目经理: 日 期: 项目监理机构审查意见: 项目监理机构(章): 专业监理工程师: 日 期: 填报说明: 本表一式 份,由承包单位填报,建设单位、项目监理机构、承包单位各一份。 表A.14验收申请表 工程名称: 编号: 致: 项目监理机构: 我方已完成 工程(检验批/分项工程/分部工程/单位工程),经三级自检合格,具备 验收条件,现报上该工程验收申请单,请予以审查验收。 附件:自检报告。 承包单位(章): 项目经理: 日 期: 项目监理机构审查意见: 项目监理机构(章): 总监理工程师: 专业监理工程师: 日 期: 填报说明: 本表一式 份,由承包单位填报,建设单位、项目监理机构、承包单位各一份。 表A.15中间交付验收交接表 工程名称: 编号: 致: 项目监理机构: 我方负责施工的 工程现已具备交付 条件,请组织查验。(检验批/分项工程/分部工程/单位工程),经三级自检合格,具备 验收条件,现报上该工程验收申请单,请予以审查验收 移交承包单位(章): 项目经理: 日 期: 接受单位查验意见: 接受单位(章) 项目经理: 日 期: 项目监理机构审查意见: 项目监理机构(章): 总监理工程师: 专业监理工程师: 日 期:
展开阅读全文

开通  VIP会员、SVIP会员  优惠大
下载10份以上建议开通VIP会员
下载20份以上建议开通SVIP会员


开通VIP      成为共赢上传

当前位置:首页 > 环境建筑 > 工程监理

移动网页_全站_页脚广告1

关于我们      便捷服务       自信AI       AI导航        抽奖活动

©2010-2026 宁波自信网络信息技术有限公司  版权所有

客服电话:0574-28810668  投诉电话:18658249818

gongan.png浙公网安备33021202000488号   

icp.png浙ICP备2021020529号-1  |  浙B2-20240490  

关注我们 :微信公众号    抖音    微博    LOFTER 

客服