收藏 分销(赏)

中小学常用仪器的读数和使用专项突破题集-17(原卷版)公开课教案教学设计课件案例测试练习卷题.docx

上传人:二*** 文档编号:4481075 上传时间:2024-09-24 格式:DOCX 页数:5 大小:382KB 下载积分:5 金币
下载 相关 举报
中小学常用仪器的读数和使用专项突破题集-17(原卷版)公开课教案教学设计课件案例测试练习卷题.docx_第1页
第1页 / 共5页
本文档共5页,全文阅读请下载到手机保存,查看更方便
资源描述
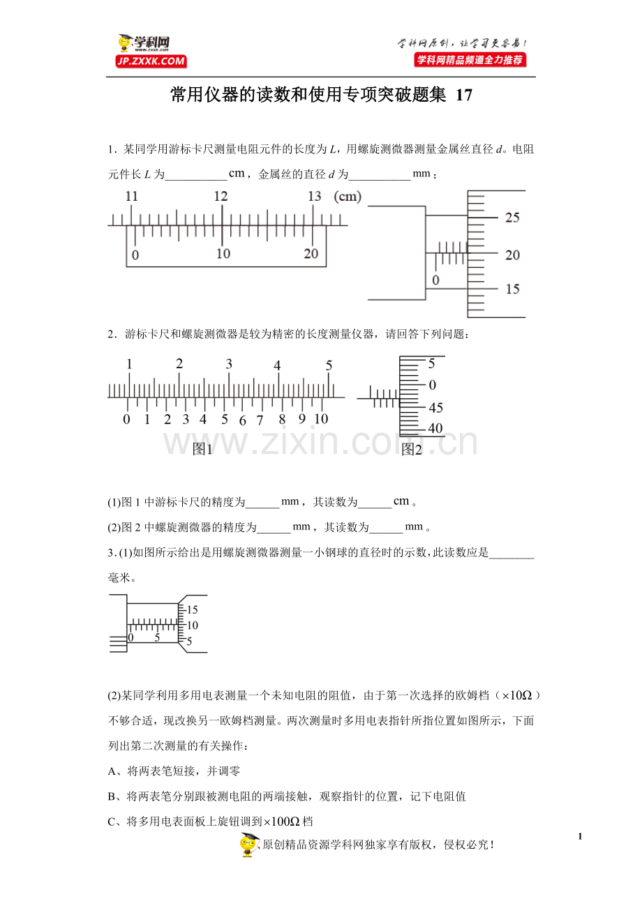
常用仪器的读数和使用专项突破题集 17 1.某同学用游标卡尺测量电阻元件的长度为L,用螺旋测微器测量金属丝直径d。电阻元件长L为___________,金属丝的直径d为___________; 2.游标卡尺和螺旋测微器是较为精密的长度测量仪器,请回答下列问题: (1)图1中游标卡尺的精度为______,其读数为______。 (2)图2中螺旋测微器的精度为______,其读数为______。 3.(1)如图所示给出是用螺旋测微器测量一小钢球的直径时的示数,此读数应是________毫米。 (2)某同学利用多用电表测量一个未知电阻的阻值,由于第一次选择的欧姆档()不够合适,现改换另一欧姆档测量。两次测量时多用电表指针所指位置如图所示,下面列出第二次测量的有关操作: A、将两表笔短接,并调零 B、将两表笔分别跟被测电阻的两端接触,观察指针的位置,记下电阻值 C、将多用电表面板上旋钮调到档 D、将多用电表面板上旋钮调到档 E、将多用电表面板上旋钮调到off位置 ①根据上述有关操作,将第二次测量的合理实验步骤按顺序写出_____________ ②该电阻的阻值是___________。 4.用螺旋测微器测量金属丝直径如图1所示,则金属丝直径d=___________mm,用游标卡尺测量金属小球直径如图乙所示,小球直径D=___________cm。 5.学校进了批电阻线,每卷长度L=100m,高三物理兴趣小组想尽量准确测电阻率。 (1)用螺旋测微器测量电阻丝直径中,结果如图所示,其读数是______mm; (2)选用倍率为“×10”的欧姆挡测其电阻时,表针如图所示,则所测电阻的阻值为______Ω; (3)同学们利用下列器材设计一个电路,以便尽量准确地测量一卷电阻丝的电阻; 电源E(电动势9V,内阻约为1Ω)电流表A1(量程0~250mA,内阻r1=10Ω) 电流表A2(量程0~350mA,内阻约为5Ω)滑动变阻器R1(最大阻值20Ω,额定电流3A) 滑动变阻器R2(最大阻值2000Ω,额定电流1A)电阻箱R3(阻值范围0-9999Ω,额定电流1A) 开关S及导线若干 ①若将电流表与电阻箱改装成一个量程为9V的电压表,则电阻箱接入电路的阻值为______Ω; ②为了方便操作,滑动变阻器应选______(填“R1”或“R2”); ③请在方框中画出实验电路图,并标明代号;______ ④若某同学设计方案正确,从设计原理看,其电阻的测量值与真实值相比______(填“偏大”“偏小”或“相等”)。 6.某同学准备测量一段电阻丝的长度和直径,实验操作如下: (1)用20分度的游标卡尺测量其长度,由图可知其长度为__________cm; (2)用螺旋测微器测量其直径,由图可知其直径为__________mm;(该数值为直径的平均值) 7.如图所示用螺旋测微器测量直径,由图可知道直径为_________mm。 8.如图所示游标卡尺测量其长度,其长度为________mm。 9.读出螺旋测微器的读数。读数:___________mm 10.读出下列四幅图的示数: (1)量程为3V,则读数为________;量程为0.6A,则读数为________ (2)游标卡尺读数为________mm,螺旋测微器读数为________cm 11.用50分度的游标卡尺测量某一工件长度,读数如下图所示,其读数为___________mm。 12.请读数:图1__________mm,图2__________mm 5 原创精品资源学科网独家享有版权,侵权必究!
展开阅读全文

开通  VIP会员、SVIP会员  优惠大
下载10份以上建议开通VIP会员
下载20份以上建议开通SVIP会员


开通VIP      成为共赢上传

当前位置:首页 > 教育专区 > 其他

移动网页_全站_页脚广告1

关于我们      便捷服务       自信AI       AI导航        抽奖活动

©2010-2025 宁波自信网络信息技术有限公司  版权所有

客服电话:0574-28810668  投诉电话:18658249818

gongan.png浙公网安备33021202000488号   

icp.png浙ICP备2021020529号-1  |  浙B2-20240490  

关注我们 :微信公众号    抖音    微博    LOFTER 

客服