收藏 分销(赏)

强夯施工处理湿陷性黄土地基工法secret.docx

上传人:可**** 文档编号:950787 上传时间:2024-04-08 格式:DOCX 页数:14 大小:417.15KB 下载积分:10 金币
下载 相关 举报
强夯施工处理湿陷性黄土地基工法secret.docx_第1页
第1页 / 共14页
强夯施工处理湿陷性黄土地基工法secret.docx_第2页
第2页 / 共14页


点击查看更多>>
资源描述
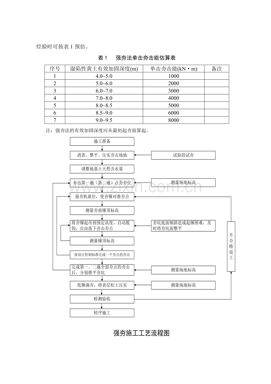
强夯施工处理湿陷性黄土地基工法 一、前言 在湿陷性黄土地区施工,消除有效深度范围内湿陷性应当做为施工的首要工作。其作法有:垫层法、强夯法、挤密桩法、予浸水法等,具体情况不同,采用的方法也有所不同。 强夯法施工既能消除黄土地基湿陷性,又能提高地基的承载能力,与垫层法、挤密桩法、予浸水法等相比较,具有操作容易,所用设备简单,施工速度快、费用低、效果好等优点,所以强夯法是处理湿陷性黄土地基的首选方法。 二、工法特点 1、工艺简单、适用范围广,距建筑物及居民区安全距离200~300m以外均可采用。 2、操作简便、安全、工效高,既可以消除地基湿陷性,又能提高地基承载力。 3、施工过程中对环境无污染,有利于环保。 三、适用范围 本工法对大面积消除黄土地基湿陷性特别适用,如大型厂房区、飞机场、体育运动场,高等级公路及铁路路基等建筑物的建设工程。 四、施工工艺 (一)、工艺原理 黄土俗称大孔土,在高冲击能的作用下,地基土失去原结构,土粒重新排列,孔隙压缩,孔隙率减小,渗透性减弱,土体密实度得到极大提高,在一定深度范围内湿陷性能消除,承载能力提高。 (二)、工艺流程(见工艺流程图) (三)、施工要点 1、根据设计要求,在拟建区选择一段不小于20m×20m=400m2的有代表性的区域进行试夯,以便选定强夯施工参数与工艺,试夯工作参照的主要技术标准为:《湿陷性黄土地区建筑规范》GB50025-2004,《建筑地基处理技术规范》JBJ79-2002。 (1)单击夯击能的确定 根据设计要求地基加固深度,结合当地经验确定单击夯击能,在缺少经验资料或经验时可按表1预估。 表1 强夯法单击夯击能估算表 序号 湿陷性黄土有效加固深度(m) 单击夯击能(kN·m) 备注 1 4.0~5.0 1000 2 5.0~6.0 2000 3 6.0~7.0 3000 4 7.0~8.0 4000 5 8.0~8.5 5000 6 8.5~9.0 6000 7 9.0~9.5 8000 注:强夯法的有效加固深度应从最初起夯面算起。 (2)夯点的夯击次数确定 应按现场试夯得到的夯击次数和夯沉量关系曲线确定,并应同时满足下列条件: ①最后两击的夯沉量不宜大于下列数值: 当单击夯击能小于4000 kN·m时为50mm; 当单击夯击能为4000~6000 kN·m时为100mm; 当单击夯击能大于6000 kN·m时为200mm; ②夯坑周围地面不应发生过大的隆起; ③不因夯坑过深而发生提锤困难。 (3)夯击遍数确定 首先采用2~3遍点夯,再以低能量满夯1~2遍,满夯可改用轻锤或低落距夯击,锤印搭接。 (4)每遍夯击之间间歇时间的确定 间歇时间的确定取决于土中超静孔隙水压力的消散时间,黄土属于渗透性较差的细颗粒土,每遍夯击之间(点夯与点夯、点夯与满夯)间歇3~5天。强夯结束后根据规范规定及以往施工经验应静止14天后再进行各项检测,检查其工作有效性。如不合格还须复击。 2、基底处理 恢复中线,按要求放边桩,并对地下管线进行勘查,强夯前要将其移至界外,对上空的高低压线路要移出界外或架空至安全距离以上。 划分作业区段,按8000~10000m2安排一台强夯机为宜,如为路基施工200~300m线路长度划分为一作业区段,或以两桥(涵)间作为一个作业区段。 进行水平测量,清除基层表面植被,挖除树根,推土机整平。因为经过强夯后,地基夯沉量可达0.8~1.0m,所以在挖方段要预留0.8~1.0m的高度。 压路机碾压1~2遍,碾压沿建筑区纵向进行,先低侧,后高侧,压路机一进一退压完全宽为一遍,轮印搭接不小于40cm,碾压结束后再次进行水平测量。 3、调整地基土天然含水量 根据试验及经验,黄土地基含水量在5%~17%间较适宜强夯施工。如含水量小于5%,则在表层需补洒水,这样强夯过程中不会起皮,如含水量大于17%,强夯中易出现翻浆,产生橡皮土,则需采取降低地下水位的措施,如井点降水、开挖渗沟等方法。 4、夯点定位(点夯) 因为夯锤直径大致在2~2.5m之间,所以点夯间距以3m为宜,正方形布点,也可等边三角形布点。规范规定加固区范围应不小于建筑物基底宽度3m,所以自加固区一侧算起,奇数列为第一遍点夯点,偶数列为第二遍点夯点(以点夯两遍为例)。用生石灰粉分别在场地上标出,至加固区另一侧基底外缘再扩大3m为止。(见强夯加固地基夯点平面布置图) 5、夯击施工 首先对奇数列夯点采用履带吊后退法逐点夯击,每击点夯夯击能按试验时选定的参数进行,第一遍点夯结束后,推土机推平夯坑,间歇3~5天后对第二遍偶数列夯点进行夯击,方法与第一遍点夯夯击相同,先标出点夯位,第二遍点夯结束后推平夯坑,间歇3~5天后进行满夯,满夯结束后静止2周,方可进行质量检测工作(见强夯施工全景图)。 施工中对每击点的夯击能,夯击数及每一击夯沉量都要作详细量测记录。锤击过程中如遇夯坑过深起锤困难或夯坑面倾斜影响下击锤击,应将夯锤移至坑旁地面上,在坑内适量填些干黄土,使坑面保持水平。 强夯施工全景图 6、检测验收 检测按每100m长度为一个断面,每个断面间隔15m左右取一个试验点(不少于3点),进行室外重型动力触探试验,挖探坑取土样(自上至下间隔0.5m取样一个,至加固深度下1m止)进行室内系列试验。同时对地层进行描述。 经自检合格后,便可请监理工程师检查验收(如不合格还须返工复击)。检查通过后签发质量检查评定表,然后进行下道工序施工。 五、机具设备 带自动脱钩装置的履带吊车(吊重25t以上, 起重高度15m以上), 夯锤:圆柱形, Φ=2.0m左右,质量15t以上, 钢筋混凝土外包厚14mm钢板制成,圆形横截面 上对称分布四个Φ=0.3m能贯通整个圆柱体的通气孔(见脱钩装置结构图);推土机、压路机、水准仪、重型动力触探仪、室内外土工试验检测设备一套。其中,吊车、夯锤、水准仪根据强夯机工作效率、工程量大小及工期要求配置,尤其水准仪每台强夯机配一台,推土机、压路机可几台强夯机适量配置一套,全站仪、重型动力触探仪及试验设备一个工点配置一套即可。 六、劳动力组织 测量工程师1人,负责测量放线工作,领工员兼现场施工负责人1人,吊车司机1人,测工2人(其中1人操作水准仪),普工1人兼挂吊钩工作,推土机司机兼压路机司机1人,室内外试验人员3人。如开双班则领工员、吊车司机、普工每班各1人,测工每班两人。 七、安全注意事项 1、主要施工人员、吊车司机必须持证上岗,学徒不能单独上岗操作。 2、严禁与施工无关人员进入现场,现场施工人员必须戴安全帽,起锤前施工人员应距锤击点10m以外。 3、施工中夯锤气孔始终应畅通。 4、为防止飞石伤人,吊车驾驶室玻璃窗上应加设防护铁丝网。 5、夯击机械要经常维护与正常保养,绝不开带病车,防患于未然。 八、效益分析 消除设计要求深度范围内黄土地基湿陷性,既经济又实用的方法,第一种是强夯法;第二种是冲击碾压灰土垫层法(施工点距建筑物的安全距离200~300m以上)。其余如换填法,灰土挤密桩法及预浸水法等费用太大,不宜采用,仅以第一种强夯法与第二种冲击碾压灰土垫层法作经济技术比较,按1万m2面积计,强夯法施工费用40万元,而冲击碾压灰土垫层法施工费用82万元,前者是后者费用的二分之一。 采用冲击碾压灰土垫层法,在三七灰土拌制摊铺过程中,对周边环境污染严重,线路两侧所种农作物及居民生活都受到不同程度的影响,而强夯法对环境无污染影响,由于远离居民区,冲击波影响弱,可忽略不计,所以用强夯法消除黄土地基湿陷性是既经济又有效的方法。 九、工程实例 xx~互助一级公路C标段,管段范围内有8段总长度达6.23公里属Ⅲ、Ⅳ级自重湿陷性黄土地基,占C标段工程总量的85.3%。设计要求远离建筑物及居民区的(安全距离275m)5.78km线路地基面积155750m2,采用强夯处理,处理深度5m。经试夯取得强夯施工参数见表2。 表2 试验段强夯参数表 序号 夯击类型 夯击次数 间距m 落距m 夯击能kN.m 平均夯沉量cm 1 第一遍点夯 8 3.0 13.3 2000 70 2 第二遍点夯 8 3.0 3 第三遍全夯 3 8.0 1200 8 注:落距指夯击面至夯锤重心的距离,如从锤的顶面计算起吊高度还应增加1/2锤高。 我们配置了15台吊车,按双班操作,经3个月余施工,经检测全部满足设计要求,取得了非常好的效果,为该工程全面有序施工奠定了基础。 下面是经典歌词100句,朋友们可以享受下,不需要的朋友可以下载后编辑删除!!谢谢!! 林夕经典歌词      1、若只是喜欢,何必夸张成爱。——林   2、擦光所有火柴难令气氛像从前闪耀,至少感激当日陪着我开甜蜜的玩笑。——《失恋太少》   3、你是千堆雪我是长街,怕日出一到彼此瓦解。——《邮差》   4、谁能告诉我,要有多坚强,才敢念念不忘。——《当时的月亮》王菲   5、我愿意做你的老师,示范着执子之手如何解释,不愿为深奥的感情变白痴。——《诗人的情人》方大同   6、有一梦便造多一梦,直到死别都不觉任何阵痛,趁冲动能换到感动,这愉快黑洞苏醒以后谁亦会扑空。——《梦死醉生》张国荣   7、谁能改变人生的长度,谁知道永恒有多么恐怖,但现实往往比命运还残酷,只是没有人愿意认输。——《无间道》   8、似等了一百年忽已明白,即使再见面,成熟地表演,不如不见。——《不如不见》   9、在有生的瞬间能遇到你,竟花光所有运气。——《明年今日》   10、害怕悲剧重演我的命中命中,越美丽的东西我越不可碰。其实我再去爱惜你又有何用,难道这次我抱紧你未必落空?——《暗涌》   11、黑了倦眼都侧耳倾听,让我做只路过蜻蜓,留下能被怀念过程,虚耗着我这便宜生命。——《路过蜻蜓》张国荣   12、如除我以外在你心,还多出一个人,你瞒住我,我亦瞒住我,太合衬。原来我非不快乐,只我一人未发觉若无其事原来是最狠的报复。——《想哭》   13、闭起双眼我最挂念谁眼睛张开身边竟是谁。——《人来人往》   14、我想知如何用爱换取爱,如何赤足走过茫茫深海,超乎奇迹以外。当赤道留住雪花,眼泪融掉细沙,你肯珍惜我吗?——《当这地球没有花》   15、那日我狂哭不止,曾经差一点想过死,多少艰辛不可告人,多少光阴都因为等。——《奇迹》   16、爱若难以放进手里,何不将这双手放进心里。——《人来人往》   17、剪影的你轮廓太好看,凝住眼泪才敢细看。——《约定》   18、但凡未得到,但凡是过去,总是最登对。——《似是故人来》   19、无论热恋中失恋中,都永远记住第一戒,别要张开双眼。——《相爱很难》   20、得到,你的爱情,还要再得到你任性。一切,原是注定,因我跟你都任性。——《明知故犯》   21、悲哀是真的,泪是假的,本来没因果,一百年后没有你也没有我。——《百年孤寂》   22、感情寻找它的模特儿,衣服挂在橱窗,有太多人适合,没有独一无二。——《香奈儿》   23、有生之年狭路相逢终不能幸免,手心忽然长出纠缠的曲线,懂事之前情动以后长不过一天,留不住算不出流年。——《流年》   24、不要我的我不要,不爱我的我不爱,把灯关上连背影都不会存在。——《不爱我的我不爱》   25、我们拥有的,多不过付出的一切。——《不爱我的我不爱》   26、可能在我左右,你才追求,孤独的自由。——《红豆》      27、拿下了你这感情包袱或者反而相信爱。——《邮差》   28、如能忘掉渴望,岁月长衣裳薄。——《再见二丁目》   29、不是爱不起,只是伤不起。——《伤不起》   30、就像蝴蝶飞不过沧海,没有谁忍心责怪。——《蝴蝶》   31、爱是没名字的歌,留给这世上没名字的你。——《没名字的歌,无名字的你》   32、过去都已经过期,何必要跟自己过不去,还过得去,就值得恭喜。——《还过得去》   33、做最爱做的我没什么不敢,才是最大的力量,梦想的现场,每个人头上都有光环。——《梦想》   34、只想追赶生命里一分一秒,原来多麽可笑,你是真正目标。——《追》   35、但愿我可以没成长,完全凭直觉觅对象。模糊地迷恋你一场,就像风雨下潮涨。——《有心人》   36、趁冲动,能换到感动,这幻觉不去用苏醒以后难道你会哭出笑容。——《梦死醉生》    37、哭,我为了感动谁。笑,又为了碰着谁。——《路过蜻蜓》   38、我就是我,是颜色不一样的烟火。——《我》   39、从前到以后,一夜间拥有,谁说这不算相恋到白头。——《红颜白发》   40、天爱上地,不会完全凭运气。这刻春光明媚,差点不忍记起。——《奇迹》   41、你离开了,却散落四周。——《左右手》   42、你这样恨我,好不好过,温馨被单,都变成负荷。——《你这样恨我》   43、十年之后,我们是朋友,还可以问候;只是那种温柔,再也找不到拥抱的理由。——《十年》   44、不信眼泪,能令失乐的你爱下去。难收的覆水,将感情慢慢荡开去。如果你太累,及时地道别没有罪。牵手来,空手去就去。——《玻璃之情》   45、感情不必拿来慷慨。——《因为爱,所以爱》   46、谁貌似花美艳?是谁努力照亮半边天?但是情无独钟,贪心的你偏爱哪一边?——《情无独钟》   47、谁亦记得不能容他宠坏,不要对他倚赖,感情随他出卖,若你喜欢犹大。——《情戒》  48、传说有一男一女同偕到白发之后才怀念刻骨铭心的旧友,回头陪着那合照,一块将余生渡过。——《一千零一个》  49、爱是一段一段一丝一丝的是非,叫有情人再不能够说再会。——《天下有情人》 50、不爱就不爱,难捱就不捱。——《如果你是李白》 1.但凡未得到,但凡是过去,总是最登对。《似是故人来》  ——所以和你生活的那一个,永远是second best 。 2.无论热恋中失恋中,都永远记住第一戒,别要张开双眼。《相爱很难》  ——爱情就是盲目的。能使爱情长久的方法,便是找片树叶来遮住眼睛。 3.得到,你的爱情,还要再得到你任性。一切,原是注定,因我跟你都任性。《明知故犯》 ——难怪李宗盛要说爱情是精神鸦片 。  4.悲哀是真的,泪是假的,本来没因果,一百年后没有你也没有我。《百年孤寂》  ——既是如此,何必执着?  5.感情寻找它的模特儿,衣服挂在橱窗,有太多人适合,没有独一无二。《香奈儿》  ——这年头,哪有不二臣?(亦舒语)所以,没什么放不下的。  6.有生之年狭路相逢终不能幸免,手心忽然长出纠缠的曲线,懂事之前情动以后长不过一天,留不住算不出流年。《流年》  ——爱情有时徒有虚名,不过是一场宿命。  7.不要我的我不要,不爱我的我不爱,把灯关上连背影都不会存在。《不爱我的我不爱》  ——唱的容易做的难,谁又真能如此洒脱?  8.我们拥有的,多不过付出的一切。  ——爱情游戏中,永远只有十分之一的甜,剩下的十分之九,有苦,有涩,有酸,就是没有甜。  9.可能在我左右,你才追求,孤独的自由。《红豆》  ——拥有的时候永远不懂珍惜,人类通病。  10.拿下了你这感情包袱或者反而相信爱。《邮差》  ——拿开旧的奶酪,才能得到新的。所以,谁动了我的奶酪,并不要紧。  11.你喜欢不如我喜欢,你的不满成全我的美满。《你喜欢不如我喜欢》  ——这样爱,会容易得多。  12.就像蝴蝶飞不过沧海,没有谁忍心责怪。《蝴蝶》  ——只要蝴蝶曾在沧海上飞过,就已足够,结果,永远没有过程重要。  13.不要迷信情变等于灯灭,不要含泪直到与他肯定再不相见,爱恨无须壮烈,不随便狂热。《情戒》  ——感情,只是人生中的一小部分,不要为它死去活来,让人看低。  14.害怕悲剧重演,我的命中越美丽的东西我越不可碰。《暗涌》  ——爱情虽然美丽,却是易碎玻璃。  15 不要虔诚直到懂得怎样去爱魔鬼,纪念留给下世,不对别人发誓 。《情戒》  ——要学会自己保护自己,也不要轻易对一段感情做出承诺,否则害人害己。  16.每个人都是单行道上的跳蚤,每个人皈依自己的宗教,每个人都在单行道上寻找,没有人相信其实不用找。《单行道》  ——缘分可遇不可求。  17.有一梦便造多一梦,直到死别都不觉任何阵痛,趁冲动能换到感动,这愉快黑洞苏醒以后谁亦会扑空。 《梦死醉生》  ——人生得意需尽欢,莫使金樽空对月。感情是一个道理,愉快那么快,何必等到互相伤害?  18.你这样恨我好不好过,温馨被单都变成负荷,当牧童害了绵羊难道觉得庆贺。《你这样恨我》  ——本是相爱的人到最后却只能互相伤害,这是爱情最可悲的地方。  19.你欣赏我因我本性不会改,别太认真认真怎可放开自在。《寂寞有害》  ——爱一个人不见得是要在他的名前冠上“我的”二字,换言之,爱不是占有,所以给他多一点空间,不要老想他按着自己的意愿改变 。  20.相亲相爱倒不如想入非非真真假假也无所谓。《想入非非》  ——有时候,性比爱重要。但要小心像《蓝宇》那样由性进入爱,那可就违背你游戏人间的初衷了。  21.没有拥抱你只怕这个游戏代价不菲,没有爱上谁也该知道爱一个人好累。《想入非非》  ——所以准备爱的时候,一定要看看自己有没有这个能力。  22.从前和以后一夜间拥有,难道这不算相恋到白头 ,但愿会相信缠绵时分手,能令我减轻了内疚。《红颜白发》  ——在爱到极至时分手,是最明智的选择。天长地久,只能让感情生锈。  23.夜晚会面白天道别,才没有弱点。《侧面》  ——真正爱一个人,千万别只看他侧面。更不能不看他的缺点,否则这将成为感情最大的弱点。  24.你爱我爱不起,我怪你怪不起。《你爱我爱不起》  ——感情有时候也要讲究门当户对,这是知心灵和心志上的门当户对,要知道,陈家洛是配不起霍青桐的。  25.我不完美,但你未见得很爱美。我想完美,难怪被你太早放弃。《你爱我爱不起》  ——追求完美,有时反而会让爱情更快破碎。  26.爱是一朵从天飘下来的雪花还没结果已经枯萎 ,爱是一滴擦不干烧不完的眼泪还没凝固已经成灰。《天下有情人》  ——不是每一段情都一定会有结果。  27.爱是一段一段一丝一丝的是非,叫有情人再不能够说再会。《天下有情人》  ——这就是为什么不要随便发誓的原因,越脆弱的东西,变数就越多。  28.若是要细水可以变长流,就像等他长出铁锈无法再分手。《固定伴侣》  ——那又何苦?  29.别离原为战胜与光阴的竞赛,每把声音定会嘱咐要早出早回来,只是回头便知时代早不存在, 临别的激动和悲哀却可印证着爱。《早去早回》  ——当你不能再拥有的时候,你唯一能做的,就是不要忘记。  30.彼此相爱也许更爱自己。《寂寞便找我》  ——任何人最爱的都只是自己,所以永远不要对别人说:我最爱的人是你或最爱你的人是我。  31.传说有一男一女同偕到白发之后才怀念刻骨铭心的旧友,回头陪着那合照,一块将余生渡过。《一千零一个》  ——早知今日,何必当初?  32.游荡只不过为逃避,期待只不过为回味,即使给我盛放的蔷薇,贪恋的只怕是那愉快的气味。《一枝花》  ——难怪最美的爱情到最后也只是一堆泡沫。  33.谁亦记得不能容他宠坏,不要对他倚赖,感情随他出卖,若你喜欢犹大。《情戒》  ——人生要有原则和底线,不能为了他牺牲你的一切,子君离开涓生并不一定就要自杀,她还可以过好她的下半生,只要她不再对别人倚赖。  34.谁貌似花美艳?是谁努力照亮半边天?但是情无独钟,贪心的你偏爱哪一边?《情无独钟》  ——大部分的男人都喜欢天使的面孔,婴儿的大脑,所以女人永远不可能事业和爱情兼顾。 35.感情不必拿来慷慨。《因为爱,所以爱》  ——不伤害爱你而你不爱的人的最好办法,就是告诉他你不爱他,感情是给你想爱的人的,不像金钱,只要够慷慨,便能救助他人。  36.你是我的红药水,他只是杯黑咖啡。你会问我累不累,他却让我不能睡。 《女朋友的男朋友》  ——所以,千万不要抢女朋友的男朋友。  37.不爱就不爱,难捱就不捱。《如果你是李白》  ——分手要干脆。  38.为这为那,谈情为了享受,为你为我,为何为他忍受?《情戒》  ——如果你对他的感觉有了忍受,那这段情便可以断了。  39.原来过得很快乐,原来我并不快乐,只我一人未发觉。《再见二丁目》  ——难道非要两个人才能发觉?  40.不信眼泪,能令失乐的你爱下去。难收的覆水,将感情慢慢荡开去。如果你太累,及时地道别没有罪。牵手来,空手去就去。《玻璃之情》  ——如果你真爱他,他想走的时候,就让他走,即使,可悲……  41.如果我换过别的衣裳,你对我会不会一样;如果你换过别的脸庞,我对你有没有新的欲望;如果我换过别的衣裳,你对我就不会遗忘;如果你躺在她的身旁,你对我会不会说个谎?— 《懒洋洋》歌手:齐豫 专辑:骆驼.飞鸟.鱼  ——爱过经年,懒洋洋,还有没有机会,重燃激情的希望。  42.十年之后,我们是朋友,还可以问候;只是那种温柔,再也找不到拥抱的理由。—《十年》歌手:陈奕迅 专辑:黑.白.灰  ——情人变成朋友的滋味,不试试,别人说也不对味。  43.如是我闻,仰慕比暗恋还苦……难道爱比恨更难宽恕。—《宽恕》电视剧《天龙八部》  ——爱的箴言,比偈还难解。  44.多年后想起今天值得不值得—《打错了》王菲2001同名专辑  ——这话简单的要死,可惜多年以前的时候都不肯相信。  45.你很爱我,你只爱我,听得不好意思寂寞。—《感情生活》歌手:王菲 专辑:唱游  ——因为爱了而不再寂寞,还是爱过才会懂得何谓寂寞。  46.最后一首:彼岸花  看见的 熄灭了 消失的 记住了 我站在海角天涯 听见土壤萌芽 等待昙花再开 把芬芳留给年华 彼岸没有灯塔 我依然 张望着 天黑 刷白了头发 紧握着 我火把 他来 我对自己说 我不害怕 我很爱他
展开阅读全文

开通  VIP会员、SVIP会员  优惠大
下载10份以上建议开通VIP会员
下载20份以上建议开通SVIP会员


开通VIP      成为共赢上传

当前位置:首页 > 环境建筑 > 其他

移动网页_全站_页脚广告1

关于我们      便捷服务       自信AI       AI导航        抽奖活动

©2010-2026 宁波自信网络信息技术有限公司  版权所有

客服电话:0574-28810668  投诉电话:18658249818

gongan.png浙公网安备33021202000488号   

icp.png浙ICP备2021020529号-1  |  浙B2-20240490  

关注我们 :微信公众号    抖音    微博    LOFTER 

客服