收藏 分销(赏)

过程控制系统实验课程讲义.doc

上传人:仙人****88 文档编号:9254977 上传时间:2025-03-18 格式:DOC 页数:7 大小:3.50MB 下载积分:10 金币
下载 相关 举报
过程控制系统实验课程讲义.doc_第1页
第1页 / 共7页
过程控制系统实验课程讲义.doc_第2页
第2页 / 共7页


点击查看更多>>
资源描述
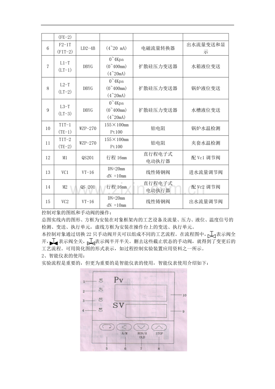
过程控制系统实验课程讲义 实验一:智能仪表的使用 一、实验目的:熟悉智能仪表的使用方法,为实验的顺利进行提供基础。 二、实验仪器:EFAT/P过程控制实验装置和智能仪表。 三、预习要求:阅读实验指导书相关章节。 本实验分两个内容:第一,实验装置的熟悉;第二,智能仪表的使用。 1、EFAT/P过程控制实验装置简介 实验装置简介 本实验装置由控制对象及过程控制的操作台两部分组成,并与上位机实现通讯,构成多种形式的监控,实现过程控制自动化和过程管理现代化。系统结构图如下: 工控计算机 操作站计算机 RS232 操作站计算机 (DCS专配) 操作站计算机 (PLC专配) 板 调节仪表 485通讯口 DCS集散 控制系统 PLC 可编程序控制器 对象及操作台的信号接线板 本实验指导书以基本配置,数显智能回路调节器AI调节仪表与上位计算机通讯,RS485通讯/RS232通讯转接进行监控为实验背景而写。 控制对象:控制对象由工艺设备和现场仪表、电气负载三部分组成。主要工艺设备包括:内部4.5KW三相星形连接电热丝,19升的热水夹套锅炉;38升的高位溢流水箱(产生稳定压力的工艺介质——水);35升的液位水槽和105升的计量水槽;配三相电机的循环水泵;2只电磁阀(用于扰动)和28只手动球阀。 现场仪表包括: 序号 图位号 型号 规格 名称 用途 1 P1-1 (PL-1) Y-100 0~0.25MPa 弹簧管压力表 进水压力指示 2 P2-T (PT-2) DBYG 0~100KPa (4~20mA) 扩散硅压力变送器 出水压力变送器 3 F1-E (FE-1) LDG-10S 0~300L/h 电磁流量传感器 进水流量检测 4 F1-1T (FIT-1) LD2-4B (4~20 mA) 电磁流量转换器 进水流量变送和显示 5 F2-E (FE-2) LDG-10S 0~300L/h 电磁流量传感器 出水流量检测 6 F2-1T (FIT-2) LD2-4B (4~20 mA) 电磁流量转换器 出水流量变送和显示 7 L1-T (LT-1) DBYG 0~4Kpa (0~400mm) (4~20mA) 扩散硅压力变送器 水箱液位变送 8 L2-T (LT-2) DBYG 0~4Kpa (0~400mm) (4~20mA) 扩散硅压力变送器 锅炉液位变送 9 L3-T (LT-3) DBYG 0~4Kpa (0~400mm) (4~20mA) 扩散硅压力变送器 水槽液位变送 10 TIT-1 (TE-1) WZP-270 155×100mm Pt100 铂电阻 锅炉水温检测 11 TIT-2 (TE-2) WZP-270 155×100mm Pt100 铂电阻 夹套水温检测 12 M1 QS201 行程16mm 直行程电子式 电动执行器 配Vc1调节阀 13 VC1 VT-16 DN=20mm dN =10mm 线性铸钢阀 进水流量调节阀 14 M2 QS 201 行程16mm 直行程电子式 电动执行器 配Vc2调节阀 15 VC2 VT-16 DN=20mm dN =10mm 线性铸钢阀 出水流量调节阀 控制对象的图纸和手动阀的操作: 总图实线内的图形、方框为安装在对象框架内的工艺设备及流量、压力、液位、温度信号的检测、变送、执行单元,虚线方框为安装在操作台上的变送、执行单元。 本控制对象通过切换22只手动阀开关可以组成不同的工艺流程。在流程图中, 表示阀全开, 表示阀全关, 表示阀半开半关。删去这些截止状态的手动阀,就得到了变更后的工艺流程。可用简化图的形式表示,如过程控制实验装置应用资料之一所示。 2、智能仪表的使用: 实验流程是重要的,但更为重要的是智能仪表的使用,智能仪表使用介绍如下: 1, 输出指示灯(线性电流输出时,灯的亮暗变化反映输出电流的大小) 2, 报警1指示灯(当报警事件1动作时该灯亮) 3, 报警2指示灯(当报警事件2动作时该灯亮) 4, 手动调节指示灯(仪表处于手动调节时该灯亮,处于自动调节时该灯灭) 5, 显示转换(兼参数设置进入) 6, 数据移位(兼手动自动切换及程序设置进入) 7, 数据减少键(兼程序运行暂停操作);8,数据增加键(兼程序停止操作)9,给定值显示窗;10,测量值显示窗。 基本使用操作: 其他相应操作见操作指导书。附件。 实验二 单回路控制系统 一、 实验目的 1、了解单回路控制系统的组成;2、掌握EFPT-1型过程控制实验对象及智能调节仪表的使用方法;3、掌握单回路定制控制系统的参数整定方法; 二、实验仪器: 1、EFPT-1型过程控制系统 三、预习要求 1、阅读实验指导书相关章节,熟悉实验目的、步骤以及相应需要注意的问题; 2、复习实验一的内容,熟悉实验器材的使用注意事项和操作过程; 3、认真复习单回路控制系统的讲课内容,尤其是相关概念问题。 四、实验原理 由锅炉液位变送器、数显调节仪、进水调节阀和相关手动阀组成用调节进水流量来调节锅炉液位的闭环调节系统。 五、实验步骤 1、调节相应手动阀门,使得单回路系统成一通路,切断其他通路; 2、将相关电器设备,包括电气负载、水泵电磁流量计、电动调节阀、数显调节仪的电源端解到相应电源。数显调节仪以及相应压力信号、流量信号输出控制信号按照相应接线方式接线。 3、设置相应控制参数。 4、在上述工作无误的基础上,打开仪表电源开关,单相电源开关以及水泵开关,然后进行相应的实验数据记录。 附录:相应手动阀门开关设置与接线图: 实验三 串级控制系统 一、实验目的 1、了解并掌握串级控制系统的参数整定方法; 2、了解副调节器在串级控制系统中的作用。 二、实验仪器 EFPT-1型过程控制实验系统 三、预习要求 1、 认真阅读实验指导书,明确本次实验的目的方法和步骤,明确实验过程中应注意的问题,并按照实验项目准备记录; 2、 在前面两个实验的基础上进一步了解实验设备,并根据本实验要求考虑相关设备在本实验中的作用与操作方法; 3、 认真复习串级控制系统的讲课内容,尤其是相关概念问题。 四、实验原理 由高位水箱供水,保证进水压力基本恒定,经由相应阀门构成出水通道,控制部分由两个内容组成,一个是主调节器,一个副调节器,主调节器根据液位调节进水量,副调节器根据主调节器输出值调节,进而构成串级调节系统。 五、实验内容与步骤 1、按照下面图示进行接线,组成正确的串级控制循环水路; 2、手动调节阀门,使得相应阀门构成串级通道; 3、相关电气负载、水泵、电动调节阀、电磁流量计以及数显调节仪的电源端接至相应的电源上; 4、打开总电源,单相电源、水泵电源; 5、参数设置,按照下表进行参数设置: 6、打开三相电源,启动循环水泵; 7、记录相关数据。
展开阅读全文

开通  VIP会员、SVIP会员  优惠大
下载10份以上建议开通VIP会员
下载20份以上建议开通SVIP会员


开通VIP      成为共赢上传

当前位置:首页 > 教育专区 > 小学其他

移动网页_全站_页脚广告1

关于我们      便捷服务       自信AI       AI导航        抽奖活动

©2010-2025 宁波自信网络信息技术有限公司  版权所有

客服电话:0574-28810668  投诉电话:18658249818

gongan.png浙公网安备33021202000488号   

icp.png浙ICP备2021020529号-1  |  浙B2-20240490  

关注我们 :微信公众号    抖音    微博    LOFTER 

客服