收藏 分销(赏)

注射用水系统验证方案.doc

上传人:仙人****88 文档编号:9199595 上传时间:2025-03-16 格式:DOC 页数:12 大小:557.54KB 下载积分:10 金币
下载 相关 举报
注射用水系统验证方案.doc_第1页
第1页 / 共12页
注射用水系统验证方案.doc_第2页
第2页 / 共12页


点击查看更多>>
资源描述
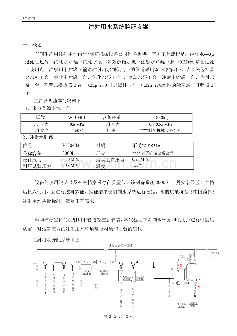
**制药公司 注射用水系统验证方案 目 录 一、概述 二、验证范围与目的 三、相关文件 四、验证内容 1.仪器、仪表的校正 2.设计确认 3. 管道的安装确认 4.注射用水储罐及管道的清洗确认。 5.注射用水储罐及管道的钝化确认。 6. 注射用水输送管道的消毒确认 7.运行确认 8.水质监控及检验周期的确认 9.注射用水储罐及管道消毒周期的确认 10.管道保温循环效果验证 五、偏差和漏项 六、验证周期 七、验证方案审批表 第 1 页 共 12 页 **公司 注射用水系统验证方案 一、概述: 车间生产用注射用水由***制药机械设备公司制备提供,基本工艺流程是:纯化水→3µ过滤柱过滤→纯化水贮罐→纯化水泵→多效蒸馏水机→注射水贮罐→泵→0.22µm除菌过滤→使用点→注射用水贮罐(输送注射用水到使用点的管道采用双回路循环)。该系统包括蒸馏水机1台,纯化水贮罐1台,纯化水泵1台 ,冷却水泵1台,注射水贮罐1台,注射水泵1台,列管式换热器2台,0.22μm 30寸过滤柱3只,0.22μm疏水性的除菌通气呼吸器2个。 主要设备基本情况如下: 1、多效蒸馏水机1台 位号 W-30401 设备净重 1850kg 设计压力 0.6 MPa 工作压力 0.3-0.55 MPa 工作温度 <160℃ 厂家 ****制药机械设备公司 2、注射水贮罐 位号 V-30403 材质 不锈钢SS316L 公称容积 3000L 厂家 ****制药机械设备公司 设计压力 0.30 MPa 最高工作压力 0.25 MPa 耐压试验压力 0.38 MPa 温度 144℃ 设备的使用说明书及有关档案保存在质量部。该制备系统2006年 月安装经验证合格后投入使用,且进行过再验证,验证结果表明制水系统运行稳定,水的质量符合《中国药典》注射用水质量标准,满足工艺需求。 车间洁净室内的注射用水管道经重新安装,本次验证在对制水部分和使用点进行性能确认前,对洁净室内的注射用水管道进行材质和安装的确认。 注射用水分配系统简图。 二、验证范围与目的 1. 检查并确认注射用水输送管道的材质、安装符合生产工艺和GMP的要求; 2. 确认各用水点的注射用水质量符合《中国药典》注射用水水质标准。 三、相关文件 序号 文件名称 编号 存放地点 1 多效蒸馏水机使用SOP 质量部 2 注射用水检验操作规程 质量部 3 注射用水质量标准 质量部 4 注射用水管理规定 质量部 四、验证内容 1.仪器、仪表的校正 目的:检查纯化水系统中的仪器、仪表是否经过校验,是否在有效期内。检查内容及结果如下表: 名称 使用地点 校正日期 有效期至 校正单位 结论 数显电导率仪 注射用水设备 压力表 注射用水设备 温度计 注射用水设备 PH计 制水间 检查人: 复核人: 日期: 2.设计确认 确认该系统设计方案通过审查,待定够的设备及管道对生产工艺适用性符合GMP要求。 内容 规定 结论 设计方案 由设计、咨询单位专家\本企业领导和专业技术人员进行审查和确认 选用管道 所选管道的性能符合GMP要求,适合生产工艺要求,易清洗消毒。 检查人: 复核人: 日期: 3. 管道的安装确认 目的:确认管路的安装是正确、可信赖的,包括在安装过程中的改变都符合工艺要求。 3.1 检查并确认焊接设备和操作人员符合要求; 项目 要求 检查结果 焊接设备 自动钨极惰性气体保护焊(TIG)焊机,准备足够的氩气 操作人员 操作人员持有效证件 检查人: 复核人: 日期: 3.2检查并确认输送管道、阀门的材质符合生产工艺和GMP要求; 检查项目 标准 检查结果 管道 材质 SS316L 管道外观 内、外抛光表面光滑、无可见凹凸。 规格 DN25 焊接 热熔式氩弧焊单面焊双面成形,并作钝化处理 阀门 不锈钢聚四氟乙烯隔膜阀 检查人: 复核人: 日期: 3.3检查并确认所有管路是否安装稳固,横管是否按规定坡度0.1%倾斜;管道的安装无死角,肓管长度小于6倍管路直径。 项目 标准 检查结果 倾斜度 ≤0.1% 盲管长度 ≤150mm(6倍管径) 配液间 精洗间 结晶罐 三合一罐 干燥间 磨粉间 检查人: 复核人: 日期: 3.4 检查并确认管道焊接是否符合设计要求。 检查项目 检查结果 焊缝口外表面光滑、无裂纹或“砂眼” 焊缝处不允许有蓝色或黑色 不得出现气孔或碳化现象 检查人: 复核人: 日期: 3.5 管道压力测试。 标准:管道通入自来水,加压至0.45MPa,保持10分钟,降至使用压力0.3MPa,保持30分钟,压力下降不超过0.02MPa/小时。 加压开始时间 压力到达时间 压力值 (MPa) 保压时间 (分钟) 最终压力值(MPa) 压降 (MPa/h) 结论: 检查人: 复核人: 日期: 3.6换热器冷却效果验证 换热器位置 冷却前水温℃ 冷却后水温℃ 结论 配液间 精洗间 不开换热器的进冷冻水阀门,开使用点的注射用水,测量水温,再打开换热器的冷冻水阀门,测量经冷却后的水温。 检查人: 复核人: 日期: 3.7管道吹扫 新安装的输送管道通入氮气,控制管道内压力0.1~0.25MPa,进行管道的吹扫。开始时控制氮气0.1MPa,用木锤在焊道处敲打,用力均匀,每处敲打10下,全部焊缝敲打过后,逐渐提高压力至0.25MPa,吹扫30分钟。用白布在出口处检查,5分钟内无铁锈、灰尘和其它脏物为合格。  结论: 检查人: 复核人: 日期: 4.注射用水储罐及管道的清洗确认。    管路与注射用水储罐和泵组成闭合回路,进行清洗。 4.1 清洗方法 4.1.1 预清洗:用注射用水400L,循环清洗管道30分钟,从各使用点排除注射用水。 4.1.2 碱洗:在注射用水储罐内配制1%氢氧化钠溶液共400L,启动注射用水循环泵,循环清洗管道30分钟,从各使用点排除碱液。 4.1.3 清洗:注射用水储罐内加入注射用水,循环清洗管道,从各使用点排除注射用水。用广泛pH试纸测试使用点洗涤水PH值,应与注射用水的pH值与一致。如不一致,应重复清洗,直至出水口洗涤水pH值与注射用水的pH相一致。 4.2 清洗液(1%碱液)配制 物料名称 浓度(%) 体积分数 配比量(L) 合计配制量 液碱 30%     3.3% 13 400L 注射用水 —— 96.7% 387 配制人: 复核人: 日期: 4.3清洗记录 操作时间 操作内容(注:需要的项目在括号内打“√”,不需要打“-”) 1.往纯化水储罐内注入注射用水400L。 2.开循环泵,循环30分钟使用点、储罐内的水,( )通知各岗位打开各使用点的阀门,排尽使用点、储罐内的水。排尽后关闭使用点的阀门。 3.往注射用水储罐内加入1%氢氧化钠溶液400L。 4.开循环泵,循环30分钟使用点、储罐内的水,( )通知各岗位打开各使用点的阀门,排尽使用点、储罐内的水。排尽后关闭使用点的阀门。 5.往注射用水储罐内注入注射用水400L。 6.开循环泵,循环30分钟使用点、储罐内的水,( )通知各岗位打开各使用点的阀门,排尽使用点、储罐内的水。排尽后关闭使用点的阀门。 7.再次往注射用水储罐内注入注射用水400L。 8.开循环泵,循环30分钟使用点、储罐内的水,( )通知各岗位打开各使用点的阀门,排尽使用点、储罐内的水。排尽后关闭使用点的阀门。 9.往注射用水储罐内注入注射用水,用广泛pH试纸测试各出水口的pH值。 10.( )各使用点pH值检测合格,清洗完成。 ( )各使用点pH值检测不合格,重复步骤7-9,最终清洗完成时间 ,重复次数 次。 操作者: 复核者: 清洗日期: 4.4清洗效果检查( pH检测)结果: 用水点 总出水 总回水 精洗间 配液间 结晶罐 三合一罐 混粉间 干燥间 清洗效果检查 结论: 检查人: 复核人: 日期: 5.注射用水储罐及管道的钝化确认。 5.1钝化方法 5.1.1 酸液钝化:在注射用水储罐内配制钝化液400L,(注射用水77%,硝酸20%,氢氟酸3%)启动注射用水储罐循环泵,循环清洗管道30分钟,同时打开各使用点阀门排放钝化液。排完后,关闭阀门。 5.1.2 清洗:注射用水储罐内加入注射用水,循环清洗管道,从各使用点排除注射用水。用广泛pH试纸测试使用点洗涤水PH值,应注射用水的pH值与一致。如不一致,应重复清洗,直至出水口洗涤水pH值与注射用水的pH相一致。 5.2钝化液的配制 物料名称 浓度(%) 体积分数 配制量(L) 合计配制量 硝酸 60%. CP 20% 80 400 L 注射用水 —— 77% 290 氢氟酸 3% 12   配制人: 复核人: 日期: 5.3 操作记录 操作时间 操作内容(注:需要的项目在括号内打“√”,不需要打“-”) 1.往注射用水储罐内加入钝化液400L。 2.开循环泵,循环储罐管道内钝化液30分钟。( )通知各岗位打开各使用点的阀门,排尽使用点、储罐内的钝化液。排尽后关闭使用点的阀门。 3.往注射用水储罐内注入纯化水400L。 4.开循环泵,循环30分钟使用点、储罐内的水,排尽使用点、储罐内的水。排尽后关闭使用点的阀门。 5.再次往注射用水储罐内注入纯化水400L。 6.开循环泵,循环30分钟使用点、储罐内的水,( )通知各岗位打开各使用点的阀门,排尽使用点、储罐内的水。排尽后关闭使用点的阀门。 7.往纯化水储罐内注入注射用水,用广泛pH试纸测试各出水口的pH值。 8.( )各使用点pH值检测合格,清洗完成。 ( )各使用点pH值检测不合格,重复步骤5-7,最终清洗完成时间 ,重复次数 次。 操作者: 复核者: 日期: 5.4效果检查 5.4.1洗涤水pH值检查 用水点 总出水 总回水 精洗间 配液间 结晶罐 三合一罐 混粉间 干燥间 清洗效果检查 结论: 检查人: 复核人: 日期: 5.4.2洗涤水澄明度检查 从各用水点取洗涤水200ml,3瓶,按照《澄明度检查法》进行检查。 合格标准:应符合《无菌室内设备和工器具清洗标准》。 使用点 总出水 总回水 配液间 精洗间 结晶罐 三合一罐 混粉间 干燥间 检查结果 检查人: 复核人: 日期: 6. 注射用水输送管道的消毒确认 6.1消毒方法:使用流通纯蒸汽灭菌30分钟。 6.2消毒操作 操作时间 操作内容(注:需要的项目在括号内打“√”,不需要打“-”) 1.( )通知各岗位打开使用点的阀门,( )排放储罐内的水。 2.储罐内的水排尽。 3.开纯蒸汽。 4.储罐内温度达到100℃,且呼吸器有蒸汽喷出。保持30分钟,关蒸汽。 5.( )通知各岗位关闭各使用点阀门。 操作者: 复核者: 日期: 6.3消毒效果检查:用经180℃ 灭菌的西林瓶取冷凝水3瓶检测微生物限度。按《微生物限度检查法》进行检验,应为0CFU/10ml。 检测点 总出水 总回水 配液间 精洗间 结晶罐 三合一罐 混粉间 干燥间 检查结果 7.运行确认 目的:评价该系统设备能在允许的范围内运行,并符合文件上的功能要求和设备的用途。 7.1设备控制功能 目的:按照制造商提供的说明书,测试纯化水系统的按钮、开关和指示器是否达到规定的结果。 7.1.1开关测试: 测试功能 规定 确认结果 电源开关 按动ON/OFF开关,控制电源接通与断开 注射用水增压泵 按动ON/OFF开关,控制注射用水增压泵启动与关闭 检查人: 复核人: 日期: 7.1.2指示器测试: 测试功能 规定 确认结果 数显电导率仪 应能显示0-20μs/cm值 压力表 应能显示0-1MPa 压力表 应能显示0-1.6MPa 压力表 应能显示-0.1-0.3MPa 温度计 应能显示0-130℃ 数显PH计 应能显示0-14PH 检查人: 复核人: 日期: 7.2水泵运转测试 目的:按照制造商提供的说明书,检查水泵的运转是否达到规定的结果。 测试功能 规定 确认结果 注射用水增压泵 通电后,水泵转向符合其外壳指示的方向指示标示 检查人: 复核人: 日期: 7.3产水量的确认 方法:向纯化水储罐内注水,并记录流量和时间,频次为3次,间隔时间不少于一天。 设计标准:产水量为 m3/h。 日期 流量(m3/h) 供水压力 开如注水时间 结束注水时间 时长 注水量m3 产水量m3/h 结论 检查人: 复核人: 日期: 7.4过滤器完整性测试 检测过滤器的完整性,确保除菌效果。 过滤器安装位置 材质 测试结果 配液使用点 尼龙66 精洗使用点 尼龙66 进无菌室滤柱1 尼龙66 进无菌室滤柱2 尼龙66 检查人: 复核人: 日期: 8.水质监控及检验周期的确认 根据设计和使用情况连续监控三个周期,每个周期为一个星期。 取样计划:总送水口、总回水口每天取样一次;各使用点每周取样一次。 监测项目:总送水口、总回水口按中国药典纯化水项目全检;各使用点按中国药典纯化水项目全检并检测电导率和TOC值,以确认在日常监控中各使用点按TOC法检测是合理的。 监测标准:符合中国药典标准,TOC≤0.5ppm,电导率≤1.5μs/cm。 重新取样:由于取样、检验等因素,出现水质不合格时,在不合格取样点重新取样检验不合格项目一次,重测这个指标必须合格,如不合格则出具不合格报告,通知有关部门处理。 注射用水系统水质检测记录 日期 取样点 全检 TOC 电导率 结论 总送水口 总回水口 配液间 精洗间 结晶罐 三合一罐 干燥间 磨粉间 9.注射用水储罐及管道消毒周期的确认 从化学和微生物学角度证实在规定的消毒周期内,注射用水储罐及管道不会对注射用水造成污染。管理规定中规定纯化水消毒周期为一星期,根据消毒后第一次细菌总数检测和消毒周期内的最后一天水质细菌总数检测对比来证实规定的周期是合理的。 取样点 消毒周期内的第一天 消毒周期内的最后一天 日期 细菌总数 全检 日期 细菌总数 全检 总送水口 总回水口 配液间 精洗间 结晶罐 三合一罐 干燥间 磨粉间 10.管道保温循环效果验证 在注射用水输送系统正常运行后,分别测试出水口和回水口的水温并记录,验证循环管道内注射用水温度在65℃以上。每隔2小时记录1次温度,连续记录3天。记录见附录《注射用水管道保温效果验证记录表》。 结论: 检查人: 复核人: 日期: 五、偏差和漏项 1. 注射用水系统性能确认过程中,应严格按照系统标准操作程序、维护保养程序、取样程序、检验规程和质量标准进行操作和判定。如果在验证过程中出现偏差,应做出合理解释或针对相应的偏差项目进行整改,并进行再验证。当出现个别取样点注射用水质量不符合标准的结果时,应按下列程序进行处理。 1.1 在不合格点重新取样,重检不合格项目。 1.2 必要时,在不合格点的前后分段取样,进行对照检测,以确定不合格原因。 1.3 若属于系统运行方面的原因,必要时报验证管理委员会,调整系统运行参数,或对系统进行处理。 2. 如果在验证过程中出现漏项,应及时对遗漏项目进行补验证。 六、 验证周期 每年进行一次,影响性能的系统改造或大修后进行全面的再验证。 七、 验证方案审批表 验证方案审批表 FA-TS6200401 方案 名称 ***车间注射用水系统验证方案 验 证 方 案 (一) 检查相关文件,确认文件能够保证注射用水输送管道的消毒灭菌能有效地保证注射用水的质量。 (二)验证内容 1.仪器、仪表的校正 2.设计确认 3. 管道的安装确认 4.注射用水储罐及管道的清洗确认。 5.注射用水储罐及管道的钝化确认。 6. 注射用水输送管道的消毒确认 7.运行确认 8.水质监控及检验周期的确认 9.注射用水储罐及管道消毒周期的确认 10.管道保温循环效果验证 方案适应范围 适用于***车间注射用水系统的验证 部 门 意 见 签 名 日期 起草 质量部 审核 ***部 质量部 批准 验证管委会主任 备注 第 12 页 共 12 页
展开阅读全文

开通  VIP会员、SVIP会员  优惠大
下载10份以上建议开通VIP会员
下载20份以上建议开通SVIP会员


开通VIP      成为共赢上传

当前位置:首页 > 包罗万象 > 大杂烩

移动网页_全站_页脚广告1

关于我们      便捷服务       自信AI       AI导航        抽奖活动

©2010-2025 宁波自信网络信息技术有限公司  版权所有

客服电话:0574-28810668  投诉电话:18658249818

gongan.png浙公网安备33021202000488号   

icp.png浙ICP备2021020529号-1  |  浙B2-20240490  

关注我们 :微信公众号    抖音    微博    LOFTER 

客服