收藏 分销(赏)

检验批签字模板.doc

上传人:pc****0 文档编号:7597482 上传时间:2025-01-10 格式:DOC 页数:4 大小:89KB 下载积分:10 金币
下载 相关 举报
检验批签字模板.doc_第1页
第1页 / 共4页
检验批签字模板.doc_第2页
第2页 / 共4页


点击查看更多>>
资源描述
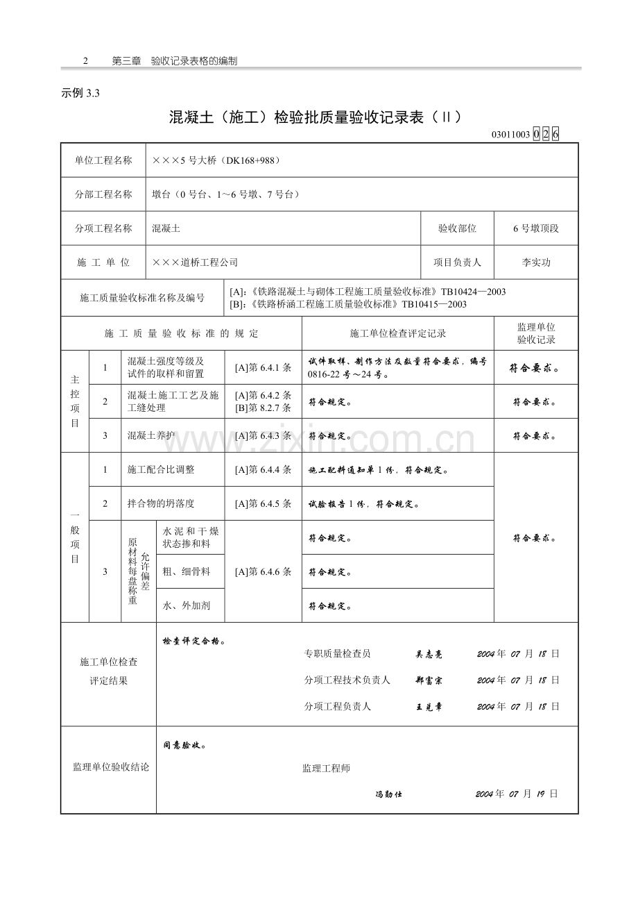
第三章 验收记录表格的编制 3 混凝土(原材料及配合比)检验批质量验收记录表(Ⅰ) 03011003 0 2 6 单位工程名称 ×××5号大桥(DK168+988) 分部工程名称 墩台(0号台、1~6号墩、7号台) 分项工程名称 混凝土 验收部位 6号墩顶段 施 工 单 位 ×××道桥工程公司 项目负责人 李实功 施工质量验收标准名称及编号 《铁路混凝土与砌体工程施工质量验收标准》TB10424—2003 施 工 质 量 验 收 标 准 的 规 定 施工单位检查评定记录 监理单位 验收记录 主 控 项 目 1 水泥质量 第6.2.1条 合格证1份,试验报告2份,质量合格。 合格。 2 细骨料质量 第6.2.2条 试验报告2份,质量合格。 合格。 3 粗骨料质量 第6.2.3条 试验报告2份,质量合格。 合格。 4 外加剂质量 第6.2.4条 合格证1份,试验报告1份,质量合格。 合格。 5 拌合用水质量 第6.2.5条 饮用水,检验报告1份,符合规定。 合格。 6 掺和料质量 第6.2.6条 合格证1份,试验报告1份,质量合格。 合格。 7 配合比设计 第6.3.1条 配合比选定报告1份,符合规定。 符合要求。 8 混凝土中总碱含量 第6.3.2条 检验报告2份,计算单1份,质量合格。 符合要求。 施工单位检查 评定结果 检查评定合格。 专职质量检查员 吴志亮 2004年 07 月 18 日 分项工程技术负责人 郑富宗 2004年 07 月 18 日 分项工程负责人 王兑章 2004年 07 月 18 日 监理单位验收结论 同意验收。 监理工程师 冯勋仕 2004年 07 月 19 日 示例3.3 混凝土(施工)检验批质量验收记录表(Ⅱ) 03011003 0 2 6 单位工程名称 ×××5号大桥(DK168+988) 分部工程名称 墩台(0号台、1~6号墩、7号台) 分项工程名称 混凝土 验收部位 6号墩顶段 施 工 单 位 ×××道桥工程公司 项目负责人 李实功 施工质量验收标准名称及编号 [A]:《铁路混凝土与砌体工程施工质量验收标准》TB10424—2003 [B]:《铁路桥涵工程施工质量验收标准》TB10415—2003 施 工 质 量 验 收 标 准 的 规 定 施工单位检查评定记录 监理单位 验收记录 主 控 项 目 1 混凝土强度等级及 试件的取样和留置 [A]第6.4.1条 试件取样、制作方法及数量符合要求,编号0816-22号~24号。 符合要求。 2 混凝土施工工艺及施工缝处理 [A]第6.4.2条 [B]第8.2.7条 符合规定。 符合要求。 3 混凝土养护 [A]第6.4.3条 符合规定。 符合要求。 一 般 项 目 1 施工配合比调整 [A]第6.4.4条 施工配料通知单1份,符合规定。 符合要求。 2 拌合物的坍落度 [A]第6.4.5条 试验报告1份,符合规定。 3 允许偏差 原材料每盘称重 水泥和干燥状态掺和料 [A]第6.4.6条 符合规定。 粗、细骨料 符合规定。 水、外加剂 符合规定。 施工单位检查 评定结果 检查评定合格。 专职质量检查员 吴志亮 2004年 07 月 18 日 分项工程技术负责人 郑富宗 2004年 07 月 18 日 分项工程负责人 王兑章 2004年 07 月 18 日 监理单位验收结论 同意验收。 监理工程师 冯勋仕 2004年 07 月 19 日 示例3.4 混凝土(结构外观和尺寸偏差)检验批质量验收记录表(Ⅲ) 03011003 0 2 6 单位工程名称 ×××5号大桥(DK168+988) 分部工程名称 墩台(0号台、1~6号墩、7号台) 分项工程名称 混凝土 验收部位 6号墩顶段 施 工 单 位 ×××道桥工程公司 项目负责人 李实功 施工质量验收标准名称及编号 [A]:《铁路混凝土与砌体工程施工质量验收标准》TB10424—2003 [B]:《铁路桥涵工程施工质量验收标准》TB10415—2003 施 工 质 量 验 收 标 准 的 规 定 施工单位检查评定记录 监理单位 验收记录 主控项目 1 混凝土表面裂缝宽度 不大于0.2 mm 表面无大于0.2 mm的裂缝。 合格。 一 般 项 目 1 桥台顶道碴槽面排水坡 [B]第8.2.10条 / 合格。 2 结构外形尺寸允许偏差 边缘距中心线 ±20 mm 15 10 5 -3 8 滑模 施工 边缘距中心线 ±30 mm / 平面扭角 2° / 表面平整度 5 mm 3 3 3 4 5 空心墩壁厚 ±5 mm / 支承垫石顶面高程 mm -3 -2 -3 -5 支承垫石顶面中心位置 15 mm 10 8 8 12 每片梁一端两支承垫石顶面高差 3 mm / 每孔梁一端两支承垫石顶面高差 5 mm 1 2 无支座垫石顶面高差 5 mm / 同一墩顶支承垫石顶面高差 5 mm 2 1 3 0 3 预埋件和预留孔位置 5 mm 5 1 3 3 4 预留孔洞尺寸 mm 8 10 5 5 5 混凝土外观质量 [A]第6.4.8条 符合规定。 施工单位检查 评定结果 检查评定合格。 专职质量检查员 吴志亮 2004年 07 月 18 日 分项工程技术负责人 郑富宗 2004年 07 月 18 日 分项工程负责人 王兑章 2004年 07 月 18 日 监理单位验收结论 同意验收。 监理工程师 冯勋仕 2004年 07 月 19 日
展开阅读全文

开通  VIP会员、SVIP会员  优惠大
下载10份以上建议开通VIP会员
下载20份以上建议开通SVIP会员


开通VIP      成为共赢上传

当前位置:首页 > 百科休闲 > 其他

移动网页_全站_页脚广告1

关于我们      便捷服务       自信AI       AI导航        抽奖活动

©2010-2026 宁波自信网络信息技术有限公司  版权所有

客服电话:0574-28810668  投诉电话:18658249818

gongan.png浙公网安备33021202000488号   

icp.png浙ICP备2021020529号-1  |  浙B2-20240490  

关注我们 :微信公众号    抖音    微博    LOFTER 

客服