收藏 分销(赏)

水暖试验资料.doc

上传人:xrp****65 文档编号:7037722 上传时间:2024-12-25 格式:DOC 页数:32 大小:1.51MB 下载积分:10 金币
下载 相关 举报
水暖试验资料.doc_第1页
第1页 / 共32页
水暖试验资料.doc_第2页
第2页 / 共32页


点击查看更多>>
资源描述
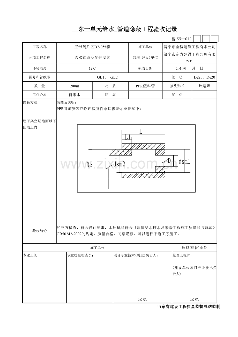
阀门(清洗)试验记录 鲁SN—011 工程名称 王母阁片区D2-05#楼 施工单位 济宁市金厦建筑工程有限公司 分项工程名称 给水管道及配件安装 监理(建设)单位 济宁市东方建设工程监理有限公司 环境温度 12℃ 试验日期 2010年 10 月 10 日 阀门名称 截止阀 截止阀 规 格 DN25 DN20 型 号 J11P-10 J11P-10 密封材料 橡胶密封圈 橡胶密封圈 合格证号 数 量 42 清洗情况 合格 合格 脱脂情况 试验介质 自来水 自来水 试验 压力 及 时间 强度(Mpa) 1.5 1.5 时间(S) 300 300 严密性(MPa) 1.1 1.1 时间(S) 300 300 试验结论 符合设计要求及《建筑给水排水及采暖工程施工质量验收规范》GB50242-2002的规定,合格。 施工单位 监理(建设)单位 试验人: 专业质量检查员: 项目专业技术(质量)负责人: 监理工程师: (建设单位项目专业技术负责人): (公章) (公章) 山东省建设工程质量监督总站监制 __东一单元给水_管道隐蔽工程验收记录 鲁SN—012 工程名称 王母阁片区D2-05#楼 施工单位 济宁市金厦建筑工程有限公司 分项工程名称 给水管道及配件安装 监理(建设)单位 济宁市东方建设工程监理有限公司 环境温度 12℃ 验收日期 2010年 月 日 图号和管线号 GL1、 GL2、 管 径 De25、De20 数 量 200m 材 质 PPR塑料管 接头形式 热熔焊 工作介质 自来水 防 腐 绝 热 隐蔽方法: 埋于架空层地面以下回填土内 简图及说明: PPR管道安装热熔连接管件承口做法示意图如下: 验收结论 经三方检查,符合设计要求,水压试验符合《建筑给水排水及采暖工程施工质量验收规范》GB50242-2002的规定,质量合格,同意隐蔽,可以进行下道工序施工。 施工单位 监理(建设)单位 专业工长: 专业质量检查员: 项目专业技术(质量)负责人: 监理工程师: (建设单位项目专业技术负责人) (公章) (公章) 山东省建设工程质量监督总站监制 东一单元排水_管道隐蔽工程验收记录 鲁SN—012 工程名称 王母阁片区D2-05#楼 施工单位 济宁市金厦建筑工程有限公司 分项工程名称 排水管道及配件安装 监理(建设)单位 济宁市东方建设工程监理有限公司 环境温度 12℃ 验收日期 2010年 月 日 图号和管线号 PL1、 PL2、PL3、 管 径 D100、D75 数 量 200m 材 质 PVC塑料管 接头形式 粘结粘结 工作介质 自来水 防 腐 绝 热 隐蔽方法: 埋于架空层地面以下回填土内 简图及说明: PVC管道安装热熔连接管件承口做法示意图如下: 验收结论 经三方检查,符合设计要求,水压试验符合《建筑给水排水及采暖工程施工质量验收规范》GB50242-2002的规定,质量合格,同意隐蔽,可以进行下道工序施工。 施工单位 监理(建设)单位 专业工长: 专业质量检查员: 项目专业技术(质量)负责人: 监理工程师: (建设单位项目专业技术负责人) (公章) (公章) 山东省建设工程质量监督总站监制 __东二单元给水_管道隐蔽工程验收记录 鲁SN—012 工程名称 王母阁片区D2-05#楼 施工单位 济宁市金厦建筑工程有限公司 分项工程名称 给水管道及配件安装 监理(建设)单位 济宁市东方建设工程监理有限公司 环境温度 12℃ 验收日期 2010年 月 日 图号和管线号 GL1、 GL2、GL3 管 径 De25、De20 数 量 200m 材 质 PPR塑料管 接头形式 热熔焊 工作介质 自来水 防 腐 绝 热 隐蔽方法: 埋于架空层地面以下回填土内 简图及说明: PPR管道安装热熔连接管件承口做法示意图如下: 验收结论 经三方检查,符合设计要求,水压试验符合《建筑给水排水及采暖工程施工质量验收规范》GB50242-2002的规定,质量合格,同意隐蔽,可以进行下道工序施工。 施工单位 监理(建设)单位 专业工长: 专业质量检查员: 项目专业技术(质量)负责人: 监理工程师: (建设单位项目专业技术负责人) (公章) (公章) 山东省建设工程质量监督总站监制 东二单元排水_管道隐蔽工程验收记录 鲁SN—012 工程名称 王母阁片区D2-05#楼 施工单位 济宁市金厦建筑工程有限公司 分项工程名称 排水管道及配件安装 监理(建设)单位 济宁市东方建设工程监理有限公司 环境温度 12℃ 验收日期 2010年 月 日 图号和管线号 PL1、 PL2、PL3、 管 径 D100、D75 数 量 200m 材 质 PVC塑料管 接头形式 粘结粘结 工作介质 自来水 防 腐 绝 热 隐蔽方法: 埋于架空层地面以下回填土内 简图及说明: PVC管道安装热熔连接管件承口做法示意图如下: 验收结论 经三方检查,符合设计要求,水压试验符合《建筑给水排水及采暖工程施工质量验收规范》GB50242-2002的规定,质量合格,同意隐蔽,可以进行下道工序施工。 施工单位 监理(建设)单位 专业工长: 专业质量检查员: 项目专业技术(质量)负责人: 监理工程师: (建设单位项目专业技术负责人) (公章) (公章) 山东省建设工程质量监督总站监制 ___给水管道_水、气压试验记录 鲁SN—013 工程名称 王母阁片区D2-05#楼 施工单位 济宁市金厦建筑工程有限公司 分项工程名称 给水管道及配件安装 监理(建设)单位 济宁市东方建设工程监理有限公司 环境温度 22℃ 验收日期 2010年 月 日 试验范围 规格型号 试验介质 工作压力 (Mpa) 试验类别 试验压力 (Mpa) 试验起止 时间 压力降 (Mpa) 检查结论 东一单元 GL1、GL2、GL3 De25 De20 水 0.4 强度 0.6 8:00-9:00 0.015 满足规范和设计要求,合格 严密性 0.46 12:00-15:00 0.012 满足规范和设计要求,合格 东二单元 GL1、GL2、GL3 De25 De20 水 0.4 强度 0.6 9:00-10:00 0.020 满足规范和设计要求,合格 严密性 0.46 14:00-16:00 0.018 满足规范和设计要求,合格 施工单位 监理(建设)单位 试验人: 专业质量检查员: 项目专业技术(质量)负责人: 监理工程师: (建设单位项目专业技术负责人) (公章) (公章) 山东省建设工程质量监督总站监制 室内_ 排水_管道灌水试验记录 鲁SN—014 工程名称 王母阁片区D2-05#楼 施工单位 济宁市金厦建筑工程有限公司 分项工程名称 排水管道及配件安装 监理(建设)单位 济宁市东方建设工程监理有限公司 环境温度 11℃ 试验日期 2010年 月 日 系统名称或编号 PL1 PL2 PL3 规格及数量 D 75 20m D 100 20m D 75 20m 试验介质 水 水 水 灌水高度(M) 0.85 0.85 0.85 间隔时间(min) 15 15 15 液面下降量(min) 8 8 8 灌水高度(M) 0.85 0.85 0.85 间隔时间(min) 5 5 5 液面下降量 (渗漏情况)(mm) 不下降 不下降 不下降 结 论 排水管道不渗不漏,符合设计要求及《建筑给水排水及采暖工程施工质量验收规范》GB50242-2002的规定,合格。 施工单位 监理(建设)单位 试验人: 专业质量检查员: 项目专业技术(质量)负责人: 监理工程师: (建设单位项目专业技术负责人) (公章) (公章) 山东省建设工程质量监督总站监制 ___室内排水___管道通水试验记录 鲁SN—016 工程名称 王母阁片区D2-05#楼 施工单位 济宁市金厦建筑工程有限公司 分项工程名称 排水管道及配件安装 监理(建设)单位 济宁市东方建设工程监理有限公司 环境温度 12℃ 验收日期 2010年 月 日 系统(管线) 名称 规格、数量 通水起止 时间 配水点是否 达到额定流量 排水畅通 情况 渗漏情况 结沦 PL1 D 75/20 8:00-12:00 全部到达 畅通 无渗漏 通水 合格 PL2 D 100/20 9:00-13:00 全部到达 畅通 无渗漏 通水 合格 PL3 D 75/20 10:00-14:00 全部到达 畅通 无渗漏 通水 合格 施工单位 监理(建设)单位 试验人: 专业质量检查员: 项目专业技术(质量)负责人: 监理工程师: (建设单位项目专业技术负责人) (公章) (公章) 山东省建设工程质量监督总站监制 室内排水管道通球试验记录 鲁SN—017 工程名称 王母阁片区D2-05#楼 施工单位 济宁市金厦建筑工程有限公司 分项工程名称 排水管道及配件安装 监理(建设)单位 济宁市东方建设工程监理有限公司 环境温度 14℃ 试验日期 2010年 月 日 系统管线名称 试验部位 管道内径 球径 起止时间 检查结论 PL1 排水立管 D 75 Φ50 9:00-9:15 无异物、合格 PL2 排水立管 D 100 Φ70 9:30-9:45 无异物、合格 PL3 排水立管 D 75 Φ50 10:00-10:15 无异物、合格 施工单位 监理(建设)单位 试验人: 专业质量检查员: 项目专业技术(质量)负责人: 监理工程师: (建设单位项目专业技术负责人) (公章) (公章) 山东省建设工程质量监督总站监制 ____室内给水__管道(设备)冲(吹)洗记录 鲁SN—018 工程名称 王母阁片区D2-05#楼 施工单位 济宁市金厦建筑工程有限公司 分项工程名称 给水管道及配件安装 监理(建设)单位 济宁市东方建设工程监理有限公司 环境温度 10℃ 试验日期 2010年 月 日 系统(设备) 名 称 规格及 数量 试验介质 加药种类 及数量 留置时间 冲(吹)洗 压力 冲(吹)洗 时间 水质情况(附有关 部门检验报告) GL1 De25、De20/50 自来水 漂白粉5g 24h 1.2MPa 20min 进、出水水质目测一致 GL2 De25、De20/50 自来水 漂白粉5g 24h 1.2MPa 20min 进、出水水质目测一致 结论 各用水点放水畅通,管道无堵塞,水质洁白、清净,试验结果符合设计和规范规定,合格。 施工单位 监理(建设)单位 试验人: 专业质量检查员: 项目专业技术(质量)负责人: 监理工程师: (建设单位项目专业技术负责人) (公章) (公章) 山东省建设工程质量监督总站监制 卫生器具满水试验记录 鲁SN—019 工程名称 王母阁片区D2-05#楼 施工单位 济宁市金厦建筑工程有限公司 分项工程名称 卫生器具安装 监理(建设)单位 济宁市东方建设工程监理有限公司 环境温度 12℃ 试验日期 2010年 月 日 系统管线名称 试验部位 卫生器工 名称 数量 (个、套) 器具深度 (mm) 注水深度 (mm) 试验起止 时间 检查结论 一~十一层 卫生间 座便器 44 360 210 8:00至次日8:20 合格 一~十一层 卫生间 洗面盆 44 200 180 9:00至次日9:20 合格 一~十一层 厨房间 洗菜盆 44 200 150 13:00至次日13:20 合格 一~十一层 阳台 拖布池 44 300 250 14:00至次日14:20 合格 施工单位 监理(建设)单位 试验人: 专业质量检查员: 项目专业技术(质量)负责人: 监理工程: (建设单位项目专业技术负责人): (公章) (公章) 山东省建设工程质量监督总站监制 地漏及地面清扫口排水试验记录 鲁SN—020 工程名称 王母阁片区D2-05#楼 施工单位 济宁市金厦建筑工程有限公司 分项工程名称 卫生器具安装 监理(建设)单位 济宁市东方建设工程监理有限公司 环境温度 19℃ 试验日期 2010年 月 日 序号 试验部位 地漏个数 清扫口个数 水封情况 注水情况 排水及渗漏 情 况 1 东一单元 66 水封高度60mm 打开所在房间配水点以0.2L/s流量向地面注水 排水及时顺利、无积水不渗漏;清扫口开启灵活,清扫方便。 2 东二单元 66 水封高度60mm 打开所在房间配水点以0.2L/s流量向地面注水 排水及时顺利、无积水不渗漏;清扫口开启灵活,清扫方便。 检查结论 满足设计和使用要求,同意验收。 施工单位 监理(建设)单位 试验人: 专业质量检查员: 项目专业技术(质量)负责人: 监理工程师: (建设单位项目专业技术负责人): (公章) (公章) 山东省建设工程质量监督总站监制 室外排水管道灌水和通水试验记录 鲁SN—026 工程名称 王母阁片区D2-05#楼 施工单位 济宁市金厦建筑工程有限公司 分项工程名称 室外排水管道安装 监理(建设)单位 济宁市东方建设工程监理有限公司 环境温度 14℃ 试验日期 2010年 月 日 管段名称及编号 灌水高度(M) 灌水时间(min) 检查方法 检查结论 室外排水管道PL1 上游管顶1.35m 40 观察液面和接口 排水畅通,无堵塞,管顶接口无渗漏 室外排水管道PL2 上游管顶1.35m 40 观察液面和接口 排水畅通,无堵塞,管顶接口无渗漏 室外排水管道PL3 上游管顶1.35m 40 观察液面和接口 排水畅通,无堵塞,管顶接口无渗漏 施工单位 监理(建设)单位 试验人: 专业质量检查员: 项目专业技术(质量)负责人: 监理工程师: (建设单位项目专业技术负责人): (公章) (公章) 山东省建设工程质量监督总站监制 雨水管道及配件安装工程检验批质量验收记录表 鲁SN-047 单位(子单位)工程名称 王母阁片区D2-05#楼 分部(子分部)工程名称 给排水及采暖工程 验收部位 东立面 施工单位 济宁市金厦建筑工程有限公司 项目经理 高敬明 分包单位 / 分包项目经理 / 施工执行标准名称及编号 DBJ14-032-2004山东省《建筑工程施工工艺规程》 《建筑给水排水及采暖工程施工质量验收规范》 GB50242-2002的规定 施工单位检查评定记录 监理(建设)单位验收记录 主控项目 1 室内雨水管道灌水试验 第5.3.1条 符合要求 2 塑料雨水管安装伸缩节 第5.3.2条 √ √ √ √ √ √ √ √ √ √ 3 雨水管道坡度 第5.3.3条 一般项目 1 雨水管不得与生活污水管相连接 第5.3.4条 √ √ √ √ √ √ √ √ √ √ 合格 2 雨水斗安装 第5.3.5条 √ √ √ √ √ √ √ √ √ √ 3 悬吊式雨水管检查口间距 第5.3.6条 4 雨水管道安装的允许偏差 坐标 15mm 7 5 9 6 8 4 2 9 8 7 标高 ±15mm +8 +2 -2 -6 0 +9 +5 -7 -9 0 横管纵横方向弯曲 铸铁管 每米 ≯1mm 全长(25m以上) ≯25mm 钢管 每米 管径≤100mm 1mm 管径>100mm 1.5mm 全长(25m以上) 管径≤100mm ≯25mm 管径>100mm ≯38mm 塑料管 每米 1.5mm 1.2 1.3 0 1.2 1.3 1.4 1.2 1.1 1.0 0 全长(25m以上) ≯38mm 钢筋混凝土管 每米 3mm 全长(25m以上) ≯75mm 立管垂直度 铸铁管 每米 3mm 全长(25m以上) ≯15mm 钢管 每米 3mm 全长(25m以上) ≯10mm 塑料管 每米 3mm 2 1 3 1 2 0 2 1 0 2 全长(25m以上) ≯15mm 5 焊 缝 允 许 偏 差 焊口平直度 管壁厚10mm以内 管壁厚1/4 焊缝 加强面 高度 +1mm 宽度 +1mm 咬边 深度 小于0.5mm 长度 连续长度 25mm 总长度(两侧) 小于焊缝长度的10% 施工单位 检查评定结果 专业工长(施工员) 施工班组长 主控项目满足规范规定要求,一般项目全部合格。 项目专业质量检查员: 2010年 月 日 监理(建设)单位 验收结论 合格,通过验收。 专业监理工程师: (建设单位项目专业技术负责人) 2010年 月 日 山东省建设工程质量监督总站监制 雨水管道及配件安装工程检验批质量验收记录表 鲁SN-047 单位(子单位)工程名称 王母阁片区D2-05#楼 分部(子分部)工程名称 给排水及采暖工程 验收部位 西立面 施工单位 济宁市金厦建筑工程有限公司 项目经理 高敬明 分包单位 / 分包项目经理 / 施工执行标准名称及编号 DBJ14-032-2004山东省《建筑工程施工工艺规程》 《建筑给水排水及采暖工程施工质量验收规范》 GB50242-2002的规定 施工单位检查评定记录 监理(建设)单位验收记录 主控项目 1 室内雨水管道灌水试验 第5.3.1条 符合要求 2 塑料雨水管安装伸缩节 第5.3.2条 √ √ √ √ √ √ √ √ √ √ 3 雨水管道坡度 第5.3.3条 一般项目 1 雨水管不得与生活污水管相连接 第5.3.4条 √ √ √ √ √ √ √ √ √ √ 合格 2 雨水斗安装 第5.3.5条 √ √ √ √ √ √ √ √ √ √ 3 悬吊式雨水管检查口间距 第5.3.6条 4 雨水管道安装的允许偏差 坐标 15mm 2 3 6 5 9 5 8 4 7 10 标高 ±15mm 11 5 8 9 2 -7 8 4 -5 6 横管纵横方向弯曲 铸铁管 每米 ≯1mm 全长(25m以上) ≯25mm 钢管 每米 管径≤100mm 1mm 管径>100mm 1.5mm 全长(25m以上) 管径≤100mm ≯25mm 管径>100mm ≯38mm 塑料管 每米 1.5mm 1.2 1.6 1.2 1.5 1.3 1.5 1.2 0.9 0.6 0.7 全长(25m以上) ≯38mm 钢筋混凝土管 每米 3mm 全长(25m以上) ≯75mm 立管垂直度 铸铁管 每米 3mm 全长(25m以上) ≯15mm 钢管 每米 3mm 全长(25m以上) ≯10mm 塑料管 每米 3mm 2 1 1 2 3 2 4 1 2 1 全长(25m以上) ≯15mm 5 焊 缝 允 许 偏 差 焊口平直度 管壁厚10mm以内 管壁厚1/4 焊缝 加强面 高度 +1mm 宽度 +1mm 咬边 深度 小于0.5mm 长度 连续长度 25mm 总长度(两侧) 小于焊缝长度的10% 施工单位 检查评定结果 专业工长(施工员) 施工班组长 主控项目满足规范规定要求,一般项目全部合格。 项目专业质量检查员: 2010年 月 日 监理(建设)单位 验收结论 合格,通过验收。 专业监理工程师: (建设单位项目专业技术负责人) 2010年 月 日 山东省建设工程质量监督总站监制 雨水管道及配件安装工程检验批质量验收记录表 鲁SN-047 单位(子单位)工程名称 王母阁片区D2-05#楼 分部(子分部)工程名称 给排水及采暖工程 验收部位 南立面 施工单位 济宁市金厦建筑工程有限公司 项目经理 高敬明 分包单位 / 分包项目经理 / 施工执行标准名称及编号 DBJ14-032-2004山东省《建筑工程施工工艺规程》 《建筑给水排水及采暖工程施工质量验收规范》 GB50242-2002的规定 施工单位检查评定记录 监理(建设)单位验收记录 主控项目 1 室内雨水管道灌水试验 第5.3.1条 符合要求 2 塑料雨水管安装伸缩节 第5.3.2条 √ √ √ √ √ √ √ √ √ √ 3 雨水管道坡度 第5.3.3条 一般项目 1 雨水管不得与生活污水管相连接 第5.3.4条 √ √ √ √ √ √ √ √ √ √ 合格 2 雨水斗安装 第5.3.5条 √ √ √ √ √ √ √ √ √ √ 3 悬吊式雨水管检查口间距 第5.3.6条 4 雨水管道安装的允许偏差 坐标 15mm 2 3 6 9 9 5 8 4 12 14 标高 ±15mm 5 8 4 5 9 5 -8 5 9 -10 横管纵横方向弯曲 铸铁管 每米 ≯1mm 全长(25m以上) ≯25mm 钢管 每米 管径≤100mm 1mm 管径>100mm 1.5mm 全长(25m以上) 管径≤100mm ≯25mm 管径>100mm ≯38mm 塑料管 每米 1.5mm 1.2 1.3 1.2 0.6 0.9 0.6 0.2 1.2 1.3 0.7 全长(25m以上) ≯38mm 钢筋混凝土管 每米 3mm 全长(25m以上) ≯75mm 立管垂直度 铸铁管 每米 3mm 全长(25m以上) ≯15mm 钢管 每米 3mm 全长(25m以上) ≯10mm 塑料管 每米 3mm 2 2 1 2 1 2 3 2 4 1 全长(25m以上) ≯15mm 5 焊 缝 允 许 偏 差 焊口平直度 管壁厚10mm以内 管壁厚1/4 焊缝 加强面 高度 +1mm 宽度 +1mm 咬边 深度 小于0.5mm 长度 连续长度 25mm 总长度(两侧) 小于焊缝长度的10% 施工单位 检查评定结果 专业工长(施工员) 施工班组长 主控项目满足规范规定要求,一般项目全部合格。 项目专业质量检查员: 2010年 月 日 监理(建设)单位 验收结论 合格,通过验收。 专业监理工程师: (建设单位项目专业技术负责人) 2010年 月 日 山东省建设工程质量监督总站监制 雨水管道及配件安装工程检验批质量验收记录表 鲁SN-047 单位(子单位)工程名称 王母阁片区D2-05#楼 分部(子分部)工程名称 给排水及采暖工程 验收部位 北立面 施工单位 济宁市金厦建筑工程有限公司 项目经理 高敬明 分包单位 / 分包项目经理 / 施工执行标准名称及编号 DBJ14-032-2004山东省《建筑工程施工工艺规程》 《建筑给水排水及采暖工程施工质量验收规范》 GB50242-2002的规定 施工单位检查评定记录 监理(建设)单位验收记录 主控项目 1 室内雨水管道灌水试验 第5.3.1条 符合要求 2 塑料雨水管安装伸缩节 第5.3.2条 √ √ √ √ √ √ √ √ √ √ 3 雨水管道坡度 第5.3.3条 一般项目 1 雨水管不得与生活污水管相连接 第5.3.4条 √ √ √ √ √ √ √ √ √ √ 合格 2 雨水斗安装 第5.3.5条 √ √ √ √ √ √ √ √ √ √ 3 悬吊式雨水管检查口间距 第5.3.6条 4 雨水管道安装的允许偏差 坐标 15mm 9 8 5 4 1 5 2 6 5 11 标高 ±15mm 5 4 8 -7 8 5 4 -8 10 12 横管纵横方向弯曲 铸铁管 每米 ≯1mm 全长(25m以上) ≯25mm 钢管 每米 管径≤100mm 1mm 管径>100mm 1.5mm 全长(25m以上) 管径≤100mm ≯25mm 管径>100mm ≯38mm 塑料管 每米 1.5mm 1.2 1.3 1.5 1.3 0.6 0.9 0.6 0.5 1.2 1.3 全长(25m以上) ≯38mm 钢筋混凝土管 每米 3mm 全长(25m以上) ≯75mm 立管垂直度 铸铁管 每米 3mm 全长(25m以上) ≯15mm 钢管 每米 3mm 全长(25m以上) ≯10mm 塑料管 每米 3mm 2 1 2 1 2 1 2 3 2 1 全长(25m以上) ≯15mm 5 焊 缝 允 许 偏 差 焊口平直度 管壁厚10mm以内 管壁厚1/4 焊缝 加强面 高度 +1mm 宽度 +1mm 咬边 深度 小于0.5mm 长度 连续长度 25mm 总长度(两侧) 小于焊缝长度的10% 施工单位 检查评定结果 专业工长(施工员) 施工班组长 主控项目满足规范规定要求,一般项目全部合格。 项目专业质量检查员: 2010年 月 日 监理(建设)单位 验收结论 合格,通过验收。 专业监理工程
展开阅读全文

开通  VIP会员、SVIP会员  优惠大
下载10份以上建议开通VIP会员
下载20份以上建议开通SVIP会员


开通VIP      成为共赢上传

当前位置:首页 > 包罗万象 > 大杂烩

移动网页_全站_页脚广告1

关于我们      便捷服务       自信AI       AI导航        抽奖活动

©2010-2026 宁波自信网络信息技术有限公司  版权所有

客服电话:0574-28810668  投诉电话:18658249818

gongan.png浙公网安备33021202000488号   

icp.png浙ICP备2021020529号-1  |  浙B2-20240490  

关注我们 :微信公众号    抖音    微博    LOFTER 

客服