收藏 分销(赏)

液压油缸尺寸表.doc

上传人:xrp****65 文档编号:6118419 上传时间:2024-11-28 格式:DOC 页数:24 大小:2.29MB 下载积分:10 金币
下载 相关 举报
液压油缸尺寸表.doc_第1页
第1页 / 共24页
液压油缸尺寸表.doc_第2页
第2页 / 共24页


点击查看更多>>
资源描述
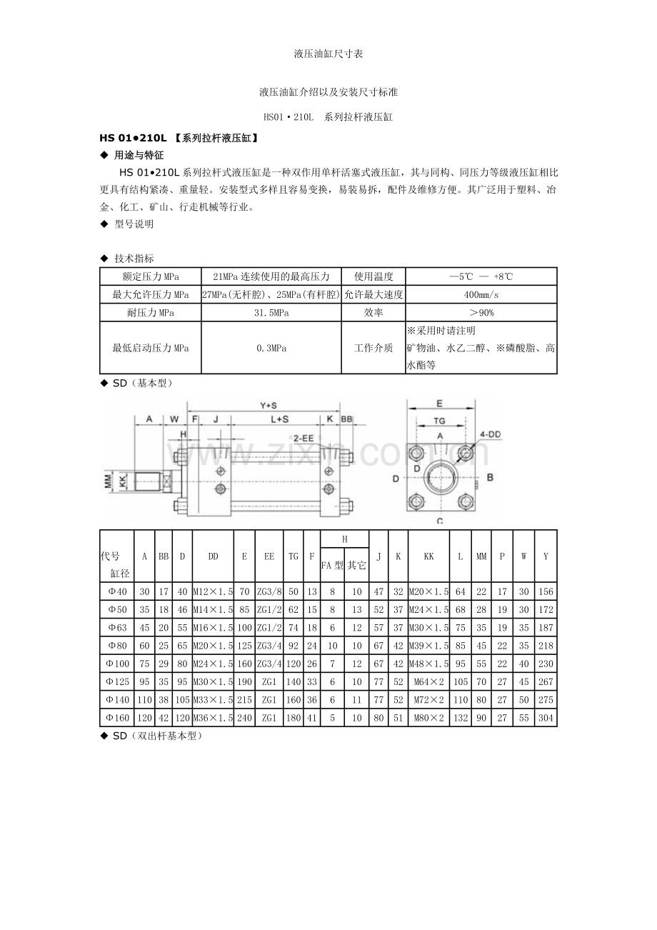
液压油缸尺寸表 液压油缸介绍以及安装尺寸标准 HS01·210L 系列拉杆液压缸 HS 01•210L 【系列拉杆液压缸】 ◆ 用途与特征   HS 01•210L系列拉杆式液压缸是一种双作用单杆活塞式液压缸,其与同构、同压力等级液压缸相比更具有结构紧凑、重量轻。安装型式多样且容易变换,易装易拆,配件及维修方便。其广泛用于塑料、冶金、化工、矿山、行走机械等行业。 ◆ 型号说明 ◆ 技术指标 额定压力MPa 21MPa连续使用的最高压力 使用温度 —5℃ — +8℃ 最大允许压力MPa 27MPa(无杆腔)、25MPa(有杆腔) 允许最大速度 400mm/s 耐压力MPa 31.5MPa 效率 >90% 最低启动压力MPa 0.3MPa 工作介质 ※采用时请注明 矿物油、水乙二醇、※磷酸脂、高水酯等 ◆ SD(基本型)     代号  缸径 A BB D DD E EE TG F H J K KK L MM P W Y FA型 其它 Φ40 30 17 40 M12×1.5 70 ZG3/8 50 13 8 10 47 32 M20×1.5 64 22 17 30 156 Φ50 35 18 46 M14×1.5 85 ZG1/2 62 15 8 13 52 37 M24×1.5 68 28 19 30 172 Φ63 45 20 55 M16×1.5 100 ZG1/2 74 18 6 12 57 37 M30×1.5 75 35 19 35 187 Φ80 60 25 65 M20×1.5 125 ZG3/4 92 24 10 10 67 42 M39×1.5 85 45 22 35 218 Φ100 75 29 80 M24×1.5 160 ZG3/4 120 26 7 12 67 42 M48×1.5 95 55 22 40 230 Φ125 95 35 95 M30×1.5 190 ZG1 140 33 6 10 77 52 M64×2 105 70 27 45 267 Φ140 110 38 105 M33×1.5 215 ZG1 160 36 6 11 77 52 M72×2 110 80 27 50 275 Φ160 120 42 120 M36×1.5 240 ZG1 180 41 5 10 80 51 M80×2 132 90 27 55 304 ◆ SD(双出杆基本型)     代号   缸径 A BB D DD E EE TG F ZM J LZ KK L MM P W Φ40 30 17 40 M12×1.5 70 ZG3/8 50 13 244 47 154 M20×1.5 64 22 17 30 Φ50 35 18 46 M14×1.5 85 ZG1/2 62 15 262 52 172 M24×1.5 68 28 19 30 Φ63 45 20 55 M16×1.5 100 ZG1/2 74 18 295 57 185 M30×1.5 75 35 19 35 Φ80 60 25 65 M20×1.5 125 ZG3/4 92 24 337 67 217 M39×1.5 85 45 22 35 Φ100 75 29 80 M24×1.5 160 ZG3/4 120 26 361 67 231 M48×1.5 95 55 22 40 Φ125 95 35 95 M30×1.5 190 ZG1 140 33 415 77 275 M64×2 105 70 27 45 Φ140 110 38 105 M33×1.5 215 ZG1 160 36 436 77 286 M72×2 110 80 27 50 Φ160 120 42 120 M36×1.5 240 ZG1 180 41 484 80 316 M80×2 132 90 27 55 ◆ LA(切向脚架)   代号  缸径 A AB AC AE AH AL EE AM AO H AS AT KK KL MM SA UA YL W FA型 其它 Φ40 30 11 59 77 42±0.15 31 ZG3/8 16 16 8 10 98 15 M20×1.5 32 22 111 122 156 30 Φ50 35 14 63 97.5 55±0.15 34 ZG1/2 19 18 8 13 118 20 M24×1.5 37 28 120 145 172 30 Φ63 45 18 71 113 63±0.15 39 ZG1/2 19 18 6 12 140 25 M30×1.5 37 35 132 175 187 35 Φ80 60 22 80 137.5 75±0.25 46 ZG3/4 21 21 10 10 175 30 M39×1.5 42 45 152 210 218 35 Φ100 75 26 89 165 85±0.25 44 ZG3/4 24 23 7 12 215 35 M48×1.5 47 55 162 260 235 40 Φ125 95 33 106 200 105±0.25 49 ZG1 29 28 6 10 270 45 M64×2 57 70 182 330 272 45 Φ140 110 33 114 219.5 112±0.25 49 ZG1 29 28 6 11 280 45 M72×2 57 80 187 335 280 50 Φ160 120 36 127 245 125±0.25 49 ZG1 31 31 5 10 315 50 M80×2 62 90 212 375 315 55 ◆ FA(杆侧长方法兰)       代号  缸径 A AB R DD E EE TG J H TF FF KK UB MM UF WA YA FA型 其它 Φ40 30 11 50 M12×1.5 70 ZG3/8 50 47 8 10 98 15 M20×1.5 73 22 122 28 158 Φ50 35 14 60 M14×1.5 85 ZG1/2 62 52 8 13 118 20 M24×1.5 88 28 145 25 177 Φ63 45 18 73 M16×1.5 100 ZG1/2 74 57 6 12 140 24 M30×1.5 106 35 175 29 193 Φ80 60 22 90 M20×1.5 125 ZG3/4 92 67 10 10 175 24 M39×1.5 130 45 210 35 218 Φ100 75 26 115 M24×1.5 160 ZG3/4 120 67 7 12 215 31 M48×1.5 165 55 260 35 235 Φ125 95 33 145 M30×1.5 190 ZG1 140 77 6 10 270 37 M64×2 205 70 330 41 271 Φ140 110 33 160 M33×1.5 215 ZG1 160 77 6 11 280 41 M72×2 218 80 335 45 280 Φ160 120 36 180 M36×1.5 240 ZG1 180  80 5 10 315 46 M80×2 243 90 375 50 309 ◆ FB(底部长方法兰) ◆  CA(单耳环型)     代号  缸径 A BB ZC DD E EE TG FW H LR MR KK CD MM N W Y FA型 其它 Φ40 30 17 276 M12×1.5 70 ZG3/8 50 32 8 10 25 25 M20×1.5 20 22 35 30 156 Φ50 35 18 312 M14×1.5 85 ZG1/2 62 36 8 13 32 30 M24×1.5 25 28 45 30 172 Φ63 45 20 357 M16×1.5 100 ZG1/2 74 40 6 12 40 35 M30×1.5 31.5 35 55 35 187 Φ80 60 25 423 M20×1.5 125 ZG3/4 92 50 10 10 50 40 M39×1.5 40 45 70 35 218 Φ100 75 29 475 M24×1.5 160 ZG3/4 120 63 7 12 63 50 M48×1.5 50 55 80 40 235 Φ125 95 35 575 M30×1.5 190 ZG1 140 80 6 10 79 63 M64×2 63 70 105 45 272 Φ140 110 38 621 M33×1.5 215 ZG1 160 80 6 11 89 71 M72×2 71 80 115 50 280 Φ160 120 42 684 M36×1.5 240 ZG1 180 100 5 10 100 80 M80×2 80 90 125 55 315 ◆  TC(中间较轴型)     代号  缸径 A TC D DD E EE TG TD H TL TR KK XG MM VC W PH(最小值) ZT FA型 其它 Φ40 30  73 0 -0.3 40 M12×1.5 70 ZG3/8 50 32 8 10 25 2.5 M20×1.5 122 22 33 30 107 233 Φ50 35 88 0 -0.35 46 M14×1.5 85 ZG1/2 62 36 8 13 25 2.5 M24×1.5 131 28 33 30 114 255 Φ63 45 106 0 -0.35 55 M16×1.5 100 ZG1/2 74 40 6 12 31.5 2.5 M30×1.5 148 35 43 35 132 287 Φ80 60 128 0 -0.4 65 M20×1.5 125 ZG3/4 92 50 10 10 40 3 M39×1.5 169 45 53 35 153 338 Φ100 75 170 0 -0.4 80 M24×1.5 160 ZG3/4   120 63 7 12 50 3 M48×1.5 181 55 63 40 165 374 Φ125 95 205 0 -0.46 95 M30×1.5 190 ZG1 140 80 6 10 63 4 M64×2 208 70 78 45 209 442 Φ140 110 225 0 -0.46 105 M33×1.5 215 ZG1 160 80 6 11 71 4 M72×2 218 80 88 50 222 473 Φ160 120 255 0 -0.52 120 M36×1.5 240 ZG1 180 100 5 10 80 4 M80×2 242 90 98 55 243 521 ◆ 防尘罩         缸径 代号 Φ40 Φ50 Φ63 Φ80 Φ100 Φ125 Φ140 Φ160 WW 50 60 70 80 100 120 125 140 X 45 45 55 55 55 65 65 65  ◆ 单耳环        缸径     代号 Φ40 Φ50 Φ63 Φ80 Φ100 Φ125 Φ140 Φ160 A 31.5 -0.1 -0.4 35. 5 -0.1 -0.4 40 -0.1 -0.4 50 -0.1 -0.4 63 -0.1 -0.4 80 -0.1 -0.6 80 -0.1 -0.6 100 -0.1 -0.6 B 32 35 47 62 77 98 113 123 C 70 85 105 132 157 195 220 240 d 20 25 31.5 40 50 63 71 80 F 49 55 65 85 105 135 158 178 H 28 35 43 55 65 80 90 100 KK M20×1.5 M24×1.5 M30×1.5 M39×1.5 M48×1.5 M64×2 M72×2 M80×2 E 25 30 35 40 50 65 75 85 G 32 36 40 55 68 80 80 100 M M8 M8 M8 M8 M10 M10 M10 M10   L 15 15 15 15 20 20 20 25   订货标记:YE-缸径、—Ⅰ(示例:YE40-Ⅰ)  ◆ 双耳环       缸径  代号 Φ40 Φ50 Φ63 Φ80 Φ100 Φ125 Φ140 Φ160  YA 31.5 +0.4 +0.1 35. 5 +0.4 +0.1 40 +0.4 +0.1 50 +0.4 +0.1 63 +0.4 +0.1 80 +0.6 +0.1 80 +0.6 +0.1 100 +0.6 +0.1 YB 32 35 47 62 77 98 113 123 YC 70 85 105 130 155 195 220 245 YD 20 25 31.5 40 50 63 71 80 YE 20 25 30 40 50 60 70 80 YF 40 50 60 80 100 120 140 160 YG 80 90 101 126 153 192 200 240 YH 32 45 50 60    70 85 95 110 YJ 16 18 20 25 31.5 40 40 50 KK M20×1.5 M24×1.5 M30×1.5 M39×1.5 M48×1.5 M64×2 M72×2 M80×2 开口销 Φ3 Φ3 Φ4 Φ5 Φ5 Φ6 Φ8 Φ8 L 15 15 15 15 20 20 20 25  M M8 M8 M8 M8 M10 M10 M10 M12 订货标记:YE-缸径、—Y(示例:YE40-Y) 【HS01•70、140L系列拉杆液压缸】 ◆ 用途与特征 01•70、140L系列轻型拉杆液压缸是一种双作用单杆活塞式液压缸,其比同结构同压力等级液压缸更具有结构紧凑、重量轻、安装形式多样且容易变换、易装易拆,配件及维修方便,且具有轻量化、适用化、高可靠性特点。其广泛用于纺织、塑料、冶金、化工、矿工、行走机械等行业。 ◆ 技术指标   额定压力MPa 7 14 最低起动压力 0.3Mpa以下 无杆侧 有杆侧 无杆侧 有杆侧 使用温度 -5℃~ +80℃ B C B C 允许最大速度 400mm/s 最大允许压力MPa 9 13.5 11 18 18 14 效率 >90% 耐压力MPa 10.5 14.2 11.5 21 工作介质 矿物油、水乙二醇、*磷酸脂、高水基等 ◆ SD(基本型) ◆ SD(双出杆基本型) ·其它安装型式的尺寸可按基本型组合计算。·缸径>φ160,请与我公司技术部联系     代号  缸径 B 型杆  C型杆 E EE FP LZ PJ TG Y W ZK ZM A KK MM A KK MM Φ32 25 M16×1.5 18 — —— —— □58 ZG3/8 36 166 92 □38 68 30 196 226 Φ40 30 M20×1.5 22 25 M16×1.5 20 □65 ZG3/8 37 166 91 □45 68 30 196 226 Φ50 35 M24×1.5 28 30 M20×1.5 25 □76 ZG1/2 42 182 98 □52 72 30 212 242 Φ63 45 M30×1.5 35 35 M24×1.5 32 □90 ZG1/2 40 194 107 □63 81 35 229 264 Φ80 60 M39×1.5 45 45 M30×1.5 40 □110 ZG3/4 53 222 113 □80 91 35 257 292 Φ100 75 M48×1.5 55 60 M39×1.5 50 □135 ZG3/4 49 232 123 □102 98 40 272 312 Φ125 95 M64×2 70 75 M48×1.5 55 □165 ZG1 65 264 132 □122 112 45 309 354 Φ140 110 M72×2 80 80 M56×2 63 □185 ZG1 67 276 140 □138 119 50 326 376 Φ150 115 M76×2 85 85 M60×2 70 □196 ZG1 68 288 149 □148 121 50 338 388 Φ160 120 M80×2 90 — — — □210 ZG1 74 304 156 □160 129 55 359 414 ◆ LA(切向脚架)   代号 缸径 B型杆 C型 杆 E EE FP EH LH SB ST SS SX SW SY TS US W ZJ XS A KK MM A KK MM Φ32 25 M16×1.5 18 — — — □58 ZG3/8 36 63 35±0.15 11 12 98 31 31 13 88 109 30 171 57 Φ40 30 M20×1.5 22 25 M16×1.5 20 □65 ZG3/8 37 70 37.5±0.15 11 14 98 31 31 13 95 118 30 171 57 Φ50 35 M24×1.5 28 30 M20×1.5 25 □76 ZG1/2 42 82.5 45±0.15 14 17 106 34 34 14 115 145 30 185 60 Φ63 45 M30×1.5 35 35 M24×1.5 32 □90 ZG1/2 40 95 50±0.15 18 19 106 32 32 18 132 165 35 198 71 Φ80 60 M39×1.5 45 45 M30×1.5 40 □110 ZG3/4 53 115 60±0.15 18 25 124 42 42 18 155 190 35 219 74 Φ100 75 M48×1.5 55 60 M39×1.5 50 □135 ZG3/4 49 138.5 71±0.15 22 27 122 38 38 22 190 230 40 232 85 Φ125 95 M64×2 70 75 M48×1.5 55 □165 ZG1 65 167.5 85±0.15 26 32 136 41 41 25 224 272 45 265 99 Φ140 110 M72×2 80 80 M56×2 63 □185 ZG1 67 187.5 95±0.15 26 35 144 41 41 25 250 300 50 280 106 Φ150 115 M76×2 85 85 M60×2 70 □196 ZG1 68 204 106±0.15 30 37 146 38 38 28 270 320 50 290 111 Φ160 120 80×2 90 — — — □210 ZG1 74 217 112±0.15 33 42 150 40 40 31 285 345 55 308 122 Φ180 140 M95×2 100 — — — □235 ZG11/4 75 242.5 125±0.15 33 47 172 50 36 35 315 375 55 330 123 Φ200 150 M100×2 110 — — — □262 ZG11/2 84 271 140±0.15 36 52 186 56 40 39 355  425 55 356 131 Φ220 180 M120×2 125 — — — □292 ZG11/2 89 296 150±0.15 42 52 186 56 40 39 395 475 60 365 140 Φ250 195 M130×2 140 — — — □325 ZG2 106 332.5 170±0.15 45 57 206 68 48 47 425 515 65 411 158 DIV> ◆ LB(轴向脚架)  代号缸径 B型杆 C型杆 E EE FP AE AH AB AU AT AO TR HL W UA XA A KK MM  A KK MM Φ32 25 M16×1.5 18 — — — □58 ZG3/8 36 68 40±0.15 11 33 8 13 40 139 30 62 203 Φ40 30 M20×1.5 22 25 M16×1.5 20 □65 ZG3/8 37 75.5 43±0.15 11 33 8 13 46 139 30 69 203 Φ50 35 M24×1.5 28 30 M20×1.5 25 □76 ZG1/2 42 87.5 50±0.15 14 36 8 15 58 153 30 85 220 Φ63 45 M30×1.5 35 35 M24×1.5 32 □90 ZG1/2 40 105 60±0.15 18 43 10 18 65 161 35 98 240 Φ80 60 M39×1.5 45 45 M30×1.5 40 □110 ZG3/4 53 127 72±0.25 18 51 12 20 87 182 35 118 269 Φ100 75 M48×1.5 55 60 M39×1.5 50 □135 ZG3/4 49 152.5 85±0.25 22 56 12 23 109 190 40 150 287 Φ125 95 M64×2 70 75 M48×1.5 55 □165 ZG1 65 187.5 105±0.25 26 67 15 29 130 218 45 175 331 Φ140 110 M72×2 80 80 M56×2 63 □185 ZG1 67 207.5 115±0.25 26 71 18 30 145 228 50 195 350 Φ150 115 M76×2 85 85 M60×2 70 □196 ZG1 68 221 123±0.25 30 76 18 30 155 238 50 210 365 Φ160 120 80×2 90 — — — □210 ZG1 74 237 132±0.25 33 76 18 35 170 251 55 225 383 Φ180 140 M95×2 100 — — — □235 ZG11/4 75 265.5 148±0.25 33 86 20 40 185 273 55 243 415 Φ200 150 M100×2 110 — — — □262 ZG11/2 84 296 165±0.25 36 99 25 40 206 299 55 272 454 Φ220 180 M120×2 125 — — — □292 ZG11/2 89 331 185±0.25 42 116 30 45 230 303 60 310 480 Φ250 195 M130×2 140 — — — □325 ZG2 106 370.5 208±0.25 45 131 35 50 250 344 65 335 541 ◆ FA(杆侧长方法兰)                        ◆ FB(底侧长方法兰)     代号  缸径 B型杆 C型杆 E EE FP ZJ TF FB UF YP R WF W FE F ZF A KK MM A KK MM Φ32 25 M16×1.5 18 — — — □58 ZG3/8 36 171 88 11 109 27 40 41 30 62 11 182 Φ40 30 M20×1.5 22 25 M16×1.5 20 □65 ZG3/8 37 171 95 11 118 27 46 41 30 69<, ;, ;, ;, ;, ;, ;, TD width=27> 11 182 Φ50 35 M24×1.5 2830 M20×1.5 25 □76 ZG1/2 42 185 115 14 145 29 58 43 30 85 13 198 Φ63 45 M30×1.5 35 35 M24×1.5 32 □90 ZG1/2 40 198 132 18 165 31 65 50 35 98 15 213 Φ80 60 M39×1.5 45 45 M30×1.5 40 □110 ZG3/4 53 219 155 18 190 38 87 53 35 118 18 237 Φ100 75 M48×1.5 55 60 M39×1.5 50 □135 ZG3/4 49 232 190 22 230 38 109 60 40 150 20 252 Φ125 95 M64×2 70 75 M48×1.5 55 □165 ZG1 65 265 224 26 272 43 130 69 45 175 24 289 Φ140 110 M72×2 80 80 M56×2 63 □185 ZG1 67 280 250 26 300 43 145 76 50 195 26 306 Φ150 115 M76×2 85 85 M60×2 70 □196 ZG1 68 290 270 30 320 43 155 78 50 210 28 318 Φ160 120 M80×2 90 — — — □210 ZG1 74 308 285 33 345 43 170 86 55 225 31 339 Φ180 140 M95×2 100 — — — □235 ZG11/4 75 330 315 33 375 42 185 88 55 243 33 363 Φ200 150 M100×2 110 — — — □262 ZG11/2 84 356 355 36 425 48 206 92 55 272 37 393 Φ220 180 M120×2 125 — — — □292 ZG11/2 89 365 395 42 475 48 230 101 60 310 41 406 Φ250 195 M130×2 140 — — — □325 ZG2 106 411 425 45 515 60 250 111 65 335 46 457 ◆ FY(杆侧长方法兰)                     ◆ FZ(底侧长方法兰)   代号  缸径 B型杆 C型杆 E EE HY HL TF FB UF FY YP R WY W FE ZY FP A KK MM A KK MM Φ32 25 M16×1.5 18 — — — □58 ZG3/8 173 141 88 11 109 13 27 40 43 30 62 184 36 Φ40 30 M20×1.5 22 25 M16×1.5 20 □65 ZG3/8 173 141 95 11 118 13 27 46 43 30 69 184 37 Φ50 35 M24×1.5 28 30 M20×1.5 25 □76 ZG1/2 190 155 115 14 145 18 29 58 48 30 85 203 42 Φ63 45 M30×1.5 35 35 M24×1.5 32 □90 ZG1/2 203 163 132 18 165 20 31 65 55 35 98 218 40 Φ80 60 M39×1.5 45 45 M30×1.5 40 □110 ZG3/4 225 184 155 18 190 24 38 87 59 35 118 243 53 Φ100 75 M48×1.5 55 60 M39×1.5 50 □135 ZG3/4 240 192 190 22 230 28 38 109 68 40 150 260 49 Φ125 95 M64×2 70 75 M48×1.5 55 □165 ZG1 274 220 224 26 272 33 43 130 78 45 175 298 65 Φ140 110 M72×2 80 80 M56×2 63 □185 ZG1 291 230 250 26 300 37 43 145 87 50 195 317 67 Φ150 115 M76×2 85 85 M60×2 70 □196 ZG1 301 240 270 30 320 39 43 155 89 50 210 329 68 Φ160 120 M80×2 90 — — — □210 ZG1 318 253 285 33 345 41 43 170 96 55 225 349 74 Φ180 140 M95×2 100 — — — □235 ZG11/4 343 275 315 33 375 46 42 185 101 55 243 376 75 Φ200 150 M100×2 110 — — — □262 ZG11/2 370 301 355 36 425 51 48 206 106 55 272 407 84 Φ220 180 M120×2 125 — — — □292 ZG11/2 382 305 395 42 475 58 48
展开阅读全文

开通  VIP会员、SVIP会员  优惠大
下载10份以上建议开通VIP会员
下载20份以上建议开通SVIP会员


开通VIP      成为共赢上传

当前位置:首页 > 环境建筑 > 其他

移动网页_全站_页脚广告1

关于我们      便捷服务       自信AI       AI导航        抽奖活动

©2010-2025 宁波自信网络信息技术有限公司  版权所有

客服电话:0574-28810668  投诉电话:18658249818

gongan.png浙公网安备33021202000488号   

icp.png浙ICP备2021020529号-1  |  浙B2-20240490  

关注我们 :微信公众号    抖音    微博    LOFTER 

客服