收藏 分销(赏)

08无粘结预应力工程.doc

上传人:二*** 文档编号:4830822 上传时间:2024-10-14 格式:DOC 页数:3 大小:74KB 下载积分:5 金币
下载 相关 举报
08无粘结预应力工程.doc_第1页
第1页 / 共3页
本文档共3页,全文阅读请下载到手机保存,查看更方便
资源描述
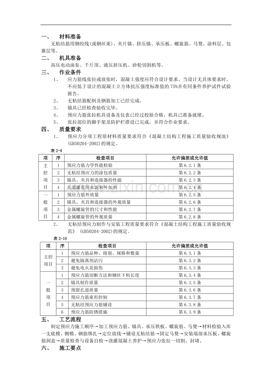
一、 材料准备 无粘结筋用钢绞线(或钢丝束)、夹片锚、挤压锚、承压板、螺旋筋、马凳、涂料层、包裹层等。 二、 机具准备 高压电动油泵、千斤顶、液压挤压机、砂轮切割机等。 三、 作业条件 1、 应力筋线张拉或放张时,混凝土强度应符合设计要求。当设计无具体要求时,不应低于设计的混凝土立方体抗压强度标准值的75%并有同条件养护试件试验报告。 2、 无粘结筋配制及钢筋加工已经完成。 3、 锚具已经检查验收完毕。 4、 预应力筋张拉机具设备及仪表已经过校验合格,机具己准备就绪。 5、 张拉部位的脚手架及防护栏搭设已完成,并符合作业要求。 四、 质量要求 1、 预应力分项工程原材料质量要求符合《混凝土结构工程施工质量验收规池》(GB50204-2002)的规定。 表2-9 项 序 检查项目 允许偏差或允许值 主控项目 1 预应力筋力学性能检验 第6.2.1条 2 无粘结预应力的涂包质量 第6.2.2条 3 锚具、夹具和连接器的性能 第6.2.3条 4 孔道灌浆用水泥和外加剂 第6.2.4条 一般项目 1 预应力筋外质量 第6.2.5条 2 锚具、夹具和连接器的外观质量 第6.2.6条 3 金属螺旋管的尺寸和性能 第6.2.7条 4 金属螺旋管的外观质量 第6.2.8条 2、 无粘结预应力制作与安装工程质量要求符合《混凝土结构工程施工质量验收规范》 (GB50204-2002)的规定。 表2-10 项 序 检查项目 允许偏差或允许值 主控项目 1 预应力筋品种、级别、规格和数量 第6.3.1条 2 避免隔离剂沾污 第6.3.2条 3 避免电火花损伤 第6.3.3条 一 般 项 目 1 预应力筋切断方法和钢丝下料长度 第6.3.4条 2 锚具制作质量 第6.3.5条 3 预留孔道质量 第6.3.6条 4 预应力筋束形控制 第6.3.7条 5 无粘结预应力筋铺设 第6.3.8条 6 预应力筋防锈措施 第6.3.9条 五、 工艺流程 制定预应力施工顺序→加工预应力筋、锚具、承压铁板、螺旋筋、马凳→材料检验入库一支底模、侧模、钢筋绑扎→定位放线→铺设无粘结筋→固定马凳→安装端部承压板、螺旋筋洞盒→质量检查与设备自检→浇灌混凝土养护→预应力张拉一切割、封堵。 六、 施工要点 1、 精心施工防止无粘结预应力筋的破损,预应力梁的非预应力钢筋应连续绑扎,以便预应力工序插入时,预应力钢筋能一步到位。 2、 非预应力筋绑扎:预应力梁的非预应力钢筋绑扎时,由于预应力张拉端洞盒放置需要,非预应力筋可适当水平移动。 3、 定位钢筋(马凳)绑扎:顶应力梁的非预应力钢筋绑扎好后,在箍筋上画出预应力马凳的高度,将马凳点焊在箍筋上,预应力筋牢固固定在马凳上。 4、 预埋管线的安装:预埋管线布设过程中,根据马凳矢高推断预应力曲线,避开预应力筋,确保梁中的预埋管线与预应力筋不发生冲突。 5、 预应力筋遇洞均绕开,且离洞囗不小于120mm。 6、 预应力张拉时,混凝土立方体抗压强度等级不低于设计要求的混凝土强度。 7、 张拉时,准备操作平台(也可利用脚手架)及电源。 七、 预应力筋张拉工艺 1、 张拉前的准备工作包括确定张拉顺序`搭设张拉操作平台,也可利用现场脚手架,其操作面垂直距离距预应力筋下方500~800mm为宜,操作面宽度在900~1200mm之间。端部周围 300mm范围内无障碍物。当混凝土强度达到设计要求时,开始张拉预应力筋。 2、 安装张拉设备时,应使张拉设备的作用线与孔道中心线末端的切线重合。 3、 预应力张拉组织管理:预应力筋张拉施工由专人负责。施工现场组建若干张拉小组,每个小组由三人组成,每组配备张拉设备一套,其中一人负责提千斤顶和测量伸长值,另二名分别负责开油泵和作张拉记录。 4、 预应力筋的张拉顺序:采用“数层浇筑,顺向张拉”法,本层预应力筋的张拉在混凝土强度达到要求时,应满足上层混凝土强度达到C15以上的要求。 5、 预应力筋的张拉程序:预应力筋应严格按设计张拉顺序采用对称的方式进行张拉,先中间,后两边对称进行。为了减少摩擦损失,张拉时采用:O~10%ócon→103%ócon一锚固。用“应力控制,伸长校核”法,每束预应力筋在张拉以前先计算理论伸长值和控制压力表读数作为施工张拉的依据,每一束预应力筋张拉时,都要做详细记录。 6、 张拉过程中,预应力钢材断裂或滑脱的数量,严禁超过结构同一截面预应力钢材总根数的3%,且一束钢丝只允许断一根。 7、 张拉端部处理:张拉12h后,采用砂轮锯切断超长部分的预应力筋,严禁采用电弧切割。预应力筋切断后露出锚具央片外的长度不得小于30mm;切割后,在锚具和承压板表面加以保护和处理,尽快封堵外露锚具,可采用与梁强度相同的混凝土进行封堵。 八、 成品保护 1、 无粘结筋应按不同规格分类成捆、成盘挂牌堆放整齐。 2、 露天堆放时,需覆盖苫布,下面应加垫木。防止锚具及无粘结筋锈蚀。 3、 严禁碰撞踩压堆放成品,避免损坏塑料套管及锚具,供现场张拉使用的锚夹具,需涂油包封在室内存放,严防锈蚀。 4、 无粘结筋在运输中,应轻装轻卸,严禁摔掷及锋利物品损坏无粘结筋表面及配件。 5、 吊具用钢丝绳需套胶管,避免装卸时破坏无粘结筋塑料套管,若有损坏应及时用塑料胶条修补,其缠绕搭接长度为胶条的1/3宽度。 九、 安全措施 1、 所有上岗操作人员必须经过安全教育,严格按机电操作规程持证上岗作业。 2、 张拉时场地应铺设水平和垂直通道,以保证人员上下通行的安全。 3、 正在张拉的钢绞线两端严禁站人,严防钢绞线或锚具弹出伤人。 张拉过程中,如果出现异常情况,必须立即停止张拉,查明原因后方可继续作业。
展开阅读全文

开通  VIP会员、SVIP会员  优惠大
下载10份以上建议开通VIP会员
下载20份以上建议开通SVIP会员


开通VIP      成为共赢上传

当前位置:首页 > 环境建筑 > 其他

移动网页_全站_页脚广告1

关于我们      便捷服务       自信AI       AI导航        抽奖活动

©2010-2026 宁波自信网络信息技术有限公司  版权所有

客服电话:0574-28810668  投诉电话:18658249818

gongan.png浙公网安备33021202000488号   

icp.png浙ICP备2021020529号-1  |  浙B2-20240490  

关注我们 :微信公众号    抖音    微博    LOFTER 

客服