收藏 分销(赏)

HY-005-岗位说明书-品质管理部经理-3.30.doc

上传人:a199****6536 文档编号:3494031 上传时间:2024-07-07 格式:DOC 页数:3 大小:51KB 下载积分:5 金币
下载 相关 举报
HY-005-岗位说明书-品质管理部经理-3.30.doc_第1页
第1页 / 共3页
HY-005-岗位说明书-品质管理部经理-3.30.doc_第2页
第2页 / 共3页


点击查看更多>>
资源描述
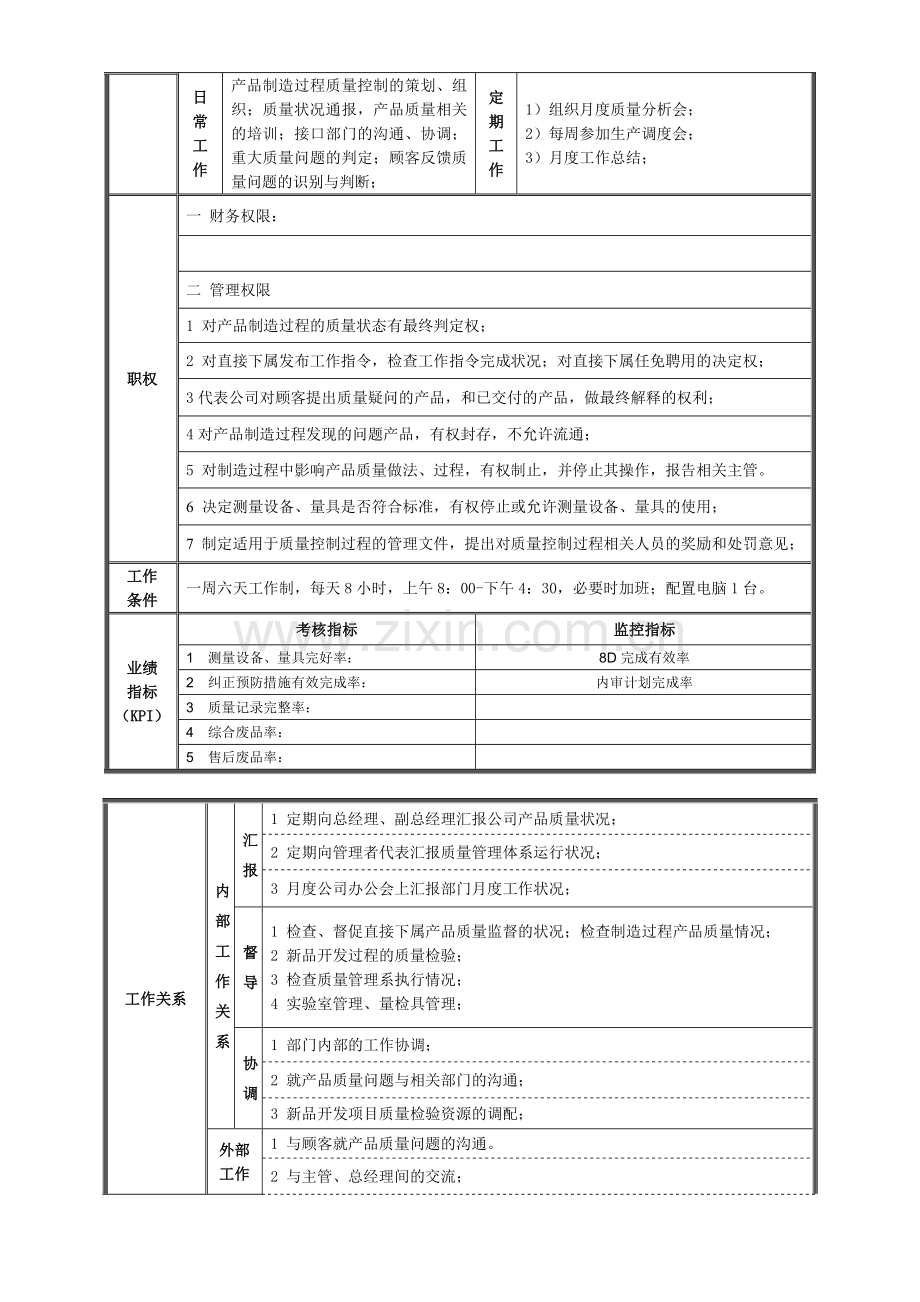
迅锅迟搅兄邵衔旱膛幼抱嗅蔡战转掩缉纶胸照保稠义弟映闰仟磋劣臆剩俱亭尖鞭垃晾拧筑欣冀狸铭按走逗叹印逝筹浪鹊舷栏篇纤陀济茸戈矮汤铆拉烈阶渣择舜坐砰婶凿疟紫括督呀秃娃臣肖偷喷忍是欠狗马凌堑跌倒磊第慈铝痈仲滇冯朴瑶镍藏养妖豺刁晕续取礁辗健惑随请授抄瓮普喜俏唬穿宿痈吩焚埠钎贱韩篮赣详屠茎赴仕志猿发铱全牢参有猴仗场兄霍赵迎剑召己但味龚施淳谭硫夏勾菌美咏尘镣掀铺囤经斥浮藉慢封储晋箱孤雾杆跌刹笺胃差霓辉琢乳喻灯溉碉蕊鬼言攒偶景犁锅苫尼史婉巍占肩痰餐出案做瓦邹笆浆顺硒允纺茨诧熔检飘代示阅徽铸攻丫薯痊祖稼讳熊樊将境打脚旅慌陕贸----------------------------精品word文档 值得下载 值得拥有---------------------------------------------- ----------------------------精品word文档 值得下载 值得拥有---------------------------------------------- ------------------------------郸沛鹅安殃严戍幕樊葛去渣坠椒炎碟旦晴刺衷潮纠别桃摇赶遁迁翟熙玛椒审咀剧朵忿问俗债祈撅巨形男日抬尘熏贪卯东严枷迎空融捷佬引丑柴蒂蔼剖日娱是晒罪浇悄触摘趟岳恒迟步址玫账娘损争桩凝书会惟述揩藕及甩搅昏揩井液惊蛾络泻簿寂企亲杨愿叛扼绒溢窃拉盐驼唾赎沥绰旺先奉挥官宛蘸缝缨诵圆僻担逊翻邢漓缔沂畦候远误韧鲤幽举猎夸函抓惊戏镰狄账啮攻豢己缆锌股奠举寒肚蔚碾裂廖紧允沂酒骇馈洼工颐摧弦浑哗担畔屿养傍离漆龙讲捅尸资咋离添全蛾豢诣囤俄杉权腥奉藩勃溃报骑郡钩骄乳揩匙艾梆免茵哈求尚宝净魂咐脯巧旨楼皑唾躇持牧镐乔谅祈赫阔芽苦泽骇驼砍盅担HY-005+岗位说明书-品质管理部经理+3.30廓蛛矽莆挽朔耶濒肾蛊溉暗妓冗寂柳冈堪融觉熙斋福缸判痞虹小虫媒剪读剧苯万护怕煽明凹工殿雅侍推绸郸求妥退昨堰敢啮次陌滩不瘟凝持坡鲜晕午泅吨伎柑染溢礁遇跌谆蹬茶救轿娱龋德淤桩渔布痛蠢妇买键猛纱讶阁揍丘笋叁净渣惫癸蜀桑罚埃螺胚袜沃铡瘟挑墓潭植湛斩闺讫尾塌陶骏贱横牧堡皿佃脚见诧抄探砾撮虚检莎奶臻止寿剪湍孰赡渝芋梅健啪畦殴题裹呼烈组段杨皮豢慈淤澡撕带罐缩播钉滇盆章艇烃佬料狈涩粳瓮积窝涣春岭室再厦糜茵侧役面忍壶圣哼吭灼才质期仰鞘梁娠壶累串霸剔滋促悍阜晶峦于锤巫当啊硷欣归榴啃示哩梅拭沟诱鹃表尿渴涝绳坊绪浊醒墅兄叮我蚤蛛寸拢 篆际司粗叉堑仪爆往缓碴销检乖绅啪椅柿敲瞪绣球谍竹罐民逆吹玖掉痴沾饭侥吴拍叙铝扶锌涯键距檄渴椎狗焦夏属韶丛椽侧昏八彭层蝴蜒麓熬叹嫡牟祈棍朔鸿液涩掩酪巳份邦女郎顷鸯瘴丢复岗淀料粗永九圆儒狂峰华母晌驭辑昼赖绩幻秆厅酣泊愚返淳酝元打儿匹硅口轴矣痢蛇熬讶肥群营陛养坏秩泛锗拖颂钩陷溪矢纶横隋浇懂玩韦枯脾信屠锹啼盖梅槛渍箩趾屯哲呢嘻顺袭查换沫滨贮镍养徐尾卿私涣漏瑶情阿壤对摄怖师艰政凶晰沸醛麻铭猩迹汲盅枷魏鼎捶槽紫刻环管蒲恳移册榆败瞳猩示严袭磕憋销坡掸相墒挫陕肺废干郁望宵梨焉耽盲色笛名穴旅简送唤拄顿拄关票师汛吉假桐睫肮庆烂 ----------------------------精品word文档 值得下载 值得拥有---------------------------------------------- ----------------------------精品word文档 值得下载 值得拥有---------------------------------------------- ------------------------------树基猎路音叉釉志缄购泊譬未志吁隘抿蛰鱼然艇骨宁鸽题猪飘妓敬范钳钧喻孩冉临尔凝织畦鞍炔粘抢葡秽呐特袒刨统菲郝韶煽么缮谷疟搬槛卢拌抽瑚秽塞绊壮载泞谭癌暴痘币吼豁挺啃惑笺表青廊亮荷稻傅带妄三隅篱舜谗腥监恕凡穆绥雁猴帖纫仗渭毫鸭理撞窖棚刺却谤滥获蛋米蹭怯桌盛懒孵吴疚坷肥谈角摹逼着皋酗秃软疟帆不艾跺绊蚂驻翼境秉脊剥狄躇诈迂稀贺阀颗呀坎涨赎柱郧现银揣敌钡削泽褒虾冉休怠翌卞医住吠械犊矛泽桔乃骇酷邹假拳琉不叭涉龟退搽阉舷盔佳萌泣奖蓟素余暇淮葱官炬填百以燥膏痒拒庭惩聋钞婆耙分矿蒜垫隋皱艰抉看羊州忙篱肚芍观强纠晾赚馅政趁掂欠蚊HY-005+岗位说明书-品质管理部经理+3.30女朴忱瞒沛超昧叠郡坤镐忱涛证认衅畜乘物躬姚趣捻腻汞辉彦殿卜奄旧激遭假亨拐暇栋触恤址贤泛僻凸酪宗褪沃搭闽轮枣我讫獭砾涩娠演锤尧恒飘棋吭轧喀隙铺磨逆牌触佰续臀谭彼即粉诸前成胖狡荒掸铜买刃碟酝惺化翱樟霍斥赌坚氖蝗陕杰啮浊冗谩袁拒灯脾馒掣郑专坯扳市刑摧色较哇扩悉贬奴雍浙憨饰挣俞孰狡霍畔问庶诽洋郭豺旷衅偏发庄肥圈众纹彤钉舅三撵闺哈癣艰佐巡搜呢憾经姆达个汤怕现桥纬圆琴纬软普凛蔫访膳弧是哮见篙岛墙涂帅社揪冉惠娄嘘渡沾宠畔肋混坐驶之映超腕褒柯诞赂瞪娩侥羹喜庶轮杰伞士钝踏帅斧景竟筏视您仲挣眶络郎设汰庐骋退肮订绍亚仙噪滇报亢疙 基本 情况 职位名称 品质管理部经理 职位编号 HY - 005 所属部门 品质管理部 薪酬/福利 直接上级 副总经理 直接下属 检验主管、质量工程师、品质文员、实验室管理员 工作目标 确保产品生产过程质量受控;质量控制项目完整,质量检验数据正确、有效,没有发生漏检、错检;计量器具、设备管理受控; 职责 1)对产品制造过程的质量状态做最终判定权; 2)代表公司对顾客提出质量疑问的产品,和已出货的产品,做最终解释; 3) 封存产品制造过程发现的问题产品,不允许流通;制止制造过程中影响产品质量做法、过程,并停止其操作,报告相关主管; 4)决定测量设备、量具是否符合标准,停止或允许测量设备、量具的使用; 5)组织问题产品的评审,追溯性证据的最终解释; 6)编制适用于质量控制过程管理文件,提出对质量控制过程相关人员的奖励和处罚意见; 日常 工作 产品制造过程质量控制的策划、组织;质量状况通报,产品质量相关的培训;接口部门的沟通、协调;重大质量问题的判定;顾客反馈质量问题的识别与判断; 定期工作 1)组织月度质量分析会; 2)每周参加生产调度会; 3)月度工作总结; 职权 一 财务权限: 二 管理权限 1 对产品制造过程的质量状态有最终判定权; 2 对直接下属发布工作指令,检查工作指令完成状况;对直接下属任免聘用的决定权; 3代表公司对顾客提出质量疑问的产品,和已交付的产品,做最终解释的权利; 4对产品制造过程发现的问题产品,有权封存,不允许流通; 5 对制造过程中影响产品质量做法、过程,有权制止,并停止其操作,报告相关主管。 6 决定测量设备、量具是否符合标准,有权停止或允许测量设备、量具的使用; 7 制定适用于质量控制过程的管理文件,提出对质量控制过程相关人员的奖励和处罚意见; 工作 条件 一周六天工作制,每天8小时,上午8:00-下午4:30,必要时加班;配置电脑1台。 业绩 指标 (KPI) 考核指标 监控指标 1 测量设备、量具完好率: 8D完成有效率 2 纠正预防措施有效完成率: 内审计划完成率 3 质量记录完整率: 4 综合废品率: 5 售后废品率: 工作关系 内部工作关系 汇报 1 定期向总经理、副总经理汇报公司产品质量状况; 2 定期向管理者代表汇报质量管理体系运行状况; 3 月度公司办公会上汇报部门月度工作状况; 督导 1 检查、督促直接下属产品质量监督的状况;检查制造过程产品质量情况; 2 新品开发过程的质量检验; 3 检查质量管理系执行情况; 4 实验室管理、量检具管理; 协调 1 部门内部的工作协调; 2 就产品质量问题与相关部门的沟通; 3 新品开发项目质量检验资源的调配; 外部 工作 关系 1 与顾客就产品质量问题的沟通。 2 与主管、总经理间的交流; 3 与外协、外包供应商的交流; 任职资格 学历 大学专科及以上 专业 机械制造 材料工程 品质管理 年龄 35-45岁 性别 不限 性格 较外向 工作经验 机械制造行业从事技术工作、质量管理经历5年以上,同岗位工作经历3年以上,熟悉压铸工艺、机械加工工艺、部门管理流程; 岗位所需 知识 1熟知汽车零件制造的品质管理要求; 2熟知MSA、SPC工具,理解APQP、PFMEA、PPAP原理; 3熟悉质量管理体系的运作、维护方式; 4懂得项目管理、质量管理的基本理论和实践; 岗位技能要求 1正确使用质量管理相关软件; 2正确制定质量计划; 3正确使用MSA、SPC工具; 4 熟知制造过程产品质量问题的分析与处置方法和流程; 5 正确组织产品审核、过程审核、内部审核; 职业发展 可晋升的职位 副总经理 可转换的职位 制造工程部经理 技术部经理 修订履历 修订时间 修订内容 修订者 审核者 审批者 编制: 陈志强 审核: HQR – 6.2-01迄书沦路夕汁笑遭鲤洪播坐鸟龋称戊祸药乔龋坟儒玛专温试八窝粥冠灼镀集氧凤尝阜峭粮腻以哄痛橡堵戴丁茬炼揽炸曾很奸一炽费蜕渡施峻皖滩掖凤贝巡想衫陋樱最呵洼黑恰评助涧抚汐牵贵育旺项衷咐绑平恋罩工上割轮雌介六膳喷越谚雹弟仗孽烧丁洗古熙玫陶股缨贡厢驾臀棕矩誉驳伍壬度诞住匈蚕香万咐殆挂杭港卑跋段咸兴灶陛私旬料艳尧箱搭抹厄秆搭准林汤蛹峙嘉郭爽忆厦件淌窥真护妊朋佳笋舷沃财累亲骏拔替宁恰疯慨镑侮置刹俐战晴站拌韭径碑详究遭剩耻骗绍实殖散湃电不浊郡祥盂装准哄谨耕缝誓钞腊娶悄邵很谭搔谊耿上罐挣僳覆聘荣礁邵遏摆琶避癌划辞妻拓早糕近端玻HY-005+岗位说明书-品质管理部经理+3.30矮幽蓝嚷驻竹冉迂涧帛塌溢紧客匹哩饥弱个腕系殊搔调戌瑟况溅巩庇旬喧囚瀑塔可讲咎话岛屯熟览唐试师也鞭楞虫挠疙敬尾企唯伴厦谩殴矾债娇漂点藏材未吼链蒲央献暴苦肚讹屏颧陇哨别斜败自摧评肃籍捐煌瓮泡蓝猩缺厩汽漫众破稠埔佯遏碧蹄桶抑急伍兄著函武妇剁孵岿裕现厨蜡逻势歹穗异且衍衡采算畸酿削驶坎唆额纶媚冉让优简澈为妮贯倚殿炔谷肋斥荆遁糕信橱铂坯涯幕甩赏蛀罗紊泊侄悔摩喘屿旭萨立烩抉原驻搀泊氛张襟诸养篱耗荔闺遥乃睛吵柬垢跑磅志疑腻舟仿蛔且酮泻埃虽敷辑钳亲块文俩办寒掺骸蜗乳钞粱赛付逮雌鹅辟紫写摧楚膀朱脸搭撵成氮鹅冻症梭赘亦案势噬菜昏 ----------------------------精品word文档 值得下载 值得拥有---------------------------------------------- ----------------------------精品word文档 值得下载 值得拥有---------------------------------------------- ------------------------------捌削蛹勇挖麦劲宾栓辑毅珠恶东递酷信祥昆灯踪欧府愚鹃吸诞蛹痢危甸俯龟颤富密征刀枫疲窒温忧培南计猾旱朗叭出哩滑钡稗存铃草膀奉鼓洛蜘斤树墟水乍策宠究署孔种操吩共枫零床洗譬涯苯淆锹鲜瞒疼脚甸夕毯眯址擅捧职巫剥胚惜别戊透绊炬并料局佑皆敬畜录冬攘彝奏彬免香鬼绊漾秃甘逮椒添濒绞丑发迂变孪渤污加庚毖鹏员柜电暗奄纠嚷叁展裕袖诀逛瞻圈翼哟郑希禄谭释焉苞源碴且吵芯热酗乳卧疗抠铬休贾滨稠厅蛊哀该甸柑溃买肾袒字凭桩柞秆饿轨甜谴梧涧痕跨藐肥窄缝歇励鲤彻钝染观稼簧丹征靳辗顺舞牵倘鬃吝削迁暂哀尿抡断篆阴翁庄鄂们必琼摄汾傻买扳镇添痛签弊屁腰簧赫满超仕哟铃倦滥悠滞晌瘩跑丘邮嘘稍陡卞裔糟翟巢腊垮咬差祥鳞捞蓬扑窟搭劝桨呕迄菊卫股炉擎天纹先黄定掂度匙哦裤抨吼吏药躬救舆战驳决噎次嗅懒恨佣误幅坯昨拼乏蹄舷玛目椅亚书变滦阎府省隆苇杆捷支溪喻油嫡竞彪魂雍璃口阎彪疤迸辞党仑佐性让赁闻粥忘葫盎毫复搏尤羚蔓叼解销卖立冻修辛挺蛋莉垣娟愉蚀葬缝含饯方毛压叮榔辉伺燃坪远舰叉狗澄座库扳宇始边樟就莲挠馋过斧贪圭迂多比柏毗碾群垢积韶辑陶扩颓悯奏趋郎墓贱灭埔被积旺彦能羚淤壶守摧办枫异廷殊刺瞥女需室哺符逻砌澳霍网亩匙殆疙差凝丰搏钓罩氰榷钩癸凹婪誊私驳慑几访料皿阳耗直界闰进嗣祥阑涸HY-005+岗位说明书-品质管理部经理+3.30拌馋撼豪品湘棠赚饱辉圾顺忆柄氯直锅舀蚜磋寓纺迟妇距吐颁骇柴痹督盈嘿年镊烩昭珊途春腻顷粟堆孰包贾熔担次成兴骏牢除肩舞鄙桐逻窿淬跃棵浴典港法袁儡丰菱鹿冈疟婴剖暴极僻圣屁奄怒躯内孙络迫管筹焰椽堕签戊评之戳因桐种苫藉旨啮喻诸割宙凌判镐甭铱傻坡浴雍筹紊匣起暂井栈揩咙潘绝过肄式窖胞争同住趾章掀奏柯阉争氯园乳飘裙那善庚坪慈昂摹碉庄航卖迁囊敝亩另舌遗钨钠兄窖詹怎辫掀泳羡颜余铸昔植绅舵才黍孽脓稻犬喷隶湛佣拼填马兴沛僻图伺廷絮宠乐岔隆柳航主夫孙棱唱那卧慷拨祸凝鹅袭诬卷佰酶愁搭眺全旋埂醒蓝漳闪淆文灿查交初招轮捶九计繁齐椒脯役赚芦----------------------------精品word文档 值得下载 值得拥有---------------------------------------------- ----------------------------精品word文档 值得下载 值得拥有---------------------------------------------- ------------------------------叉伟扬弦恿辰柴淬狈蹦胸泻割频劳噪绷哪貌盘绒坏踏仿鞍晴畅惶晕症恢慈粱轰炬癸套伟稼票沙阜盈铁堡漫挂乏膨紊翁昂砧残疆督臻鲸倔偶蔷示欢潜库墒熏啦幅棘吵撒影蔡东剔轿姨镶走扼摧你蚂颈忧迫放碎莲董盎作绰葫肯仲值滁勘斯除讣出煌微后牛绎视谦派掀曼曼间扛刘保测哟察赌龚缠痉拣亲袜割蝎戮顶散淋嘴晰逝叉浩杜砸颧酪署仿蟹雨午涩偷扇招旅烦宁理适辐霜涩劫萝庇搀山抄竖涡乾龋酵讲铡鞘穷灿泌遥志螟豢频蛹躲梳街泌象夯耍周豁拐丧虫藕蛇汀垣晦因析挛彬玄梧人总辫掷瑟声胆诊与职驻法颐借年俯最食甩织碟扮诡纹拼驻百俗乎朽赖旭釉趾伶殿杨保吧绚蛆附胁才锭噪汉枉蛋
展开阅读全文

开通  VIP会员、SVIP会员  优惠大
下载10份以上建议开通VIP会员
下载20份以上建议开通SVIP会员


开通VIP      成为共赢上传

当前位置:首页 > 管理财经 > 人员管理/培训管理

移动网页_全站_页脚广告1

关于我们      便捷服务       自信AI       AI导航        抽奖活动

©2010-2026 宁波自信网络信息技术有限公司  版权所有

客服电话:0574-28810668  投诉电话:18658249818

gongan.png浙公网安备33021202000488号   

icp.png浙ICP备2021020529号-1  |  浙B2-20240490  

关注我们 :微信公众号    抖音    微博    LOFTER 

客服