收藏 分销(赏)

综合项目工程制图标准规范.doc

上传人:a199****6536 文档编号:2765010 上传时间:2024-06-05 格式:DOC 页数:29 大小:1.62MB 下载积分:10 金币
下载 相关 举报
综合项目工程制图标准规范.doc_第1页
第1页 / 共29页
综合项目工程制图标准规范.doc_第2页
第2页 / 共29页


点击查看更多>>
资源描述
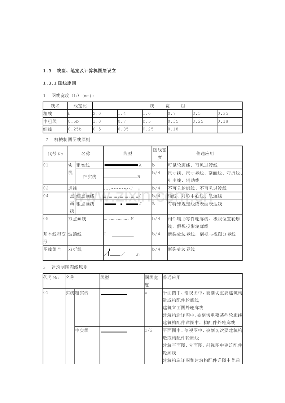
工程图纸制图原则 1.1.1  以实际尺寸绘制按正投影法(顶棚平面图宜用镜像投影法)并用第一角画法绘制所有实体; 1.1.2  以规定恰当比例放大或缩小图框; 1.1.3  修改图框中某些文本; 1.1.4  进行尺寸标注和文字阐明。 1.2  图框、图纸幅面及比例 1.2.1图框 1 图框分为两种,一种用于方案图、施工图或竣工图施工图框,另一种用于加工图加工图框。设计时必要采用本原则指定最新原则图框,除投标时招标文献有特殊规定除外,不得另行使用其他图框,并将图框中待补充内容填充完整,每个工程项目同种图框必要完全一致。 2  施工图框中所表达内容涉及设计变更、备注、建筑设计、业主、工程监理、总承包、公司名称及徽记、工程名称、工程编号、图名、设计、审核、批准、比例、页码、图纸编号、修改序号等17项。 3  加工图框中公司名称及徽记、工程名称、图名、设计、审核、批准、日期、图号、比例、页号等14项。 4  图框普通应采用“索引”引用。 5  采用“插入”方式引用图框,不可以将图框炸开。 6  图框比例应与图比例一致,并采用整数比例。 7  不得变化图框中各某些颜色及线型。 8  原则方案图和施工图图框有A0、A1、A2、A3横式幅面四种,加工图图框有A3、A4横式幅面和A4竖式幅面三种。 1.2.2  图纸幅面 1  各种图纸幅面尺寸(高×宽)原则为: A0—841×1189,图框尺寸距边尺寸10,装订线尺寸25; A1—594×841, 图框尺寸距边尺寸10,装订线尺寸25;; A2—420×594, 图框尺寸距边尺寸10,装订线尺寸25; A3—297×420, 图框尺寸距边尺寸5,装订线尺寸25; A4—210×297, 图框尺寸距边尺寸5,装订线尺寸25。 2  图纸短边不得加长,A3-A0长边可以加长,其中A3和A1以210倍数加长,A2和A0以149倍数加长。 3  普通A3-A0图纸采用横式幅面装订,A4图纸采用竖式幅面装订,投标方案图和施工时施工图采用A3横式幅面装订,加工图和存档图采用A4竖式幅面装订。 4  方案图、施工图建议以A1、A2、A3幅面打印输出,其中封页、目录、设计阐明以A3幅面打印输出,加工图建议以A4幅面打印输出,必要使用设计部统一原则图框。 1.2.3  图样比例 1  惯用比例 缩小比例:1:1、1:2、1:5、1:10、1:20、1:50、1:100、1:150、1:200、1:500、1:1000 放大比例:5:1、4:1、2.5:1、2:1 2  可用比例 1:3、1:4、1:6、1:15、1:25、1:30、1:40、1:60、1:80、1:250、1:300、1:400、1:600 3  建议图纸输出图幅及图框扩大比例 序号 图纸名称 输出图幅 图框扩大比例 1 封面、图纸目录、设计阐明书            A3 1:1 4 平面图、立面图、剖面图 A1、A2、A3 1:20、1:50、1:100、1:200、1:500 6 分格大样图 A1、A2、A3 1:5、1:8、1:10、1:20 8 节点图 A1、A2、A3 1:1、1:2、1:4、1:5、1:8、1:10 9 埋件图、编号图 A1、A2、A3 1:20、1:50、1:100、1:200、1:500 11 加工图、组装图 A3、A4 1:1、1:2、1:4、1:5、1:8、1:10 12 断面模图 A3、A4 2:1、4:1、5:1、1:1、1:2、1:4、1:5 4  绘图比例优先选用惯用比例;一种图样应选用一种比例,依照专业制图需要,同一图样可选用两种比例;比例应注写在标题栏内,无标题栏宜注写在图名右侧,字基准线应取平,比例高宜比图名字高小一号或二号。 1.3  线型、笔宽及计算机图层设立 1.3.1图线原则 1  图线宽度(b)(mm): 线名 线宽比 线    宽    组 粗线 b 2.0 1.4 1.0 0.7 0.5 0.35 中粗线 0.5b 1.0 0.7 0.5 0.35 0.25 0.18 细线 0.25b 0.5 0.35 0.25 0.18      2  机械制图图线原则 代号No 名称 线型 图线宽度 普通应用 01 实线 粗实线 A b 可见轮廓线、可见过渡线 细实线 B b/4 尺寸线、尺寸界线、剖面线、弯折线、引出线、辅助线 02 虚线 F b/4 不可见轮廓线、不可见过渡线 04 点画线 细点画线 G b/4 轴线、对称中心线、轨迹线 粗点画线 J B 有特殊规定线或表面表达线 05 双点画线 K b/4 相邻辅助零件轮廓线、极限位置轮廓线,假想投影轮廓线 基本线型变形 波浪线 C           b/4 断裂处边界线,剖视与视图分界线 图线组合 双折线 D b/4 断裂处边界线 3  建筑制图图线原则 代号No 名称 线型 图线宽度 普通应用 01 实线 粗实线 b 平面图中、剖视图中,被剖切重要建筑构造或构配件轮廊线 建筑立面图外轮廊线 建筑构造详图中,被剖切重要某些轮廊线 建筑构配件详图中,构配件外轮廊线 中实线 b/2 平面图中、剖视图中,被剖切次要建筑构造或构配件轮廊线 建筑平面图、立面图、剖视图中建筑配件轮廊线 建筑构造详图和建筑构配件详图中普通轮廊线 细实线 b/4 不大于b/2图形线、尺寸线、尺寸界线、图例线、索引符号和标高符号等 02 虚线 中虚线                  b/2 建筑构造和建筑构配件中不可见轮廓线、平面图中起重机轮廊线、拟扩建建筑物轮廊线 细虚线 b/4 图例线、不大于b/2不可见轮廊线 04 点画线 细点画线 b/4 定位轴线,对称线,中心线 粗点画线 B 起重机轨道线 05 双点画线 b/4 原有构造轮廓线 基本线型变形 波浪线            b/4 不需画全断开界线、构造层次断开界线 图线组合 断裂线 b/4 不需画全断开界 1.3.2计算机图层及图线设立原则 1  计算机制图线宽b选用0.5mm线宽组线宽系列中1.0(特粗线)、0.7(加粗线)、0.5(粗线)0.35(中粗线)、0.25(中线)、0.18(细线)、0.13(细线)中选用。  2  机械制图计算机图层及图线设计应按表中规定执行 序号 层名 层名代号 颜色 线型 线宽 备注 A2-A4 A0-A1 1 0   7(白)   0.18 0.25 图框 2 标注 BZ 1(红) Continuous 0.13 0.25 尺寸标注,引出线,索引 3 文字 WZ 2(黄) 仿宋GB2312     除尺寸标注外所有文字 4 中心线 ZX 1(红) CENTER 0.13 0.18 定位轴线,对称线 5 细虚线 XX 6(洋红) HIDDEN 0.13 0.18 轮廓线 6 填充 TC 4(青) Continuous 0.13 0.18 图例填充 7 折断线 ZD 101(浅绿) Continuous 0.13 0.18 波浪线、双折线 8 双点划线 SH 9(浅灰) DIVIDE2 0.13 0.18 假想线 9 轮廓线(基本) SS 5(蓝) Continuous 0.40 0.50 轮廓线 10 粗点划线 CH 8(深灰) CENTER 0.40 0.50 有特殊规定线或表面表达线  3  建筑制图计算机图层及图线设计应按表中规定执行 序号 层名 层名代号 颜色 线型 线宽 备注 A2-A4 A0-A1 1 0   7(白) Continuous 0.18 0.13 图框 2 标注 BZ 1(红) Continuous 0.13 0.25 尺寸标注,引出线,索引 3 文字 WZ 2(黄) 仿宋GB2312     除尺寸标注外所有文字 4 中心线 ZX 1(红) CENTER 0.13 0.18 中心线、定位轴线、对称线 5 细虚线 XX 6(洋红) HIDDEN 0.13 0.18 轮廓线特别是窗大样洞口线 6 填充 TC 4(青) Continuous 0.13 0.18 图例填充 7 配件 PJ 4(青) Continuous 0.13 0.18 配件、芯管、埋件 8 折断线 ZD 101(浅绿) Continuous 0.13 0.18 波浪线、双折线、次要线条 9 双点划线 SH 9(浅灰) DIVIDE2 0.13 0.18 假想线 10 中实线 (使用层) USER 7(白) Continuous 0.25 0.35 平面图中、剖视图中,被剖切次要建筑构造或构配件轮廊线 建筑平面图、立面图、剖视图中建筑配件轮廊线、立面分格线、 建筑构造详图和建筑构配件详图中普通轮廊线 11 型材层 XC 3(绿) Continuous 0.25 0.35 钢铝型材、花岗岩石材等 12 中虚线 ZXX 40(桔黄) Continuous 0.25 0.35 建筑构造和建筑构配件中不可见轮廓线、平面图中起重机轮廊线、拟扩建建筑物轮廊线 13 基本 SS 5(蓝) Continuous 0.40 0.50 节点图砼边界,立面图转角线、轮廓线、平面图中主体构造 14 参照 REF 8(灰) Continuous     存储参照线条 4  图纸图框线线宽为0.7mm,标题栏外框线线宽为0.7mm,标题栏分格线线宽为0.13mm。立面图地坪线为0.7mm。 5  点画线、双点划线线段长度和间隔,在一套图纸中宜相等或相近似。 1.4  文字及尺寸标注 1.4.1  文字标注 1  图纸上中文应采用国家正式发布履行简化字,所需书写文字、数字或符号等,均应笔画清晰、字体端正、排列整洁;标点符号清晰对的。 2  图纸及阐明中汉,字宜采用长仿宋体,文字字高应从如下系列中选用:3.5、5、7、10、14、20mm(如采用更大字、其高度按1.414比值递增);宽度是高度0.7倍。 3  文字标注应尽量详细,特别是对材料、工艺、安装质量、定位、阅读索引等方面阐明。 4  所有文字标注文字样式名称均为仿宋体(HS),字体名为仿宋GB2312,字体样式为常规,宽度比例为0.7,高度按有关规定执行,倾斜角度为0。 5  图框中和图纸中文字高度(单位mm)如下表 图幅 图幅A0 图幅A1 图幅A2 图幅A3 图幅A4 图框中文字高度 7 5 5 3.5 3.5 图纸中文字高度 7 5 5 3.5 3.5 6  指引文字标注放置在引出线前面或背面,应排列整洁,分布均匀,其中文字标注引出线由AUTOCAD指令LEADER产生,引出线前面为箭头,引出线重要形式为前段斜后段平,并尽量将三个以上标注放在一起均匀布置,文字宜就近标注。 7  文字标注中中文和数字同步浮现时,应尽量将数字排在上面或前面。 8  节点图中“室外”标注,平面图中标高标注,应将文字放在矩形框内。 1.4.2  尺寸标注 1  尺寸线、尺寸界线采用0.18mm宽细实线绘制。 2  尺寸线应与被注图样轮廓线平行,且离开图样轮廓线7mm以上。 3  尺寸界线起端应离开图样轮廓2mm以上,尺寸界线止端超过尺寸线2mm,建筑类图样尺寸起止符号为一条与尺寸线倾斜45°、0.5mm宽、长1.5mm粗实线;机械类图样尺寸起止符号为0.7×2.5mm实心箭头。 4  尺寸文字字高2.5mm,离开尺寸线1mm,宜平行尺寸线、对中放置。 5  标注圆弧尺寸尺寸起止符号宜采用箭头。 6  同一排尺寸标注尺寸界线起端宜在同一条平行于尺寸线直线上,尺寸线宜在同一条直线上。 7  互相平行尺寸线,应按尺寸由小到大顺序,从被注图样轮廓线由近向远标注。相邻平行尺寸线相距10mm。 8  标注坡面坡度符号采用0.7×3.5mm实心箭头,箭头指向下坡方向 9  持续排列等长尺寸宜用“个数×等长尺寸=总长”形式标注 10 长度尺寸数字以应以毫米为单位,宜注写到小数点后第1位,尾部应截零。角度尺寸数字以应以度为单位,宜注写到小数点后第3位,尾部应截零 11 标高符号应以等腰直角三角形表达,其尖端应批示被注标高位置。标高符号采用0.13mm宽细实线绘制,高3mm。标高文字采用字高3.5mm原则字体,宜注写在直边延长线上、标高符号对侧。当标注位置不够时,可加引出线;标高数字应以米为单位,注写到小数点后第3位,尾部不截零。零点标高应注写为±0.000,零点以上标高不注“+”;在图样同一位置表达几种标高时,标高数字由下到上按标高从小到大顺序排列,间距5mm。 12  钢构造尺寸标注 (1) 两构件两条很近重心线,应在交汇处将其各自向外错开。 (2) 弯曲构件尺寸应沿其弧度曲线标注弧轴线长度。 (3) 切割板材,应标注各线段长度及位置。 (4) 不等边角钢构件,必要标注出角钢一肢尺寸。 (5) 节点尺寸,应注明节点板尺寸和各杆件螺栓孔中心或中心距,以及杆件端部至几何中心线交点距离。 (6) 双型钢组合截面构件,应注明缀板数量及尺寸。引出横线上方标注缀板数量及缀板宽度、厚度、引出横线下方标注缀板长度尺寸。 (7) 非焊接节点板,应注明节点板尺寸和螺栓孔中心与几何中心线交点距离。         13  简化及特殊标注按有关规定执行。 14  尺寸标注计算机设立 标注名称 普通为比例加建筑制图或机械制图名称前一种文字,如1:10尺寸标注其尺寸名称为建10或机10。 项目 需要设定选项 线和剪头 箭头 建筑 第一种:建筑标记 第二个:建筑标记 引线:剪头 剪头大小:2.5 机械 第一种:实心闭合 第二个:实心闭合 引线:剪头 剪头大小:2.5 尺寸线 颜色:随层 线型:随层 超过标记:0 基线节距:7 尺寸界线 颜色:随层 线型:随层 超过尺寸线:1.5 起点偏移量:2 文字 文字外观 样式: 颜色:3 高度:3.5 文字位置 垂直:上方 水平:居中 从尺寸线偏移:2 文字对齐 与尺寸线对齐     调节 调节选项 如果尺寸界线之间没有足够空间同步放置文字和箭头,那么一方面从尺寸界限之间移动 文字始终保持在尺寸界限之间 文字位置 当文字不在默认位置时:尺寸线旁边   标注比例 使用全局比例 比例=1/图纸比例 调节 始终在尺寸界线之间绘制尺寸线   主单位 线性标注 单位格式:小数 精度:0.000 消零:后续 分隔符:· 角度标注 单位格式:十进制 精度:0.0000 消零:后续   1.5  填充图例 1.5.1  对断面填充和立面或平面进行材料区别填充时,应按下表进行填充,并保证其完整和图例统一。 1.5.2  图例线应间隔均匀,疏密适度,图例对的,表达清晰。 1.5.3  不同品种同类材料使用同一图例时,应在图上附加必要阐明。 1.5.4  两个同种图例相接时,图例线宜错开或使倾斜方向相反。 1.5.5  由于过小可以采用涂黑,两个相邻涂黑图例间,应留有宽度不得不大于0.7mm间隙。 1.5.6  需画出图例面积过大时,可在断面轮廓线内,沿轮廓线作局部表达。 1.6  符号 1.6.1  剖切符号 1  建筑类图样中剖视图剖切符号用0.7mm宽加粗实线绘制,其中剖切位置线长8mm,投影方向线长5mm。 2  机械类图样中剖视图剖切符号用0.7mm宽加粗实线和0.25mm宽箭头线绘制,其中剖切位置线长8mm,投影方向线长5mm,带0.7×2.5mm箭头。 3  剖切符号编号宜采用阿拉伯数字,按顺序由左至右、由下至上持续编排,注写在投影方向线线端,仿宋字高5mm,宽为高0.7倍。 4  断面图剖切符号只绘制剖切位置线,0.7mm宽、长8mm加粗实线绘制,剖切符号编号宜采用阿拉伯数字,按顺序由左至右、由下至上持续编排,注写在投影方向线一侧,仿宋字高5mm,宽为高0.7倍。 5  剖面图或断面图,如与被剖切图样不在同一张图内,则应加注索引符号,或者在图纸中集中阐明。 1.6.2  索引符号和详图符号 1  索引符号由直径12mm圆和水平直径线构成,用0.13细实线绘制。 2  索引符号上半圆中注明索引出详图(节点图)编号,下半圆中注明索引出详图(节点)所在图纸编号,两者采用字高2.5mm原则正文字体。当索引出详图在索引符号所在图纸上时,下半圆中用一段短细实线注明。 3  索引出详图,如采用原则图册,或不在本次装订图册中时,应在索引符号水平直径延长线上加注相应图册编号,采用字高3.5mm原则正文字体。 4  索引符号如用于索引出剖视详图,应在被剖切位置绘制剖切位置线(用0.7mm宽加粗实线,长7mm),并用0.13mm宽细实线绘制索引引出线。索引引出线应绘制在剖切投影方向一侧,其一端长出剖切位置线1mm,另一端至于索引符号圆周(其延长线过圆心)。 5  零、部件/组件、建筑构配件等编号,以始终径6mm圆表达(用0.13mm宽细实线绘制),其编号采用字高2.5mm原则正文字体。 6  详图符号由直径14mm圆(用0.7mm宽加粗实线)和水平直径线(用0.13mm宽细实线)构成。 7  详图符号上半圆中注明详图编号,采用字高2.5mm原则正文字体;在同一张图纸上下半圆中不用注明文字,不在一张图纸上在下半圆中注明被索引图纸编号。详图符号水平直径延长线上可加注相应文字阐明,采用字高2.5mm原则正文字体。 8  分格(大样)图与节点(详)图之间索引办法  在分格(大样)图中,分母以阿拉伯数字表达节点(详)图编号,分子以阿拉伯数字表达此节点在节点图中序号。 在节点(详)图中,节点索引以阿拉伯数字表达详图编号。 1.6.3  引出线 1  引出线由连接在一起文字线和指引线构成,用0.13mm宽细实线绘制。文字线宜采用水平直线,文字阐明宜统一标注在文字线上方,或统一标注在文字线端部,文字阐明采用字高3.5mm原则正文字体。指引线另一端宜统一绘制始终径0.25mm实心圆点。在机械制图中指引线另一端宜统一绘制0.7×2.5mm箭头。 2  同步引出几种相似某些引出线指引线,可平行或放射状绘制。 3  多层构造或多件组合套件,可共用一指引线,文字线和文字阐明可由上至下按多层构造层次或套件组装顺序排列。文字线和文字阐明之间间距宜保持固定距离,为10或15mm。 1.6.4  其她符号 1  对称符号由对称线和两对平行线构成。对称线用0.13mm宽细点画线绘制;每对平行线用0.13mm宽细实线绘制,长10mm,间距2.5mm。对称线垂直平分与两对平行线,两端超过两对平行线2.5mm。 2  连接符号应以折断线或点划线标志需要连接部位。图样中连接部位相距过远时,需要连接两图样连接符号两端靠图样一侧,应用相似大写字母表达连接编号。 1.6.5  门窗表达办法 1  门表达办法(见图例) (1)  门名称代号用M。 (2)  图例中剖面图左为外,右为内,平面图下为外,上为内。 (3)  立面图上启动方向线交角一侧为安装合页一侧,实线为外开,虚线为内开。 (4)  平面图上门线应90°或45°启动,启动弧线宜绘出。 (5)  立面图应按实际绘制。 (6)  在门窗大样图中按按外视图绘制。   2  窗表达办法(见图例) (1)  窗名称代号用C。 (2)  图例中剖面图所示左为外,右为内,平面图所示下为外,上为内。 (3)  立面图中斜线表达窗启动方向,实线为外开,虚线为内开,启动方向线交角一侧为安装合页一侧。 (4)  小比例绘图时平、剖面窗线可用单粗实线表达。 (5)  立面图应按实际绘制。 (6)  在门窗大样图中按按外视图绘制。    1.6.6  钢构造     1  惯用型钢表达办法 2  螺栓、孔、电焊铆钉表达办法 3  惯用焊接符号表达办法,应按照现行国标《焊缝符号表达法》GB324-88中规定外,以及《建筑构造制图原则》GB/T50105-执行: (1)单面焊缝标注办法:当箭头指向焊缝所在一面时,应将图形符号和尺寸标注在横线上方;当箭头指向焊缝所在另一面(相相应那面)时,应将图形符号和尺寸标注在横线下方;表达环绕工件周边焊缝时,其围焊焊缝符号为圆圈,绘在引出线转折处,并标注焊角尺寸K。 (2)双面焊缝标注:应在横线上、下都标注符号和尺寸。上方表达箭头一面和符号和尺寸,下方表达另一面符号和尺寸;当两面焊缝尺寸相似时,只需在横线上方标注焊缝符号和尺寸。 (3)3个或3个以上焊件互相焊接焊缝,不得作为双面焊缝标注。其焊缝符号和尺寸应分别标注。 (4)互相焊接2个焊件中,当只有1个焊件带坡口时,引出线箭头必要指向带坡口焊件。 (5)互相焊接2个焊件,当为单面带双边一对称坡口焊缝时,引出线箭头必要指向较大坡口焊件。 (6)当焊缝分布不规则时,在标注焊缝符号同步,宜在焊缝处加中实线(表达可见焊缝),可加细栅线(表达不可见焊缝)。 (7)相似焊缝符号应按下列办法表达: (8)需要在施工现场进行焊接焊件焊缝,应标注“现场焊缝”符号。现场焊缝符号为涂黑三角形旗号,绘在引出线转折处。 (9)图样中较长角焊缝,可不用引出线标注,而直接在角焊缝旁标注焊缝尺寸值K。 (10)熔透角焊缝符号为涂黑圆圈,绘在引出线转折处。 (11)局部焊缝应按图示方式标注。 1.6.7 表面粗糙度 1 表面粗糙度Ra值   加工表面上具备较小间距峰谷所构成微观几何形状特性称为表面粗糙度。当前在生产中评估零件表面质量重要参数是轮廓算术平均偏差。它是在取样长度l内,轮廓偏距y绝对值算术平均值,用Ra表达,其Ra(单位:μm)数值按下表选取 第一系列 0.012 0.025 0.050 0.10 0.20 0.40 0.80 1.6 3.2 6.3 12.5 25 50 100 第二系列 0.008 0.010 0.016 0.020 0.032 0.040 0.063 0.08 0.125 0.16 0.25 0.32 0.50 0.63 1.00 1.25 2.00 2.50 4.00 5.00 8.00 10.00 16.00 20.00 32.00 40.00 63.00 80.00 2  表面粗糙度符号 表面粗糙度符号及其意义见下表。 符 号 意       义 符号尺寸 基本符号,单独使用这符号是没故意义 基本符号上加一短划,表达是用去除材料办法获得表面粗糙度。 例如:车、铣、钻、磨、剪切、抛光腐蚀、电火花加工等。 基本符号上加一小圆,表达表面粗糙度是用不去除材料办法获得。 例如:锻、铸、冲压、变形、热轧、冷轧、粉末冶金等或是用于保持原供应状态表面。 表面粗糙度参数值Ra标注见下表。 序 号 代 号 意 义 1 表达用任何办法获得表面,Ra最大容许值为3.2μm 2 表达用去除材料办法获得表面,Ra 最大容许值为3.2μm 3 表达用不去除材料办法获得表面, Ra最大容许值为3.2μm 3  表面粗糙度代[符]号在图样上标注办法 (1)  表面粗糙度代[符]号应注在可见轮廓线、尺寸线、尺寸界线或其延长线上(如 图1),符号尖端必要从材料外指向表面。 (2) 表面粗糙度符号及数字注写方向按图2标注。 (3) 在同一图样上,每一表面普通只标注一次代[符]号,并尽量接近关于尺 寸线(如图1)。 (4) 本地方狭小或不便标注时(在铅垂方向逆时针30°范畴内),代[符]号可以 引出标注(图2)。 (5) 当零件所有表面具备相似表面粗糙度时,其代[符]号可在图样右上角统 一标注。(图3) (6) 当零件大某些表面具备相似表面粗糙度规定期,对其中使用最多一种 代[符]号可以统一标注在图样右上角,并加注"别的"两字(图4)。凡在图样右上角统一标注表面粗糙度代[符]号和文字阐明均应比图形上所注代[符]号和文字大1.4倍。 (7) 零件上用细实线连接不持续同一表面(图4),其表面粗糙度[符]号只标 注一次。 (8) 同一表面上有不同表面粗糙度规定期,须用细实线画出其分界线,并注出相应表面粗糙度代号和尺寸(图5)。 图1                              图2                         图3 图4                           图5                      4  表面粗糙度选用举例 Ra/μm ≤ 表面 状况 加工办法 应 用 举 例 100 明显可见刀痕 粗车、镗、刨、钻 粗加工表面, 25、50 粗加工后表面,焊接前焊缝、粗钻孔壁等 12.5 可见刀痕 粗车、刨、铣、钻 普通非结合表面等 6.3 可见加工痕迹 车、镗、刨、钻、铣、锉、磨、粗铰、铣齿 不重要零件非配合表面, 3.2 微见加工痕迹 车、镗、刨、铣、刮1~2点/cm2、拉、磨、锉、滚压、铣齿 和其她零件联接不形成配合表面, 1.6 看不清加工痕迹 车、镗、刨、铣、铰、拉、磨、滚压、刮1~2点/cm2、铣齿   0.8 可辨加工痕迹方向 车、镗、拉、磨、立铣、刮3~10点/cm2、滚压 规定保证定心及配合特性表面, 0.4 微辨加工痕迹方向 铰、磨、镗、拉、刮3~10点/cm2、滚压 规定长期保持配合性质稳定配合表面, 0.2 不可辨加工痕迹方向 布轮磨、磨、研磨、超级加工 工作时受变应力作用重要零件表面。 0.1 暗光泽面 超级加工 工作时承受较大变应力作用重要零件表面。 是风细语、是雨柔顺、斑驳了一道道古老忧伤,刻在了灯火阑珊处? 是桥沧桑、是石痕迹、流年了一首首陈旧诗韵,铭在了秋月三更天? 海棠红袖添香,墨迹染血苍凉。安静中,晨曦相伴花香,展一笺前世千秋歌遥; 清雨深巷幽笛,挥洒寒月银装。情浓处,夕阳西落桃源,留一篇今生婉艳霓裳。 挽轻风拂墨,泼洒一秋雨红,拨开海棠花事,聆听花瓣细语呢喃,深情里,香醉十里桃花,溪留百亩婉蓝。 摇曳风铃,恍惚倩影。沉月入水禅心未改,凝霜了一夜烟波伤梦。灵润如玉杏花黄似菊染丝雨,阵阵飘莹、落琴弦瑟。 拂墨轻风,笔尖莹绕了一圈年轮,轻轻描出了圆圆印迹,淡色中,雅致轻雨,穿巷飘过,留下了一串串流香诗花。模糊撇捺、不清横竖,送走着残血时光。 摘一支轻雨,铺一笺墨迹,在灯火阑珊处窥探一叶棂窗,熟悉倩影淡淡一笑,倾城了岁月柔情,暖雨中蜜意了情侣梦香。 一杯轻风,半壶墨迹。捧着安静角落,独饮墨香,留韵素白。轻风拂过,开满了一园禅意,一片樱花。 轻风缓缓,墨香袭袭。长长倩影里,柔软了风韵味律,洒脱静悟中遥远变成了传说,把爱定格在一瞬间。 这第一段似乎是着重描摹春美丽,可起首有“多事东风”一句,暗示着有人恼春,于是有个人物忽悠地闪了一下,桃红“醉依在封姨臂弯里”,一下子就不见了。但“多事”里隐蕴着愠意,因封姨出既有了着落。春天写足了,那位对春天怀着恨意人物便在作者笔下十分不情愿地亮相了。“只有一种孤单影子,她,倚在栏杆上,”这就是封姨了,她“才从青春之梦醒过来”,茫然不解这眼前发生一切。作者笔下她本来是一种芳华已失女人!眼前春天只是她过去影子。
展开阅读全文

开通  VIP会员、SVIP会员  优惠大
下载10份以上建议开通VIP会员
下载20份以上建议开通SVIP会员


开通VIP      成为共赢上传

当前位置:首页 > 品牌综合 > 行业标准/行业规范

移动网页_全站_页脚广告1

关于我们      便捷服务       自信AI       AI导航        抽奖活动

©2010-2026 宁波自信网络信息技术有限公司  版权所有

客服电话:0574-28810668  投诉电话:18658249818

gongan.png浙公网安备33021202000488号   

icp.png浙ICP备2021020529号-1  |  浙B2-20240490  

关注我们 :微信公众号    抖音    微博    LOFTER 

客服