收藏 分销(赏)

火灾显示盘使用说明指导书.doc

上传人:a199****6536 文档编号:2517297 上传时间:2024-05-31 格式:DOC 页数:12 大小:2.50MB 下载积分:8 金币
下载 相关 举报
火灾显示盘使用说明指导书.doc_第1页
第1页 / 共12页
火灾显示盘使用说明指导书.doc_第2页
第2页 / 共12页


点击查看更多>>
资源描述
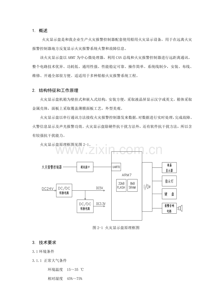
1. 概述 火灾显示盘是和我企业生产火灾报警控制器配套使用船用火灾显示设备,用于在远离火灾报警控制器地方反复显示火灾报警系统火警和故障信息。 该火灾显示盘以ARM7为中心微处理器,利用CAN总线和火灾报警控制器进行远距离通讯。整个电路技术优异、功耗低、通用性强、性能稳定可靠、操作简单。系统线制少,安装、布线、维修、开通全部很方便。适适用于多种船舶火灾报警系统工程。 2. 结构特征和工作原理 火灾显示盘机箱为壁挂式和嵌入式结构,安装方便,采取液晶屏显示汉字或英文,箱体采取金属壳体,面板上采取覆盖薄膜面板工艺,外型美观。 火灾显示盘以串行通讯方法接收火灾报警控制器发来数据,对数据进行实时处理,完成故障、火警信息显示及声光报警功效。火灾显示盘除硬件抗干扰方法外,还有软件抗干扰方法,所以含有较强抗干扰能力。 火灾显示盘原理框图见图2-1。 图2-1 火灾显示盘原理框图 3. 技术要求 3.1环境条件 3.1.1 正常大气条件 环境温度 15~35 ℃ 相对湿度 45%~75% 气 压 86~106kPa 3.1.2 额定环境条件 环境温度 0~40℃ 相对湿度 90%~95%(40±2℃) 电 源 DC24±3V 3.2. 功耗(平均值) 监控电流 <50毫安 报警电流 <150毫安 3.3. 防护等级 IP20(嵌入式) IP44(壁挂式) 3.4.基础功效 火灾显示盘是反复显示火灾报警信息单元,和火灾报警控制器配套使用。火灾报警控制器经过编程能够划分防火分区,火灾显示盘连接到火灾报警控制器通讯总线和电源输出线上,显示对应防火分区故障和火警信息。 4 材质、尺寸及重量 4.1 材质 火灾显示盘采取金属机壳,表面经喷涂处理。 4.2 外形尺寸 火灾显示盘采取壁挂式结构和嵌入式结构。用户依据现场情况选择不一样结构形式。 4.2.1 壁挂式结构 壁挂式结构产品,外形尺寸 297(长)× 175(宽)× 89(厚),单位:mm。外形详见图4-1. 图4-1壁挂式火灾显示盘外形图 4.2.2 嵌入式结构 嵌入式结构产品,外形尺寸 232(长)× 175(宽)× 70(厚),单位:mm。外形详见图4-2. 图4-2嵌入式火灾显示盘外形图 4.3 安装尺寸 4.3.1 壁挂式结构 火灾显示盘壁挂式结构主机固定在垂直壁上,固定采取Φ8螺栓,具体安装尺寸见图4-3. 火灾显示盘安装高度,请参摄影关标准和工程设计图纸。 图4-3 火灾显示盘壁挂式主机安装尺寸图(单位:mm) 4.3.2 嵌入式结构 嵌入式火灾显示盘固定在操控台上,具体安装尺寸见图4-4. 图4-4 火灾显示盘嵌入式主机安装尺寸图(单位:mm) 4.4 重量 火灾显示盘壁挂式产品重2.8Kg。 火灾显示盘嵌入式产品重1.5Kg。 5 安装和调试 5.1 安装环境 火灾显示盘应安装在没有安装火灾报警控制器,但需要知道火灾报警场所,环境条件应满足火灾显示盘正常运行环境参数。提供给火灾显示盘直流电源应满足本火灾显示盘电源参数要求。 5.2 线材选型 提供火灾显示盘电源线应采取大于2mm2线径船用电缆,通讯信号线应采取大于1.5mm2线径船用电缆。 5.3 接线 系统走线应根据工程图纸要求,并符合相关标准和规范。 火灾显示盘接线端子包含:电源输入端子、通讯端子。 注意:在火灾显示盘接线前,应熟悉本说明书内容和注意事项。接线时,必需切断火灾报警系统电源,不得带电接线!严禁将AC220V强电线接入火灾显示盘端子,错误接线造成设备损坏本企业不予负责! 火灾显示盘端子见图5-1 。 图5-1 火灾显示盘端子示意图 电源输入端子在线路板左下方,接线时注意正负极,而且不得将AC220V强电线接入。 火灾显示盘通讯接口是CAN驱动总线。火灾报警控制器连接火灾显示盘连接示意图见图5-2。 图5-2 火灾报警控制器连接火灾显示盘示意图 火灾报警控制器和火灾显示盘经过电源总线和通讯总线连接,电源总线连接时注意正负极性,不能接错。通讯总线分为“H”和“L”线,连接时“H”接“H”线,“L”接“L”线,“GND”线能够不接。 接线步骤以下: a) 首先检验机器外观有没有损伤,螺丝是否松脱,一切完好方可进行电源线及通讯线连接; b) 将电源线24V正接入火灾显示盘电源输入端子+,24V负接入电源输入端子-; c) 将通讯线H线接入火灾显示盘通讯端子H, L线接入火灾显示盘通讯端子L; d) 本机使用开环通讯,不许可接成闭环形式,且控制器通讯方法要和本机相对应,通讯速率为4800; e) 火灾报警控制器连接全部火灾显示盘,要求以一进一出串联方法并接在通讯总线上,不然,将造成系统不稳定。 警告:接线时请关闭24V电源和火灾报警控制器!切勿将电源线和通讯线相互接反,不然将损毁机器! 6 操作 6.1 指示灯、按键及面板部署 6.1.1指示灯 ·火警灯:有火警时亮。 ·故障灯:有故障时亮。当故障恢复后熄灭。 ·运行灯:0.5秒闪烁1次,表示程序在正常运行。 ·消音灯:按下消音键后,消音灯亮。当有新报警时,消音灯熄灭。 6.1.2 按键 ·消音键:消除目前报警声,但当有新警报时会再次发出报警音响。 ·自检键:对本机音响及指示灯进行自检。 ·上查△下查键▽:对历史报警事件上下翻查。 6.1.3火灾显示盘面板部署图6-1所表示: 图6-1 火灾显示盘面板示意图 6.2 通电检验 6.2.1 确定电源线及通讯线连接正确、牢靠; 6.2.2 接通电源,火灾显示盘蜂鸣器发出短鸣叫,全部指示灯闪亮1次后熄灭,运行灯、闪烁。显示开机画面,十几秒后进入系统正常界面,见图6-2。 图6-2 正常界面示意图 注:如不进行任何操作或无新报警信息显示,背光将在30秒后关闭,进入节省状态。当有新操作或信息时,背光自动点亮。 6.2.3 按下自检键进入自检状态。面板上全部指示灯亮而且液晶屏反白闪亮,首先发出音响,自检结束。运行灯闪烁。退出自检后,可显示原有故障信息及新收信息,但如自检时收到火警信息将优先报出火警,不再显示故障信息。 注:当已经有火灾报警信息时,自检功效无效。 6.3设置和编程 6.3.1 设置机号 火灾显示盘必需设置机号。设置机号经过线路板上拨码开关完成,见图6-3 。 图6-3 拨码开关示意图 拨码开关: 7、8------ 置OFF 654321-----由低到高 有效状态: NO无效反之OFF有效 拨码采取: 8421码 火灾显示盘地址设置后重新接通电源或复位后有效,机号显示在显示器左上角。 6.3.2 时钟调整 操作者在火灾报警控制器设置连接火灾显示盘后,主机开机、复位主机全部传送时间给火灾显示盘而且在天天零点分自动校时无需人工校时调整。 6.3.3 语言切换: 火灾显示盘依据火灾报警控制器目前显示语言来切换语言,无需用户切换。火灾显示盘可在汉字和英文之间切换显示。 6.3.4 信息显示: 火灾显示盘依据火灾报警控制器选择显示信息 如:火灾显示盘号码-回路-火警(故障)-显示信息范围1、显示信息范围2、显示信息范围3。 火灾显示盘识别并显示本机对应信息。 6.3.5 指示灯、液晶背光调整: 火灾显示盘面板设置“太阳”、“月亮”键,按动“太阳”键亮度加大,按动 “月亮”键亮度减小。 6.4 事件报警和查询 6.4.1 火灾报警 本火灾显示盘显示区域内有火警事件发生时,火灾显示盘发出音响,可消音,消音灯亮。同时,火警指示灯亮。除非复位或关机,报出火警不会自动消失。液晶显示示意图见图6-4 。 图6-4 火警事件显示界面示意图 6.4.2 故障报警 本火灾显示盘显示区域内有故障事件发生时,火灾显示盘发出音响,可消音,消音灯亮。同时,故障指示灯亮,液晶显示示意图见图6-5 。 图6-5 故障事件显示界面示意图 注:火灾报警优于故障报警,当有火警时,全部故障将不显示并被覆盖。 6.4.3 报警事件查询 当有多个报警事件时,火灾显示盘将循环显示发生事件,间隔时间约为6秒钟显示1条。也可使用面板上上查及下查键进行查询。每按一下查询一条事件。 6.5 复位 火灾显示盘可经过火灾报警控制器进行复位。也可经过火灾显示盘线路板上复位按钮S1复位。 6.6 终端电阻连接 当总线连接多台火灾显示盘时,要求在通讯总线末端加120欧姆终端电阻。即最末端火灾显示盘线路板上JP2跳线器短接;其它各火灾显示盘JP2跳线器为断开状态。 6.7 其它事项 a) 壁挂式火灾显示盘安装时,提议用户依据该机安装孔位置和进线孔槽位置预先留位,以方便接线。 b) 火灾显示盘不仅能使用主机电源,而且也能够使用稳压电源供电。稳压电源应满足火灾显示盘电压及电流要求,纹波小于5%。 c) 重新设置机号及系统配置,一定要关机或复位后,新设置才能生效。 d) 使用时,每三个月检验一次该机液晶显示、故障火警灯及音响,清除灰尘,保养机器。 7 简单故障排除 火灾显示盘有些故障是因为设定、操作不妥或安装不良造成,在联络专业维修人员前,请先对机器按下表做简单检验。 检验项目 故障现象 无背光 不自检 不显示事件 不通讯 通讯 异常 不工作 电源是否接好 ● 电源电压是否正常 ● 通讯线是否接好 ● ● 控制器是否设定正确 ● 显示盘设置是否正确 ● ● ● 显示盘显示设置是否正确 ● 是否在火灾报警状态 ● 是否长时间无操作 ● 8 运输、存放、开箱及开箱检验 a) 运输时应注意轻拿轻放,注意防雨防潮。 b) 在环境温度0—45℃,相对湿度85%,无腐蚀气体,通风良好条件下,储存期为六个月。在此期间开箱后,应能正常使用。 c) 开箱时首先检验包装箱是否破损、受潮,开箱后检验机器及附件是否齐全,机器外观是否有划伤、碰伤。打开机箱检验内部是否有螺钉、元器件脱落。 9 成套设备及附件 a) 火灾显示盘 1台 b) 火灾显示盘使用说明书 1份 c) 合格证 1份 10 服务指南 按说明书要求正确安装、操作、使用情况下出现质量问题,我企业无偿维修十八个月; 工程开通调试要求由企业技术服务部或指定维修点技术人员完成; 保修期外或用户使用不妥出现质量问题,我企业提供有偿服务; 用户需要服务,请采取传真、电话、信函和我企业联络。 企业地址:中国.浙江杭州萧山经济开发区桥南区鸿发路318号 电  话: 0571—82695161 传  真: 0571—82696613
展开阅读全文

开通  VIP会员、SVIP会员  优惠大
下载10份以上建议开通VIP会员
下载20份以上建议开通SVIP会员


开通VIP      成为共赢上传

当前位置:首页 > 应用文书 > 技术指导

移动网页_全站_页脚广告1

关于我们      便捷服务       自信AI       AI导航        抽奖活动

©2010-2026 宁波自信网络信息技术有限公司  版权所有

客服电话:0574-28810668  投诉电话:18658249818

gongan.png浙公网安备33021202000488号   

icp.png浙ICP备2021020529号-1  |  浙B2-20240490  

关注我们 :微信公众号    抖音    微博    LOFTER 

客服