收藏 分销(赏)

城市规划图例符号.doc

上传人:快乐****生活 文档编号:2042948 上传时间:2024-05-14 格式:DOC 页数:9 大小:312.04KB 下载积分:6 金币
下载 相关 举报
城市规划图例符号.doc_第1页
第1页 / 共9页
城市规划图例符号.doc_第2页
第2页 / 共9页


点击查看更多>>
资源描述
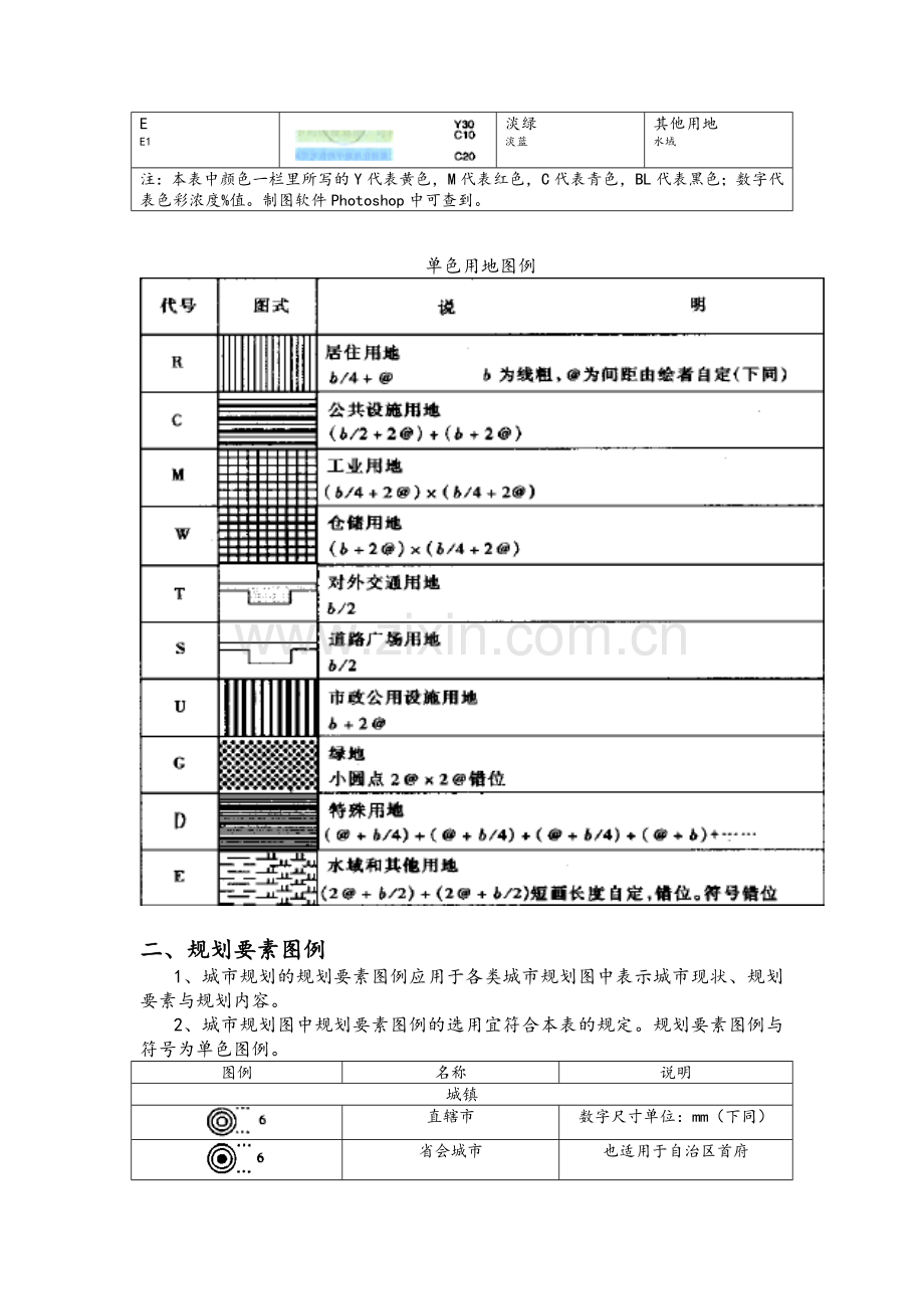
第十章 城市规划图例符号 一、用地图例 1、用地图例应能表示地块的使用性质。 2、用地图例应分彩色图例、单色图例两种。黑、白图,复印图例应用于彩色图;单色图例应用于双色图,黑、白图,复印或晒蓝的底图或彩色图的底纹、要素图例与符号等。 3、城市规划图中用地图例的选用和复制应符合本表的规定,彩色用地图例按用地类别分为十类,对应于现行国家标准《城市用地分类与规划建设用地标准》GBJ137中的大类。中类、小类彩色用地图例在大类主色调内选色,在大类主色调内选择有困难时应按本标准第5条的规定执行。 4、城市规划图中,单色用地图例的选用和绘制应符号表4的规定。单色用地图例按用地类别分为十类,对应现行国家标准《城市用地分类与规划建设用地标准》GBJ137中的十大类。中类、小类用地图例应按本标准第5条规定执行。 5、总体规划图中需要表示到中类、小类用地时,可在相应的大类图式中加绘圆圈,并在圆圈内加注用地类别代号。 中类、小类用地的表示 代号 颜色 颜色名称 说明 R 中铭黄 居住用地 C 大红 公共设施用地 M 热褐 工业用地 W 紫 仓储用地 T 中灰 对外交通用地 S 白 道路广场用地 U 赭石 市政设施用地 G 中草绿 绿地 D 草绿 特殊用地 E E1 淡绿 淡蓝 其他用地 水域 注:本表中颜色一栏里所写的Y代表黄色,M代表红色,C代表青色,BL代表黑色;数字代表色彩浓度%值。制图软件Photoshop中可查到。 单色用地图例 二、规划要素图例 1、城市规划的规划要素图例应用于各类城市规划图中表示城市现状、规划要素与规划内容。 2、城市规划图中规划要素图例的选用宜符合本表的规定。规划要素图例与符号为单色图例。 图例 名称 说明 城镇 直辖市 数字尺寸单位:mm(下同) 省会城市 也适用于自治区首府 地区行署驻地城市 也适用于盟、州、自治州首府 副省级城市、地级城市 县级市 县级设市城市 县城 县(旗)人民政府所在地镇 镇 镇人民政府驻地 行政区界 国界 界桩、界碑、界碑编号数字单位mm(下同) 省界 也适用于直辖市、自治区界 地区界 也适用于地级市、盟、州界 县界 也适用于县级市、旗、自治县界 镇界 也适用于乡界、工矿区界 通用界线(1) 适用于城市规划区界、规划用地界、地块界、开发区界、文物古迹用地界、历史地段界、城市中心区范围等等 通用界线(2) 适用于风景名胜区、风景旅游地等地名要写全称 交通设施 机场 适用于民用机场 适用于军用机场 码头 500吨位以上码头 铁路 站场部分加宽 公路 G——国道(省、县道写省、县)104——公路编号 (二)——公路等级(高速一、二、三、四) 公路客运站 公路用地 地形、地质 坡度标准 滑坡区 虚线内为滑坡范围 崩塌区 溶洞区 泥石流区 小点之内示意泥石流边界 地下采空区 小点围合以内示意地下采空区范围 地面沉降区 小点围合以内示意地面沉降范围 活动性地下断裂带 符号交错部位是活动性地下断裂带 地震烈度 X用阿拉伯数字表示地震裂度等级 灾害异常区 小点围合之内为灾害异常区范围 地质综合评价类别 Ⅰ——适宜修建地区 Ⅱ——采取工程措施方能修建地区 Ⅲ——不宜修建地区 城镇体系 城镇规模等级 单位:万人 城镇职能等级 分为:工、贸、交、综等 郊区规划 村镇居民点 居民点用地范围应标明地名 村镇居民规划集居点 居民点用地范围应标明地名 水源地 应标明水源地地名 危险品库区 应标明水源地地名 火葬场 应标明火葬场所在地名 公墓 应标明公墓所在地名 垃圾处理消纳地 应标明消纳地所在地名 农业生产用地 不分种植物种类 禁止建设的绿色空间 基本农田保护区 经与土地利用总体规划协调后的范围 城市交通 快速路 城市轨道交通线路 包括:地面的轻轨、有轨电车…… 地下的地下铁道…… 主干路 次干路 支路 广场 应标明广场名称 停车场 应标明停车场名称 加油站 公交车场 应标明公交车场名称 换乘枢纽 应标明换乘枢纽名称 给水、排水、消防 水源井 应标明水源井名称 水厂 应标明水厂名称、制水能力 给水泵站(加压站) 应标明泵站名称 高位水池 应标明高位水池名称、容量 贮水池 应标明贮水池名称、容量 给水管道(消火栓) 小城市标明100mm以上管道、管径大中城市根据实际可以放宽 消防站 应标明消防站名称 雨水管道 小城市标明250mm以上管道、管径大中城市根据实际可以放宽 污水管道 小城市标明250mm以上管道、管径大中城市根据实际可以放宽 雨、污水排放口 雨、污泵站 应标明泵站名称 污水处理厂 应标明污水处理厂名称 电力、电信 电源厂 kw之前写上电源厂的规模容量值 变电站 kw之前写上变电总容量 kv之前写上前后电压值 输、配电线路 kv之前写上输、配电线路电压值 方框内:地——地理,空——架空 高压走廊 P宽度按高压走廊宽度填写 kw之前写上线路电压值 电信线路 电信局 支局 所 应标明局、支局、所的名称 收、发讯区 微波通道 邮政局、所 应标明局、所的名称 邮件处理中心 燃气 气源厂 应标明气源厂名称 输气管道 DN——输气管道管径 压——压字之前填高压、中压、低压 储气站 应标明储气站名称,容量 调压站 应标明调压站名称 门站 应标明门站地名 气化站 应标明气化站名称 绿化 苗圃 应标明苗圃名称 花圃 应标明花圃名称 专业植物园 应标明防护林带名称 防护林带 应标明防护林带名称 环卫、环保 垃圾转运站 应标明垃圾转运站名称 环卫码头 应标明环卫码头名称 垃圾无害化处理厂(场) 应标明处理厂(场)名称 贮粪池 应标明贮粪池名称 车辆清洗站 应标明清洗站名称 环卫机构用地 环卫车场 环卫人员休息场 水上环卫站(场、所) 公共厕所 气体污染源 液体污染源 固体污染源 污染扩散范围 烟尘控制范围 规划环境标准分区 防洪 水库 应标明水库全称m³ 防洪堤 应标明防洪标准 闸门 应标明闸门口宽、闸名 排涝泵站 应标明泵站名称、朝向排出口 泄洪道 滞洪区 人防 单独人防 工程区域 指单独设置的人防工程 附建人防 工程区域 虚线部分指附建于其他建筑物、构筑物底下的人防工程 指挥所 应标明指挥所名称 升降警报器 应标明警报器代号 防护分区 应标明分区名称 人防出入口 应标明出入口名称 疏散道 历史文化保护 国家级文物保护单位 标明公布的文物保护单位名称 省级文物保护单位 标明公布的文物保护单位名称 市县级文物保护单位 标明公布的文物保护单位名称,市、县保是同一级别,一般只写市保或县保 文物保护范围 指文物本身的范围 文物建设控制地带 文字标在建设控制地带内 建设高度控制区域 控制高度以米为单位,虚线为控制区的边界线 古城墙 与古城墙同长 古建筑 应标明古建筑名称 古遗址范围 应标明遗址名称
展开阅读全文

开通  VIP会员、SVIP会员  优惠大
下载10份以上建议开通VIP会员
下载20份以上建议开通SVIP会员


开通VIP      成为共赢上传

当前位置:首页 > 包罗万象 > 大杂烩

移动网页_全站_页脚广告1

关于我们      便捷服务       自信AI       AI导航        抽奖活动

©2010-2025 宁波自信网络信息技术有限公司  版权所有

客服电话:0574-28810668  投诉电话:18658249818

gongan.png浙公网安备33021202000488号   

icp.png浙ICP备2021020529号-1  |  浙B2-20240490  

关注我们 :微信公众号    抖音    微博    LOFTER 

客服