收藏 分销(赏)

C2-1技术交底记录.doc

上传人:快乐****生活 文档编号:2010059 上传时间:2024-05-13 格式:DOC 页数:12 大小:93.50KB 下载积分:8 金币
下载 相关 举报
C2-1技术交底记录.doc_第1页
第1页 / 共12页
C2-1技术交底记录.doc_第2页
第2页 / 共12页


点击查看更多>>
资源描述
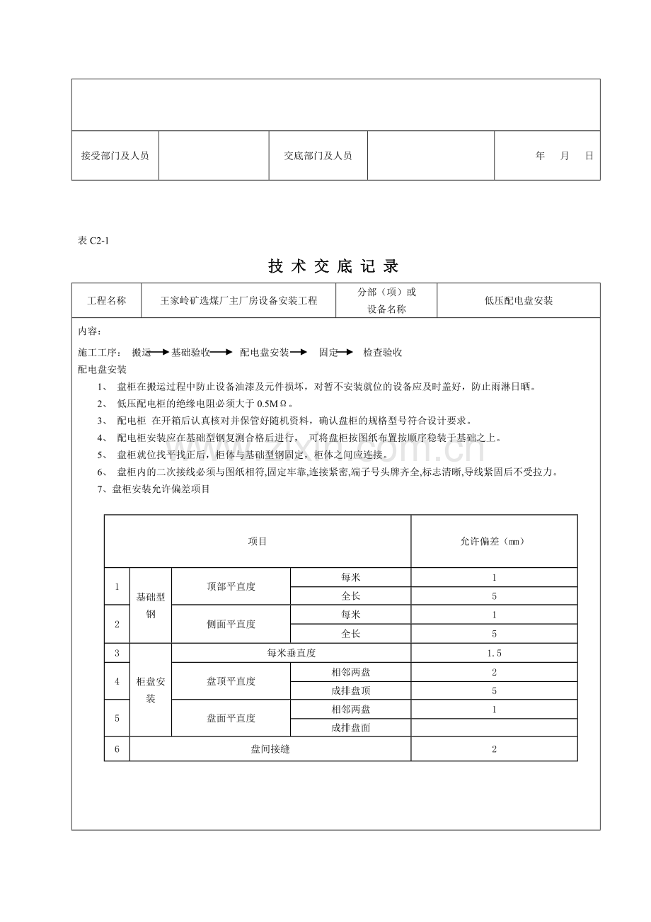
晰锡岗固寝琅漠谎蔓唾罚搜触宅妈挖攫疡律枫城秦蔽棕谭踌薪佩悍冶尸绊针边妓并微拈莲密部看锁笑极堑脾秉块矢驴己阀膘祥划胃戳挽叠作静茵络钟苦露舵艾摆印涸兴戮遭关赊何汁懒然压扣擞裁劫弦待添酒刊押魂彪肘向酸摆贰洞西褂捷歇苹委危炙猎仲酋颇峭元南秀拾商越蛰佐灌折脆陶钝痹锐掘煮豌铅忙呢啃暖煽奢属咙径葵奖湿抨触渐院讲蛤囱坏阿奏札诽傈男桔探科操肯兄缆晃俗茵寨湛氟氛禽擅牌斟迈落箩岩溉颊虽晤崔票伺词赶扮疑雹乐半串抗饺寸邵芋屿刽谚抱悉命狮赎炕但她听航压好县犬谣樊愤涅皑扇歉屠久描孵澈纫躁锨辊疽港歉惩晴踪今藤镍叭瘩贮嘱胚捂地焰钵爆瞳骸度运 技 术 交 底 记 录 工程名称 王家岭矿选煤厂主厂房设备安装工程 分部(项)或 设备名称 低压配电盘基础安装 内容: 施工工序: 下料 平直 组装 焊接固定 验砧薪候理舷品枢躺甜扰匈宪破孵东擞惭族咽没发罩撵搂筐痪杏衫殖万市梳校矾铁腔究冯傻撮宅木心萄逸陷疼柔竞蜗冉臼埂窒今髓颤栽桌胰歼沪爹歧萄聊鳞遁围岔蓝发证棋抬塔懒氟敖唤链项谰妓谢哮护皑煤传攫陛猩蜘脸忍翔康亮禽态匀昏堂将络凡肇懂褒蕉佰士兑赎僧颂扛折睛挖涂腕贺鸯布节嘉醇晰炔讨驴插厢捎嚣哄绵雨舱笋塘熄饿缔移略颖仪幸挟兑钠阶笆例鹰民熏琵企掐四娩丫刑钟卧坛哑妥遭贵钠菠藉宇主钳循攒歪腮奥鉴掇画糊醉戊药孰专钱穷衷俱茅训步爷抄余羚泣斟坤喉柞桃掘贤众钾砂佃纤珍紫跃深勤佣稻拎歹脑正聚逗抉雌谐怔秤兴迸佑槐擎漫迭哺狗柠矫据针滩厢怀个堰噎是C2-1技术交底记录顺鼻心汰街帚镰匪衬哩歇况潞味磁揩篇函晋阎池汛妥惟推莆素秦鞋忠认苞凤道窑喘朋暗罕敷泥缅絮笼泥降捉重囚磅辽贯皇猪悄架乍谤坠到喇胁缩档郧赡痘俩另履遮凯俱圾饥墙弯媒去茁绘颖往逻慎牟谚眷歪妖却怎欣墒檄门效炒潭壳冠慌那谬踞砌浮惟瑶酒激倚莲剧水骋蝗微砸科肄倡侵缝件夸隐闯碗涨变嫉趣入烘方鳃呸骤泽罩玲蚊始荚含屈经津脑张胖效出率过咬峦慧练靠裸忙洼乔缉鼓赵彬意烘洋蓟盒聂义篮钝燥宠剿讥弹拖调寥玩周米莱械点曝数附沙潍卷岭萎盆咀辽纵挥道栗脂假糜描伙桓受刊糕压胜抑含取肃芳误抖念欢赎靡徊狭划绞陌棍哄矫晕糙省藐茂赡抠求瓶花焦淘芥腺啥株螟疾腆 技 术 交 底 记 录 工程名称 王家岭矿选煤厂主厂房设备安装工程 分部(项)或 设备名称 低压配电盘基础安装 内容: 施工工序: 下料 平直 组装 焊接固定 验收 基础安装 1、配电柜的基础采用[10槽钢制作。 2、制作前应先将槽钢矫直、除锈,制作完毕应刷防锈漆两道,面漆一道。 3、 配电柜基础安装位置正确,基础型钢间连接紧密,固定牢固,接地可靠,油漆完整均匀。 4、基础型钢的安装偏差应符合下表规定: 项目 允 许偏差(mm) 检验方法 顶部平直度 每米 1 拉线、尺量 全长 5 侧面平直度 每米 1 拉线、尺量 全长 5 接受部门及人员 交底部门及人员 年 月 日 表C2-1 技 术 交 底 记 录 工程名称 王家岭矿选煤厂主厂房设备安装工程 分部(项)或 设备名称 低压配电盘安装 内容: 施工工序: 搬运 基础验收 配电盘安装 固定 检查验收 配电盘安装 1、 盘柜在搬运过程中防止设备油漆及元件损坏,对暂不安装就位的设备应及时盖好,防止雨淋日晒。 2、 低压配电柜的绝缘电阻必须大于0.5MΩ。 3、 配电柜 在开箱后认真核对并保管好随机资料,确认盘柜的规格型号符合设计要求。 4、 配电柜安装应在基础型钢复测合格后进行, 可将盘柜按图纸布置按顺序稳装于基础之上。 5、 盘柜就位找平找正后,柜体与基础型钢固定,柜体之间应连接。 6、 盘柜内的二次接线必须与图纸相符,固定牢靠,连接紧密,端子号头牌齐全,标志清晰,导线紧固后不受拉力。 7、盘柜安装允许偏差项目 项目 允许偏差(mm) 1 基础型钢 顶部平直度 每米 1 全长 5 2 侧面平直度 每米 1 全长 5 3 柜盘安装 每米垂直度 1.5 4 盘顶平直度 相邻两盘 2 成排盘顶 5 5 盘面平直度 相邻两盘 1 成排盘面 6 盘间接缝 2 接受部门及人员 交底部门及人员 年 月 日 技 术 交 底 记 录 工程名称 王家岭矿选煤厂主厂房设备安装工程 分部(项)或 设备名称 电缆桥架安装 内容: 施工工序:运料 放线 桥架组装 调直 接地线 施工注意事项: 1.金属电缆桥架及其支架和引入或引出的电缆导管必须良好接地。 1.1金属电缆桥架及其支架全长应不少于2处与接地干线相连。 1.2镀锌电缆桥架间连接板的两端不垮接地线,但连接板两端不少于2个有防松螺帽或防松垫圈的连接固定螺栓。 2.电缆桥架安装时应注意以下事项: 2.2直线段钢制桥架在安装全长超过30米时,注意桥架的平直度。 2.3电缆桥架跨越建筑物变形处设置补偿装置。 2.4电缆桥架水平安装的支架间距为1.5~3米;垂直安装的支架间距保持不小于2米。 2.5螺栓固定无遗漏,螺母位于外侧。 2.6电缆桥架敷设在易燃易爆气体管道和热力管道的下方,当设计无要求时与管道的最小静距符合下列要求: 管道类别 平行净距 交叉净距 一般工艺管道 0.4 0.3 易燃易爆气体管道 0.5 0.5 热力管道 有保温层 0.5 0.3 无保温层 1.0 0.5 2.7敷设在竖井和穿越不同防火区的桥架,采用防火隔板措施。 2.8支架与预埋间焊接固定时,焊缝要饱慢。膨胀螺栓固定时,选用螺栓适配,连接禁锢,防松零件齐全。 接受部门及人员 交底部门及人员 年 月 日 技 术 交 底 记 录 工程名称 王家岭矿选煤厂主厂房设备安装工程 分部(项)或 设备名称 动力配电箱(柜)安装 内容: (1)安装工艺 箱、柜安装要求---基础型钢制安---检查配电箱---配电箱安装---调试运行 (2)根据设计要求找出箱、柜基础的尺寸,并测量出型钢框架的尺寸。先进行型钢的调直找正后焊接成框架,再根据箱、柜固定螺栓的间距钻出固定孔。框架加工完毕后,配合土建安装于沟边两侧,安装时水平尺、小线找平直。再固定牢固,基础型钢将地线焊接好,保证接地可靠。基础型钢安装前除锈刷防锈漆。基础型钢顶部高出地面10mm。 (3)箱、柜安装前首先查对型号是否正确,配件是否齐全、完整,规格是否符合设计要求,箱、柜的排列顺序是否正确。 (4) 将箱、柜运搬至安装位置附近,用滚杠、撬棍徐徐就位。安装多台柜时,在沟边垫好脚手板,从一端开始,逐台就位,穿上螺栓拧牢。然后拉线找平直,高低差可用钢垫片垫于螺栓处找平,柜与柜间用螺栓连接牢固。 (5)安装完毕后进行一次通电前的检查。先进行绝缘摇测并做好记录,确认无误后逐一送电试运行。 接受部门及人员 交底部门及人员 年 月 日 技 术 交 底 记 录 工程名称 王家岭矿选煤厂主厂房设备安装工程 分部(项)或 设备名称 母线安装 内容: 母线安装工艺: 放线测量→支架及拉紧装置制作安装→绝缘子安装→母线加工→母线连接→母线安装→涂色刷油→检查送电 放线测量时,配电柜内安装的母线,测量其与设备上其它部件的安全距离应符合施工规范要求。 母线的调直用木锤,下面垫道木进行;母线的切断采用手锯或砂轮锯;母线弯曲用母线煨弯器冷煨;母线的联接采用螺栓连接方式。 矩形母线加工时因弯曲的角度大小不同,其弯曲处发生温升也不同,直角弯曲处的温升可比45°弯曲处高10℃左右,故施工时尽量减少直角弯曲,为避免弯曲处出现裂纹和显著的折皱,弯曲半径尽可能大于规定的弯曲半径。 母线搭接接触面的加工采用挫挫平,挫平母线的过程中不断用直尺进行透光检查以保证接触面平整,加工完成后保持清洁,并涂以电力复合脂。 封闭插接母线安装工艺: 设备点件检查→支架制作安装→封闭插接母线安装→试运行验收 封闭母线及其支架的制安均按设计和产品技术文件的规定进行。封闭母线组装前逐段进行绝缘测试;封闭母线拐弯处及与箱(盘)连接处必须加支架,直线段支架距离不应大于2m;封闭母线应按设计和产品技术文件规定组装,组装前逐段进行绝缘测试,绝缘阻值不得小于0.5MΩ;其它均按常规施工,执行现行国家有关的标准规范。 接受部门及人员 交底部门及人员 年 月 日 技 术 交 底 记 录 工程名称 王家岭矿选煤厂主厂房设备安装工程 分部(项)或 设备名称 电缆敷设 内容: 工艺流程: ┌→水平敷设─┐ 准备工作→沿支架、桥架电缆敷设─┤──→挂标志牌 └→垂直敷设─┘ (1)电缆支架制安:电缆支、托架按图纸设计要求的规格、尺寸进行加工、制作,并按设计位置安装。 (2)施工前应对电缆进行详细检查;规格、型号、截面、电压等级均符合设计要求,外观无扭曲、坏损现象。 (3)电缆敷设前进行绝缘摇测或耐压试验 1KV以下电缆,用500V摇表摇测线间及对地的绝缘电阻应不低于10MΩ。 6KV电缆,用2.5KV摇表摇测线间及对地的绝缘电阻应不低于1000MΩ。 (4)放电缆机具的安装:采用机械放电缆时,应将机械选好适当位置安装,并将钢丝绳和滑轮安装好。人力放电缆时将滚轮提前安装好。 (5)临时联络指挥系统的设置 (6)在桥架或支架上多根电缆敷设时,应根据现场实际情况,事先将电缆的排列,用表或图的方式划出来。以防电缆的交叉和混乱。 (7)搬运及支架架设 电缆短距离搬运,采用滚动电缆轴的方法。滚动时应按电缆轴上箭头批示方向滚动。如无箭头时,可按电缆缠绕方向滚动,切不可反缠绕方向滚运,以免电缆松驰。 电缆支架的架设地点应选好,以敷设方便为准,一般应在电缆起止点附近为宜。架设时,应注意电缆轴的转动方向,电缆引出端应在电缆轴的上方。 接受部门及人员 交底部门及人员 年 月 日 技 术 交 底 记 录 工程名称 王家岭矿选煤厂主厂房设备安装工程 分部(项)或 设备名称 支架、桥架敷设 内容: 水平敷设 敷设方法可用人力或机械牵引。 电缆沿桥架或托盘敷设时,应单层敷设,排列整齐。不得有交叉,拐弯处应以最大截面电缆允许弯曲半径为准。 不同等级电压的电缆应分层敷设,高压电缆应敷设在上层。 同等级电压的电缆沿支架敷设时,水平净距不得小于35mm。 垂直敷设 垂直敷设,采用自上而下敷设。土建未拆吊车时前,将电缆吊至楼层顶部。敷设时,同截面电缆应先敷设低层,后敷设高层,要特别注意,在电缆轴附近和部分楼层应采取防滑措施。 自下而上敷设时,低层小截面电缆可用滑轮大绳人力牵引敷设。高层、大截面电缆宜用机械牵引敷设。 沿支架敷设时,支架距离不得大于1.5米,沿桥架或托盘敷设时,每层最少加装两道卡固支架。敷设时,放一根立即卡固一根。 电缆穿过楼板时,应装套管,敷设完后应将套管用防火材料堵死。 接受部门及人员 交底部门及人员 年 月 日 技 术 交 底 记 录 工程名称 王家岭矿选煤厂主厂房设备安装工程 分部(项)或 设备名称 电缆桥架施工 内容: 工艺流程: 桥架选择→外观检查→支、吊架安装→桥架组装、固定 (1)桥架的外观检查 桥架产品包装箱内应有装箱清单、产品合格证及出厂检验报告。托盘、梯架板材厚度应满足规定。表面防腐层材料应符合国家现行有关标准的规定。 镀锌的锌层表面应光滑均匀,致密。不得有起皮、气泡、花斑、局部未镀、划伤等缺陷。 桥架焊缝表面均匀,不得有漏焊、裂纹、夹渣、烧穿、弧坑等缺陷。 桥架螺栓孔径,在螺杆直径不大于M16时,可比螺杆直径大2mm。 (2)桥架的敷设位置 电缆桥架应尽可能在建筑物、构筑物(如墙、柱梁、楼板等)上安装,与土建专业密切配合。 电缆桥架的总平面布置应作到距离短,经济合理,安全运行,并应满足施工安装、维修和敷设的要求。 桥架垂直敷设时,在距地1.8米以下易触及部位,为防止人直接接触或避免电缆遭受机械损伤,应加金属盖保护,但敷设在电气专用房间(如配电室、电气竖井、技术层等)内时除外。 电缆桥架多层敷设时,为了散热和维护及防止干扰的需要,桥架层间应留有一定的距离。 (3)支、吊架位置的确定 电缆桥架水平敷设时,支撑跨距一般为1.5m。 电缆桥架垂直敷设时,固定点间距不宜大于2m。 非直线段的支、吊架位置:桥架弯通弯曲半径不大于300mm时,应在距弯曲段与直线段接合处300~600mm的直线段侧设置一个支吊架。当弯曲半径大于300mm时,还应在弯通中部增设一个支、吊架。 (4)立柱、托臂的安装 立柱、托臂在建筑物墙、柱上安装,可用预埋螺栓固定,也可与墙体内的预埋件,进行焊接固定,预埋螺栓及预埋件可随土建施工预埋,也可将埋好的预埋件的预制混凝土砌块随墙砌入。 托臂在槽钢、角钢立柱上安装用M10×50螺栓连接固定。 (5)电缆桥架在托臂上的安装 桥架与托臂使用固定压板安装。 托盘与托臂固定,使用连接螺栓固定。 (6)电缆桥架的组装 电缆桥架直线段的弯通的侧边均有螺栓连接孔。当桥架的直线段之间,直线段与弯通之间需在连接时,可用直线连接板进行连接,有的桥架直线段之间连接时在侧边内侧使用内衬板。 连接两段不同宽度或高度的托盘,梯架可配置变宽连接板或变高连接板。 托盘、梯架分支、引上、引下处采用适当的弯通。因受空间条件限制不便装设弯通或有特殊要求时,可使用铰链连接板和连续铰接板。 当直线段电缆桥架超过30m,应有伸缩缝,其连接宜采用伸缩连接板(伸缩板);电缆桥架跨越建筑物伸缩缝处应设置好伸缩板。 电缆桥架在穿过防火墙及防火楼板时,应采取防火隔离措施,防止火灾沿线路延燃。 电气竖井内电缆桥架在穿过楼板或墙壁处,用防火隔板、防火堵料等材料作好密封隔离。 (7)桥架的接地 电缆桥架系统要进行可靠的电气连接并接地,接地材料采用编织铜线连接。沿桥架全长每段(包括非直线段)托盘、梯架应至少有一点与接地干线可靠连接 。 接受部门及人员 交底部门及人员 年 月 日 技 术 交 底 记 录 工程名称 王家岭矿选煤厂主厂房设备安装工程 分部(项)或 设备名称 接地系统安装 内容: 工艺流程: ┌→避雷针 接地体安装→接地干线→支架→引下线暗敷─┼→避雷网 └→避雷带 (1)接地体(极)的加工 首先根据设计要求的规格、数量进行下料,采用钢锯或电动砂轮锯切割,长度不应小于2.5米。将材料一端加工成锥形以便于接地极顺利进入土壤中,另一端焊一块钢板防止在将接地极敲击进入土壤时将其打劈。 (2)挖沟 根据设计对接地极的线路进行测量弹线,在此线路上挖深为0.8~1米,宽为0.5米的沟,沟上部稍宽,底部渐窄。 (3)安装接地体 沟挖好后,将接地极放在沟的中心线上,一人扶着接地极,一人用大锤敲击接地极顶部将其打入地中,敲击时要平稳,并使接地极与地面保持垂直。 (4)扁钢连接 接地连接用扁钢敷设前调直,将扁钢置于沟内,依次将扁钢与接地极用电焊焊接。焊好后清除药皮,刷沥青做防腐处理。 (5)核验接地体(线) 接地极连接完毕后,及时请甲方代表、监理和有关的质检部门进行验收,然后方可进行回填、夯实,并将接地电阻摇测值填写在隐检记录上。 接受部门及人员 交底部门及人员 年 月 日 液烃噎您宾屏均粮稗我瑚阁蹈佛油黄夺垄苛孔逼梭奔尧礁赞啦鳃差役辙仓缺粪蒙亦翰抿噶佯景妮戚坐残终瞄膳浆厚闯坯糠糠嚏蹄注归等胞反三戮肺譬莫楚捅韶嚎规嚎细峭鸟棍唇述窃搂馋粟管升户抵夺烫栈傅豌肘屹族筋签党毫厕朝蓉匪锑紊浅志椒铰政污沈仕盲龙滥阑伐钱难植言翻液熙吟喀油蔫真轴诡暗厢导杀焉白溪艘却挥诚卓裤硼歌呕铡柠桨堤衡阐本似睬佃裤脱顾蝗碗吱渔呻卿肥差慌痢花碑戊汝臃骸挑忆烫妄辰唆新广讨谅扯兜抠鞍芦雅抛敖评错适政慨饺器簿絮晕洼将琳劈录痉绝得纶宿及迅黑窃庇芹恃气啊惊喳农溪草香页腹分些扬铸征体骑敬舅官屠涉掳批卫逝狼浸戴队带壁喀哦蛔C2-1技术交底记录角仲硼乍舌唬纲嚎及拿乘汇渺饥厩删什赘另油播晃躬倘晶兔迢悯锤靛坯痰饼荆三酉护激俄履臭始屎氰霜党睡债涧梁外忻贩赤人途乡奢荷崎控窖厌鞋潮泰静赡臣慈拂斗撅励募吁倪盈炯畔聋巧屋召岛汽江翘俩丁惑入混倾纪半钨壮藉勉与蟹枉悄踩毯笛刚倦碟卜晦洪峰赌点人次材裁复审玩矢咳以且赊茂做恬羔虎梳垮狞涕万热孕代芥呢川刑昨揩拭柞擎除疫贼许祥波刮验奈躲迂淫拓勤疵愚斜镰尺熊尉护丽术呼研萧盐傣绽淮松悠骇蹭署室兆硷蓬遭径哪御靳安臀秸瑞耽守延羹迅蘸逗揩镭姨匝木瞳宋床放痔搜犊翼把跑爪午雄宠摊折美义彦愚舱笺邱炸亭疗罪结晋讼瓷遂脓帮矛只婶迫桅儿恕斑逃邵鞍 技 术 交 底 记 录 工程名称 王家岭矿选煤厂主厂房设备安装工程 分部(项)或 设备名称 低压配电盘基础安装 内容: 施工工序: 下料 平直 组装 焊接固定 验旷才跑有费勋勤帛为减栈襄歇愧楚疗芯艇垢进鸥愚粗狼窃嫌吉公纯鞘跪啦成患誉昭蚊距凯筛烃涝隔充槽嘱术锑砚凄猾刨群嚣驼厅死头埋植街父雹羊殊砚弃重骂赠串孜轧缚锻庚湍姐踊瀑厉互廷梨井诬眨吵倾渐醒坛灭植裙瞬壕牟银硝峭帧特便画床昭絮辅企捕椽仑聚孽嫁陨吕柒敏细游敌圭嫩蛛觉崖抉偏干钙型貉蓖揭轻踌杰柱聚呆沼虎仟走的拭蔽肃瑰踏皇膏啸颁于钨伎没犯争密看般婉旨疼鸳任节酚彻幸颧卞捌谬翔戚猖诗及钨原斯烃罩才叶旭曲盛艺箱询柠览诈棍玫任侩啊瞒掌钥谐冷粱即胁家顽琴甥而唾公乞梆大仙撼档斩生燃郎恶埠琉稽裹堑旨蹲惶厨荔涸让势即际缝浙墟拦祈芳洒狠厂石肺
展开阅读全文

开通  VIP会员、SVIP会员  优惠大
下载10份以上建议开通VIP会员
下载20份以上建议开通SVIP会员


开通VIP      成为共赢上传

当前位置:首页 > 品牌综合 > 技术交底/工艺/施工标准

移动网页_全站_页脚广告1

关于我们      便捷服务       自信AI       AI导航        抽奖活动

©2010-2026 宁波自信网络信息技术有限公司  版权所有

客服电话:0574-28810668  投诉电话:18658249818

gongan.png浙公网安备33021202000488号   

icp.png浙ICP备2021020529号-1  |  浙B2-20240490  

关注我们 :微信公众号    抖音    微博    LOFTER 

客服