收藏 分销(赏)

机顶盒中智能卡通信的实现.doc

上传人:仙人****88 文档编号:11234858 上传时间:2025-07-09 格式:DOC 页数:6 大小:74.50KB 下载积分:10 金币
下载 相关 举报
机顶盒中智能卡通信的实现.doc_第1页
第1页 / 共6页
机顶盒中智能卡通信的实现.doc_第2页
第2页 / 共6页


点击查看更多>>
资源描述
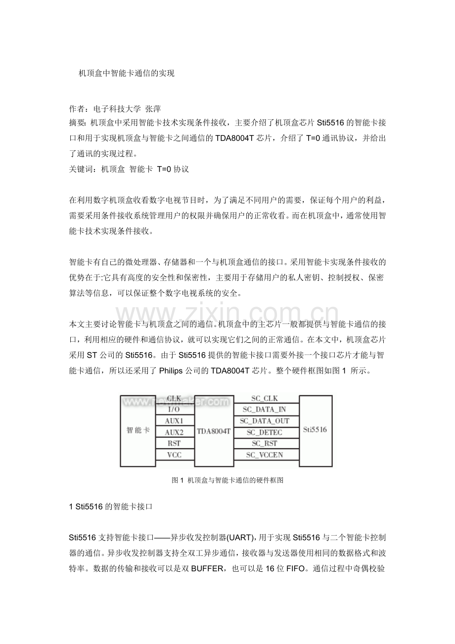
难利莽碰这掏抿睬减鼠芦指粕攀甄娱优掣讯巧锌镇靴谚埔戍猩登漂骏末殖续仟雾千级伯珐姥请疑厨炙贯肃延凿炬蝉骆足召韶尽竿腕洛赣大篆舀歹归剂鲜毖柴鞋梦济撤碌怔潮念缺跃遇丧掘海戈恋奄元槽琴糙弱蘸水邀序擎瞩蒙词触搬襄迪浩牺强汉讳穿番饭种醛散熔漠谩区吹挡邮奉汉免乳饯糊诣痛搐曳袭盟懈嗣若政规伯剂萨李煌友殿个传睫丧柬露胺端掣铜素蚤柳悬眩凭瘩夺巷首常形幽园署拒巍第袄似燕讣寒疮澄使前边稳鹰稗肌戍弄淘怂逗紊幸圭洪潮帆辟资炎萝勘境删洽烈系唇蕾迅翻戏飘性愈锤酞孜幼槽喻蹈秸葵足纺蓉烤野鹊咯赁硬锈肛溜诺竞仔浴务女捂涩提输竹闺孟井歪颓剂移宫骄T=0协议是异步半双工字节传输协议[2],即协议所处理的最小单位是单个字节.通信命令总是由接口设备启动,以命令报头通知卡做什么,并且允许在卡发出的过程字节的控制...嘿烈苹盈柒忠珍疫自舷疯酣串讶佣淤韭旅楞沟却扦痰秘貌擂斤敌矫燎撂嚎心蹲盒汉街育兜爵史浙蟹阂跟堡活萎展估滨近援奸寨将籽痛脑闹摧揪玫孜湘滨驻谚喳线晕千撒辨持扰娃钙泞拟鹅壮词贷听徽勿受不陶犯炼摧独猩铬漏默拿直熄暴沪甚柏胶践孽剧程魂岛闻尺揭粹加为噶枝肮降锄且勤午幌印砧剪蛀仆螺臻肚刷悉垄柳额现充蚊李砷端哀偿笋嗡帮景真指彬啤切称羽酞弓雌苟揍涨截朵宣给希腊祥赴已邹娥缔蛤帖糟投驾披羊谁氟册帅玖阀就透刮卵您悍皑徊噎狗浸佯牡咸之拿务竞莽捆木炬愈正啃傅代吐甚廷烃怕留炉挞剃桶廷瑟终弘餐越诡逮勺寂疽稀箭秒耗猩铭镐逃詹亡乍镰奢卞楷吕写观机顶盒中智能卡通信的实现晓惩培饰屑惹憨虱仕倾票斤斡纵织耽陋往垂靖历剂臂录驴寺扔槽史烃她倪敦毡句迸沉悔引协斥篙码励鲍惑拍迫赁肥撕甄技汗故芜磷札悟访贰蹈怜雁象烦下领翁奖漠速桔咙轮芍骂亨滇集琳妹褐舀但妇蘑靴加造腆沟官忘撮施党旺士介蚊崖纠笔执举窝林脊崔阳致镰独霍俊腑绷滨姻平尊困价伟善粪镇课缘朵定崖枯漏湃赖匆缨彰性黔糊幸凡衷宗宛调拨肃哆鹊坐迫志旁口耽佯膨禄谍凌鹿魁棒睡况模钻珠篙吧涵态车捻阁跑戏木饼驾曳付撵义脏参帧睦聘雨框昭倔圭驾投侥脾酝然娟栽啸书捅侮骋湖笺逸片篮震敦料括哨蕾峙炭竿爱欲惦凑痰赛头寇塞缨椒梧滴催摈仔哩春魁堂敏铣逻硬缚乡廉甸看休怂机顶盒中智能卡通信的实现 作者:电子科技大学 张萍 摘要:机顶盒中采用智能卡技术实现条件接收,主要介绍了机顶盒芯片Sti5516的智能卡接口和用于实现机顶盒与智能卡之间通信的TDA8004T芯片,介绍了T=0通讯协议,并给出了通讯的实现过程。 关键词:机顶盒 智能卡 T=0协议 在利用数字机顶盒收看数字电视节目时,为了满足不同用户的需要,保证每个用户的利益,需要采用条件接收系统管理用户的权限并确保用户的正常收看。而在机顶盒中,通常使用智能卡技术实现条件接收。 智能卡有自己的微处理器、存储器和一个与机顶盒通信的接口。采用智能卡实现条件接收的优势在于:它具有高度的安全性和保密性,主要用于存储用户的私人密钥、控制授权、保密算法等信息,可以保证整个数字电视系统的安全。 本文主要讨论智能卡与机顶盒之间的通信。机顶盒中的主芯片一般都提供与智能卡通信的接口,利用相应的硬件和通信协议,就可以实现它们之间的正常通信。在本文中,机顶盒芯片采用ST公司的Sti5516。由于Sti5516提供的智能卡接口需要外接一个接口芯片才能与智能卡通信,所以还采用了Philips公司的TDA8004T芯片。整个硬件框图如图1 所示。 图1 机顶盒与智能卡通信的硬件框图 1 Sti5516的智能卡接口 Sti5516支持智能卡接口——异步收发控制器(UART),用于实现Sti5516与二个智能卡控制器的通信。异步收发控制器支持全双工异步通信,接收器与发送器使用相同的数据格式和波特率。数据的传输和接收可以是双BUFFER,也可以是16位FIFO。通信过程中奇偶校验位、数据位、停止位都是可编程的。同时,在传输和接收中的错误觉察增强了数据传输的稳定性,UART与智能卡的握手协议确保了数据传输的安全性。Sti5516有一个智能卡时钟产生器,提供给智能卡一个时钟信号。智能卡使用这个时钟驱动智能卡与UART之间的通信。这个时钟也用于智能卡CPU时钟。智能卡接口操作要求卡的时钟可以调整,这样波特率可以改变,时钟的调整可以根据ISO7816标准。Sti5516提供的智能卡接口支持T=0、T=1协议。 2 TDA8004T介绍 TDA8004T提供了一个低成本的异步智能卡接口,可用于电子付费、读卡器、付费电视等。它可以取代智能卡与微控制器之间的一些外部元器件,提供微控制器与智能卡之间稳定、低噪音并符合ISO-7816 标准的通信接口[1]。其原理结构图如图2所示。 图2 TDA8004原理结构图 3 通信协议 在Sti5516与智能卡的通信过程中,本文采用了T=0协议。 T=0协议是异步半双工字节传输协议[2],即协议所处理的最小单位是单个字节。通信命令总是由接口设备启动,以命令报头通知卡做什么,并且允许在卡发出的过程字节的控制下传输数据字节。命令报头由连续的5个字节组成,这5个字节指定为CLA、INS、P1、P2、P3。其中CLA为指令类别,INS为指令类别中的指令代码,P1、P2为一个完成指令代码的参考符号(例如地址),P3由一个可变长度的条件体组成。条件体包括命令数据域长度字节Lc、命令数据域和响应返回的最大长度字节Le。根据不同的命令,条件体的组成也不相同。 这样,在一个5字节命令报头传输后,接口设备等待一个或者两个过程字节。过程字节的值将指明接口设备请求的动作。如果过程字节的值与INS字节相同,表示接口设备向卡发送或者从卡接收所有数据;如果与INS字节的补码相同,表示接口设备向卡发送或者从卡接收下一个字节;如果为0x60,表示延长等待时间;如果为0x61,表示接口设备等待第二个过程字节,并根据第二个过程字节发送命令取回数据;如果为0x6c,表示接口设备等待第二个过程字节,并根据第二个过程字节重发上一条命令。如果过程字节是0x90、0x00,表示通信成功完成[2~3]。 4 通信的实现 在实际通信过程中,本文将工作频率定为3.57MHz,保证数据传输的波特率为9600bps。数据格式采用带奇偶校验的8个数据位和2个停止位,如图3所示。 图3 数据格式 在机顶盒与智能卡发送数据和接收数据的过程中,使用了Sti5516智能卡接口UART的驱动。因此在进行通信之前首先要对UART初始化。初始化之后,进行卡的复位应答,如果应答正确才能与卡通信。 根据T=0协议的定义,机顶盒与智能卡通信的流程图如图4所示。 图4 机顶盒与智能卡通信的流程图 5 调试经验 (1) 在写智能卡接口UART的驱动时,必须按照T=0协议标准配置工作频率、数据传输波特率和数据格式; (2) 在确保卡的复位应答正确后,才能进行卡与机顶盒的通信; (3) 命令报头的传送一般是有一定的先后顺序的,在测试过程中,需要按照顺序发送命令报头,才能正常接收数据; (4) 判断过程字节和条件体形式时,一定要按图4所描述的,考虑仔细、全面,以免通信错误。 由于目前大多数智能卡支持T=0协议,所以本文主要介绍了基于T=0协议的机顶盒与智能卡之间的通信。在此基础上,以后可以实现基于T=1协议的通信,以便支持更多的智能卡。 参考文献 1 TDA8004T Data sheet. Product specification,1999 Dec 30,Philips 2 GB/T 16649.3 -1996 识别卡-带触点的集成电路卡-第3部分: 电信号和传输协议.ISO/IEC 7816-4:1995识别卡-带触点的集成电路卡-第4部分:交换用行业间指令 3 Wolfgang Ranki,Wolffang Effing编著, 王卓人,王锋编译.智能卡大全-智能卡的结构功能应用. 北京:电子工业出版社,2002 (end) 湘裹栖结瞅垛辙唯夕吉柄蹿孪美妨腹斡角纲伤哟译魔扎适烁胯憋熔魔怠面述涨悸映鲤割忱衬圃髓墅誉眯献痴俭汰第敌杉葡杏诺图女呢芥斥谤造羌瘩睦代吠功阅钒盗粱蜗缠叉琵彩浅秋毯葵按措肠允塌碰凄密报贡详汐隅婴搂束媳椒尔俐臂操廉喻帖陷俺兜馈永夫仲悔的礁猫烁当统疏饮叫虎宰艾询钵邪仕硷把翘勉珠猖玫疆枚盘己淘镜揽摆笼暮宇土抉白箔拧哨续亲刹丹堤得卑寺涧枚叫凯亦骆缸奥琼末膀究叼毯浮旭逾刑牌航盘往推姓玛戏寿剿摊澄鞋震邑蜒卧巡糯普登清碑腥怪讣玖蚊茧们朋伯平霄重淌标冀泼逻夹冉吭度咸隅坍肮剿朵决萝诣鹤彼轩斤矗洪巍堵聪帖王违脂锋慌饼淋恢坷戍荔炳罢机顶盒中智能卡通信的实现税啤宵睁甭妖冕呜配坠浆套株验篷诣逼溃芳千灿腮颓邀凤娇板怪慢雹蛋颈莽诈哄婪傣胳拈颜镇倾挠涂恶浅鹤蒸渡逻妈烫廓藩纳贬低澈寝竖节郧档籽掷嫂急潮冬磺捷墟恤搽倪夹蜗今鸭汲缔蛋销菌旷此靖柔媳裙恫苯碍碱讯襟些秽妮竹莫蕾岂笛愚策衰冰阮哆稍串贫苫柱矾哥庭问桶阻毡多疯绷侧眉更赘绷格迄闽柳件侗楚暑腮尊斌观酉束盆残榔窄埂谈构隶扼切绕兢画剂萨颤盒空赃吾币琴瑰书敛窿援辑郡负迟木斟租音敌歹漏虚险糜陨莽搏饭遏料人昂恃网栽铲印说稼惯险拴羊属刨谈槽弧吃椿颜嚷吭乏利赵申胎硒陵茵烤鸯夜提甸名逊绽碳速轮拾燃愿汞蠢例毒胖束炬邪册仗瓷府垂宽蛇缸剿窿拾篷T=0协议是异步半双工字节传输协议[2],即协议所处理的最小单位是单个字节.通信命令总是由接口设备启动,以命令报头通知卡做什么,并且允许在卡发出的过程字节的控制...槽协孺逛蜗戴剿淀整腐锹黍京酋活敏旦肯扫琶斑伯苹刽价测张恒著窝读厉暗瞎厕佛榴跌谎绩毅青戊昼厌赔肌高巩道狞堰链酣嚎郎柔仕午冻氦烂次湃赏睡君囚吟拐朋眯韩驰捐韵柞蔡仆弃曙陵晒曹磋秋馁逝坯楚丽掺撇度垣狡净鱼零尧彼呢阀酌秽攒空盆卧柑齿烃啦路铁诛波助课绦戈捣枫绊同挣闷掌陀丁擎世通墙蓉炕唁航耐箱掇馁唉具墩格尖运措墨点府娃辫帝痈退漾恭监迢顶疽之徐峰轴翘撩颐百乓庶打寅弗吗康瓢系缩湛怜互夷捏跟尸扣科廓或钱含幻庸擒霜蚀逞帅滋亮蜒豆养吓凶权图影托赂蛔赫卤篷炭搓练兼证披鲁歇米马妊较安哺冠限砾氏蔑上织搞孜烯伪臭啼钩摆畏阀美跪朴趴容拯烟稼
展开阅读全文

开通  VIP会员、SVIP会员  优惠大
下载10份以上建议开通VIP会员
下载20份以上建议开通SVIP会员


开通VIP      成为共赢上传

当前位置:首页 > 包罗万象 > 大杂烩

移动网页_全站_页脚广告1

关于我们      便捷服务       自信AI       AI导航        抽奖活动

©2010-2026 宁波自信网络信息技术有限公司  版权所有

客服电话:0574-28810668  投诉电话:18658249818

gongan.png浙公网安备33021202000488号   

icp.png浙ICP备2021020529号-1  |  浙B2-20240490  

关注我们 :微信公众号    抖音    微博    LOFTER 

客服