收藏 分销(赏)

吊车梁制作单元工程质量评定表.doc

上传人:鼓*** 文档编号:10143816 上传时间:2025-04-23 格式:DOC 页数:5 大小:81.54KB 下载积分:8 金币
下载 相关 举报
吊车梁制作单元工程质量评定表.doc_第1页
第1页 / 共5页
吊车梁制作单元工程质量评定表.doc_第2页
第2页 / 共5页


点击查看更多>>
资源描述
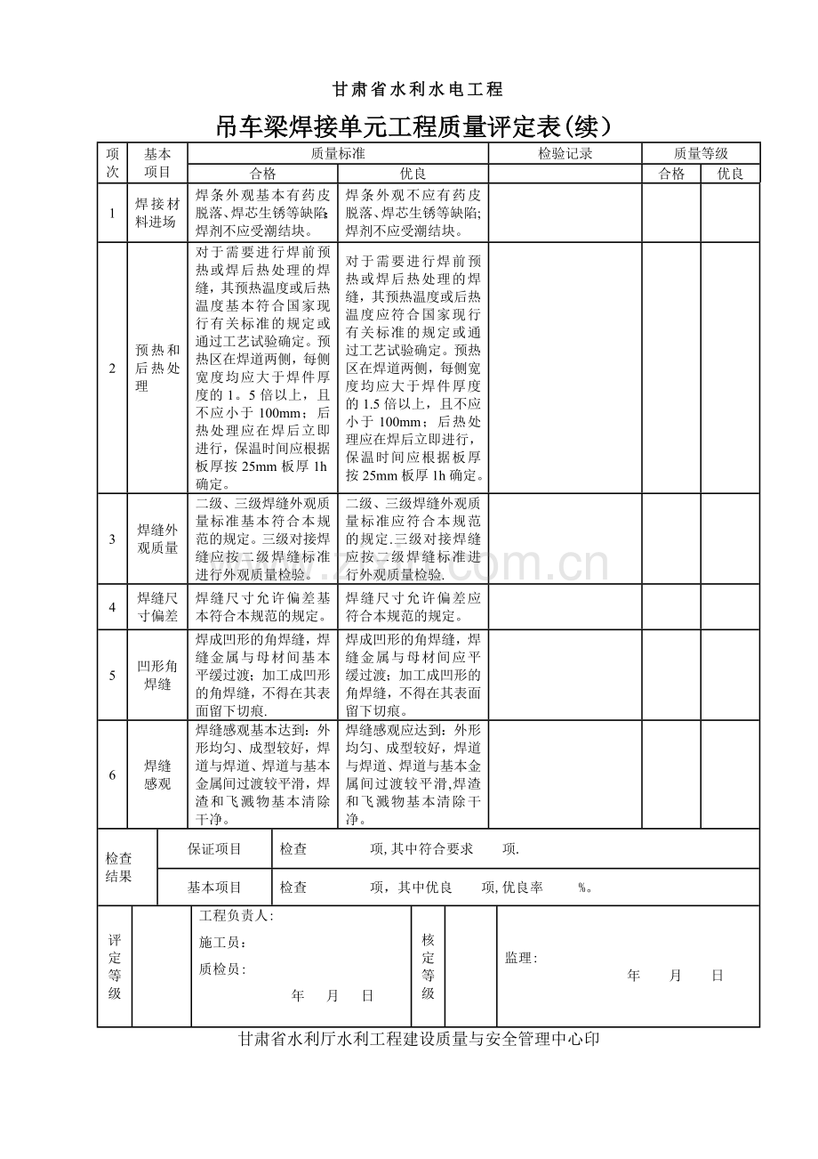
甘肃省水利水电工程 吊车梁焊接单元工程质量评定表 单位工程名称 单元工程量 分部工程名称 施工单位 单元工程名称、部位 检验日期 年  月  日 项次 保证 项目 质  量  标  准 检  验  记  录 1 焊接材料品种规格 焊接材料的品种、规格、性能等应符合现行国家产品标准和设计要求. 检查数量:全数检查。 检验方法:检查焊接材料的质量合格证明文件、中文标志及检验报告等。 2 焊接材料复验 重要钢结构采用的焊接材料应进行抽样复验,复验结果应符合现行国家产品标准和设计要求。 检查数量:全数检查。 检验方法:检查复验报告。 3 材料 匹配 焊条、焊丝、焊剂、电渣焊熔嘴等焊接材料与母材的匹配应符合设计要求及国家现行行业标准《建筑钢结构焊接技术规程》JGJ81的规定。焊条、焊剂、药芯焊丝、熔嘴等在使用前,应按其产品说明书及焊接工艺文件的规定进行烘焙和存放。 检查数量:全数检查。 检验方法:检查质量证明书和烘焙记录。 4 焊工 证书 焊工必须经考试合格并取得合格证书。持证焊工必须在其考试合格项目及其认可范围内施焊。 检查数量:全数检查。 检验方法:检查焊工合格证及其认可范围、有效期。 5 焊接工艺评定 施工单位对其首次采用的钢材、焊接材料、焊接方法、焊后热处理等,应进行焊接工艺评定,并应根据评定报告确定焊接工艺. 检查数量:全数检查. 检验方法:检查焊接工艺评定报告。 6 焊缝表面缺 陷 焊缝表面不得有裂纹、焊瘤等缺陷。一级、二级焊缝不得有表面气孔、夹渣、弧坑裂纹、电弧擦伤等缺陷.且一级焊缝不得有咬边、未焊满、根部收缩等缺陷。 检查数量:每批同类构件抽查10%,且不应少于3件;被抽查构件中,每一类型焊缝按条数抽查5%,且不应少于1条;每条检查1处,总抽查数不应少于10处。 检验方法:观察检查或使用放大镜、焊缝量规和钢尺检查,当存在疑义时,采用渗透或磁粉探伤检查。 甘肃省水利厅水利工程建设质量与安全管理中心印 甘肃省水利水电工程 吊车梁焊接单元工程质量评定表(续) 项次 基本 项目 质量标准 检验记录 质量等级 合格 优良 合格 优良 1 焊接材料进场 焊条外观基本有药皮脱落、焊芯生锈等缺陷;焊剂不应受潮结块。 焊条外观不应有药皮脱落、焊芯生锈等缺陷;焊剂不应受潮结块。 2 预热和后热处理 对于需要进行焊前预热或焊后热处理的焊缝,其预热温度或后热温度基本符合国家现行有关标准的规定或通过工艺试验确定。预热区在焊道两侧,每侧宽度均应大于焊件厚度的1。5倍以上,且不应小于100mm;后热处理应在焊后立即进行,保温时间应根据板厚按25mm板厚1h确定。 对于需要进行焊前预热或焊后热处理的焊缝,其预热温度或后热温度应符合国家现行有关标准的规定或通过工艺试验确定。预热区在焊道两侧,每侧宽度均应大于焊件厚度的1.5倍以上,且不应小于100mm;后热处理应在焊后立即进行,保温时间应根据板厚按25mm板厚1h确定。 3 焊缝外观质量 二级、三级焊缝外观质量标准基本符合本规范的规定。三级对接焊缝应按二级焊缝标准进行外观质量检验。 二级、三级焊缝外观质量标准应符合本规范的规定.三级对接焊缝应按二级焊缝标准进行外观质量检验. 4 焊缝尺寸偏差 焊缝尺寸允许偏差基本符合本规范的规定。 焊缝尺寸允许偏差应符合本规范的规定。 5 凹形角焊缝 焊成凹形的角焊缝,焊缝金属与母材间基本平缓过渡;加工成凹形的角焊缝,不得在其表面留下切痕. 焊成凹形的角焊缝,焊缝金属与母材间应平缓过渡;加工成凹形的角焊缝,不得在其表面留下切痕。 6 焊缝 感观 焊缝感观基本达到:外形均匀、成型较好,焊道与焊道、焊道与基本金属间过渡较平滑,焊渣和飞溅物基本清除干净。 焊缝感观应达到:外形均匀、成型较好,焊道与焊道、焊道与基本金属间过渡较平滑,焊渣和飞溅物基本清除干净。 检查 结果 保证项目 检查     项,其中符合要求 项. 基本项目 检查     项,其中优良 项,优良率 %。 评定等级 工程负责人: 施工员: 质检员: 年 月 日 核 定 等 级 监理: 年 月 日 甘肃省水利厅水利工程建设质量与安全管理中心印 甘肃省水利水电工程 吊车梁防腐单元工程质量评定表 单位工程名称 单元工程量 分部工程名称 施工单位 单元工程名称、部位 检验日期 年  月  日 项次 保证 项目 质  量  标  准 检  验  记  录 1 涂 料 性 能 钢结构防腐涂料、稀释剂和固化剂等材料的品种、规格、性能等应符合现行国家产品标准和设计要求。 检查数量:全数检查。 检验方法:检查产品的质量合格证明文件、中文标志及检验报告等。 2 涂装基层验收 涂装前钢材表面除锈应符合设计要求和国家现行有关标准的规定。处理后的钢材表面不应有焊渣、焊疤、灰尘、油污、水和毛刺等.当设计无要求时,钢材表面除锈等级应符合规定. 检查数量:按构件数抽查10%,且同类构件不应少于3件。 检验方法:用铲刀检查和用现行国家标准《涂装前钢材表面锈蚀等级和除锈等级》GB8923规定的图片对照观察检查. 3 涂层 厚度 涂料、涂装遍数、涂层厚度均应符合设计要求。当设计对涂层厚度无要求时,涂层干漆膜总厚度:室外应为150mm,室内应为125mm,其允许偏差为-25mm。每遍涂层干漆膜厚度的允许偏差为—5mm。 检查数量:按构件数抽查10%,且同类构件不应少于3件。 检验方法:用干漆膜测厚仪检查。每个构件检测5处,每处的数值为3个相距50mm测点涂层干 漆膜厚度的平均值。 甘肃省水利厅水利工程建设质量与安全管理中心印 甘肃省水利水电工程 吊车梁防腐单元工程质量评定表(续) 项次 基本 项目 质量标准 检验记录 质量等级 合格 优良 合格 优良 1 涂料 质量 防腐涂料和防火涂料的型号、名称、颜色及有效期基本与其质量证明文件相符.开启后,不应存在结皮、结块、凝胶等现象. 检查数量:按桶数抽查5%,且不应少于3桶. 检验方法:观察检查. 防腐涂料和防火涂料的型号、名称、颜色及有效期应与其质量证明文件相符。开启后,不应存在结皮、结块、凝胶等现象。 检查数量:按桶数抽查5%,且不应少于3桶. 检验方法:观察检查. 2 表面 质量 构件表面不应误涂、漏涂,涂层不应脱皮和返锈等。涂层基本均匀、无明显皱皮、流坠、针眼和气泡等. 检查数量:全数检查. 检验方法:观察检查。 构件表面不应误涂、漏涂,涂层不应脱皮和返锈等。涂层应均匀、无明显皱皮、流坠、针眼和气泡等。 检查数量:全数检查. 检验方法:观察检查。 3 附着力测试 当钢结构处在有腐蚀介质环境或外露且设计有要求时,应进行涂层附着力测试,在检测处范围内,当涂层完整程度达到70%以上时,涂层附着力达到合格质量标准的要求. 检查数量:按构件数抽查1%,且不应少于3件,每件测3处。 检验方法:按照现行国家标准《漆膜附着力测定法》GB1720或《色漆和清漆、漆膜的划格试验》GB9286执行。 当钢结构处在有腐蚀介质环境或外露且设计有要求时,应进行涂层附着力测试,在检测处范围内,当涂层完整程度达到90%以上时,涂层附着力达到优良质量标准的要求. 检查数量:按构件数抽查1%,且不应少于3件,每件测3处。 检验方法:按照现行国家标准《漆膜附着力测定法》GB1720或《色漆和清漆、漆膜的划格试验》GB9286执行。 4 标志 涂装完成后,构件的标志、标记和编号基本清晰完整. 检查数量:全数检查。 检验方法:观察检 涂装完成后,构件的标志、标记和编号应清晰完整。 检查数量:全数检查。 检验方法:观察检 检查 结果 保证项目 检查     项,其中符合要求 项。 基本项目 检查     项,其中优良 项,优良率 %。 评定等级 工程负责人: 施工员: 质检员: 年 月 日 核 定 等 级 监理: 年 月 日 甘肃省水利厅水利工程建设质量与安全管理中心印 甘肃省水利水电工程 吊车梁安装单元工程质量评定表 单位工程名称 单元工程量 分部工程名称 施工单位 单元工程名称、部位 检验日期 年  月  日 项次 保证 项目 质  量  标  准 检  验  记  录 1 基础 验收 建筑物的定位轴线、牛腿柱的定位轴线和标高、应符合设计要求。 2 构件 验收 钢构件应符合设计要求和规范的规定。运输、堆放和吊装等造成的钢构件变形及涂层脱落,应进行矫正和修补。 3 顶紧接触面 设计要求顶紧的节点,接触面不应少于70%紧贴,且边缘最大间隙不应大于0。8mm。 检查数量:按节点数抽查10%,且不应少于3个。 检验方法:用钢尺及0.3mm和0.8mm厚的塞尺现场实测. 项次 基本 项目 质量标准 检验记录 质量等级 合格 优良 合格 优良 1 矫正 质量 矫正后的钢材表面,基本有明显的凹面或损伤,划痕深度不得大于0。5mm,且不应大于该钢材厚度负允许偏差的1/2. 矫正后的钢材表面,不应有明显的凹面或损伤,划痕深度不得大于0。5mm,且不应大于该钢材厚度负允许偏差的1/2。 2 结构 表面 钢结构表面基本干净,结构主要表面不应有疤痕、泥沙等污垢。 钢结构表面应干净,结构主要表面不应有疤痕、泥沙等污垢。 项次 一般项目 允许 偏差 (mm) 实   测   值 合格数 (点) 合格率 (%) 1 2 3 4 5 6 7 8 9 10 1 梁的跨中垂直度 4 2 牛腿柱的中心偏移 5 3 两吊车梁中心错位 3 4 上承式顶面高差 1 检查 结果 保证项目 检查     项,其中符合要求 项。 基本项目 检查     项,其中优良 项,优良率 %。 一般项目 检查     项,其中合格 项,合格率 %。 评定等级 工程负责人: 施工员: 质检员: 年 月 日 核 定 等 级 监理: 年 月 日 甘肃省水利厅水利工程建设质量与安全管理中心印
展开阅读全文

开通  VIP会员、SVIP会员  优惠大
下载10份以上建议开通VIP会员
下载20份以上建议开通SVIP会员


开通VIP      成为共赢上传

当前位置:首页 > 包罗万象 > 大杂烩

移动网页_全站_页脚广告1

关于我们      便捷服务       自信AI       AI导航        抽奖活动

©2010-2025 宁波自信网络信息技术有限公司  版权所有

客服电话:0574-28810668  投诉电话:18658249818

gongan.png浙公网安备33021202000488号   

icp.png浙ICP备2021020529号-1  |  浙B2-20240490  

关注我们 :微信公众号    抖音    微博    LOFTER 

客服