收藏 分销(赏)

刮泥机分项工程质量检验评定表.doc

上传人:人****来 文档编号:10001097 上传时间:2025-04-16 格式:DOC 页数:16 大小:262.54KB 下载积分:8 金币
下载 相关 举报
刮泥机分项工程质量检验评定表.doc_第1页
第1页 / 共16页
刮泥机分项工程质量检验评定表.doc_第2页
第2页 / 共16页


点击查看更多>>
资源描述
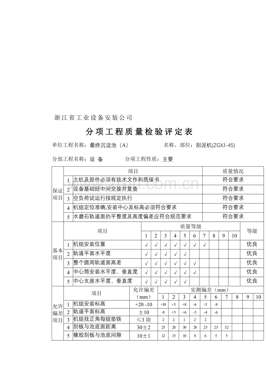
刮泥机分项工程质量检验评定表完整版 (完整版资料,可直接使用,可编辑,推荐下载) 浙江省工业设备安装公司 分项工程质量检验评定表 单位工程名称:最终沉淀池(A) 名称、部位:刮泥机(ZGXJ-45) 分部工程名称:设 备 分项工程性质:主要 保证项目 项目 质量情况 1 主机及部件必须有技术文件和质保书 符合要求 2 设备基础经中间交接并复查 符合要求 3 空负荷试运行按规定执行 符合要求 4 机组定位准确,安装中心及标高必须符合要求 符合要求 5 水磨石轨道面的平整度及高度偏差应符合规范要求 符合要求 基本项目 项目 质量等级 等级 1 2 3 4 5 6 7 8 9 10 1 机组安装位置 √ √ √ √ √ √ √ 优良 2 轨道平面水平度 √ √ √ √ √ 优良 3 整个圆周轨道面高差 √ √ √ √ √ √ 优良 4 中心筒安装水平度、垂直度 √ √ √ √ √ √ 优良 5 中心支座水平度、垂直度 √ √ √ √ √ 优良 允许偏差项目 项目 允许偏差(mm) 实测偏差(mm) 1 2 3 4 5 6 7 8 9 10 1 机组安装标高 +20 -10 +10 +5 +8 -6 -5 -8 2 轨道平面标高 ±10 -8 +5 +6 -5 -4 -6 3 机组找正角每组垫铁 ≤3块 2 2 1 2 2 4 刮板与池底面距离 30±2 25 28 30 28 25 25 32 5 橡胶刮板与池底间隙 10±1 12 15 10 8 6 5 5 6 溢流三角堰口安装标高 ±5 +4 +5 +4 +4 -6 -3 +4 7 溢流三角堰口水平度 3/1000 3 2 4 5 3 3 2 检查项目 保证项目 检查 5 项,合格 5 项 基本项目 检查 5 项,其中优良 5 项,优良率 100 % 允许偏差项目 检查 46 点,其中合格 42 点,合格率 91 % 评定等级 优 良 分 部 施工负责人: 班组长: 核定等级 专职 质量检查员: 年 月 日 浙江省工业设备安装公司 分项工程质量检验评定表 单位工程名称:最终沉淀池(A) 名称、部位:水泵(WQK30-15-2.2) 分部工程名称:设 备 分项工程性质:主 要 保证项目 项目 质量情况 1 主机及部件必须有技术文件和质保书 符合要求 2 设备基础经中间交接并复查 符合要求 3 空负荷试运行按规定执行 符合要求 4 泵体和电动机的垂直度必须符合要求 符合要求 5 叶片外缘与泵壳这间的径向应符合技术要求 符合要求 基本项目 项目 质量等级 等级 1 2 3 4 5 6 7 8 9 10 1 泵基础 √ √ √ √ √ 优良 2 泵体安装 √ √ √ √ √ 优良 3 直连机组联轴器同轴度径向位移 √ √ √ √ √ 优良 4 直连机组联轴器轴向倾斜度 √ √ √ √ √ 优良 允许偏差项目 项目 允许偏差(mm) 实测偏差(mm) 1 2 3 4 5 6 7 8 9 10 1 泵定位基准线 ±20 -6 -5 -8 +6 +8 +4 2 泵安装标高 +20 -10 -5 -5 -5 +4 +5 -3 3 泵安装平面位置 ±10 -8 -4 -4 -5 -4 -5 4 泵出口中心与连接管道中心 5 5 5 4 3 5.5 4 5 泵安装纵横向中心线 ±5 -3 -5 +4 +5 +6 -4 6 泵安装纵横向水平度 0.1/1000 0.05 0.08 0.1 0.1 0.15 0.1 7 地脚螺栓拧紧后螺纹外露长度 1-1.5螺距 1 1.5 1.5 1 1 1 检查项目 保证项目 检查 5 项,合格 5 项 基本项目 检查 4 项,其中优良 4 项,优良率 100 % 允许偏差项目 检查 42 点,其中合格 39 点,合格率 92.8 % 评定等级 优 良 分 部 施工负责人: 班组长: 核定等级 专职 质量检查员: 年 月 日 橡 胶 坝 工 程 CBJ249 螺栓埋置单元工程质量评定表 ( 承包[]螺栓号) 合同名称: 合同编号: 分部工程名称 单元工程量 单元工程编号 施工单位 单元工程部位 检查评定日期 年 月 日 项次 项目 质量标准 检查记录 评 定 1 螺 栓 A3普通碳素钢, 符合设计标准 △2 螺栓牢固 插入混凝土长度及拉筋,符合设计标准 △3 螺栓间距 允许偏差 (mm) 4 螺栓顶高程 允许偏差 (mm) 5 螺 纹 保持完整 △6 表面除锈防腐 符合设计及有关标准 检查 结果 共实测 点,其中合格 点,合格率 % 评定意见 单元工程质量等级 测 量 人 施 工 单 位 ` 监 理 单 位 注:1.带“△”者为主要检查项目。 橡胶坝工程 CBJ250垫板铺设单元工程质量评定表 ( 承包[]垫铺单号) 合同名称:合同编号: 分部工程名称 单元工程量 单元工程编号 施 工 单 位 单元工程部位 检查评定日期 年 月 日 项次 项目 质量标准 检查记录 评 定 1 垫板 铸铁QJ400-10, 符合设计标准 △2 螺孔间距 允许偏差 (mm) △3 螺孔直径 允许偏差 (mm) △4 端部连接 不允许有间隙 5 铺设平整 不允许有倾斜 检查结果 共实测 点,其中合格 点,合格率 % 评定意见 单元工程质量等级 测 量 人 施 工 单 位 ` 监 理 单 位 注:带“△”者为主要检查项目。 橡胶坝工程 CBJ251管路埋设单元工程质量评定表 ( 承包[]管埋号) 合同名称:合同编号: 分部工程名称 单元工程量 单元工程编号 施工单位 单元工程部位 检查评定日期 年月日 项次 项目 质量标准 检查记录 评定 1 钢管直径、壁厚 镀锌低压无缝钢管符合设计标准 △2 钢管连接 现场焊接,符合规范、规定和设计标准 △3 支墩的强度和稳定性 砼的支墩具有足够的强度和稳定性,安上管卡 4 防腐处理 符合有关规范和规程 5 波纹管伸缩器 符合有关规程 和设计要求 △6 强度和严密性 进行管道压力试验, 符合设计标准 7 管沟回填 沟内混合砂灌实, 符合设计标准 检查结果 共实测点,其中合格点,合格率 % 评定意见 单元工程质量等级 测 量 人 施 工 单 位 ` 监 理 单 位 注:带“△”者为主要检查项目。 橡胶坝工程 CBJ252进出口装置单元工程质量评定表 ( 承包[]进出号) 合同名称:合同编号: 分部工程名称 单元工程量 单元工程编号 施工单位 单元工程部位 检查评定日期 年月日 项次 项目 质量标准 检查记录 评定 1 接口焊接 符合有关规范和规程 △2 法兰连接 坝袋内管口与坝袋(底垫片)连接,设计标准 3 防腐处理 符合有关规范和规程 △4 导气装置 符合设计标准 评定意见 单元工程质量等级 测 量 人 施 工 单 位 ` 监 理 单 位 注:1.带“△”者为主要检查项目。 橡胶坝工程 CBJ253 观测、安全设备单元工程质量评定表 ( 承包[]观测号) 合同名称:合同编号: 分部工程名称 单元工程量 单元工程编号 施工单位 单元工程部位 检查评定日期 年月日 项次 项目 质量标准 检查记录 评定 △1 水位观测管 符合规范、规定 和设计标准 △2 测压仪套管 符合规范、规定 和设计标准 3 集水井 符合设计标准 评定意见 单元工程质量等级 测 量 人 施 工 单 位 ` 监 理 单 位 注:带“△”者为主要检查项目。 橡胶坝工程 CBJ254底垫片就位单元工程质量检查评定表 ( 承包[]垫片号) 合同名称:合同编号: 分部工程名称 制造单位 单元工程编号 施工单位 单元工程部位 检查评定日期 年 月 日 项次 项 目 质 量 标 准 检 查 记 录 评 定 1 坝底板上干净 清理施工残留物及露头钢筋,符合设计标准 △2 光滑面 隔墩及坝袋塌落区底面平整光滑,符合设计标准 3 螺纹清晰 清除螺纹上砼残留物,符合设计标准 △4 管路畅通性 密封性好,气流顺畅,符合设计标准 5 坝底板尺寸 坝底板长度及上下游距,画底板中心线 △6 底垫片就位 就位准确,检查底板垫片尺寸质量有无损伤,符合设计标准 7 导气管 在管口安装导气装置,符合设计标准 △8 止气胶板 粘海绵胶板,打螺孔套在螺栓上,符合设计标准 评定意见 单元工程质量等级 测 量 人 施 工 单 位 ` 监 理 单 位 注:带“△”者为主要检查项目 橡胶坝工程 CBJ255坝袋就位单元工程质量检查评定表 ( 承包[]袋就位号) 合同名称:合同编号: 分部工程名称 制造单位 单元工程编号 施工单位 单元工程部位 检查评定日期 年 月 日 项次 项 目 质 量 标 准 检 查 记 录 评 定 1 坝袋尺寸 长度、宽度及堵头高度,坝袋有无损伤,符合设计标准 2 坝袋展开 检查外观质量,符合设计标准、规范、规定 △3 垫平胶布 胶布与坝袋搭接头平顺,胶腻子符合设计要求 △4 钻孔 在螺栓线上钻孔,坝袋套 在螺栓上,符合设计要求 评定意见 单元工程质量等级 测 量 人 施 工 单 位 ` 监 理 单 位 注:带“△”者为主要检查项目 橡胶坝工程 CBJ256安装压板单元工程质量检查评定表 ( 承包[]压板单号) 合同名称:合同编号: 分部工程名称 单元工程量 单元工程编号 施工单位 单元工程部位 检查评定日期 年 月 日 项次 项 目 质 量 标 准 检 查 记 录 评 定 1 压板 ZG25铸钢,螺孔直径、间距,符合设计标准 2 安装顺序 由坝中心向两端进行,最后安装堵头,符合设计标准 △3 安装压板 端部靠紧不得有空隙,符合设计标准 △4 紧固螺母 依次逐级进行紧固至要求的扭矩,符合设计标准 评定意见 单元工程质量等级 测 量 人 施 工 单 位 ` 监 理 单 位 注:带“△”者为主要检查项目 橡胶坝工程 CBJ257 坝袋充胀单元工程质量评定表 ( 承包[]袋充胀号) 合同名称:合同编号: 分部工程名称 单元工程量 单元工程编号 施工单位 单元工程部位 检查评定日期 年月日 项次 项目 质量标准 检查记录 评定 △1 锚固件 不变形,符合设计标准 △2 密封性 紧固不漏气, 符合设计标准 3 坝袋外观 坝顶平顺,各断面形状一致,质量符合设计标准 4 塌肩 坝堵头一隔墩接触处 符合设计要求 △5 24时坝高下降 符合设计标准 评定意见 单元工程质量等级 测 量 人 施 工 单 位 ` 监 理 单 位 注:带“△”者为主要检查项目。 分 项 工 程 质 量 检 验 评 定 用 表 分项工程名称:钢筋加工及安装工程部位:(填写桩号、墩台号、孔号) 所属建设项目(合同段): 所属分部工程名称:路基土石方工程 所属单位工程:路基工程 分项工程编号: 施工单位: A—34 基本要求 1.钢筋安装应保证设计要求的钢筋根数;2.钢筋的连接方式、同一连接区段内的接头面积应满足设计要求;接头位置应设在受力较小处,任何连接区段内同一根钢筋不得有两个接头;3.钢筋的搭接长度、焊接和机械接头质量应满足施工技术规范的规定;4.受力钢筋表面不得有裂纹及其他损伤;5.钢筋的保护层垫块应分布均匀,数量及材料性能应满足设计要求和有关技术规范的规定;6.钢筋应安装牢固,钢筋网应有足够的钢筋支撑,在混凝土浇筑过程中钢筋不应出现移位。 实 测 项 目 项次 检查项目 规定值或 允许偏差 实测值或实测偏差值 质 量 评 定 1 2 3 4 5 6 7 8 9 10 平均值 代表值 合格率 (%) 合格 判定 1Δ 受力筋间距(mm) 两排以上排距 ±5 同排 梁、板、拱肋及拱上建筑 ±10 基础、锚碇、墩台身、墩柱 ±20 2 箍筋、构造钢筋、螺旋筋间距(mm) ±10 3 钢筋骨架尺寸(mm) 长 ±10 宽、高或直径 ±5 4 弯起钢筋位置(mm) ±20 5Δ 保护层厚度(mm) 梁、板、拱肋及拱上建筑 ±5 基础、锚碇、墩台身、墩柱 ±10 外观质量 质量保证资料 齐全、真实 工程质量等级评定 合格 检验负责人: 检测: 记录: 复核: 年 月 日 分 项 工 程 质 量 检 验 评 定 用 表 分项工程名称:混凝土墩、台 工程部位:(填写桩号、墩台号、孔号) 所属建设项目(合同段): 所属分部工程名称:路基土石方工程 所属单位工程:路基工程 分项工程编号: 施工单位: A—34 基本要求 1.模板及支架的强度、刚度、稳定性应符合施工技术规范的规定;2.施工缝设置及处理应符合施工技术规范规定。 实 测 项 目 项次 检查项目 规定值或 允许偏差 实测值或实测偏差值 质 量 评 定 1 2 3 4 5 6 7 8 9 10 平均值 代表值 合格率 (%) 合格 判定 1Δ 混凝土强度(MPa) 在合格标准内 2 断面尺寸(mm) ±20 3 全高竖直度(mm) H≤5m ≤5 5m<H≤60m ≤H/1000,且≤20 H>60m ≤H/3000,且≤30 4 顶面高程(mm) ±10 5Δ 轴线偏位(mm) H≤60m 10,且相对前一节段≤8 H>60m ≤15,且相对前一节段≤8 6 节段间错台(mm) ≤5 7 平整度(mm) ≤8 8 预埋件位置(mm) 满足设计要求,设计未要求时≤5 外观质量 质量保证资料 齐全、真实 工程质量等级评定 合格 检验负责人: 检测: 记录: 复核: 年 月 日
展开阅读全文

开通  VIP会员、SVIP会员  优惠大
下载10份以上建议开通VIP会员
下载20份以上建议开通SVIP会员


开通VIP      成为共赢上传

当前位置:首页 > 包罗万象 > 大杂烩

移动网页_全站_页脚广告1

关于我们      便捷服务       自信AI       AI导航        抽奖活动

©2010-2025 宁波自信网络信息技术有限公司  版权所有

客服电话:0574-28810668  投诉电话:18658249818

gongan.png浙公网安备33021202000488号   

icp.png浙ICP备2021020529号-1  |  浙B2-20240490  

关注我们 :微信公众号    抖音    微博    LOFTER 

客服