收藏 分销(赏)

挡土墙道路施工组织设计方案.doc

上传人:精**** 文档编号:9770405 上传时间:2025-04-07 格式:DOC 页数:17 大小:82.50KB 下载积分:8 金币
下载 相关 举报
挡土墙道路施工组织设计方案.doc_第1页
第1页 / 共17页
挡土墙道路施工组织设计方案.doc_第2页
第2页 / 共17页


点击查看更多>>
资源描述
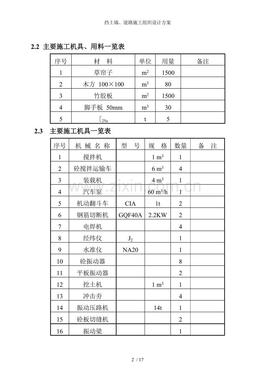
挡土墙、道路施工组织设计方案 1.工 程 概 况 1.1 工程概况 1.1.1 工程地址: 1.1.2 工程名称: 1.1.3 建设单位: 1.1.4 设计单位: 1.1.5 监理单位: 1.2工程简介 XX工程厂区道路纵横交错,路面宽度分4.0m、6.0m、7.0m、9.0m、15.0m五种,我单位负责施工一部分道路及5#路两侧挡土墙。 2.施工人员、机械、材料配置投入计划 2.1 劳动力配备一览表 序号 名 称 人 数 备 注 1 管理人员 15 2 砼工 10 3 木工 30 4 钢筋工 10 5 测量放线 3 6 电工 2 7 电、气焊工 6 8 运转、司机 8 2.2 主要施工机具、用料一览表 序号 材 料 单位 用量 备注 1 草帘子 m2 1500 2 木方 100×100 m3 80 3 竹胶板 m2 1500 4 脚手板 50mm m3 30 5 [25a t 5 2.3 主要施工机具一览表 序号 机 械 名 称 型 号 规 格 数量 备 注 1 搅拌机 1 m3 1 2 砼搅拌运输车 6 m3 4 3 装载机 4 m3 1 4 汽车泵 60 m3/h 1 5 机动翻斗车 CIA 1t 2 6 钢筋切断机 GQF40A 2.2KW 2 7 电焊机 4 8 经纬仪 J2 1 9 水准仪 NA20 1 10 砼振动器 8 11 平板振动器 2 12 挖土机 1 m3 1 13 冲击夯 4 14 振动压路机 14t 1 15 砼板切缝机 2 16 振动梁 1 3.施 工 工 艺 和 方 法 3.1 施工测量 3.1.1 测量所使用的测量仪器必须经过验定部门检定,有检定合格证。 3.1.2 测量人员施测前必须熟悉施工图纸。了解掌握业主提供的施工坐标标高、水准点、相对标高及绝对标高之间的关系。 3.1.3 采用J2型经纬仪和NA20型水准仪进行工程监测,确保施工误差符合规范要求。 3.1.4 测量人员根据业主提供的测量控制资料施测本工程的测量控制网并作出书面材料,经复测合格后,报工程监理工程师验线,在收到验线合格书面通知后,方可正式使用。 3.1.5 定位放线 A根据监理工程师审批后的测量控制网资料测定道路的平面控制网。 B测定道路控制桩。 C验线:首先检查定位依据的准确性和定位的几何尺寸,再检查控制轴线间距是否正确。 3.2 挡土墙施工 3.2.1 挡土墙土方施工 3.2.1.1本工程土方开挖采用1m3反铲挖土机挖土,自卸汽车外运土到指定地点,基底预留土厚度200mm,由人工配合清土。土方开挖按1:0.5放坡,开挖时要设专人负责管理。测量人员随挖随测,保证基底的设计标高及设计几何尺寸。 3.2.1.2土方施工完毕后,应及时请业主、监理等有关人员验槽,验槽后要及时施工砼垫层,防止基底被扰动,影响承载力。 3.2.1.3土方开挖后,施工技术人员应随时检查基土情况,如果发现基土与设计不符应立即停止开挖,并及时通知业主、监理与设计部门,研究处理办法。 3.2.1.4 土方回填前,对基础结构进行检查验收,并把基坑内的杂物清除干净,做好隐检,待业主、监理与设计人员验收合格后方可进行回填。 3.2.1.5 回填土采用装载机装土,自卸汽车运土至挡土墙外侧,人工运土、平土到基础周围。机械夯实,压实系数不小于0.93。 3.2.1.6 基础周围边角地方采用冲击夯进行夯实,大面积回填土采用蛙式打夯机夯实,必须分层回填分层夯实,分层厚度不大于300mm。 3.2.1.7 回填土分层夯实分层取样,取样数量和质量要求确保达到设计及规范要求。 3.2.2 钢筋工程 3.2.2.1 钢筋进场必须有出厂合格证,材质必须符合设计及规范要求。进场钢筋必须由监理工程师监督进行取样复检,复检合格方可使用。进场后的钢筋按其规格分类堆放,并做好产品标识,写清产地、规格、数量及检验状态,不合格品及时运出施工现场,未经复检的钢筋单独堆放,不得使用。 3.2.2.2 钢筋现场制作成型,钢筋制作人员必须熟悉图纸,认真填写钢筋下料单、加工料牌。加工成型好的钢筋要分类堆放并做好标识,成型后的钢筋要及时绑扎,防止久放雨水淋浸生锈。 3.2.2.3 钢筋绑扎前要检查钢筋的规格、数量、形状、尺寸是否与下料单相同,确认无误后方可运至施工现场。钢筋绑扎前要先清除模板内的杂物,按设计要求铺设钢筋,钢筋要满绑,绑扎牢固,不允许出现松扣、漏扣现象。 3.2.2.4钢筋绑扎时应注意钢筋绑扎铁线不得外露砼表面,钢筋保护层应严格按设计要求控制。 3.2.2.5挡土墙底部钢筋为上下两层钢筋网,为保证上层钢筋网不下沉,在两层网片之间加U型Ф16钢筋马凳,按梅花形间距1m布置。 3.2.2.6钢筋工程施工完毕后要认真做好自检、专检工作,会同业主、监理等进行复检,监理工程师在隐蔽工程验收记录上签字认可后方可施工砼。 3.2.3 模板工程 3.2.3.1 根据工程特点,为保证挡土墙外观质量,采用竹胶板配置模板。3.2.3.2 现场使用高速手提电锯进行木多层板锯板,制作误差为+0,-5mm,为防止产生毛边,锯板前先将板下垫实,锯板速度不宜过快。并将锯口处用耐水酚醛油漆涂刷三次。 3.2.3.3 锯板成型后,在板后用50×100木方沿纵向扁放后用钉子钉牢,木方间距不大于300mm,模板平面拼缝处用不干胶带封好,接缝处用木方钉牢。 3.2.3.4 木模板使用之前,先将板面均匀涂刷一层脱模剂,脱模后应及时清洁板面,严禁用坚硬物敲刮板面。周转下来的模板水平摆放,下垫木方,边角对齐堆放在平整地面上。 3.2.3.5 模板重复使用前,必须再将表面清理干净,并均匀涂刷一层脱模剂,处理不净或未刷脱模剂的模板不允许使用。不允许在已支好的模板上刷脱模剂,防止污染钢筋。 3.2.3.6 为了保证模板支设的整体稳定性,采用φ14对拉螺栓进行加固模板,对拉螺栓自挡土墙底部300mm开始水平、竖直方向间距均按500mm交错布置。模板外侧用ф48×3.5mm脚手管加固支撑。 3.2.3.7 模板及其支承体系在安装过程中,必须设置防倾覆的临时固定措施。 3.2.3.8 模板及其支架拆除要保证其表面及棱角不因拆除模板而受损坏后,方可拆除。 3.2.4 砼工程 3.2.4.1 施工现场设置一套1m3的砼搅拌站,水泥用量及骨料计量采用电子秤控制,水用量用时间计量器控制,由砼运输车把砼运至浇筑地点,再由砼汽车泵浇筑入模。 3.2.4.2 原材料选择 水泥:选用强度等级不小于32.5的普通硅酸盐水泥。 砂:选用级配均匀的中粗砂,含泥量小于3%。 石子:采用级配均匀的砾石,粒径为5~20mm,确保砼泵送的可泵性和连续性。 外加剂:在砼拌和物中掺入高效复合泵送剂提高砼的施工性能。 3.2.4.3挡土墙砼施工时,采取连续浇筑方法,分层厚度不大于500mm,砼浇筑从一端开始平行推进。 3.2.4.4 采用插入式砼振捣器,插入点间距为300mm,插入时做到快插慢拔,每一点振捣时间为20~30s,分层浇筑时,每层砼厚度应不超过振捣棒长的1.25倍,在振捣上层砼时,砼振捣器应插入下层中50mm左右,以消除两层之间的接缝,振捣上层砼时要在下层砼初凝之前进行。 3.2.4.5 砼浇筑时要振捣密实,不得漏振,同时应经常观察模板支架、钢筋和预留孔洞的情况,当发现有变形、位移时,应立即停止浇筑,并应在已经浇筑的砼初凝前将其加固修整完好,再进行砼浇筑。 3.2.4.6 砼养护 在平台砼表面洒水湿润进行养护,并覆盖一层塑料布,避免砼干缩出现裂缝,养护期不少于7天。 3.2.4.7 泵送砼 3.2.4.8 泵送砼前,先用水润湿整个泵管,然后输送水泥砂浆,使输送泵管处于湿润状态,再开始泵送砼,砼泵送应连续进行。 3.2.4.9 操作人员在泵送砼时要注意观察砼泵的液压表和各部位的工作状态,在泵的出口处最容易发生堵塞现象,如发生堵塞泵管情况,应立即将泵机反转运行,使泵出口堵塞的砼能回流到料斗内,将回流后的砼搅拌后再继续进行泵送砼工作。 3.2.4.10 泵送砼结束后,要及时进行泵管清理。 3.2.4.11 砼试块制作及质量检验 砼试块制作在搅拌站及浇筑地点随机取样,每组分别做3块试块,每作业班与每100m3砼不少于一组;每次搅拌同种标号砼时,不在第一罐砼中取样。试块做好标识并进行同条件养护,按龄期送试验室做抗压强度试验。 3.3 道路施工 3.3.1 路基施工 3.3.1.1 根据测量数据先将路基不平处及返浆、松软部位进行挖除或填补处理,要求填级配碎(砾)石进行压实处理,细料含量20%~30%为宜。 3.3.1.2路基压实处理要求路槽底面以下深度0.8m范围内压实度>98%,0.8m以下压实度>95%。 3.3.1.3路基完成后要注意加强保护,如有损坏,及时用相同材料修补压实。 3.3.2路面基层施工 3.3.2.1 天然砂砾底基层石料强度不低于3级,最大粒径不大于100mm。施工时应分两层压实。 3.3.2.2级配碎石基层石料强度不低于3级, 细长及扁平颗粒含量不宜超过20%,石料粒径不大于50mm。 3.3.2.3 级配碎石的混合料必须拌和均匀,没有粗细离析现象,并且在最佳含水率时进行碾压,施工过程测量人员跟踪检查,发现问题及时找平处理。 3.3.3 路面面层施工 3.3.3.1 原材料选择 水泥:选用不小于32.5Mpa的普通硅酸盐水泥。 砂:选用级配均匀的中粗砂,含泥量小于3%。 石子:采用级配均匀的碎石,粒径为5~40mm,符合GBJ97-87级配要求。 外加剂:采用复合高效减水早强剂,掺量为水泥用量的3~5%。 水: 砼搅拌和养护用水采用饮用水。 3.3.3.2根据工程特点,道路侧壁模板采用[25a,保证高度与砼板厚度一致,并在其上按传力杆位置留出孔洞。 3.3.3.3模板支撑采用Ф25钢筋进行加固,模板接头和模板与基层接触处均不得漏浆,基层处可以用砂浆堵塞,模板与砼接触的表面涂隔离剂。 3.3.3.4模板重复使用前,必须再将表面清理干净,并均匀涂刷一层脱模剂,处 理不净或未刷脱模剂的模板不允许使用。不允许在已支好的模板上刷脱模剂,防止污染钢筋。 3.3.3.5 砼摊铺前,对模板的间隔、高度、润滑、支撑稳定情况和基层的平整、湿润情况、以及传力杆装置等进行全面检查,合格后方能进行砼的摊铺。 3.3.3.6在砼强度能保证其表面及棱角不因拆除模板而受损坏后,方可拆除。 3.3.3.7 路面面层砼搅拌采用机械搅拌施工,施工现场设置一套1m3的砼搅拌站,投入搅拌机每盘拌和物的数量要严格按配合比计量投料,边搅拌边加水。 水泥用量及骨料计量采用电子秤控制,水用量用时间计量器控制,由砼运输车把砼运至浇筑地点。 3.3.3.8路面面层砼一次摊铺,摊铺厚度考虑振实预留高度,人工摊铺防止砼离析。浇筑砼时做好试块留置,并及时送质检部门检验。 3.3.3.9 路面面层砼的振捣采用插入式与平板振捣器振捣后,采用振动梁振捣拖平,振捣时人工找平,并且随时检查模板,如有下沉、变形、松动,要及时纠正。 3.3.3.10 路面面层砼整平时,填补板面要用砾石较细的砼拌和物,严禁用纯砂浆填补找平。整平时要保证模板顶面整洁,接缝处板面平整。 3.3.3.11 砼板做面前,要清边整缝,清除粘浆,修补边角,做面时不得在表面洒水、撒水泥。做面分二次进行,先找平抹平,待砼表面无泌水时,再作第二次抹平,使砼板面平整、密实,找平后沿横坡方向用机具压槽,验收植≥0.6mm。 3.3.3.12砼做面完毕,要及时进行养护,养护采用草帘覆盖表面,每天均匀洒水,保持潮湿状态,养护期间和填缝前,禁止车辆通行,养护时间14天。 3.3.4接缝施工 3.3.4.1胀缝应与路面中心线垂直,缝壁必须垂直,宽度须一致为25mm,缝中不得连浆,缝隙上部应浇灌填缝料,下部设置胀缝板,填缝材料采用乳化沥青橡胶,接缝板采用浸泡过沥青的木丝板,胀缝设置在小半径曲线切点处及与固定构筑物相接处。 3.3.4.2砼面板的纵缝设置在道路中心线处,已浇砼板的缝壁涂刷沥青,并按施工缝构造做法预埋Ф16@900钢筋,另外由于砼面板分块施工,横向施工缝处要预埋Φ16@900钢筋,分块施工长度9m~12m,(做法见G5200-3Z-3图)所有施工缝拉杆长度的一半锚固于砼中,拉杆与缝壁垂直。 3.3.4.3横向缩缝采用机器切割,待砼达到设计强度的25%~30%方可切割,切割前检查电源及试行运转情况,还要调整刀片的进刀深度,切割时随时调整刀片的切割方向,切缝后尽快灌注填缝料(填缝料同胀缝材料)。缩缝间距4.0m~5.0m,缝深60mm,缝宽6mm,纵横缝要垂直相交,各车行道的横缝对齐在一条直线上,横向缩缝应与横向施工缝重合。 3.3.4.4砼板养护期满后,及时填缝,填缝前必须保证缝内清洁,防止砂石等杂物掉入缝内,灌注时缝槽必须处于干燥状态。 3.3.5 路缘石施工 3.3.5.1 路缘石制作采用3mm厚钢板制作模型进行现场预制,保证外光内实,棱角整齐,路缘石尺寸高380mm╳宽150mm╳长490mm。 3.3.5.2路缘石用M7.5水泥砂浆砌筑,并用1:2水泥砂浆勾平缝,路缘石背面填土必须充分夯实,保证施工质量。 4.工程质量保证体系和保证措施 4.1 质量方针、质量目标 4.1.1 质量方针:遵循建筑业法律法规,视产品质量为企业的生命,对施工全过程实施质量控制,持续改进质量管理体系,为顾客提供满意的产品和服务,努力把每一项工程建设成同行业一流产品。 4.1.2 质量目标:产品(工程)质量合格率100%;单位工程优良率75%,三年内达到80%以上;顾客满意率达到98%;按照ISO9001:2001标准要求,持续改进质量管理体系。 4.1.3 本工程质量:一次性交验合格,力争荣获“鲁班奖”或青海省“江河源”杯奖。 4.2 质量管理体系 项目经理部按ISO9002标准建立质量管理体系,由项目经理、副经理和分管质量的项目总工程师、各职能组成员组成质量管理体系。下设质量监督组负责本项目工程质量监督检查和管理工作,各参战施工队成立质量管理小组,明确专职质量检查员,具体做好本项目工程质量管理的自检工作,并形成自上而下的现场质量监督检查网。 对企业施工生产作业人员进行严格的质量教育,贯彻落实工程质量方针目标,按质量管理责任制进行严格的施工管理,在业主及工程监理人员的监理和省质量监督站的检查监督下,按照国家质量技术规范、标准,做好各项工序的质量保证工作。 为使工程质量时时处于受控状态,在施工过程中严格按照施工组织设计、施工程序文件、作业指导书及质量计划的内容组织施工。 4.3 质量保证技术措施 4.3.1 施工准备阶段的质量控制 4.3.1.1 参加图纸会审和设计交底工作。编制施工方案,要求进行两个方面的控制:一是在制定施工方案时,必须进行技术经济分析和比较,力争在保证质量的前提下,缩短工期,降低成本;二是在制定施工进度时,必须考虑施工工艺和施工顺序能否保证工程质量。 4.3.1.2 检查临时工程是否符合工程质量和使用要求,检查施工机械设备是否可以进入正常生产运行状态。同时还要检查各种施工作业人员是否具备相应的操作技术和资格,特种作业人员是否持证上岗,是否进入正常的按规范作业状态。检查作业环境是否能发生质量问题。对原材料要核实产品合格证,是否准确无误符合规范要求,使用前必须进行复检,以确认原材料的真实质量,保证其符合设计要求。 4.3.2 施工阶段的质量控制 4.3.2.1 加强对施工工艺的质量控制。在施工过程中,技术人员要预先向作业者进行工艺过程的技术交底,并做好交底记录,交代清楚有关的质量要求和施工操作技术规程,同时要求作业者必须认真按工艺卡进行作业,使施工工艺质量控制标准化、规范化、制度化。 4.3.2.2 加强对施工工序的质量控制。施工工序质量控制的重点是施工质量控制点的质量检测,采取相应的技术和管理措施,以消除控制点的质量现状与质量控制目标之间的差距。 4.3.3 本工程施工中,要认真贯彻谁施工谁负责质量的原则,从各级领导直到施工操作人员都要严格贯彻执行建设公司颁发的质量责任制,各参战单位都要建立健全施工现场的质量保证体系,做到分工明确,责任落实,奖惩分明,认真执行建设公司颁发的质量奖惩条例。 4.4 加强施工现场质量管理 4.4.1 在施工现场参战的全体职工中开展质量教育活动,强化质量意识,牢固树立“百年大计、质量第一”的思想和全心全意为用户服务的作风。 4.4.2 各参战单位都要遵照建设公司关于开展质量活动月的要求,认真组织各种活动,对所完成的施工任务,认真进行总结分析,找出经验教训,制定质量改进保证措施。 4.4.3 做好图纸自审、会审工作,并按分部、分项工程和主要质量控制环节,进行技术交底(书面、交底会等)。 4.4.4 严格按照施工图纸和有关施工验收规范与质量标准组织施工,严明施工纪律。要严格执行建设公司颁发的《质量监督检查工作条例》。 4.4.5 加强计量管理,按计量网络要求进行施工工艺和工程质量计量检测,按要求精度配齐有关计量器具,并严格执行周检、抽检,不合格计量器具不准使用。 4.5 技术质量保证措施 4.5.1 凡是进入施工现场的工程用料、半成品建筑材料,必须要有材质合格证、复验报告及产品检验合格证,否则不得使用。 4.5.2 为保证砼质量,要严格控制水灰比。为了改善和易性和降低水灰比,采取加入高效复合减水剂的措施。 4.5.3 做好砼搅拌站的管理及砼试块的管理工作,设专人对砼试块以及试块台帐、编号等进行管理,试块送压要及时。 4.5.4 认真执行“自检、互检、专检”三关检查制度,经检查前道工序不合格的产品,不允许进行下道工序施工,砼浇筑前要通知有关专业单位进行联合检查,经检查核对无误,由专检人员签字后方可浇筑砼。 4.5.5 现场使用的模板涂刷脱模剂后方可使用,不符合要求的模板不得使用。4.5.6 不得将严重锈蚀的钢筋用在工程实体上,钢筋加工尺寸要准确,规范,排距均匀,牢固可靠。 4.5.7 气、电焊操作人员必须经过专业培训取得上岗证后方可上岗操作。 4.5.8 模板的支承面和固定必须保证整体稳定,保证支撑系统的强度和刚度要求。 4.5.9 砼搅拌要严格控制水灰比、坍落度,砼现场浇筑时,不得随意加水,留槎时间不得超过规定时间,砼浇筑完成后应加强对砼的养护。 4.5.10 钢材代用时,必须办理材料代用手续,必须经设计人员签字方可使用。 4.5.11 施工中的技术资料要随工程进度及时填写,签证、收集、整理技术资料工作要与施工进度同步进行。 4.5.12 施工时要严格按施工图和验收规范与操作规程施工,不符合要求不准进行下道工序。 5.安 全 生 产 措 施 5.1 施工安全管理 5.1.1 安全目标:死亡事故为零,重伤事故为零,轻伤事故小于2‰。 5.1.2建立以项目经理部、各作业队、工段、作业班组主要领导组成的安全监督机构, 定期研究分析、处理安全生产中的问题。 5.1.3 严格执行安全文明施工的三级教育,建立相应的安全培训制度。 5.1.4 对所有新入场的施工人员进行安全技术、文明施工等方面的教育。 5.1.5 对特殊工种(电焊、气焊、电工、架子工、场内机动车司机等)要进行特殊工种的安全知识和操作规程的教育,要持证上岗。 5.1.6 每周一召开全体施工作业人员的安全例会,认真分析上周的安全情况,部署本周的安全工作并做好记录。 5.1.7 坚持安全月报制度及每日班前十分钟的安全交底。 5.1.8 工长、安全员要坚持每天对现场进行安全及文明施工的检查,发现问题要及时整改。 5.1.9 安全活动内业资料应有专人负责收集整理。 5.2 安全防护管理 5.2.1 管理 5.2.1.1 实行安全交底制度,工长应按分部分项工程进行书面安全技术交底并交到作业班组。 5.2.2 施工机械安全防护 5.2.2.1 开工前各施工队应提出机械使用计划,所有施工机械进场应建立原始 档案,并会同公司机械管理部门一齐验收,办理“使用合格交付书”。 5.2.2.2 各机械设备要挂有该设备的“安全操作规程”,并向操作者进行“安全及性能交底”。 5.2.2.3 各机械在使用过程中,要进行定期检测,进行设备运行记录,包括安全运行、维修、保养等内容。 5.2.3 安全技术要求及措施 5.2.3.1搅拌机应搭设防砸、防雨操作棚,卷扬机应按要求设置牢固的地锚以固定机身,传动部分必须设置防护罩。 5.2.3.2蛙式打夯机须两人操作,操作人员必须穿戴绝缘鞋,手套,操作手柄应有良好的绝缘外套,打夯机用后应切断电源,严禁在打夯机运转时清除积土。 5.2.3.3圆锯的锯盘及传动部位应安装防护罩,设置保险挡,分料器。凡是长度小于50cm,厚度大于圆盘半径的木料,严禁使用圆锯开料。电刨应设有安全防护装置。 5.2.3.4 钢丝绳应有足够的安全系数,要加强日常的检查,凡表面磨损、腐蚀、断丝超过标准的、打死弯、断股、油芯外露的均不得使用。 5.2.3.5司机要严格按操作规程、施工技术规范、安全交底内容操作,加强日常的机械设备保养工作,认真执行“清洁、润滑、紧固、防腐”的八字保养制度。 5.2.3.6由于距离挡土墙约3m处有一排电线杆,为了保证施工过程的安全,对电线杆采取加固防止倾倒,地上和地下分别采取相应加固措施,上部采取拉锚方法,地下部分采取砖砌挡土墙方法,采用MU10红砖,M5.0水泥砂浆砌筑(具体见附图)。在施工挡土墙时要派专人进行监督检查,施工人员也要随时注意,发现异常随时采取措施处理。 17 / 17
展开阅读全文

开通  VIP会员、SVIP会员  优惠大
下载10份以上建议开通VIP会员
下载20份以上建议开通SVIP会员


开通VIP      成为共赢上传

当前位置:首页 > 品牌综合 > 施工方案/组织设计

移动网页_全站_页脚广告1

关于我们      便捷服务       自信AI       AI导航        抽奖活动

©2010-2026 宁波自信网络信息技术有限公司  版权所有

客服电话:0574-28810668  投诉电话:18658249818

gongan.png浙公网安备33021202000488号   

icp.png浙ICP备2021020529号-1  |  浙B2-20240490  

关注我们 :微信公众号    抖音    微博    LOFTER 

客服