收藏 分销(赏)

沥青混凝土面层报验申请表模板.doc

上传人:快乐****生活 文档编号:9518472 上传时间:2025-03-29 格式:DOC 页数:4 大小:36.04KB 下载积分:5 金币
下载 相关 举报
沥青混凝土面层报验申请表模板.doc_第1页
第1页 / 共4页
沥青混凝土面层报验申请表模板.doc_第2页
第2页 / 共4页


点击查看更多>>
资源描述
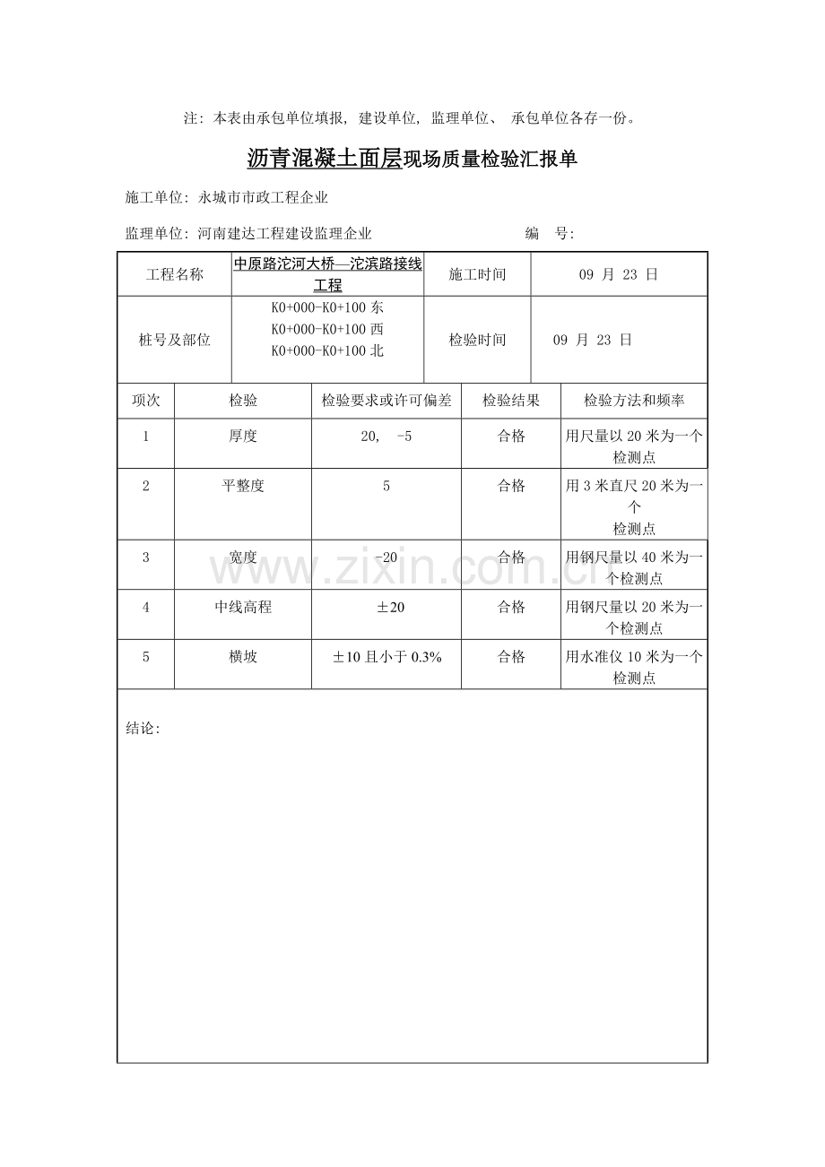
沥青混凝土面层报验申请表 工程名称: 中原路沱河大桥—沱滨路接线工程 编号: 致: 河南建达工程建设监理企业 (监理单位) 我单位已完成了中原路沱河大桥—沱滨路接线工程K0+000-K0+100东 K0+000-K0+100西K0+000-K0+100北段沥青混凝土面层工程, 经我方检验符合设计、 规范要求, 现报上该工程报验申请表, 请给予审查和验收。 附件: 1、 分项/分部工程工序质量评定表。 2、 沥青混凝土面层现场施工验收统计。 3、 隐蔽工程验收统计。 承包单位(章) 项目经理 曹明 日 期 .09.23 审查意见: 项目监理机构 总/专业监理工程师 日 期 注: 本表由承包单位填报, 建设单位, 监理单位、 承包单位各存一份。 沥青混凝土面层现场质量检验汇报单 施工单位: 永城市市政工程企业 监理单位: 河南建达工程建设监理企业 编 号: 工程名称 中原路沱河大桥—沱滨路接线工程 施工时间 09 月 23 日 桩号及部位 K0+000-K0+100东 K0+000-K0+100西 K0+000-K0+100北 检验时间 09 月 23 日 项次 检验 检验要求或许可偏差 检验结果 检验方法和频率 1 厚度 20, -5 合格 用尺量以20米为一个检测点 2 平整度 5 合格 用3米直尺20米为一个 检测点 3 宽度 -20 合格 用钢尺量以40米为一个检测点 4 中线高程 ±20 合格 用钢尺量以20米为一个检测点 5 横坡 ±10且小于0.3% 合格 用水准仪10米为一个检测点 结论: 监理工程师: 日期: 质检员:陈扎根 日期:.09.23 隐蔽工程检验验收统计 年 09月 23 日 工程名称 中原路沱河大桥—沱滨路接线工程 施工单位 永城市市政工程企业 隐检项目 沥青混凝土面层 隐检范围 K0+000-K0+100东 K0+000-K0+100西 K0+000-K0+100北 隐检 内容 及 检验 情况 1、 中线高程 许可偏差 ±20 实测: 10 12 -8 -5 15 16 -7 -6 2、 平整度 许可偏差 20 实测: 3 4 5 2 1 4 3 2 3 宽度 许可偏差 -20 实测: -15 -10 -8 -16 4 横坡 许可偏差 ±10且小于0.3% 实测: 10 -5 3 7 9 -5 -7 8 10 7 -8 -9 -8 5 3 5 厚度 许可偏差 20 ,-5 实测: 15 验 收 意 见 处 理 情 况 及 结 论 复查人: 年 月 日 监理工程师 施工项目 技术责任人 施工员 质检员 陈扎根 李博 陈扎根
展开阅读全文

开通  VIP会员、SVIP会员  优惠大
下载10份以上建议开通VIP会员
下载20份以上建议开通SVIP会员


开通VIP      成为共赢上传

当前位置:首页 > 包罗万象 > 大杂烩

移动网页_全站_页脚广告1

关于我们      便捷服务       自信AI       AI导航        抽奖活动

©2010-2025 宁波自信网络信息技术有限公司  版权所有

客服电话:0574-28810668  投诉电话:18658249818

gongan.png浙公网安备33021202000488号   

icp.png浙ICP备2021020529号-1  |  浙B2-20240490  

关注我们 :微信公众号    抖音    微博    LOFTER 

客服