收藏 分销(赏)

园林绿化工程施工及验收规范表格文档模板.doc

上传人:天**** 文档编号:9514653 上传时间:2025-03-29 格式:DOC 页数:29 大小:582.54KB 下载积分:10 金币
下载 相关 举报
园林绿化工程施工及验收规范表格文档模板.doc_第1页
第1页 / 共29页
园林绿化工程施工及验收规范表格文档模板.doc_第2页
第2页 / 共29页


点击查看更多>>
资源描述
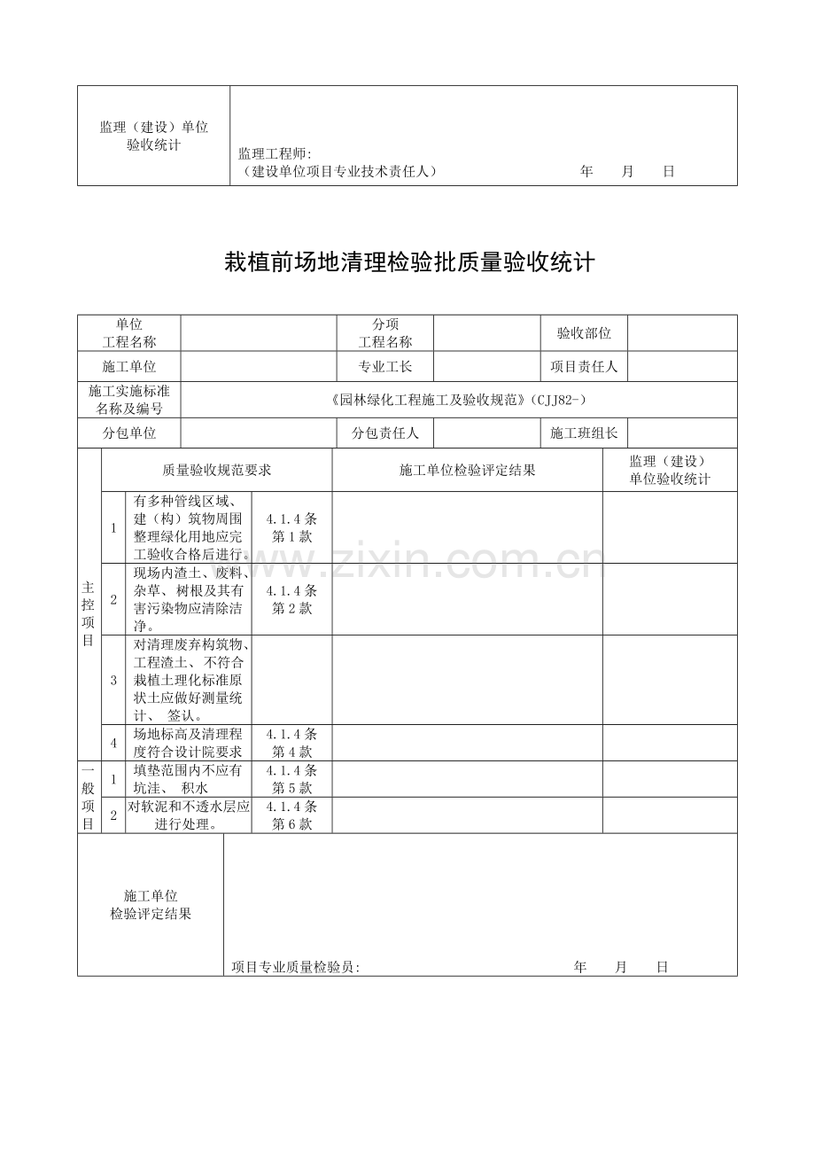
栽植土检验批质量验收统计 单位 工程名称 分项 工程名称 验收部位 施工单位 专业工长 项目责任人 施工实施标准 名称及编号 《园林绿化工程施工及验收规范》(CJJ82-) 分包单位 分包责任人 施工班组长 主控项目 质量验收规范要求 施工单位检验评定结果 监理(建设) 单位验收统计 1 栽植土土壤PH植 5.6~8.0 2 土壤全盐含量 0.1%~0.3% 3 土壤容量 1.0g/cm³~1.35g/cm³ 一 般 项 目 1 土壤有机质含量 ≥1.5% 2 土壤块径 ≤5cm 3 绿化栽植土有效土层厚度通常栽植 乔木 胸径≥20cm ≥180cm 胸径<20cm ≥150cm 深根 ≥100cm 浅根 灌木 大、 中灌木、 大藤本 ≥90cm 小灌木、 宿根花卉、 大藤本 ≥40 cm 棕榈类 ≥90cm 竹类 大径 ≥80cm 中、 小径 ≥50cm 草坪、 草花、 地被 ≥30cm 设施顶面绿化 乔木 ≥80cm 灌木 ≥45cm 草坪、 草花、 地被 ≥15cm 施工单位 检验评定结果 项目专业质量检验员: 年 月 日 监理(建设)单位 验收统计 监理工程师: (建设单位项目专业技术责任人) 年 月 日 栽植前场地清理检验批质量验收统计 单位 工程名称 分项 工程名称 验收部位 施工单位 专业工长 项目责任人 施工实施标准 名称及编号 《园林绿化工程施工及验收规范》(CJJ82-) 分包单位 分包责任人 施工班组长 主控项目 质量验收规范要求 施工单位检验评定结果 监理(建设) 单位验收统计 1 有多种管线区域、 建(构)筑物周围整理绿化用地应完工验收合格后进行。 4.1.4条 第1款 2 现场内渣土、 废料、 杂草、 树根及其有害污染物应清除洁净。 4.1.4条 第2款 3 对清理废弃构筑物、 工程渣土、 不符合栽植土理化标准原状土应做好测量统计、 签认。 4 场地标高及清理程度符合设计院要求 4.1.4条 第4款 一 般 项 目 1 填垫范围内不应有坑洼、 积水 4.1.4条 第5款 2 对软泥和不透水层应进行处理。 4.1.4条 第6款 施工单位 检验评定结果 项目专业质量检验员: 年 月 日 监理(建设)单位 验收统计 监理工程师: (建设单位项目专业技术责任人) 年 月 日 栽植土回填及地形造型检验批质量验收统计 单位 工程名称 分项 工程名称 验收部位 施工单位 专业工长 项目责任人 施工实施标准 名称及编号 《园林绿化工程施工及验收规范》(CJJ82-) 分包单位 分包责任人 施工班组长 主控项目 质量验收规范要求 施工单位检验评定结果 监理(建设) 单位验收统计 1 造型胎土、 栽植土应符合设计要求并有检测汇报 4.1.5条 第2款 2 回填土及地形造型范围、 厚度、 标高、 造型及坡度符合设计要求 4.1.5条 第4款 3 4 5 一 般 项 目 1 回填土壤应分层适度扎实, 或自然沉降达成基础稳定, 严禁用机械反复碾压 4.1.5条 第3款 2 地形造型应自然顺畅 4.1.5条 第5款 3 边界线位置 ±50cm 4 等高线位置 ±10cm 5 地形相对标高 ≤100cm ±5 101~200cm ±10cm 201~300cm ±15cm 301~500cm ±20cm 6 施工单位 检验评定结果 项目专业质量检验员: 年 月 日 监理(建设)单位 验收统计 监理工程师: (建设单位项目专业技术责任人) 年 月 日 栽植土施肥和表层整理检验批质量验收统计 单位 工程名称 分项 工程名称 验收部位 施工单位 专业工长 项目责任人 施工实施标准 名称及编号 《园林绿化工程施工及验收规范》(CJJ82-) 分包单位 分包责任人 施工班组长 主控项目 质量验收规范要求 施工单位检验评定结果 监理(建设) 单位验收统计 1 商品肥料应有合格证实, 或经试验证实符合要求 4.1.6条 第1款 2 有机肥应充足腐熟方可使用 4.1.6条 第1款 3 施用无机肥料应测定土壤有效养分含量, 并宜用缓释无机肥 4.1.6条 第1款 4 一 般 项 目 1 栽植土表层不得有显著低洼和积水处 4.1.6条 第2款 2 表层应整齐, 所含石砾粒径符合要求要求 4.1.6条 第2款 3 表层与道路接壤处, 栽植土应低于测石3-5cm,栽植土与边口线基础平直 4.1.6条 第2款 4 表层整地后应平整略有坡度, 坡度应符合设计要求 4.1.6条 第2款 5 栽植土表层土块粒径 大、 中乔木 ≤5cm 小乔木、 大中灌木、 大藤本 ≤4cm 竹类、 小灌木、 宿根花卉、 小藤本 ≤3cm 草坪、 草花、 地被 ≤2cm 施工单位 检验评定结果 项目专业质量检验员: 年 月 日 监理(建设)单位 验收统计 监理工程师: (建设单位项目专业技术责任人) 年 月 日 栽植穴(槽)检验批质量验收统计 单位 工程名称 分项 工程名称 验收部位 施工单位 专业工长 项目责任人 施工实施标准 名称及编号 《园林绿化工程施工及验收规范》(CJJ82-) 分包单位 分包责任人 施工班组长 主控项目 质量验收规范要求 施工单位检验评定结果 监理(建设) 单位验收统计 1 栽植穴(槽)定点放线应符合设计要求, 位置应正确, 标识显著 4.2.3条 第1款 2 栽植穴(槽)直径、 穴深应符合要求, 应垂直下挖, 上口下底应相等 4.2.4条 3 栽植穴(槽)底部遇有不透水层及重黏土时, 应进行疏松或采取排水方法 4.2.6条 一 般 项 目 1 栽植穴(槽)挖出表层土和底土应分别堆放, 底部应施基肥并回填土 4.2.5条 2 土壤干燥时应于栽植前灌水浸穴(槽) 4.2.7条 3 当土壤密实度大于1.35g/cm3或渗透系数小于10-4cm/s时, 应采取扩大树穴, 疏松土壤等方法 4.2.8条 施工单位 检验评定结果 项目专业质量检验员: 年 月 日 监理(建设)单位 验收统计 监理工程师: (建设单位项目专业技术责任人) 年 月 日 植物材料检验批质量验收统计 单位 工程名称 分项 工程名称 植物材料 (乔木、 灌木) 验收部位 施工单位 专业工长 项目责任人 施工实施标准 名称及编号 《园林绿化工程施工及验收规范》(CJJ82-) 分包单位 分包责任人 施工班组长 主控项目 质量验收规范要求 施工单位检验评定结果 监理(建设) 单位验收统计 1 植物材料种类、 品种名称及规格应符合设计要求 4.3.1条 2 严禁使用带有严重病虫害植物材料 4.3.2条 通常项目 1 植物材料外观 姿态和长势 表4.3.3 病虫害 表4.3.3 土球苗 表4.3.3 裸根苗根系 表4.3.3 容器苗木 表4.3.3 2 乔木植物材料规格偏差 胸径 ≤5cm -0.2cm 6cm~9cm -0.5cm 10cm~15cm -0.8cm 16cm~20cm -1.0cm 高度 -20cm 冠径 -20cm 3 灌木规格偏差 高度 ≥100cm -10cm <100cm -5cm 冠径 ≥100cm -10cm <100cm -5cm 施工单位 检验评定结果 项目专业质量检验员: 年 月 日 监理(建设)单位 验收统计 监理工程师: (建设单位项目专业技术责任人) 年 月 日 植物材料检验批质量验收统计 单位 工程名称 分项 工程名称 植物材料 (棕榈类植物) 验收部位 施工单位 专业工长 项目责任人 施工实施标准名称及编号 《园林绿化工程施工及验收规范》(CJJ82-) 分包单位 分包责任人 施工班组长 主控项目 质量验收规范要求 施工单位检验评定结果 监理(建设) 单位验收统计 1 植物材料种类、 品种名称及规格应符合设计要求 4.3.1条 2 严禁使用带有严重病虫害植物材料 4.3.2条 通常项目 1 植物材料外观 主干挺直, 树冠完整、 苗木不陡长、 根系发育良好不外露 表4.3.3 2 棕榈类植物材料规格偏差 株高 ≤100cm 0cm 101~250 -10cm 251~400 -20cm >400cm -30cm 地径 ≤10cm -1cm 11~40cm -2cm >40cm -3cm 施工单位 检验评定结果 项目专业质量检验员: 年 月 日 监理(建设)单位 验收统计 监理工程师: (建设单位项目专业技术责任人) 年 月 日 植物材料检验批质量验收统计 单位 工程名称 分项 工程名称 植物材料(草卷、 草块、 草束) 验收部位 施工单位 专业工长 项目责任人 施工实施标准名称及编号 《园林绿化工程施工及验收规范》(CJJ82-) 分包单位 分包责任人 施工班组长 主控项目 质量验收规范要求 施工单位检验评定结果 监理(建设) 单位验收统计 1 植物材料种类、 品种名称及规格应符合设计要求 4.3.1条 2 严禁使用带有严重病虫害植物材料 4.3.2条 通常项目 1 植物材料外观 草卷、 草块长宽尺寸基础一致, 厚度均匀, 杂草不超出5%,草高适度, 根系好, 草芯鲜活。 表4.3.3 施工单位 检验评定结果 项目专业质量检验员: 年 月 日 监理(建设)单位 验收统计 监理工程师: (建设单位项目专业技术责任人) 年 月 日 植物材料检验批质量验收统计 单位 工程名称 分项 工程名称 植物材料(花苗、 地被、 绿篱及模纹色块植物) 验收部位 施工单位 专业工长 项目责任人 施工实施标准名称及编号 《园林绿化工程施工及验收规范》(CJJ82-) 分包单位 分包负人 施工班组长 主控项目 质量验收规范要求 施工单位检验评定结果 监理(建设) 单位验收统计 1 植物材料种类、 品种名称及规格应符合设计要求 4.3.1条 2 严禁使用带有严重病虫害植物材料 4.3.2条 通常项目 1 植物材料外观 株型茁壮, 根系基础良好, 无伤苗, 茎叶无污染, 病虫害危害程度不超出植株5%~10% 表4.3.3 2 球类苗木材料规格偏差 冠径 ≤50cm 0cm 50~100 -5cm 110~200 -10cm >200cm -20cm 高度 ≤50cm 0cm 50~100 -5cm 110~200 -10cm >200cm -20cm 施工单位 检验评定结果 项目专业质量检验员: 年 月 日 监理(建设)单位 验收统计 监理工程师: (建设单位项目专业技术责任人) 年 月 日 苗木运输和假植检验批质量验收统计 单位 工程名称 分项 工程名称 验收部位 施工单位 专业工长 项目责任人 施工实施标准 名称及编号 《园林绿化工程施工及验收规范》(CJJ82-) 分包单位 分包责任人 施工班组长 主控项目 质量验收规范要求 施工单位检验评定结果 监理(建设) 单位验收统计 1 运输吊装苗木机具和车辆工作吨位, 必需满足苗木吊装、 运输需要, 并制订对应安全操作方法 4.4.3条 2 苗木运到现场, 当日不能栽植应立刻进行假植 4.4.6条 通常项目 1 裸根苗木运输时, 应进行覆盖, 保持根部湿润。装车运输、 卸车时不得损伤苗木 4.4.4条 2 带土球苗木装车和运输时排列次序应合理, 捆绑稳固, 卸车时应轻取轻放, 不得损伤苗木及散球 4.4.5条 3 裸根苗可在栽植现场周围选择适合地点, 依据根幅大小, 挖假植沟假植。假植时间较长时, 根系应用湿土埋严, 不得透风, 根系不得失水 4.4.7条 第1款 4 带土球苗木假植, 可将苗木码放整齐, 土球四面培土, 喷水保持土球湿润 4.4.7条 第2款 施工单位 检验评定结果 项目专业质量检验员: 年 月 日 监理(建设)单位 验收统计 监理工程师: (建设单位项目专业技术责任人) 年 月 日 苗木修剪检验批质量验收统计 单位 工程名称 分项 工程名称 验收部位 施工单位 专业工长 项目责任人 施工实施标准名称及编号 《园林绿化工程施工及验收规范》(CJJ82-) 分包单位 分包责任人 施工班组长 主控项目 质量验收规范要求 施工单位检验评定结果 监理(建设) 单位验收统计 1 苗木修剪整形应符合设计要求, 当无要求时, 修剪整形应保持原树形 4.5.4条 第1款 2 苗木应无损伤断枝、 枯枝、 严重病虫枝等 4.5.4条 第2款 通常项目 1 落叶树木枝条应从基部剪除, 不留木橛, 剪口平滑, 不得劈裂 4.5.4条 第3款 2 枝条短截时应留外芽, 剪口应距留芽位置上方0.5cm 4.5.4条 第4款 3 修剪直径2cm以上大枝及粗根时, 截口应削平应涂防腐剂 4.5.4条 第5款 4 非栽植季节栽植落叶树木, 应依据不一样树种特征, 保持树型, 宜合适增加修剪量, 可剪去枝条1/2-1/3 4.5.5条 施工单位 检验评定结果 项目专业质量检验员: 年 月 日 监理(建设)单位 验收统计 监理工程师: (建设单位项目专业技术责任人) 年 月 日 树木栽植检验批质量验收统计 单位 工程名称 分项 工程名称 验收部位 施工单位 专业工长 项目责任人 施工实施标准名称及编号 《园林绿化工程施工及验收规范》(CJJ82-) 分包单位 分包责任人 施工班组长 主控项目 质量验收规范要求 施工单位检验评定结果 监理(建设) 单位验收统计 1 栽植树木品种、 规格、 位置应符合设计要求 4.6.1条 第2款 2 除特殊景观树外, 树木栽植应保持直立, 不得倾斜 4.6.1条 第6款 3 行道树或行列栽植树木应在一条线上, 相邻植株规格应合理搭配 4.6.1条 第7款 4 树木栽植成活率不应低于95%; 名贵树木栽植成活率应达成100% 4.6.1条 第10款 通常项目 1 带土球树木栽植前应去除土球不易降解包装物 4.6.1条 第3款 2 栽植前应注意观赏面合理朝向, 树木栽植深度应与原种植线持平 4.6.1条 第4款 3 栽植树木回填栽植土应分层扎实 4.6.1条 第5款 4 绿篱及色块栽植时, 株行距、 苗木高度、 冠幅大小应均匀搭配, 树形丰满一面应向外 4.6.1条 第8款 5 非种植季节进行树木栽植时, 应依据不一样情况采取方法应符合规范要求 4.6.4条 6 干旱地域或干旱季节, 树木栽植应符合规范要求 4.6.5条 施工单位 检验评定结果 项目专业质量检验员: 年 月 日 监理(建设)单位 验收统计 监理工程师: (建设单位项目专业技术责任人) 年 月 日 浇灌水检验批质量验收统计 单位 工程名称 分项 工程名称 验收部位 施工单位 专业工长 项目责任人 施工实施标准 名称及编号 《园林绿化工程施工及验收规范》(CJJ82-) 分包单位 分包责任人 施工班组长 主控项目 质量验收规范要求 施工单位检验评定结果 监理(建设) 单位验收统计 1 树木栽植后应在栽植穴直径周围筑高10cm~20cm围堰, 堰应坚实。 4.6.2条 第1款 2 浇灌树木水质应符合国家标准定 4.6.2条 第2款 3 每次浇灌水量应满足植物成活及生长需要。 4.6.2条 第4款 通常项目 1 浇水时应在穴中放置缓冲垫。 4.6.2条 第3款 2 新栽树木应在浇透水后立刻封堰, 以后依据当地情况立刻补水。 4.6.2条 第5款 3 对浇水后出现树木倾斜, 应立刻扶正, 并加以固定。 4.6.2条 第6款 施工单位 检验评定结果 项目专业质量检验员: 年 月 日 监理(建设)单位 验收统计 监理工程师: (建设单位项目专业技术责任人) 年 月 日 支撑检验批质量验收统计 单位 工程名称 分项 工程名称 验收部位 施工单位 专业工长 项目责任人 施工实施标准名称及编号 《园林绿化工程施工及验收规范》(CJJ82-) 分包单位 分包责任人 施工班组长 主控项目 质量验收规范要求 施工单位检验评定结果 监理(建设) 单位验收统计 1 支撑物支柱应埋入土中不少于30cm, 支撑物、 牵拉物与地面连接点连接应牢靠 4.6.3条 第2款 2 连接树木支撑点应在树木主干上, 其连接处应衬软垫, 并绑缚牢靠 4.6.3条 第3款 通常项目 1 支撑物、 牵拉物强度能够确保支撑有效; 用软牵拉固定时, 应设置警示标志 4.6.3条 第4款 2 针叶常绿树支撑高度应不低于树木主干2/3, 落叶树支撑高度为树木主干高度1/2 4.6.3条 第5款 3 同规格同树种支撑物、 牵拉物长度、 支撑角度、 绑缚形式以及支撑材料宜统一 4.6.3条 第6款 施工单位 检验评定结果 项目专业质量检验员: 年 月 日 监理(建设)单位 验收统计 监理工程师: (建设单位项目专业技术责任人) 年 月 日 大树挖掘包装检验批质量验收统计 单位 工程名称 分项 工程名称 验收部位 施工单位 专业工长 项目责任人 施工实施标准 名称及编号 《园林绿化工程施工及验收规范》(CJJ82-) 分包单位 分包责任人 施工班组长 主控项目 质量验收规范要求 施工单位检验评定结果 监理(建设) 单位验收统计 1 土球规格; 土球高度; 土球底部直径; 土台规格均应符合规范要求。 4.7.3条 第2款(3) 2 树根应用手锯锯断, 锯口平滑无劈裂并不得露出土球表面。 4.7.3条 第2款(4) 通常项目 1 土球软质包装应紧实无松动, 腰绳宽度应大于10cm。 4.7.3条 第2款(5) 2 土球直径1m以上应作封底处理。 4.7.3条 第2款(6) 3 土台箱板应立支柱, 稳定牢靠, 并应符合规范要求。 4.7.3条 第2款(7) 施工单位 检验评定结果 项目专业质量检验员: 年 月 日 监理(建设)单位 验收统计 监理工程师: (建设单位项目专业技术责任人) 年 月 日 大树吊运运输检验批质量验收统计 单位 工程名称 分项 工程名称 验收部位 施工单位 专业工长 项目责任人 施工实施标准 名称及编号 《园林绿化工程施工及验收规范》(CJJ82-) 分包单位 分包责任人 施工班组长 主控项目 质量验收规范要求 施工单位检验评定结果 监理(建设) 单位验收统计 1 大树吊装、 运输机具、 设备应符合本规范第4.4.3条要求。 4.7.4条 第1款 2 吊装、 运输时, 应对大树树干、 树条、 根部土球、 土台采取保护方法。 4.7.4条 第2款 通常项目 1 大树吊装就位时, 应注意选好关键观赏面方向。 4.7.4条 第3款 2 应立刻用软垫层支撑, 固定树体。 4.7.4条 第4款 施工单位 检验评定结果 项目专业质量检验员: 年 月 日 监理(建设)单位 验收统计 监理工程师: (建设单位项目专业技术责任人) 年 月 日 大树栽植检验批质量验收统计 单位 工程名称 分项 工程名称 验收部位 施工单位 专业工长 项目责任人 施工实施标准 名称及编号 《园林绿化工程施工及验收规范》(CJJ82-) 分包单位 分包责任人 施工班组长 主控项目 质量验收规范要求 施工单位检验评定结果 监理(建设) 单位验收统计 1 大树规格、 种类、 树形、 树势应符合设计要求。 4.7.5条 第1款 2 定点放线应符合施工图要求。 4.7.5条 第2款 3 栽植深度应保持下沉后原土痕和地面等高或略高, 树干或树木重心应与地面保持垂直。 4.7.5条 第5款 通常项目 1 栽植穴应依据根系或土球直径加大60-80cm, 深度增加20-30cm。 4.7.5条 第3款 2 种植土球树木, 应将土球放稳, 拆除包装物; 大树修剪应符合4.5.4条要求。 4.7.5条 第4款 3 栽植回填土应用种植土, 肥料应充足腐熟, 加土混合均匀, 回填土应分层捣实、 培土高度合适。 4.7.5条 第6款 4 大树栽植后设置支撑应牢靠, 并进行裹干保湿, 栽植后立刻浇水。 4.7.5条 第7款 5 大树栽植后, 应对新植树木进行细致养护和管理必需符合规范要求。 4.7.5条 第8款 施工单位 检验评定结果 项目专业质量检验员: 年 月 日 监理(建设)单位 验收统计 监理工程师: (建设单位项目专业技术责任人) 年 月 日 草坪和草当地被分栽检验批质量验收统计 单位 工程名称 分项 工程名称 验收部位 施工单位 专业工长 项目责任人 施工实施标准 名称及编号 《园林绿化工程施工及验收规范》(CJJ82-) 分包单位 分包责任人 施工班组长 主控项目 质量验收规范要求 施工单位检验评定结果 监理(建设) 单位验收统计 1 分栽植物材料应注意保鲜, 不萎蔫。 4.8.2条 第3款 2 干旱地域或干旱季节, 栽植前应先浇水浸地, 浸水深度应达成10cm以上。 4.8.2条 第4款 3 成坪后覆盖度 ≥95% 4 单块裸露面积 ≤25% 5 杂草及病虫害面积 ≤5% 通常项目 1 草坪分栽植物株行距, 每丛单株数应符合设计要求。 4.8.2条 第5款 2 栽植后应平整地面, 适度压实, 立刻浇水。 4.8.2条 第6款 施工单位 检验评定结果 项目专业质量检验员: 年 月 日 监理(建设)单位 验收统计 监理工程师: (建设单位项目专业技术责任人) 年 月 日 铺设草地及草卷检验批质量验收统计 单位 工程名称 分项 工程名称 验收部位 施工单位 专业工长 项目责任人 施工实施标准 名称及编号 《园林绿化工程施工及验收规范》(CJJ82-) 分包单位 分包责任人 施工班组长 主控项目 质量验收规范要求 施工单位检验评定结果 监理(建设) 单位验收统计 1 草卷、 草块铺设前应先浇水浸地细整找平, 不得有低洼处 4.8.3条 第4款 2 草块、 草卷在铺设后应进行滚压或拍打与土壤亲密接触 4.8.3条 第7款 3 铺设草卷、 草块, 应立刻浇透水, 浸湿土壤厚度应大于10cm 4.8.3条 第8款 4 成坪后覆盖度 ≥95% 5 单块裸露面积 ≤25% 6 杂草及病虫害面积 ≤5% 通常项目 1 草地排水坡度合适, 不应有坑洼积水 4.8.3条 第5款 2 铺设草卷、 草块应相互衔接不留缝, 高度一致, 间铺缝隙应均匀, 并填以栽植土 4.8.3条 第6款 施工单位 检验评定结果 项目专业质量检验员: 年 月 日 监理(建设)单位 验收统计 监理工程师: (建设单位项目专业技术责任人) 年 月 日 草坪及草当地被播种检验批质量验收统计 单位 工程名称 分项 工程名称 验收部位 施工单位 专业工长 项目责任人 施工实施标准 名称及编号 《园林绿化工程施工及验收规范》(CJJ82-) 分包单位 分包责任人 施工班组长 主控项目 质量验收规范要求 施工单位检验评定结果 监理(建设) 单位验收统计 1 播种前应做发芽试验和催芽处理, 确定合理播种量 4.8.1条 第2款 2 播种时应先浇水浸地, 保持土壤湿润, 并将表层土耧细粑平, 坡度应达成0.3%~0.5%并轻压 4.8.1条 第5款 3 用等量沙土与种子拌匀进行散播, 播种后应均匀覆细土0.3cm~0.5cm并轻压 4.8.1条 第6款 4 播种后应立刻喷水, 种子萌发前, 干旱地域应天天喷水1~2次, 水点宜细密均匀, 浸透土层8cm~10cm, 保持土表湿润, 不应有积水, 出苗后可降低喷水次数, 土壤一见湿见干 4.8.1条 第7款 5 成坪后覆盖度 ≥95% 6 单块裸露面积 ≤25% 7 杂草及病虫害面积 ≤5% 通常项目 1 应选择适合当地优良种子; 草坪、 草当地被种子纯度应达成95%以上; 冷地型草坪种子发芽率应达成85%以上, 暖季型草坪种子发芽率应达成70%以上 4.8.1条 第1款 2 播种前应对种子进行消毒, 杀菌 4.8.1条 第3款 3 整地前应进行土壤处理, 防治地下害虫 4.8.1条 第4款 施工单位 检验评定结果 项目专业质量检验员: 年 月 日 监理(建设)单位 验收统计 监理工程师: (建设单位项目专业技术责任人) 年 月 日 花卉栽植检验批质量验收统计 单位 工程名称 分项 工程名称 验收部位 施工单位 专业工长 项目责任人 施工实施标准名称及编号 《园林绿化工程施工及验收规范》(CJJ82-) 分包单位 分包责任人 施工班组长 主控项目 质量验收规范要求 施工单位检验评定结果 监理(建设) 单位验收统计 1 花苗品种、 规格、 栽植放样、 栽植密度、 栽植图案均应符合设计要求 4.9.2条 第1款 2 花卉栽植土及表层土整理应符合规范要求(第4.1.3条和第4.1.6条) 4.9.2条 第2款 3 花苗应覆盖地面, 成活率不低于95%。 4.9.2条 第5款 通常项目 1 株行距应均匀, 高低搭配应合
展开阅读全文

开通  VIP会员、SVIP会员  优惠大
下载10份以上建议开通VIP会员
下载20份以上建议开通SVIP会员


开通VIP      成为共赢上传

当前位置:首页 > 品牌综合 > 行业标准/行业规范

移动网页_全站_页脚广告1

关于我们      便捷服务       自信AI       AI导航        抽奖活动

©2010-2025 宁波自信网络信息技术有限公司  版权所有

客服电话:0574-28810668  投诉电话:18658249818

gongan.png浙公网安备33021202000488号   

icp.png浙ICP备2021020529号-1  |  浙B2-20240490  

关注我们 :微信公众号    抖音    微博    LOFTER 

客服