收藏 分销(赏)

船舶-管系舾装精度标准--管材-试压-系统设计.doc

上传人:仙人****88 文档编号:9399623 上传时间:2025-03-24 格式:DOC 页数:9 大小:431KB 下载积分:10 金币
下载 相关 举报
船舶-管系舾装精度标准--管材-试压-系统设计.doc_第1页
第1页 / 共9页
船舶-管系舾装精度标准--管材-试压-系统设计.doc_第2页
第2页 / 共9页


点击查看更多>>
资源描述
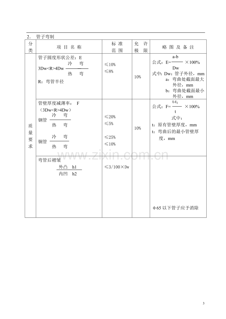
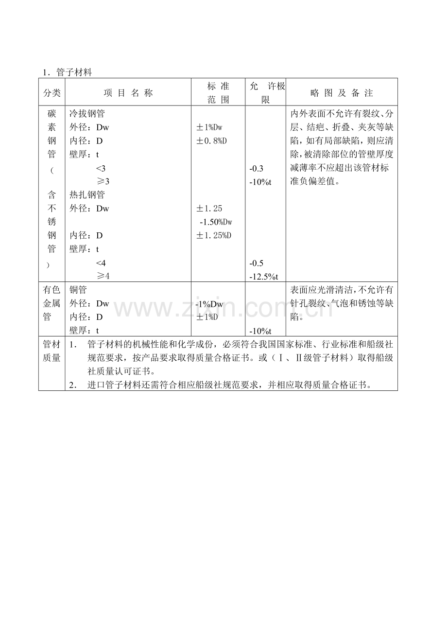
管系舾装精度标准 I Q/GSI XXXX-XXXX 1 范围 本标准规定了XXX。 本标准适用于XXX。 2 引用标准 所有标准都会被修订,使用本标准的各方应探讨使用下列标准最新版本的可能性。 9 1. 管子材料 分类 项 目 名 称 标 准 范 围 允 许极 限 略 图 及 备 注 ( ) 碳 素 钢 管 含 不 锈 钢 管 冷拔钢管 外径:Dw 内径:D 壁厚:t <3 ≥3 热扎钢管 外径:Dw 内径:D 壁厚:t <4 ≥4 ±1%Dw ±0.8%D ±1.25 -1.50%Dw ±1.25%D -0.3 -10%t -0.5 -12.5%t 内外表面不允许有裂纹、分层、结疤、折叠、夹灰等缺陷,如有局部缺陷,则应清除,被清除部位的管壁厚度减薄率不应超出该管材标准负偏差值。 有色金属管 铜管 外径:Dw 内径:D 壁厚:t -1%Dw ±1%D -10%t 表面应光滑清洁,不允许有针孔裂纹、气泡和锈蚀等缺陷。 管材质量 1. 管子材料的机械性能和化学成份,必须符合我国国家标准、行业标准和船级社规范要求,按产品要求取得质量合格证书。或(Ⅰ、Ⅱ级管子材料)取得船级社质量认可证书。 2. 进口管子材料还需符合相应船级社规范要求,并相应取得质量合格证书。 2. 管子弯制 分类 项 目 名 称 标 准 范 围 允 许极 限 略 图 及 备 注 质量要求 管子圆度形状公差:E 10% a-b 公式:E= ×100% Dw 式中:Dw:管子外径,mm a:弯曲处截面最大 外径,mm b:弯曲处截面最小 外径,mm 冷 弯 3Dw<R>4Dw 热 弯 ≤10% ≤8% R:弯管半径 管壁厚度减薄率: F (3Dw<R>4Dw) 冷 弯 钢管 热 弯 冷 弯 铜管 热 弯 ≤20% ≤5% ≤25% ≤10% 10% t-t1 公式:F= ×100% t 式中: t:原有管壁厚度,mm t:弯曲后的最小管壁厚 度,mm 弯管后褶皱 外凸 h1 内凹 h2 ≤3/100×Dw φ65以下管子应予消除 3. 管子、管接头、附件制造公差 分类 项 目 名 称 标准范围 允许 极限 简 图 管 子 直管 △L (与放样小票尺寸相差) ±3 ±6 弯管 △L △h △θ ±3 ±3 ±0.5° ±6 ±6 ±1° 双头弯管△L △A △h |Q1-Q2| ±3 ±3 ±3 ≮0.5° ±6 ±6 ±6 ≤1° 立体弯管△L △a △h △θ1 △θ2 ±3 ±3 ±3 ±0.5° ±0.5° ±6 ±6 ±6 ±1° ±1° 分支管 △L △A △H △θ ±3 ±3 ±3 ±0.5° ±6 ±6 ±6 ±1° 贯通管 △L △ a △ θ ±3 ±3 ±0.5° ±6 ±6 ±1° 分类 项 目 名 称 标 准 范 围 允 许极 限 略 图 及 备 注 管子 法兰面垂直度 θ DN150以上 <20’ DN150以下 <0.5° 法兰面弯曲 a DN200以上 ≤2 DN200以下 ≤1 管子弯曲 a DN40以上每米 ≤1.5 ) ( 接头 钢管 对接焊接头坡口 >1 <3 t≤3 a 3>t≤6 <2 >30° 3 40° t≥6 ≥3 ≥50° 4 60° 搭焊法兰 a a1 e e1 ≤1.5 ≤1.5 t+1 t+1 t+2 t+2 分类 项 目 名 称 标 准 范 围 允 许极 限 略 图 及 备 注 ( ) 接头 钢管 套筒接头 a <1.5 ≤2 b >3t 3t c 1.5-2 支管接头 t≤4 a 2 3 t>4 a 3 4 θ 45±5° ) ( 接头 铜管 法兰 (银焊) a <1.5 1.5 e t (t+2)±1 (铜焊) a ≤1.5 套管接头 a <1.5 1.5 b >5t 5t c 1.5~2 支管接头 t≤3 a >1 2 3<t<6 a 2 3 θ >45° 60° 分类 项 目 名 称 标 准 范 围 允 许极 限 略 图 及 备 注 安 装 要 求 法兰面及螺孔 开档 △a DN<100 ≤1.5 100≤DN<200 ≤2 200<DN≤400 DN>400 ≤3 ≤4 错位 △b <1.5 法兰螺孔错移 △θ <1.0 套筒贯穿间隙 a <3 法兰紧固螺栓拧紧后 外伸长度 2~3 圈螺纹 U型管夹安装过盈量 >1 3 支架与滑动件的极限位置a ≤1/3L 附录: 附1、管子衬垫材料 材料名称 基本物理性能 适用范围 工作温度℃ 公称压力Mpa 特点 泰利NA10002(无毒) Max400 Max10 绿色无毒 饮水、日用供水、热水及其水舱柜的透气、测量、注入 丁晴橡胶夹铜丝网 Max 180℃ 3.5 黑色 淡水冷却、海水、舱底水消防压载及相应舱油柜的透气、测量、注入 石墨+不锈钢 (增强石墨垫片) 200℃~600℃ 2 黑色 耐油、阻燃 排汽管、废气管 泰利NA1002 ≤400℃ Max10 绿色 燃油、压缩空气、滑油、锅炉给水 波齿复合垫片 -200~600℃ 20 黑色 蒸汽、泛汽 附2、管系等级 参考 《ABS2013_Mar13_Complete_Set》part 4 vessel system and machinery, chapter 6 piping system, section 1 general provisions, 5 classes of piping system 管系 Ⅰ级 Ⅱ级 Ⅲ级 设计压力 (Mpa) 设计温度 ℃ 设计压力 (Mpa) 设计温度 ℃ 设计压力 (Mpa) 设计温度 ℃ 蒸汽 >1.6 或>300 ≤ 1.6 和≤300 ≤ 0.7 和≤170 热油 >1.6 或>300 ≤ 1.6 和≤300 ≤ 0.7 和≤170 燃油、滑油、可燃液压油 >1.6 或>150 ≤ 1.6 和≤150 ≤ 0.7 和≤60 其他介质 >4.0 或>300 ≤ 4.0 和≤300 ≤ 1.6 和≤200 注: ①当管系的设计压力和设计温度其中一个参数达到表中Ⅰ级规定时,即定为Ⅰ级管系; 当设计压力和设计温度两参数均达表中Ⅱ级或Ⅲ级规定时,即定为Ⅱ级管系或Ⅲ级管 系。 ②有毒和腐蚀介质、加热温度超过其闪点的可燃介质和闪点低于60℃介质、以及液化气体等一般为Ⅰ级管系;如没有安全保护措施以防泄漏和泄漏后产生的后果,也可为Ⅱ级管系,但有毒介质除外。 ③货油管系一般为Ⅲ级管系。 ④不受压的开式管路如泄水管、溢流管、透气管和锅炉放汽管等也为Ⅲ级管系。 ⑤其他介质是指空气、水、滑油和液压油等。 附3、管系试验 1.管系装船前(车间试验)强度试验: 设计压力P>0.3Mpa,设计温度≤300℃的Ⅰ、Ⅱ级的蒸汽、燃油、空气、水管系,其强度试验压水Ps。 Ps=1.5P 设计温度>300℃ Ps=(1.5 ~2)P 2.管系装船后的密性试验: 管系 试验压力 燃油管系 油舱加热管系 1.5倍设计压力,但不少于0.4Mpa 通过双层底舱或深舱的舱底水管 不少于该舱的试验压力 液压管系 1.25倍设计压力,但不必超过设计压力加7Mpa 其他管系 工作情况下检查泄漏 附4管系清洗 系统名称 适用范围 清洗方法和介质 润滑油 主机、尾轴管 用清洗油或系统油进行压力循环冲洗 柴油发电机 用系统工作介质油进行循环 燃油 主机 用清洗油或系统油进行压力循环冲洗 柴油发电机 用系统工作介质油进行循环 压缩空气 主、辅机起动空气和控制空气 用压缩空气吹洗 液压油 舵机,甲板机械 用清洗油或工作油进行循环冲洗 遥控 用工作油循环或用干燥空气或氮气吹洗 蒸汽 蒸汽驱动机械的进气管路 用蒸汽吹洗 具体清洗技术要求,详见产品串油清洗工艺。 附5、管子绝缘 绝缘层 管系内工 厚度 mm 质温度 ℃ 公称通径DN mm <120 <200 <300 <400 <500 <32 10 20 30 40 50 40 ~65 10 20 35 45 55 80~150 15 25 40 55 70 200~300 15 25 40 55 75 >300 20 30 45 60 80 1.绝缘材料一般选用硅酸铝纤维制品 2.冷藏装置的管路(包括通过冷藏舱室的管路),其包材料一般应选用防潮型硅酸铝制品或聚氯乙稀,包括厚度为30~40mm。
展开阅读全文

开通  VIP会员、SVIP会员  优惠大
下载10份以上建议开通VIP会员
下载20份以上建议开通SVIP会员


开通VIP      成为共赢上传

当前位置:首页 > 教育专区 > 小学其他

移动网页_全站_页脚广告1

关于我们      便捷服务       自信AI       AI导航        抽奖活动

©2010-2025 宁波自信网络信息技术有限公司  版权所有

客服电话:0574-28810668  投诉电话:18658249818

gongan.png浙公网安备33021202000488号   

icp.png浙ICP备2021020529号-1  |  浙B2-20240490  

关注我们 :微信公众号    抖音    微博    LOFTER 

客服