收藏 分销(赏)

凸凹模加工工艺卡片.doc

上传人:s4****5z 文档编号:8728939 上传时间:2025-02-28 格式:DOC 页数:7 大小:143KB 下载积分:10 金币
下载 相关 举报
凸凹模加工工艺卡片.doc_第1页
第1页 / 共7页
凸凹模加工工艺卡片.doc_第2页
第2页 / 共7页


点击查看更多>>
资源描述
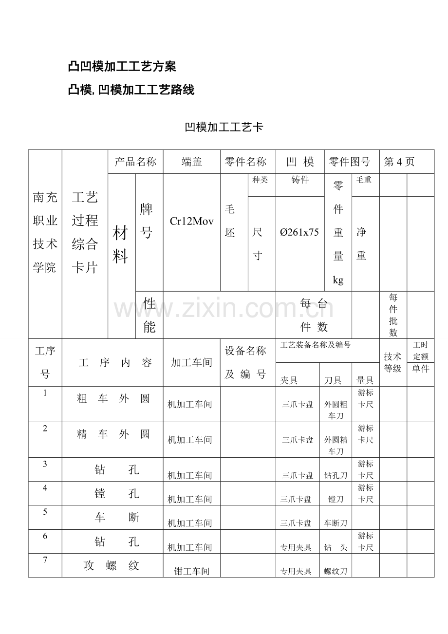
凸凹模加工工艺方案 凸模,凹模加工工艺路线 凹模加工工艺卡 南充职业技术学院 工艺过程 综合卡片 产品名称 端盖 零件名称 凹 模 零件图号 第4页 材 料 牌号 12MoV Cr12Mov 毛坯 种类 铸件 零件重量 kg 毛重 尺寸 Ø261x75 净重 性能 每 台 件 数 每 件 批 数 工序号 工 序 内 容 加工车间 设备名称 及 编 号 工艺装备名称及编号 技术 等级 工时定额 夹具 刀具 量具 单件 1 粗 车 外 圆 机加工车间 三爪卡盘 外圆粗车刀 游标卡尺 2 精 车 外 圆 机加工车间 三爪卡盘 外圆精车刀 游标卡尺 3 钻 孔 机加工车间 三爪卡盘 钻孔刀 游标卡尺 4 镗 孔 机加工车间 三爪卡盘 镗刀 游标卡尺 5 车 断 机加工车间 三爪卡盘 车断刀 6 钻 孔 机加工车间 专用夹具 钻 头 游标卡尺 7 攻 螺 纹 钳工车间 专用夹具 螺纹刀 凸凹模加工工艺卡 南充职业技术学院 工艺过程 综合卡片 产品名称 轴碗 零件名称 凸凹模 零件图号 第5页 材 料 牌号 12MoV Cr12Mov 毛坯 种类 铸件 零件重量 kg 毛重 尺寸 Ø203x200 净重 性能 每 台 件 数 每 件 批 数 工序号 工 序 内 容 加工车间 设备名称 及 编 号 工艺装备名称及编号 技术 等级 工时定额 夹具 刀具 量具 单件 1 粗 车 外 圆 机加工车间 三爪卡盘 外圆粗车刀 游标卡 尺 2 精 车 外 圆 机加工车间 三爪卡盘 外圆精车刀 游标卡 尺 3 车 槽 机加工车间 三爪卡盘 车断刀 游标卡 尺 4 钻 孔 机加工车间 三爪卡盘 钻头 游标卡 尺 5 镗 孔 机加工车间 三爪卡盘 镗刀 6 车 断 机加工车间 专用夹具 车断刀 游标卡 尺 凸模加工工艺卡1 南充职业技术学院 工艺过程 综合卡片 产品名称 端盖 零件名称 凸 模1 零件图号 第2页 材 料 牌号 T10A 毛坯 种类 铸件 零件重量 kg 毛重 尺寸 Ø171x115 净重 性能 每 台 件 数 每 件 批 数 工序号 工 序 内 容 加工车间 设备名称 及 编 号 工艺装备名称及编号 技术 等级 工时定额 夹具 刀具 量具 单件 1 粗 车 外 圆 机加工车间 三爪卡盘 外圆粗车刀 游标卡尺 2 精 车 外 圆 机加工车间 三爪卡盘 外圆精车刀 游标卡尺 3 钻 孔 机加工车间 三爪卡盘 钻孔刀 游标卡尺 4 镗 孔 机加工车间 三爪卡盘 镗刀 游标卡尺 5 车 断 机加工车间 三爪卡盘 车断刀 6 钻 孔 机加工车间 专用夹具 钻 头 游标卡尺 7 攻 螺 纹 钳工车间 专用夹具 螺纹刀 凸模加工工艺卡2 南充职业技术学院 工艺过程 综合卡片 产品名称 端盖 零件名称 凸 模2 零件图号 第3页 材 料 牌号 T10A 毛坯 种类 铸件 零件重量 kg 毛重 尺寸 Ø21x240 Ø8x240 净重 性能 每 台 件 数 每 件 批 数 工序号 工 序 内 容 加工车间 设备名称 及 编 号 工艺装备名称及编号 技术 等级 工时定额 夹具 刀具 量具 单件 1 粗 车 外 圆 机加工车间 三爪卡盘 外圆粗车刀 游标卡 尺 2 精 车 外 圆 机加工车间 三爪卡盘 外圆精车刀 游标卡 尺 3 车 槽 机加工车间 三爪卡盘 车断刀 游标卡 尺 4 车 断 机加工车间 三爪卡盘 车断刀 游标卡 尺 卸料板加工工艺卡 南充职业技术学院 工艺过程 综合卡片 产品名称 端盖 零件名称 卸料板 零件图号 第6页 材 料 牌号 12MoV 40钢 毛坯 种类 铸件 零件重量 kg 毛重 尺寸 Ø326x35 净重 性能 每 台 件 数 每 件 批 数 工序号 工 序 内 容 加工车间 设备名称 及 编 号 工艺装备名称及编号 技术 等级 工时定额 夹具 刀具 量具 单件 1 粗 车 外 圆 机加工车间 三爪卡盘 外圆粗车刀 游标卡尺 2 精 车 外 圆 机加工车间 三爪卡盘 外圆精车刀 游标卡尺 3 钻 孔 机加工车间 三爪卡盘 钻孔刀 游标卡尺 4 镗 孔 机加工车间 三爪卡盘 镗刀 游标卡尺 5 车 断 机加工车间 三爪卡盘 车断刀 6 钻 孔 机加工车间 专用夹具 钻 头 游标卡尺 7 工 螺 纹 钳工车间 专用夹具 螺纹刀 8.2.模具的装配: 根椐复合模装配要点,选凹模作为装配基准件,先装下模,再装上模,并调整间隙、试冲、返修。 序号 工序 工艺说明 1 凸、凹模预配 1装配前仔细检查各凸模开关及尺寸以及凹模形孔,是否符合图纸要求尺寸精度、形状。 2将各凸模分别与相应的凹模孔相配,检查其间隙是否加工均匀。不合适者应重新修磨或更换 2 凸模装配 以凹模孔定位,将各凸模分别压入凸模固定板的形孔中,并挤紧牢固 3 装配下模 1在下模座上划中心线,按中心预装凹模、导料板; 2在下模座、导料板上,用已加工好的凹模分别确定其螺孔位置,并分别钻孔,攻丝; 3将下模座、导料板、凹模、活动档料销、弹簧装在一起,并用螺钉紧固,打入销钉 4 装配上模 1在已装好的下模上放等高垫铁,再在凹模中放入 0.3mm的纸片,然后将凸模与固定板组合装入凹模; 2预装上模座,划出与凸模固定板相应螺孔、销孔位置并钻铰螺孔、销孔; 3用螺钉将固定板组合、垫板、上模座连接在一起, 但不要拧紧; 4将卸料板装在已装入固定板的凸模上,装上橡胶 和卸料螺钉,并调节橡胶的预压量,使卸料板高出 凸模下端约1mm; 5复查凸、凹模间隙并调整合适后,紧固螺钉; 6安装导正销、承料板; 7切纸检查,合适后打入销钉 5 试冲与调整 装机试冲根椐试冲结果作相应调整 模具装配图如图8-1所示:
展开阅读全文

开通  VIP会员、SVIP会员  优惠大
下载10份以上建议开通VIP会员
下载20份以上建议开通SVIP会员


开通VIP      成为共赢上传

当前位置:首页 > 包罗万象 > 大杂烩

移动网页_全站_页脚广告1

关于我们      便捷服务       自信AI       AI导航        抽奖活动

©2010-2025 宁波自信网络信息技术有限公司  版权所有

客服电话:0574-28810668  投诉电话:18658249818

gongan.png浙公网安备33021202000488号   

icp.png浙ICP备2021020529号-1  |  浙B2-20240490  

关注我们 :微信公众号    抖音    微博    LOFTER 

客服