收藏 分销(赏)

工序质量评定表平基管座文化感受区01.docx

上传人:pc****0 文档编号:7911682 上传时间:2025-01-26 格式:DOCX 页数:10 大小:33.61KB 下载积分:10 金币
下载 相关 举报
工序质量评定表平基管座文化感受区01.docx_第1页
第1页 / 共10页
工序质量评定表平基管座文化感受区01.docx_第2页
第2页 / 共10页


点击查看更多>>
资源描述
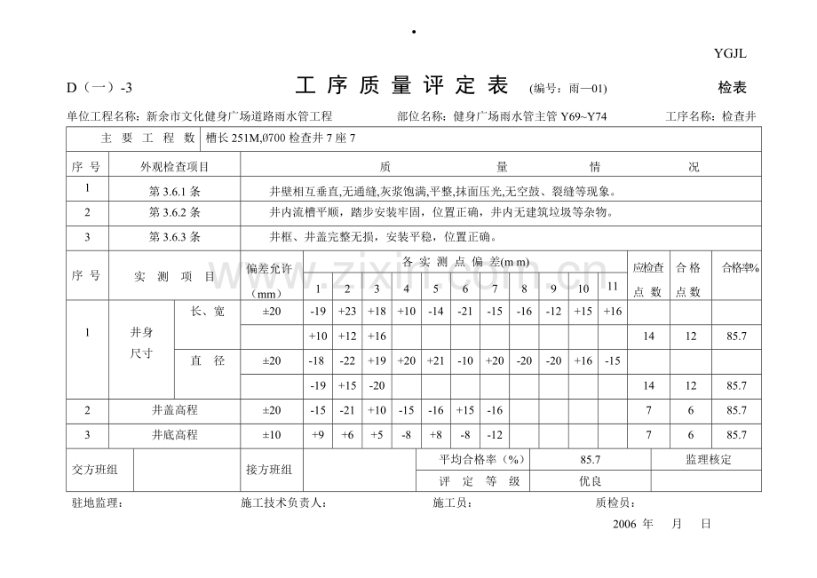
· YGJL D(一)-3 工 序 质 量 评 定 表 (编号:雨—01) 检表 单位工程名称:新余市文化健身广场道路雨水管工程 部位名称:健身广场雨水管主管Y69~Y74 工序名称:检查井 主 要 工 程 数 量 槽长251M,Ø700检查井7座7 序 号 外观检查项目 质 量 情 况 1 第3.6.1条 井壁相互垂直,无通缝,灰浆饱满,平整,抹面压光,无空鼓、裂缝等现象。 裂 2 第3.6.2条 井内流槽平顺,踏步安装牢固,位置正确,井内无建筑垃圾等杂物。 3 第3.6.3条 井框、井盖完整无损,安装平稳,位置正确。 序 号 实 测 项 目 偏差允许 (mm) 各 实 测 点 偏 差(m m) 应检查 点 数 合 格 点 数 合格率% 1 -15 +16 2 3 4 5 6 7 8 9 10 -20 -11 -16 11 1 井身 尺寸 长、宽 ±20 -19 +23 +18 +10 -14 -21 -15 -16 -12 +15 +16 +10 +12 +16 14 12 85.7 直 径 ±20 -18 -22 +19 +20 +21 -10 +20 -20 -20 +16 -15 -19 +15 -20 14 12 85.7 2 井盖高程 ±20 -15 -21 +10 -15 -16 +15 -16 7 6 85.7 3 井底高程 ±10 +9 +6 +5 -8 +8 -8 -12 7 6 85.7 交方班组 接方班组 平均合格率(%) 85.7 监理核定 评 定 等 级 优良 驻地监理: 施工技术负责人: 施工员: 质检员: 2006 年 月 日 YYGJL D(一)-3 工 序 质 量 评 定 表 (编号:雨—01) 检表 单位工程名称:新余市文化健身广场道路雨水管工程 部位名称:健身广场雨水管主管Y69~Y74 工序名称:接口 主 要 工 程 数 量 槽长251M,Ø700检查井7座 序 号 外观检查项目 质 量 情 况 1 第3.4.1条 承插口接口平直,环形间隙均匀、灰口整齐、密实、饱满, 无裂缝、空鼓等现象发生。 2 第3.4.2条 抹带接口表面平整密实,无间断和裂缝、空鼓等现象发生。 3 序 号 实 测 项 目 偏差允许 (mm) 各 实 测 点 偏 差(m m) 应检查 点 数 合 格 点 数 合格率% 1 2 3 4 5 6 7 8 9 1 宽度 +5 0 +4 +5 +6 +4 +5 +6 +4 0 +4 +5 +6 0 0 +5 14 11 78.6 2 厚度 +5 0 +5 +4 +4 +5 +3 +5 +4 +4 0 -4 +3 +5 +2 +6 14 12 85.7 交方班组 接方班组 平均合格率(%) 82.2 监理核定 评 定 等 级 合格 驻地监理: 施工技术负责人: 施工员: 质检员: 2006年 月 日 YGJL D(一)-3 工 序 质 量 评 定 表 (编号:雨—01—2) 检表 单位工程名称:新余市文化健身广场道路雨水管工程 部位名称:健身广场雨水管主管Y69~Y74 工序名称:沟 槽 主 要 工 程 数 量 槽长251M,Ø700检查井7座 序 号 外观检查项目 质 量 情 况 1 第3.1.1条 槽底土壤没有扰动,没有超挖现象发生。 2 第3.1.2条 槽底没有受水浸泡。 3 序 号 实 测 项 目 偏差允许 (mm) 各 实 测 点 偏 差(mm) 应检查 点 数 合 格 点 数 合格率% 1 2 3 4 5 6 7 8 9 2 槽底中线每侧宽度 不小于规定 12 15 18 13 15 22 -15 -16 20 15 18 18 15 15 -21 18 16 20 15 -15 10 12 12 15 14 15 16 -12 21 15 10 0 0 66 58 87.8 交方班组 接方班组 平均合格率(%) 86.3 监理核定 评 定 等 级 优良 驻地监理: 施工技术负责人: 施工员: 质检员: 2006年 月 日 YGJL D(一)-3 工 序 质 量 评 定 表 (编号:雨—01—1) 检表 单位工程名称:新余市文化健身广场道路雨水管工程 部位名称:健身广场雨水管主管Y69~Y74 工序名称:沟 槽 主 要 工 程 数 量 槽长251M,Ø700检查井7座 序 号 外观检查项目 质 量 情 况 1 第3.1.1条 槽底土壤没有扰动,没有超挖现象发生。 2 第3.1.2条 槽底没有受水浸泡。 3 序 号 实 测 项 目 偏差允许 (mm) 各 实 测 点 偏 差(mm) 应检查 点 数 合 格 点 数 合格率% 1 2 3 4 5 6 7 8 9 0 -22 -21 10 11 15 20 1 槽 底 高 程 0 -30 -22 -12 -32 -25 -25 -15 -31 -14 -10 +10 -19 -25 0 -30 -15 -22 -13 -15 +10 -28 -25 21 18 85.7 2 槽底中线每侧宽度 不小于规定 20 18 18 18 -22 15 15 -15 28 21 22 22 -18 -22 +15 15 18 22 18 17 18 28 18 10 10 -22 13 14 15 25 -22 15 15 25 10 14 15 16 -22 10 14 14 42 35 83.3 交方班组 接方班组 平均合格率(%) 84.5 监理核定 评 定 等 级 合格 驻地监理: 施工技术负责人: 施工员: 质检员: 2006年 月 日 YGJL D(一)-3 工 序 质 量 评 定 表 (编号:雨—01) `检表 单位工程名称:新余市文化健身广场道路雨水管工程 部位名称:健身广场雨水管主管Y69~Y74 工序名称:安管 主 要 工 程 数 量 槽长251M,Ø700检查井7座 序 号 外观检查项目 质 量 情 况 1 第3.3.1条 管道安装平稳,管底坡度无倒流水,缝宽均匀,管道内无泥土、砖石、砂浆、木块等杂物。 2 3 序 号 实 测项目 偏差允许 (mm) 各 实 测 点 偏 差(m m) 应检查 点 数 合 格 点 数 合格率% 1 14 2 3 4 5 6 7 8 9 10 11 1 中线位移 15 16 12 10 10 15 14 15 16 10 10 15 13 12 14 14 12 85.7 2 管内底高程 ±10 0 +10 +5 -6 +10 -5 -6 +10 +8 -5 -6 +11 0 -12 14 12 85.7 3 相邻管内底错口 3 3 2 1 2 2 3 4 2 1 2 3 3 2 3 3 4 3 2 1 2 4 21 18 85.7 交方班组 接方班组 平均合格率(%) 85.7 监理核定 评 定 等 级 优良 驻地监理: 施工技术负责人: 施工员: 质检员: 2006年 月 日 YGJL D(一)-3 工 序 质 量 评 定 表 (编号:雨—01—4) `检表 单位工程名称:新余市文化健身广场道路雨水管工程 部位名称:健身广场雨水管主管Y69~Y74 工序名称:平基、管座 主 要 工 程 数 量 槽长251M,Ø700检查井7座 序 号 外观检查项目 质 量 情 况 1 2 3 序 号 实 测 项 目 偏差允许 (mm) 各 实 测 点 偏 差(m m) 应检查 点 数 合 格 点 数 合格率% 1 2 3 4 5 6 7 8 9 5 蜂窝面积 1% 0.2 0 0.1 0.1 0 0 0 0.1 0.1 0.2 0.3 1.1 0.1 1.1 14 12 85.7 交方班组 接方班组 平均合格率(%) 87.1 监理核定 评 定 等 级 优良 驻地监理: 施工技术负责人: 施工员: 质检员: 2006年 月 日 YGJL D(一)-3 工 序 质 量 评 定 表 (编号:雨—01—3) 检表单位工程名称:新余市文化健身广场道路雨水管工程 部位名称:健身广场雨水管主管Y69~Y74 工序名称:平基、管座 主 要 工 程 数 量 槽长251M,Ø700检查井7座 序号 外观检查项目 质 量 情 况 1 2 3 序号 实 测 项 目 偏差允许 (mm) 各 实 测 点 偏 差(m m) 应检查 点 数 合 格 点 数 合格率% 1 2 3 4 5 6 7 8 9 10 11 12 13 4 管 座 肩宽 肩高 +10 -5 +5 +8 +5 +60 +9 +70 +8 +6 +7 -6 +5 +6 0 +40 +4 +8 +9 +2 +8 +8 +90 +8 +80 +11 0 +5 +8 +9 +11 +70 +9 +5 +8 +11 +5 +8 -6 +5 -6 +90 +8 +8 +6 +5 +6 +4 +7 +5 +6 -6 50 43 86 肩 高 ±20 -12 -10 -8 -12 -11 -14 -15 -17 -10 -10 -10 -21 -10 -10 -11 -8 -16 -15 -10 -14 -16 -14 -10 -11 +90 -10 18 18 17 24 -27 25 15 16 10 15 -16 -14 0 11 22 10 15 15 20 21 21 15 16 0 50 43 86 交方班组 接方班组 平均合格率(%) 监理核定 评 定 等 级 驻地监理: 施工技术负责人: 施工员: 质检员: 2006年 月 日 YGJL D(一)-3 工 序 质 量 评 定 表 (编号:雨—01—2) 检表单位工程名称:新余市文化健身广场道路雨水管工程 部位名称:健身广场雨水管主管Y69~Y74 工序名称:平基、管座 主 要 工 程 数 量 槽长251M,Ø700检查井7座 序号 外观检查项目 质 量 情 况 1 2 3 序号 实 测 项 目 偏差允许 (mm) 各 实 测 点 偏 差(m m) 应检查 点 数 合 格 点 数 合格率% 1 2 3 4 5 6 7 8 9 10 11 12 13 3 平 基 平 基 中线每侧宽度 +10 0 +5 +8 +5 +60 +9 +70 +8 +6 +7 -5 +5 +6 0 +40 +4 +8 +9 +2 +8 +8 +90 +8 +80 +11 0 +5 +8 +9 +11 +70 +9 +5 +8 +11 +5 +8 -5 +5 -5 +90 +8 +8 +6 +5 +6 +4 +7 +5 +6 -2 50 43 86 高程 0 -15 -12 -10 -8 -12 -11 -14 -15 -17 -10 -10 -10 -21 -10 -10 -11 -8 -16 -15 -10 -14 -16 -14 -10 -11 +90 25 21 84 厚 度 不小于设计规定 18 18 17 24 -27 25 15 16 10 15 -16 -14 0 -20 11 22 10 15 15 20 21 21 21 16 0 15 25 22 88 交方班组 接方班组 平均合格率(%) 监理核定 评 定 等 级 驻地监理: 施工技术负责人: 施工员: 质检员: 2006年 月 日 YGJL D(一)-3 工 序 质 量 评 定 表 (编号:雨—01—1) 检表单位工程名称:新余市文化健身广场道路雨水管工程 部位名称:健身广场雨水管主管Y69~Y74 工序名称:平基、管座 主 要 工 程 数 量 槽长251M,Ø700检查井7座 序号 外观检查项目 质 量 情 况 1 2 3 序号 实 测 项 目 偏差允许 (mm) 各 实 测 点 偏 差(m m) 应检查 点 数 合 格 点 数 合格率% 1 2 3 4 5 6 7 8 9 10 11 12 13 1 混凝土抗压强度 必需满足设计要求 见砼抗压强度检测报告单 100 2 垫 层 中线每侧宽度 不小于设计规定 15 14 10 16 15 -5 0 15 0 -10 16 -21 25 22 19 26 23 27 15 12 -10 -20 -11 20 15 18 15 12 12 -15 25 22 15 12 14 16 16 18 18 10 -22 15 15 10 14 25 15 -21 19 15 16 18 -15 -26 25 20 -21 14 17 18 50 42 84 高 程 0 -15 0 -10 -8 -12 -14 -17 -14 0 -13 -14 -16 -14 0 -13 -12 -10 -11 0 -14 -16 0 -8 -16 0 -10 25 21 84 交方班组 接方班组 平均合格率(%) 监理核定 评 定 等 级 驻地监理: 施工技术负责人: 施工员: 质检员: 2006年 月 日
展开阅读全文

开通  VIP会员、SVIP会员  优惠大
下载10份以上建议开通VIP会员
下载20份以上建议开通SVIP会员


开通VIP      成为共赢上传

当前位置:首页 > 管理财经 > 管理学资料

移动网页_全站_页脚广告1

关于我们      便捷服务       自信AI       AI导航        抽奖活动

©2010-2026 宁波自信网络信息技术有限公司  版权所有

客服电话:0574-28810668  投诉电话:18658249818

gongan.png浙公网安备33021202000488号   

icp.png浙ICP备2021020529号-1  |  浙B2-20240490  

关注我们 :微信公众号    抖音    微博    LOFTER 

客服