收藏 分销(赏)

BKL-600_BKB-600保护装置_宣传单页.doc

上传人:xrp****65 文档编号:7009288 上传时间:2024-12-24 格式:DOC 页数:3 大小:172KB 下载积分:10 金币
下载 相关 举报
BKL-600_BKB-600保护装置_宣传单页.doc_第1页
第1页 / 共3页
BKL-600_BKB-600保护装置_宣传单页.doc_第2页
第2页 / 共3页


点击查看更多>>
资源描述
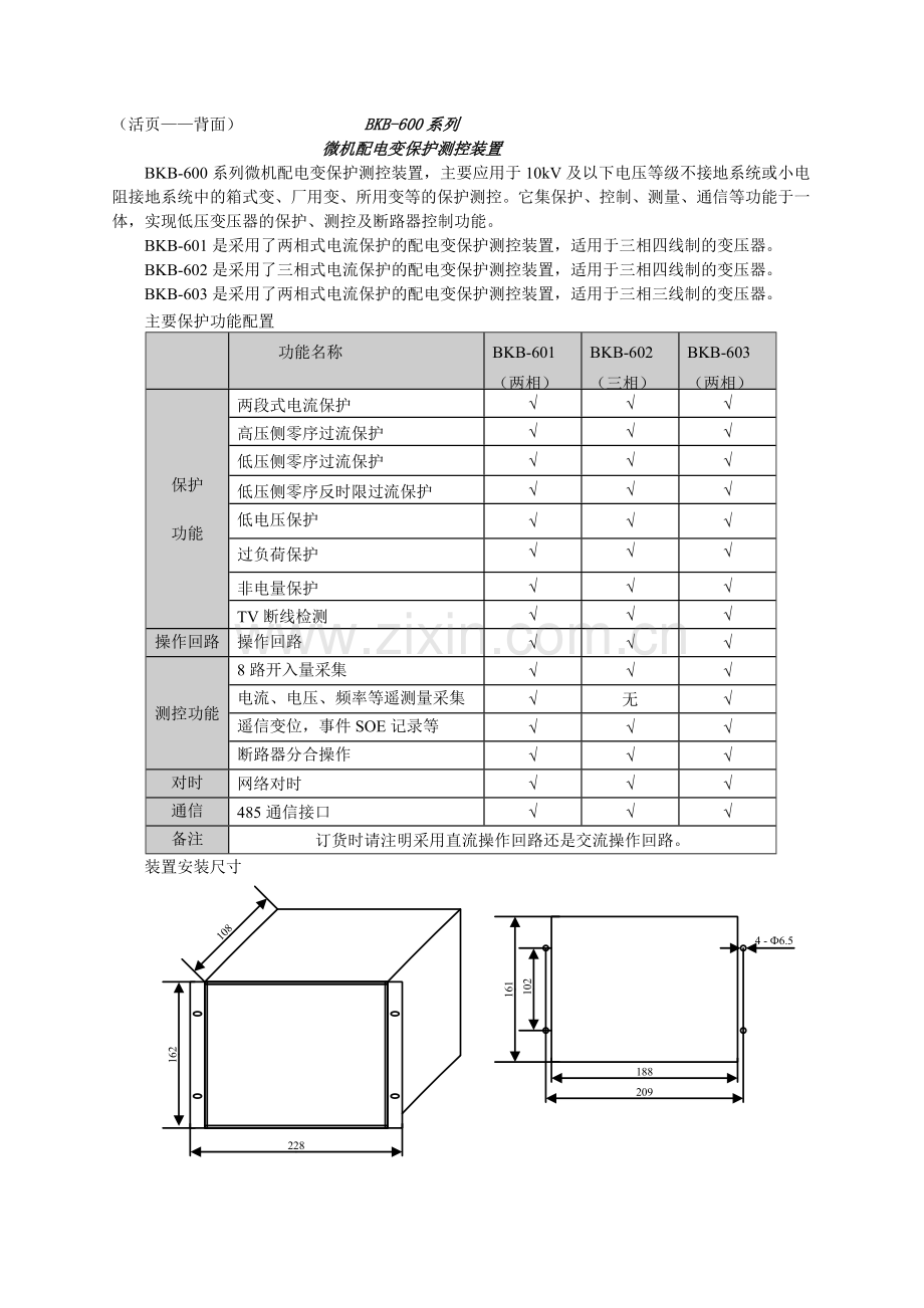
(活页——正面) BKL-600系列 微机线路保护测控装置 BKL-600系列微机线路保护测控装置,主要应用于箱式变、环网柜和开关柜等10kV及以下电压等级的终端用户的线路保护测控。它集保护、控制、测量、通信等功能于一体,实现低压线路的保护、测控和断路器控制功能。 BKL-601是采用了两相式电流保护的线路保护测控装置,适用于三相四线制的线路。 BKL-602是采用了三相式电流保护的线路保护测控装置,适用于三相四线制的线路。 BKL-603是采用了两相式电流保护的线路保护测控装置,适用于三相三线制的线路。 主要保护功能配置 功能名称 BKL-601(两相) BKL-602(三相) BKL-603(两相) 保护 功能 三段式电流保护 √ √ √ 过流加速保护 √ √ √ 三相一次重合闸 √ √ √ 低频减载保护 √ √ √ 零序电流保护(或接地告警) √ √ 过负荷保护 √ √ √ 低电压保护 √ √ √ TV断线检测 √ √ √ 操作回路 操作回路 √ √ √ 测控功能 8路开入量采集 √ √ √ 电流、电压、频率等遥测量采集 √ 无 √ 遥信变位,事件SOE记录等 √ √ √ 断路器分合操作 √ √ √ 对时 网络对时 √ √ √ 通信 485通信接口 √ √ √ 备注 订货时请注明采用直流操作回路还是交流操作回路。 装置安装尺寸 图1 外形尺寸 图2 安装开孔尺寸 (活页——背面) BKB-600系列 微机配电变保护测控装置 BKB-600系列微机配电变保护测控装置,主要应用于10kV及以下电压等级不接地系统或小电阻接地系统中的箱式变、厂用变、所用变等的保护测控。它集保护、控制、测量、通信等功能于一体,实现低压变压器的保护、测控及断路器控制功能。 BKB-601是采用了两相式电流保护的配电变保护测控装置,适用于三相四线制的变压器。 BKB-602是采用了三相式电流保护的配电变保护测控装置,适用于三相四线制的变压器。 BKB-603是采用了两相式电流保护的配电变保护测控装置,适用于三相三线制的变压器。 主要保护功能配置 功能名称 BKB-601 (两相) BKB-602 (三相) BKB-603 (两相) 保护 功能 两段式电流保护 √ √ √ 高压侧零序过流保护 √ √ √ 低压侧零序过流保护 √ √ √ 低压侧零序反时限过流保护 √ √ √ 低电压保护 √ √ √ 过负荷保护 √ √ √ 非电量保护 √ √ √ TV断线检测 √ √ √ 操作回路 操作回路 √ √ √ 测控功能 8路开入量采集 √ √ √ 电流、电压、频率等遥测量采集 √ 无 √ 遥信变位,事件SOE记录等 √ √ √ 断路器分合操作 √ √ √ 对时 网络对时 √ √ √ 通信 485通信接口 √ √ √ 备注 订货时请注明采用直流操作回路还是交流操作回路。 装置安装尺寸 图1 外形尺寸 图2 安装开孔尺寸
展开阅读全文

开通  VIP会员、SVIP会员  优惠大
下载10份以上建议开通VIP会员
下载20份以上建议开通SVIP会员


开通VIP      成为共赢上传

当前位置:首页 > 包罗万象 > 大杂烩

移动网页_全站_页脚广告1

关于我们      便捷服务       自信AI       AI导航        抽奖活动

©2010-2026 宁波自信网络信息技术有限公司  版权所有

客服电话:0574-28810668  投诉电话:18658249818

gongan.png浙公网安备33021202000488号   

icp.png浙ICP备2021020529号-1  |  浙B2-20240490  

关注我们 :微信公众号    抖音    微博    LOFTER 

客服