收藏 分销(赏)

海尔空调维修收费标准.doc

上传人:pc****0 文档编号:6020726 上传时间:2024-11-25 格式:DOC 页数:8 大小:101.50KB 下载积分:10 金币
下载 相关 举报
海尔空调维修收费标准.doc_第1页
第1页 / 共8页
海尔空调维修收费标准.doc_第2页
第2页 / 共8页


点击查看更多>>
资源描述
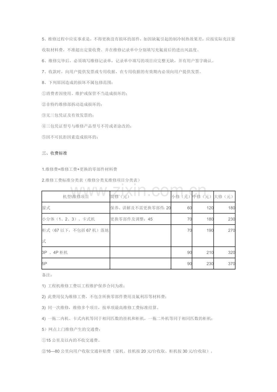
第一部分 超保收费标准 为维护海尔空调的产品信誉和售后服务声誉,保护消费者和特约服务单位的共同利益,各特约服务单位对包修期外的空调器进行维修应按照《消法》标准界定责任。零部件须按我公司标准收费,维修费可执行当地物价标准或行业标准;如当地无物价或行业标准,必须执行我公司的收费标准。如出现收费争议,应由特约服务单位与用户协商解决。 一、适用范围:包修期外的空调器及小家电 包修期限: 1、2007年12月30日起购买的家用空调,实行整机包修6年。包括:压缩机及关键零部件。 2、2007年12月30日前购买的机器仍然按照原包修标准:整机包修3年,压缩机包修6年。 3、三菱重工海尔5P(含5P)以下柜机、壁挂机空调按三菱重工海尔机器的包修证规定执行,即整机包修3年,压缩机包修6年。 注:关键零部件包括:内外机电脑板、内外机电机、内外机温度传感器、四通阀、蒸发器、冷凝器、内外机管路系统部件(不包括内外机连接管)、内外机主控板(液晶显示板)。 4、三菱重工海尔的商用空调:整机包修1年,主要零部件包修1年半,压机包修三年。 5、小家电:整机和主要零部件均包修1年。 6、海尔俱乐部正式会员:包修期按国家三包规定延长一倍,但因海尔家用空调整机包修期限已经比国家三包规定延长了一倍以上,故海尔俱乐部正式会员仍按海尔的包修政策执行。 7、海尔俱乐部金卡会员:整机包修期外产品寿命期(10年)内只收取材料费,免收维修工费。 二、收费程序及规定 维修人员在登门为用户维修海尔空调时; 1、首先该机是否属于包修期内的产品,如是包修期内的产品,应按包修期内的有关条例执行,若包修期外的产品,应先向用户讲明,出示收费标准,征得用户用意后,进行检修。 2、包修期内、外的确定应以用户购机发票的日期为准,如用户丢失发票,以产品出厂的外机编号为准,都没有者不享受包修服务,但应提供有偿维修服务。 3、维修时首先检查判断机器的故障,确定维修项目,判断要准确,检查要仔细认真。 4、用户讲明所需的维修项目及更换部件的明细,对照收费标准和零部件价格表,确定维修价格,用户同意后进行维修。 5、维修过程中应实事求是,不得更换没有损坏的部件,如因缺氟引起的制冷制热效果差,应按实际充注量收取材料费,不准超出定量收费。并在维修记录单中分别填写充氟前后的进出风温度。 6、维修完毕后,必须填写维修记录单,记录单中填写的项目应完整无缺,并有用户签字确认。 7、收款时,向用户提供发票或专用收据,在专用收据的有效期内必须向用户提供发票。 8、下列原因造成的损坏不属包修范围: ①消费者因使用、维护或保管不当造成损坏的; ②非特约维修部拆动造成损坏的; ③无三包凭证及有效发票的; ④三包凭证型号与维修产品型号不符或者涂改的; ⑤因不可抗拒因素造成损坏的; 三、收费标准 1.维修费=维修工费+更换的零部件材料费 2.维修工费标准分类表(维修分类见维修项目分类表) 机型\维修项目 简修(元) 小修(元) 中修(元) 大修(元) 窗式 保养、讲解及不需更换零部件:20 60 120 180 小分体(1、2、3)、卡式机 更换零部件及调整:45 70 180 230 柜式(67以下,不包括67机)落地式 70 190 270 3P 、4P柜机 90 210 320 5P 90 230 370 备注: 1) 工程机维修工费以工程维护保养合同为准; 2) 此费用仅为维修工费,不包含所换零部件费用及氟利昂等材料费; 3) 同一次维修,维修多个项目,按单项最高维修工费标准结算。 4) 一拖二内机、卡式内机等同于相同匹数的挂机和柜机,一拖二外机等同于相同匹数的柜机; 5)网点上门维修产生的交通费: ①15公里及以内的不收交通费。 ②16—80公里向用户收取交通补贴费(窗机、挂机按20元/台收取、柜机按30元/台收取)。 ③80公里以上与用户协商。 3.3、移机及所需材料收费标准(单位:元) 机型 室内机移机费(元/台) 室外机移机费(元/台) 支架费(元/副) 窗机 90 / 20 小分体(1、2、3)、柜机(特)、卡式机 66 114 30 一拖二 66 138 30 柜式(67以下,不包括67机)落地式 106 144 30 柜挂一拖二 66 138 30 3P、4P柜机 132 208 40 5P 198 282 50 组合规格 连接铜管费(元/米) 连接管每米收费中已包括连机线、信号线、保温管的费用.因加长管缺氟的,不收取充注氟利昂费用. 液管6.35mm与9.52mm气管 70 液管6.35mm与12.7mm气管 80 液管6.35mm与15.88mm气管 80 液管9.52mm与15.88mm气管 100 液管9.52mm与19.05mm 气管 110 氟利昂R22 28元/公斤 保温管(φ10) 5元/根(2元/米) 无氟制冷剂R407C 128元/公斤 保温管(φ12) 5元/根(2元/米) 包扎带 5元/盘(包扎不满整盘按3元/次收费) 保温管(φ16) 6元/根(2元/米) 塑料排水管 2.5元/米 保温管(φ19) 7元/根(2元/米) 膨胀螺丝(M10*90mm) 5元/个 保温管(φ32) 9元/根(2元/米) 六角螺栓(M8*30mm) 2元/4个(不锈钢) PVC管(φ16) 5元/根(2元/米) 钢钉(4*40mm) 1.5元/8个 PVC管(φ20) 6元/根(2元/米) 护套线(2*2.52) 4元/米 PVC管(φ32) 8元/米 保温管(φ6) 3元/根(2元/米) 电源线(3*1.52) 6元/米 电源线(3*2.52) 8元/米 电源线(3*42) 13元/米 电源线(3*62) 15元/米 电源线(4*2.52) 10元/米 电源线(4*42) 16元/米 换新风管(2CM2)白色 5元/根(1米) 换新风管(3CM2)白色 11元/根(2米) 说明: 1、移机价格取内外机之和; 2、工程机收费以工程合同为准;无工程合同的工程机以收费标准为准; 3、单纯拆机为移机费用的30%,单纯装机为移机费用的70%; 4、支架收费标准为指导价格,遇特殊问题可由网点与用户协商解决;如用户不同意更换旧支架或不需使用新支架,网点不能强行使用新支架,否则费用由网点自行承担。 5、窗机系列新机安装收费标准:所有窗机系列在新机安装中均按照50元/台收费; 6、对安装过程中,出现的打墙孔、高空作业等费用不得向用户收取; 7、移机所需的材料费(氟利昂等)按收费标准向用户收费; 8、同城市(县、乡)移机产生的运费由网点承担。 维修项目分类表: 简修 小修 中修 大修 1、上门解答(20元/次):上门正常讲解;(必须做十项通检) 1.  更换: 1、      更换: 1.更换: 清洗、保养类(20元/次):清洗过滤网、机器无问题保养、清洗换热器、清洗整机、加装排水嘴、加长排水管、机内异物排除等。 外电脑板、压敏、电容、外机风扇、盘管、室外传感器类、接收器、定时器、变压器、保险管、热保护、风鸣器、整流桥、加热带、接水盘、温控器、PTC、控制面板、外机风速开关、功率模块、电抗线圈、船形开关、步进电机、同步电机、外机风扇、电磁阀线圈、功率继电器、交流接触器、噪音滤波器、四通阀线圈、换新风电机、静电集尘器、辅助电加热器、功能选择开关; 挂机内机风扇、柜机侧板底板、外机整套壳体、后骨架、室内外风机电机、外机支架、电子膨胀阀、蒸发器、压力保护开关 压缩机、四通阀、冷凝器、截止阀、单向阀、过滤器、电磁阀体毛细管组 2、不需更换零部件(20元/次):更换遥控器、换电池、更换空气滤清器、更换光触媒、海绵条; 2.  调整处理: 2、      处理: 3.更换(45元/次):更换小分体内机罩壳、内电脑板、柜机内机进风栅、顶盖、导风板、齿轮组、出风栅、前面罩、排水管、连机线、连接管、电源线、线控器、接线端子排、柜机内机风扇、负离子发生器、窗机面板、室温传感器等; 调整系统管路处理噪音(外机) 系统管路脏堵、水堵并充氟、 4.调整(45元/次):内机水平、堵墙洞、整理换热器翅片、调整螺丝、调整漏水、内机噪音、外观抛光或复原等。 3. 大件小修:电脑板在原来更换的基础上增加5个可维修控件,维修费用结算在原先更换电脑板结算标准的基础上增加如下:保险管:20元可控硅:35元  风机电容:30元变压器:30元  应急开关:30元 3、内外机连接管(补漏充氟)、系统管路、找到具体漏点位置及故障原因并修复后充氟。 4、紧帽、换帽、调整阀芯并充氟、重扩喇叭口并充氟 5、小修、中修、大修中不包含的修理、修配类维修。 注: 1.表中各维修项目因机型不同,收费也不同,按照超保空调维修收费分类表进行收费。 2.无论何种维修都必须做十项通检(即保养类工作标准)。 3.家用空调保养类及清洗类工作标准: 家用空调保养类标准 序号 检查项目(十项通检) 检查标准 1 检查内、外机电器元件,并同时检查其它元器件如:传感器、电容等有无老化,插头松动的现象 1.元器件无老化、变色变形; 2.对插头进行插拔试验,保证插头紧固 2 检查内、外机接线排、电源线、插座、连机线有无松动、老化现象,用兆欧表检测绝缘电阻是否在3兆欧以上 1.连接牢靠,若松动必须重新连接; 2.无老化,若破皮皱裂必须更换; 3.绝缘必须良好,绝缘电阻在3兆欧以上; 3 用压力表测空调器的运转压力、检测系统内是否缺少制冷剂或制冷剂过量 运转压力符合工艺标准范围内:制冷时检测低压压力:0.4-0.55MPA;制热时检测高压压力:1.4MPA-2.5MPA,以上数据为参考值,要根据具体的环境温度,进一步判断确定 4 用肥皂水或检测仪对各接口处进行检漏 对所有接口处特别是喇叭口连接处进行检漏,检漏时间不得少于3分钟 5 对室内机进行排水,观察水管排水是否顺畅 1.排水顺畅; 2.接水盘、排水管无任何异物、尘垢;若有异物,予以彻底清除,并指导用户如何预防、清除脏堵 6 检查内、外机各部件的运转情况、观察有无异常噪音的地方 1.机器运转平稳,无异常噪音; 2.各配合处、螺钉固定处,无松动共振 7 用温度表检测进出风的温差是否在标准范围以内 温差符合工艺标准范围内:1、挂机制冷温差:10-12摄氏度;制热:18-25摄氏度;2、柜机制冷温差:11+2摄氏度;制热:18+2摄氏度 8 检查内机过滤网、空气滤清器是否脏堵 过滤网、空气滤清器清洁干净,用水清洗干净,干布檫干净,无灰尘、脏堵, 9 测量空调电源供电线路的电压、线径、运转电流、运转电压是否符合标准 1、单项电压:~220V+10%; 2、三相电压:~380V+10%; 3、运转电流应根据实际的使用环境和使用工况定参考值。 10 检查新风管路是否通畅,有无挤扁、漏风、堵塞现象 检查新风管是否通风正常 家用空调清洗类标准 序号 清洗部件 标准 1 清洗机器 1.关掉电源开关; 2.不要用湿手触碰; 3.不要用热水或溶剂清洗。 2 清洗滤尘网 用水或真空吸尘器清洗滤尘网,当滤尘网太脏时,用除污剂或中性肥皂水清洗。(注意:不要用40°C以上的热水清洗滤尘网,否则对滤尘网有损坏。) 3 清洗室内(外)机 用热的湿布或中性洗涤剂清洗,然后用干布擦净。不要用过热的水(大于40°C),这样可能导致褪色变形。不要用杀虫剂或其他化学洗涤剂 4 离子集尘器的清洗(清洗前,应先切断电源) 用水或真空吸尘器清洗离子集尘器,当离子集尘器太脏时,可用除污剂或中性肥皂水清洗。用户使用空调器一个月后要自行清洗离子集尘器,清洗完晾干后方可使用(切勿潮湿时使用) 四、非免费维修部分重点说明 1.新机安装24小时后出现外观损伤,例如:划伤、碰伤、挤压变形等不属于免费维修范围,包括维修费、备件费。 2.新机安装24小时后发现缺件,例如:说明书、保修证等附带件不属于免费维修范围,包括维修费、备件费。 五、重要声明 1、《超保收费标准》的最终解释权归青岛海尔空调器有限总公司所有。 2、本《超保收费标准》不包括新产品收费政策。 3、备件实物以专用号代码领取的备件为准。 4、此收费标准不包含非常用备件和新品备件价格,此类备件价格网点可以从网站下载《KT》,以《KT》中的零售价格为准收取费用,可打印出明细向用户出示。 北京空调维修加氟清洗保养中心 手机:13718989402 网址: 电子邮箱:bjxdkt@ 地址:丰台区六里桥南里甲8号院 本公司先后在 方庄 十里河 潘家园 双井桥 劲松桥 双井桥 国贸桥 三元桥 安贞桥 马甸 北太平桥 蓟门桥 紫竹院 航天桥 公主坟 六里桥 草桥 洋桥 木樨园 刘家窑 西客站 前门 西四 西单 广安门 东直门 西直门 中关村 望京 亚运村 四季青 新发地 八里庄 五棵松、东四 菜户营 鲁谷 等共36家维修网点 ,专业技师24小时免费上门服务。技术过硬,实力雄厚。从客户的角度出发,为客户提供,质量高,价格低,及时快捷的服务。 先检查,后维修,合理收费,不维修好不收取任何费用。专业技师免费上门服务。 服务宗旨:    不收上门费;绝不乱收费;修不好不收费;因故障较大,不修不收费;同一故障保修半年;市区不分远近,均可上门服务,同等收费。   保修说明 : 电器修复后 修复之日起 对原修理部位保修3个月。因摔坏、因电压异常致坏、非正常使用致坏、进水、雷击、外修过的机器等情况 不在保修范围。 “以质量求生存,以技术求发展,最实惠的价格,最贴心的服务”是我们的服务宗旨 温馨提示:空调应定期清洗一次,可以节省电费,提高制冷效果,延长使用寿命,预防空调病,呵护家人健康。
展开阅读全文

开通  VIP会员、SVIP会员  优惠大
下载10份以上建议开通VIP会员
下载20份以上建议开通SVIP会员


开通VIP      成为共赢上传

当前位置:首页 > 行业资料 > 医学/心理学

移动网页_全站_页脚广告1

关于我们      便捷服务       自信AI       AI导航        抽奖活动

©2010-2026 宁波自信网络信息技术有限公司  版权所有

客服电话:0574-28810668  投诉电话:18658249818

gongan.png浙公网安备33021202000488号   

icp.png浙ICP备2021020529号-1  |  浙B2-20240490  

关注我们 :微信公众号    抖音    微博    LOFTER 

客服