收藏 分销(赏)

花岗岩的开采与加工.doc

上传人:xrp****65 文档编号:5958404 上传时间:2024-11-24 格式:DOC 页数:4 大小:70.50KB 下载积分:10 金币
下载 相关 举报
花岗岩的开采与加工.doc_第1页
第1页 / 共4页
花岗岩的开采与加工.doc_第2页
第2页 / 共4页


点击查看更多>>
资源描述
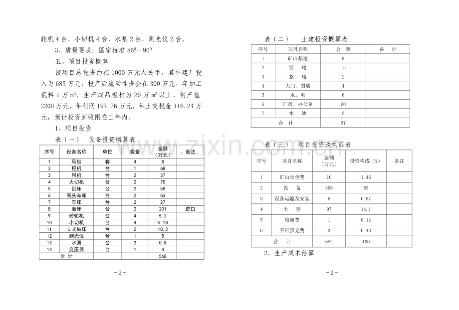
花岗岩的开采与加工 一、建设地点:横峰县青板乡 二、建设条件:我县属丘陵地带,石材资源十分丰富,尤其是天然花岗岩,其花色齐全,主要分布在北方四镇——姚家、青板、新篁、葛源。可供开采的花岗岩储量达5亿多立方米,品种有中华绿、崇山红、玖瑰红、白玉、斑玉等,其中属青板乡储量最大,开采价值最高。青板位于横峰县西北部,上德公路边,距320国道、浙赣复线和311高速公路14公里,以青石板著称,花岗岩矿区位于上德公路旁,矿区面积达0.3平方公里,储量达5400万m3,全部露天,颜色为淡绿色,遇水呈墨绿色,被称之为“中华绿”。其次,横峰第二大河葛溪河离矿区不足2公里,380伏线路沿上德公路而架,丰富的资源、有利的交通、电力、供水的条件,为建立大型加工花岗岩企业提供了必备的条件。 三、产品用途、市场预测 近年来,随着改革开放进一步深入,国民经济迅速发展,基本建设步伐加快以及人民群众的生活水平的不断提高,对建筑物的室内对装璜已形成了新的格局并蓬勃兴起,而天然花岗石材及其制品,具有良好的性能,其表面光泽度高,色彩艳丽,光泽稳定,耐磨、耐腐蚀,持久性能好等多种优越性,它不仅可做内外墙、门、柱和地板及亭台楼阁的装璜,还可做成多种工艺品,如:桌、凳、茶几、墓碑、骨灰盒、仿古家俱以及石龙、石狮等石雕产品,起到点辍居室内外环境,给人以优雅、自然、古典、富丽堂皇的感觉。该类产品目前需求量很大,产品供不应求,不光在内地畅销,还可销售香港、日本、新加坡等地,且销售价格可观,如板材在当地售价为110元/m2,发展前景十分广阔。因此,以青板矿区为中心,建立2条开采线和2条加工生产线的石材厂,其原料和产品销售是不成问题。 四、工艺流程和设备选型 1、石材加工厂的生产工艺流程,主要有荒料开采——毛坯——车床成型——磨床抛光——切边——倒角——钻床——钻眼——质检——包装等工序组成。 2、设备的选择 设项目的设备的选择,应以先进性、适用性、配套性、易维修、效益高为原则,根据生产工艺所需,主要设备有龙门刨床1台,高头车库1台,风钻2套,挖机1台,吊机2台,大切机2台,车床2台,磨床2台,砂轮机4台,小切机4台,水泵2台,测光仪2台。 3、质量要求:国家标准850—900 五、项目投资概算 该项目总投资约在1000万元人民币,其中建厂投入为685万元,投产后流动性资金在300万元,年加工荒料1万m3,生产成品板材为20万m2以上,创产值2200万元,年利润197.76万元,年上交税金116.24万元,预计投资回收限在三年内。 1、项目投资 表(一) 设备投资概算表 序号 设备名称 单位 数量 金额 (万元) 备注 1 风钻 套 4 8 2 挖机 台 1 68 3 吊机 台 2 37 4 大切机 台 2 75 5 刨床 台 2 58 6 高头车库 台 2 63 7 车床 台 2 27 8 磨床 台 2 201 进口 9 砂轮机 台 4 5.2 10 小切机 台 4 5.18 11 立式钻床 台 2 10.2 12 测光仪 台 1 5 13 水泵 台 2 0.8 14 变压器 台 1 4 合 计 568 表(二) 土建投资概算表 序号 项目名称 金 额 备 注 1 矿山基建 8 2 征 地 15 3 整 地 2 4 大门、围墙 4 5 水、电 6 6 厂房、办公室 60 7 水 池 2 合 计 97 表(三) 项目投资及构成表 序号 项目名称 金额 (万元) 投资构成(%) 备注 1 矿山承包费 10 1.46 2 设 备 568 83 3 设备运输及安装 6 0.87 4 土 建 97 14.1 5 培训费 1 0.14 6 不可预见费 3 0.43 合 计 684 100 2、生产成本估算 表(四) 生产成本估算 项 目 单位成本(元/m2) 年总成本(20万m2、万元) 变动 成本 固定 成本 合计 变动 成本 固定 成本 合计 一、材料费用 1、荒料石 40 40 600 600 2、辅助材料 25 25 500 500 二、燃料及动力 1、电费 4 4 60 80 2、水费 1 1 20 20 三、工贸及附加 3.5 3.5 70 70 四、销售费用 5 5 100 100 五、折旧 5.5 1.0 110 六、修理 1.8 1.8 36 36 七、利息 4 4 80 80 八、其它及管理费 3.5 3.5 70 70 合 计 78.5 14.8 93.3 1570 296 1866 3、效益分析 (1)工厂成本:20(万m2)×933元/m2=1886万元 销售收入 材料费用+燃料动力 (2)增值税= ×17%- ×17% 1+17% 1+17% 2200 1400 = ×17%- ×17% 1+17% 1+17% =116.24万元 (3)年利润:2200—1866—116.24=197.76万元 (4)投资回收年限=固定资产÷(年利润+年折旧) =684÷(197.76+110) =2.3(年) 六、优惠政策 1、税收优惠: (1)所办的一般工业性企业,第1年缴纳的税收地方留成部分全部由乡财政奖励给企业,第2—4年缴纳的税收总额地方留成的部分50%由乡财政奖励给企业。 (2)投资兴办民营科技企业和高新技术企业,自获利年度起,按企业每年上缴所得税地方留成部分的同等额度,三年内全部用于扶持奖励企业,第4—6年奖励留成部分的50%,第7—10年奖励留成部分的30%。 2、用地优惠 (1)外来投资企业可根据投资者意向,优先保证在乡境内建设用地,也可根据投资者需求,将企业落户工业园区,并享受同等的优惠政策。 (2)投资第二产业800万元的,土地使用权出让金净收益由财政返还10%;投资额在800万元—5000万元以下,每超过200万元,增加返还比例1%,5000万元以上的,土地使用权出让金净收益由财政返还30%。 (3)外商新办的工业性项目,其土地出让金一次性缴付有困难的,可以采取国有土地租赁的方式取得土地使用权,逐年缴纳土地租金。 3、规费优惠 (1)外来投资企业生产经营所需的水、电优生保证供应,免收除国家、省规定以外的电配套建设费等附加费。 (2)外来投资者独资兴办高新技术项目,自投资之日起,三年内免交县及乡有权减免的相关行政性收费。 七、综合评价 根据以上数据分析,该项目具有较好的经济效益和社会效益,是切实可行的好项目,丰富的资源,优越的环境,为企业发展打下了扎实的基础,独特的产品,广阔的市场前景,为企业的不断发展壮大注入了强大的竞争力和活力,为此,我们谒诚欢迎社会各界人士前来投资。 -2- -2-
展开阅读全文

开通  VIP会员、SVIP会员  优惠大
下载10份以上建议开通VIP会员
下载20份以上建议开通SVIP会员


开通VIP      成为共赢上传

当前位置:首页 > 环境建筑 > 其他

移动网页_全站_页脚广告1

关于我们      便捷服务       自信AI       AI导航        抽奖活动

©2010-2026 宁波自信网络信息技术有限公司  版权所有

客服电话:0574-28810668  投诉电话:18658249818

gongan.png浙公网安备33021202000488号   

icp.png浙ICP备2021020529号-1  |  浙B2-20240490  

关注我们 :微信公众号    抖音    微博    LOFTER 

客服