收藏 分销(赏)

固体矿产资源、储量分类及编码.docx

上传人:xrp****65 文档编号:5930855 上传时间:2024-11-23 格式:DOCX 页数:8 大小:176.94KB 下载积分:10 金币
下载 相关 举报
固体矿产资源、储量分类及编码.docx_第1页
第1页 / 共8页
固体矿产资源、储量分类及编码.docx_第2页
第2页 / 共8页


点击查看更多>>
资源描述
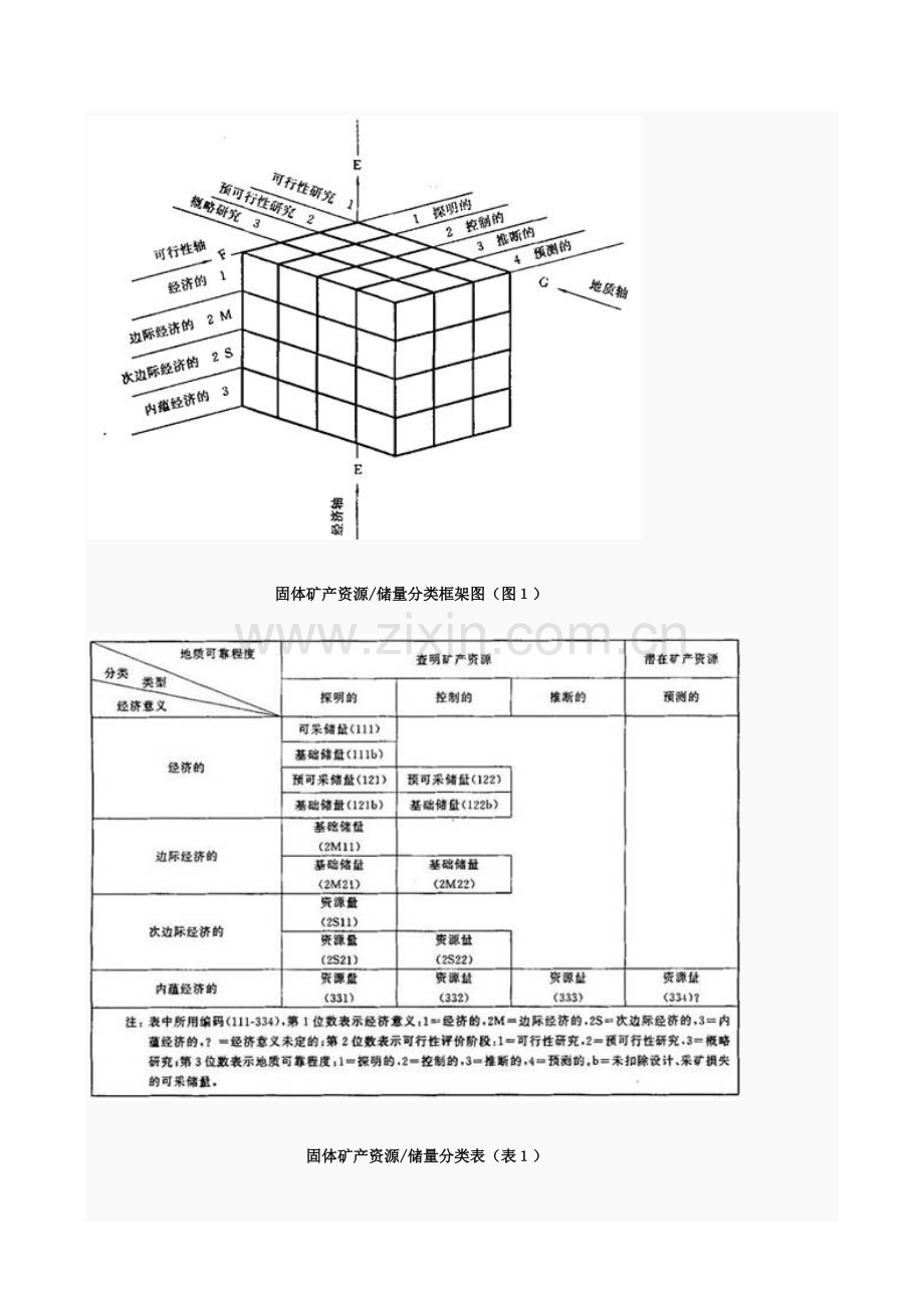
固体矿产资源/储量分类及编码 固体矿产资源/储量分分类 分类依据:矿产资源经过矿产勘查所获得的不同地质可靠程度和经相应的可行性评价所获不同的经济意义,是固体矿产资源/储量分类的主要依据。据此,固体矿产资源/储量可分为储量、基础储量、资源量三大类十六种类型,分别用二维形式 ( 图 l) 和矩阵形式 ( 表 1) 表示。 储量:是指基础储量中的经济可采部分。在预可行性研究、可行性研究或编制年度采掘计划当时,经过了对经济、开采、选冶、环境、法律、市场、社会和政府等诸因素的研究及相应修改,结果表明在当时是经济可采或已经开采的部分。用扣除了设计、采矿损失的可实际开采数量表述,依据地质可靠程度和可行性评价阶段不同,又可分为可采储量和预可采储量。 基础储量:是查明矿产资源的一部分。它能满足现行采矿和生产所需的指标要求 ( 包括品位、质量、厚度、开采技术条件等 ) ,是经详查、勘探所获控制的、探明的并通过可行性研究、预可行性研究认为属于经济的、边际经济的部分,用末扣除设计、采矿损失的数量表述。  资源量:是指查明矿产资源的一部分和潜在矿产资源。包括经可行性研究或预可行性研究证实为次边际经济的矿产资源以及经过勘查而末进行可行性研究或预可行性研究的内蕴经济的矿产资源;以及经过预查后预测的矿产资源。 固体矿产资源/储量分类编码 编码:采用 ( EFG) 三维编码, E、F 、G 分别代表经济轴、可行性轴、地质轴 ( 见图 l) 。 编码的第 1 位数表示经济意义: 1 代表经济的, 2M 代表边际经济的, 2S 代表次边际经济的, 3 代表内蕴经济的; 第 2 位数表示可行性评价阶段: 1 代表可行性研究, 2 代表预可行性研究, 3 代表概略研究; 第 3 位数表示地质可靠程度: 1 代表探明的, 2 代表控制的 3 代表推断的, 4 代表预测的。变成可采储量的那部分基础储量, 在其编码后加英文字母“ b ”以示区别于可采储量。 类型及编码:依据地质可靠程度和经济意义可进一步将储量、基础储量、资源量分为 16 种类型 ( 见表 l) 。               固体矿产资源/储量分类框架图(图1)                                     固体矿产资源/储量分类表(表1) 矿产资源/储量分类   根据矿产资源/储量的经济意义、可行性评价和地质可靠程度,将固体矿产资源/储量分为储量、基础储量和资源量三大类16种类型。   储量   经过详查或勘探,达到了控制的或探明的程度,在进行了预可行性或可行性研究,扣除了设计和采矿损失,能实际采出的数量,经济上表现为在生产期内,每年的平均内部收益率高于行业基准内部收益率。储量是基础储量中的经济可采部分,又可分为可采储量(111)、探明的预可采储量(121)及控制的预可采储量(122)3个类型。   基础储量   经过详查或勘探,达到控制的和探明的程度,在进行了预可行性或可行性研究后,经济意义属于经济的或边际经济的那部分矿产资源。基础储量又可分为两部分:即经济基础储量和边际经济的基础储量。经济基础储量是每年的内部收益率大于行业基准内部收益率,并扣除设计和采矿损失之前的那部分。可分为3个类型,探明的(可研)经济基础储量(111b),探明的(预可研)经济基础储量(121b)、控制的经济基础储量(122b)。边际经济基础储量,其平均内部收益率介于行业基准内部收益率与零之间的那部分,也有3个类型,即探明的(可研)边际经济基础储量(2M11)、探明的(预可研)边际经济基础储量(2M21)、控制的边际经济基础储量(2M22)。   资源量   资源量可分为三部分,即内蕴经济资源量、次边际经济资源量和预测资源量。   内蕴经济资源量。即自普查至勘探,地质可靠程度达到了推断的至探明的,但可行性评价工作只进行了概略研究,尚分不清其真实的经济意义,统归为内蕴经济资源量。可细分为3个类型:探明的内蕴经济资源量(331)、控制的内蕴经济资源量(332)、推断的内蕴经济资源量(333);   次边际经济的矿产资源量。即经过详查、勘探的成果,进行了预可行性、可行性研究后,其内部收益率呈负值,在当时开采是不经济的,只有在技术上有了很大进步、产品能大幅度降低成本或大幅度降价时,才能使其变为经济的那部分矿产资源。也分为3个类型:探明的(可研)次边际经济资源量(2S11)、探明的(预可研)次边际经济资源量(2S21)、控制的次边际经济资源量(2S22);   预测的矿产资源。即经过预查工作,依据已有资料分析、类比、估算的资源量(334)?,也是资源量的一种,属潜在矿产资源。 矿产勘查中确定勘查工程间距的方法 C1  地质统计学法确定矿产勘查的工程间距 应用地质统计学方法确定最佳工程间距,有以下几种情况: C1.1 在新勘查区(或已勘查完毕,需进行矿产资源储量评估地区),可将区内按不同网度划分各种网形。计算每一结点(孔位)的估计方差,再计算每一网度(形)的平均估算方差,将每一网度(形)所花费的金额与平均估计方差进行对比(图C1),该图最优勘查网度在300~200m之间。当我们找到最佳勘查网(形)后,再利用每一结点上 绘制 等值线图,在估计方差较高的区域,利用C1.2所述方法,适当加密钻孔。一旦全部孔位确定后,应在相对收益较高地段优先施工。                              图 C1 最优勘探网度的选择 C1.2  勘查区内已有n个钻孔施工完毕,为提高矿产资源储量估算精度、减少风险、或为了增加矿产资源储量,要在n个钻孔的基础上再增加几个钻孔(图C2),可用估方差 确定最佳孔位。          图 C2 利用确定的最佳孔位 (1)计算当钻孔数为n时的估计方差   ; (2)计算增加一个新孔Xi后,每一钻孔的估计方差; (3)计算每一钻孔的相对收益,见式(C1);                                    …………………(C1) (4)绘制全区等相对收益线图,当Xi位置与该等相对收益线图的最高点吻合,则X1即为最佳孔位;否则,改变X1的位置,再计算,直至吻合。 (5)以同样方法确定其余的钻孔X1的位置。 C1.3  一定方向上区域变化量(有用组分)变异函数的变程值(或略小于该值),可作为该方向上最大工程间距。 C2  SD法确定矿产勘查工程间距 SD法是动态分维几何学储量计算法的简称。以动态分维几何学和最佳结构地质变量为基础,以断面构形替代空间构形为核心,用Spline函数拟合的点列函数曲线,对其求解和积分,整个运算过程费贯了动态的“搜索”和“递进”原理。 SD分数维和结构地质变量是动态分维几何学的两个基本内容。前者是地质变量复杂性的表述,后者是地质变量可微性的表述。由此产生SD储量计算和精度计算。 SD精度具有度量地质可靠程度和确定的勘查工程间距的功能,按照对精度的要求计算工程间距。 SD法确定矿产勘查工程间距h的公式为式(C2):                    h = h2      ………………………(C2) 式中:h2——勘探线平均间距; Lj——第j条线两端点工程间距的总距离; K——勘探线数; N——根据要求的精度求取所需的工程数;                η'——要求达到的精度值; α、β——初始递进计算SD精度过程中求取的系统值。 SD精度(η %):据地质可靠程度划分的区间。见图C3:                     图C3  SD精度与地质可靠程度关系应用图 探明的η≥80 % 控制的45 %≤η<65 %; 推断的15 %≤η<30 %; 预测的η<10 %。 图中的几个可靠程度待定区间属何精度,需结合矿床地质复杂程度来定,简单者可归于高精度类,复杂者归于低精度类。 矿产资源/量估算  工业指标   依据保护和合理利用矿产资源的方针以及国家经济政策、科技水平和经济效益所确定的,由矿石质量(化学的或物理的)指标和矿床开采技术条件两部分组成。预查、普查时,可用一般工业指标进行圈定和估算。详查、勘探所用指标通常应结合预可行性研究或可行性研究,依据当时的市场价格论证、确定的工业指标进行 定和估算。供矿山建设设计利用所需的工业指标,应严格按国家规定的程序制定、下达。    矿产资源/储量估算一般原则   应按矿体、块段、矿产资源/储量类型、能分采的矿石类型、品级及不同工业用途分别估算矿产资源/储量。   已查明赋存状态,达到工业指标要求、具一定规模可以综合回收的共生矿产,应分别估算矿产资源/储量。有经济效益的伴生组分,也应分别估算矿产资源/储量。   参与矿产资源/储量估算的各取样工程、样品采集、加工、测试质量均应符合有关规范、规程及规定的要求。   矿体、不同矿石类型、品级的圈定,应遵循矿床自身的地质规律。矿体任意位置圈连的厚度,不得大于相邻地段工程实际控制的矿体厚度。厚大且能连片的低品位矿石,应单独圈定。边缘见矿工程的控制范围,应根据矿床地质变量的变化特征、影响范围来确定。当边缘见矿工程出现薄而富的矿体时,可根据米百分值或米克/吨值,以该工程为截止点圈连矿体。    矿产资源/储量估算的参数:   参与矿产资源/储量估算的参数:一般包括面积、品位、厚度、体重等。详查、勘探阶段所用参数应是实际测定的,不论在数量上还是分布上,均应有代表性,数据要准确可靠。   面积:可用求积仪或几何图形法、座标计算法等多种方法求得。面积测定时,不得少于两次,当两次的差值不大于2%时,取均值。几何图形法要求图形尽可能简单,采用图件的比例尺视矿体规模而定,一般为1∶1 000。参与估算的面积应扣除采空区的面积。   品位:平均品位的计算,当样长不均匀时,或影响品位的其它因素不均匀时,以加权平均法求取,反之可用算术平均法。用几何图形法估算矿产资源/储量,当遇有特高品位存在时,应先处理特高品位,再求平均品位。特高品位值一般取矿体平均品位的6~8倍来衡量。当矿体品位变化系数大时采用上限值,变化系数小时采用下限值。其处理方法是用特高品位所影响块段的平均品位或单工程平均品位(厚度较大时)代替。用SD储量计算法时,用削减值代替特高品位,置于原始数据中参与计算。   厚度:一般用算术平均法求取平均厚度,但厚度的选取要视计算方法而定。用纵投影面积时,应计算平均水平厚度;用水平投影面积时,应计算平均垂直厚度,用真面积计算时,应计算平均真厚度。对于厚度变化很大的矿床,遇到特大厚度,应先进行特大厚度的处理,然后再求平均厚度。当工程分布很不均匀时,可据影响长度或面积加权。   体重:应分矿石类型或品级采集体重样。致密块状矿石采集小体重样。每种矿石类型不得少于30块;松散矿石则应采集大体重样,且不得少于3~4个;裂隙较发育的块状矿石,除按上述数量采集小体重样外,还应采集2~3个大体重样,对体重值进行校正,再参与矿产资源/储量估算。对于湿度较大的矿石,应采样测定湿度,当湿度大于3%时,体重值应进行湿度校正。   对于一些具有特殊性能的矿产,在估算矿产资源/储量时,应充分考虑其特殊的参数。如砂矿常用的松散系数,淘洗系数,砾石系数,石灰岩、白云岩矿床的岩溶率,汞矿的含矿系数等。
展开阅读全文

开通  VIP会员、SVIP会员  优惠大
下载10份以上建议开通VIP会员
下载20份以上建议开通SVIP会员


开通VIP      成为共赢上传

当前位置:首页 > 环境建筑 > 其他

移动网页_全站_页脚广告1

关于我们      便捷服务       自信AI       AI导航        抽奖活动

©2010-2026 宁波自信网络信息技术有限公司  版权所有

客服电话:0574-28810668  投诉电话:18658249818

gongan.png浙公网安备33021202000488号   

icp.png浙ICP备2021020529号-1  |  浙B2-20240490  

关注我们 :微信公众号    抖音    微博    LOFTER 

客服