收藏 分销(赏)

第7章磁力起动器.doc

上传人:xrp****65 文档编号:5904636 上传时间:2024-11-23 格式:DOC 页数:55 大小:6.94MB 下载积分:10 金币
下载 相关 举报
第7章磁力起动器.doc_第1页
第1页 / 共55页
第7章磁力起动器.doc_第2页
第2页 / 共55页


点击查看更多>>
资源描述
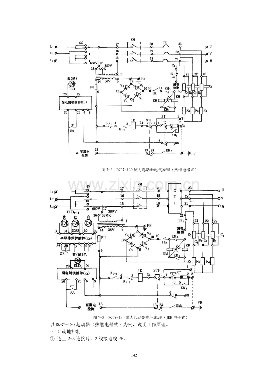
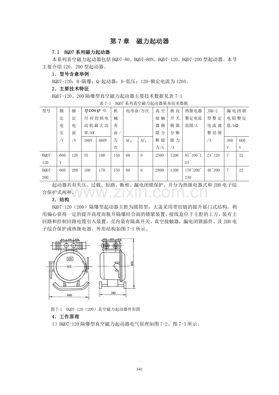
第7章 磁力起动器 7.1 BQD7系列磁力起动器 本系列真空磁力起动器包括BQD7-80、BQD7-80N、BQD7-120、BQD7-200型起动器。本节主要介绍120、200型起动器。 1.型号含意举例 BQD7-120:B-隔爆;Q-起动器;D-低压;120-额定电流为120A。 2.主要技术特征 BQD7-120、200隔爆型真空磁力起动器主要技术数据见表7-1 表7-1 BQD7系列真空磁力起动器基本技术数据 型号 额定电压/V 额定电流/A =0.75时控制电动机最大功率/kW 机械寿命/万次 电寿命/万次 真空接触器极限分断能力/A 换向开关极限分断能力/A 热继电器整定电流范围/A JDB-2型整定电流调整范围/A 漏电闭锁电阻整定值/kΩ 380V 660V AC3 AC4 380V 660V BQD7-120 660V 120 55 100 150 60 6 2500 1200 85~100~125 24~120 7 22 BQD7-200 660 200 100 170 150 60 6 2800 1200 170~200~230 40~200 7 22 起动器具有失压、过载、短路、断相、漏电闭锁保护,并分为热继电器式和JDB电子综合保护式两种。 3.结构 BQD7-120(200)隔爆型起动器主腔为圆筒型,大盖采用带铰链的提升摇门式结构,利用偏心获得一定的提升高度而脱开隔爆结合面的锁紧装置。接线盒位于主腔的上方,装有主回路和控制回路电缆引入装置。壳内装有隔离开关、真空接触器,漏电闭锁插件、及JDB电子综合保护或热继电器。外形结构如图7-1所示。 图7-1 BQD7-120(200)真空磁力起动器外形图 4.工作原理 1)BQD7-120隔爆型真空磁力起动器电气原理如图7-2、图7-3所示。 图7-2 BQD7-120磁力起动器电气原理(热继电器式) 图7-3 BQD7-120磁力起动器电气原理(JDB电子式) 以DQB7-120起动器(热继电器式)为例,说明工作原理。 (1)就地控制 ① 连上2-5连接片,2线接地线PE。 ② 合上换向开关QS,控制变压器T得电,660V/36V,漏电闭锁插件有电,对低压动力电缆进行绝缘检测,当动力电缆对地绝缘电阻大于规定值,漏电闭锁插件内继电器不动作,其常闭接点闭合,为起动控制准备。 ③ 按下起动按钮ST,继电器1K吸合,其电流通路为: AC36V(左)→FU→热继电器常闭接点FR1→漏电闭锁组件常闭接点K1-1→中间继电器1K→停止按钮STP→1线→起动按钮ST→5线→2线→地线PE→AC36V(右)。 中间继电器1K吸合:常开接点1K1闭合,整流桥输出的直流使接触器KM两线圈并联起动;常闭接点1K2打开,解除漏电闭锁。 接触器KM吸合:主触头KM闭合,电动机起动;辅助常开接点KM1闭合,自保;辅助常开接点KM2闭合,可以实现联锁控制;辅助常闭接点KM3、KM4打开,接触器KM两线圈串联运行。接触器两线圈起动时并联,运行时串联,提高了电气寿命。 ④ 停止。按下停止按钮STP,1K断电释放,KM断电释放,开关跳闸。 ⑤ 如果电动机过载,热继电器FR动作,常闭接点FR1打开1K控制回路,使KM断电释放,开关跳闸。 C1~C3、R1~R6为阻容吸收装置,吸收操作过电压。 (2)远方控制 远方控制,控制按钮装在工作机械上。即在工作机械上实现起动与停止控制,在磁力起动器上只能实现停止控制。 ① 接线。断开5-2连接片,2-PE断开。与远方起动按钮的连接如图7-4所示。 图7-4 BQD7起动器与远方控制按钮的连接 ② 远方控制起动过程略。 为了便于记忆,现将DQB7-80、120、200型磁力起动器控制方式编一顺口溜:远方控制很方便,2-5断开是关键,起动按钮接1线,停止按钮接9线,两钮中间连2线,1-9接反不自保,1-2接反停不了。就地控制更好搞,5-2,2-9相连别忘了。 2)BQD7-200隔爆型磁力起动器 BQD7-200型磁力起动器电气原理如图7-5、图7-6所示。 图7-5 BQD7-200隔爆型磁力起动器电气原理(热继电器式) 图7-6 BQD7-200隔爆型磁力起动器电气原理(电动机综合保护式) 3)BQD7系列隔爆真空磁力起动器漏电闭锁组件工作原理 BQD7系列隔爆真空磁力起动器漏电闭锁组件原理如图7-7所示。 图7-7 BQD7系列隔爆真空磁力起动器漏电闭锁组件原理 (1)直流检测电路。AC36V经V3整流,R12、C2滤波,经R10、V1、V2稳压,输出电压为Uf作为漏电组件的电源和绝缘电阻的检测电源。 直流检测通路为:Uf(+)→R1→R2→R3→V5→26→中间继电器1K的常闭接点1K2→动力电缆→动力电缆对地绝缘电阻r→大地→地线PE→Uf(-)。 (2)正常状态。磁力起动器在起动前,当动力回路对地绝缘电阻r>22kΩ(660V)时,即绝缘电阻大于漏电闭锁值,运算放大器T2的U->U+(门槛电压为6.6V),其输出为低电位,晶体管T1截止,继电器K释放,其常闭接点K1-1闭合,中间继电器1K可以吸合,开关可以起动送电;同时外接发光二极管LED熄灭,电路处于正常工作状态。 (3)闭锁状态。磁力起动器在起动前,低压动力回路对地绝缘电阻r≤22kΩ(闭锁值)时,Uf经R1+R2和R3+r串联分压后,运算放大器T2的U-<U+,其输出高电位(约7.7V),稳压管V7击穿,晶体管T1导通,继电器K吸合,其常闭接点K1-1打开,外接发光二极管点亮,中间继电器1K不能吸合,其常开接点1K1打开,接触器KM线圈不能通电而动作,磁力起动器不能起动,实现漏电闭锁。 (4)漏电闭锁试验与闭锁值调整。当R4小于闭锁电阻值,如果合上试验开关(或外接试验按钮SA),相当于模拟电网对地绝缘电阻低于闭锁值,此时,继电器K应吸合,漏电指示灯点亮。当断开试验开关时,K立即释放,指示灯熄灭。通过调节R1,可以改变分压点,改变闭锁电阻值。 4)BQD7系列磁力起动器JDB-Ⅱ电动机综合保护原理 JDB-Ⅱ电动机综合保护原理如图7-8所示。由电源电路、取样电路、起动电路、执行电路等组成。 图7-8 JDB-Ⅱ电动机综合保护电气原理图 (1)电源电路。交流36V经整流桥VC整流,R61限流,C7滤波,三端稳压器H3稳压,输出直流24V;再经R60、V18、V19稳压,输出正负直流电压。 (2)取样电路。线性电抗变换器TA1~TA3将主回电路大电流,变换为交流弱电压信号,经I1-1~I1-3、V1~V3精密整流,由A点输出反映动力回路电流大小的三相半波直流电压,而分别作为过载保护、短路保护、断相保护电路的起动信号。波段开关S用于调整动作电流,电位器RP1用来微调整定电流。 (3)执行电路。在过载、短路、断相保护未动作时,V10~V12“与门”输出高电位,晶体管T4导通,继电器K2吸合,K2-1闭合,此时,测试点A的电位为0.7V。当上述三种保护中任一保护装置动作时,测试点A的电位高于0.7V,执行电路的“与门”输出低电位,T4截止,继电器K2释放,常开接点K2-1打开。 (4)过载保护工作原理。A点取出的过载信号电压,经二极管V4、V5、R19送入由I2-3组成的积分电路,I2-3输出电压随不同信号电压,按不同上升率逐渐上升,达到I2-4构成的具有继电器特性的触发器电压时,I2-4输出低电位,从而使“与门”V10~V12的V10输出低电位,执行电路的T4截止,继电器K2释放,起动器跳闸。同时,T3截止,使接线端子5、10之间的过载指示灯亮,表示过载跳闸。 (5)短路保护工作原理。A点取出短路信号电压,经R36、C5短延时后,送入I2-2构成的不可返回触发器,达到其门槛电压,I2-2的U->U+,V11导通,T4截止,K2释放,起动器跳闸。同时,T2截止,接线端子3、10之间的短路指示灯亮,指示短路跳闸。 当短路信号消失后,由于触发器不可返回,保护器自锁,只有按下复位按钮SB或拉合隔离换向开关一次,触发器才能复位。 (6)断相及相不平衡保护。三相电流不平衡时,随着不平衡程度的增加,A点信号中的二次谐波(100Hz)成分将增加,通过I1-4组成的选频(100Hz)放大器放大,达到由I2-1构成的不可返回触发器的门槛电压,触发器翻转,使I2-1输出高电位变为低电位,二极管V12导通,T4截止、K2释放,起动器跳闸。同时,T1截止,接线端子4、10之间的断相指示灯亮,指示断相跳闸。 只有按下复位按钮SB或拉换向开关后,再合上,才能复位。 5.常见故障及其除理 BQD7-120(200)隔爆真空磁力起动器常见故障及处理方法(表7-2) 表7-2 BQD7-120(200)真空磁力起动器常见故障及处理方法 故障现象 故障原因 处理方法 不起动 1.熔断器FU熔断,整流桥无输出; 2.漏电闭锁插件损坏 3.接触器并联回路二极管损坏; 4.中间继电器1K损坏; 5.起动按钮有故障; 6.电动机棕合保护器损坏; 7.控制变压器原边电压不对; 8.整流桥损坏; 9.远方控制接线有误或开路。 10.就地控制不起动,2-5连接片未连上 1.更换FU; 2.更换漏电闭锁插件; 3.更换二极管; 4.更换中间继电器; 5.更换起动按钮; 6.更换电动机综合保护器; 7.核对变压器原边电压档位。 8.更换整流桥; 9.检修控制线路; 10.连接上2-5连接片。 远方控制不自保 远方控制1线、9线接反 校核接线 远方控制停不了 远方控制1线、2线接反; 校核接线 远方控制时,在本开关上也能起动 2-5连接片未断开 断开2-5连接片 接触器线圈烧坏 接触器辅助接点地脚螺钉松动,辅助接点KM3、KM4在接触器吸合后未打开,接触器线圈长时工作在并联状态下。 1.检修接触器辅助接点; 2.更换接触器线圈; 3.维修控制线路。 接制变压器烧坏 变压器线圈匝间短路 更换控制变压器 起动器跳闸后,动力回路仍有一相有电 真空接触器三相触头严重不同步,有一相处于不控状态,调整触头的螺帽损坏 更换接触器总成 处于漏电闭锁状态,不能复位 起动器在拆去动力电缆后送电试验,仍处于漏电闭锁状态。漏电闭锁插件损坏;动力回路穿墙套损坏漏电 1.更换漏电闭锁插件; 2.核查绝缘套管,清理碳化物,最后更换套管。 接触器KM“打枪” 整流桥某一桥臂二极管损坏;控制变压器原边电压等级不对;控制变压器二次侧匝间短路;接触器KM吸力线圈匝间短路 1.更换整流桥; 2.检查控制变压器的接线; 3.更换控制变压器; 4.更换接触器吸力线圈。 过载、短路、断相保护误动作,且不能复位 电动机综合保护插件损坏;电动机综合保护装置电源线开路 1.更换电动机综合保护插件; 2.检修控制线路。 两台起动器不能实现联锁控制 首台起动器联锁控制接点未闭合 检修首台起动器的联锁接点控制电路 漏电闭锁插件不工作 无交流电源;有电源,但不动作 1.检修控制电路; 2.更换漏电闭锁插件。 200A磁力起动器就地控制不自保 接触器辅助接点不闭合;半波整流维持接触器吸合的二极管损坏(短路或开路) 1.检修辅助接点; 2.更换二极管。 7.2 QJZ-160/1140/660(N)隔爆型真空可逆磁力起动器 QJZ-160/1140/660(N)型可逆磁力起动器,主要用于额定电压1140V,频率50Hz,额定容量15kW~237kW矿用隔爆型三相鼠笼电动机的正反转控制;或者660V,50Nz,9kW~137kW隔爆型鼠笼电动机的正反转控制。 1.型号含义 Q-起动器;J-隔爆兼本质安全型;Z-真空;160-额定电流;1140-额定电压(V);660-额定电压(V);N-可逆式。 2.主要技术数据(表7-3) 表7-3 QJZ-160/1140/660N隔爆型可逆磁力起动器 型号 额定电压/V 额定电流/A =0.75时控制电动机最大功率/kW 引入电缆外径/mm 重量/kg 生产厂 动力电缆 控制电缆 QJZ-160/1140 1140 10~160 15~237 32~71 14.5~21 384 徐州煤矿机械厂 660 10~160 9~137 384 具有过载、短路、断相、漏电闭锁、过电压、失压保护。当控制回路发生短路时,有防止自起动功能。具有正、反向运行显示及电源显示功能;先导控制回路为本质安全型,17V,20mA;正、反转控制的2台真空接触器具有电气闭和机械闭锁。 3.结构 隔爆壳内装有GZ-300/1140型真空隔离换向开关;隔离开关下面装有电流互感器,作为保护装置的传感电路;壳内芯板组装件上,装有CK-250真空交流接触器2台、控制就压器、信号变压器及千伏级熔断器等;前门控制芯板组件上装有本安控制电路、各种保护组件、信号组件等。 4.工作原理 电气原理如图7-9所示。 图7-9 QJZ-160/1140N隔爆型磁力起动器电气原理图 1)各元件的名称及作用 QS-隔离开关,型号GZ-300/1140型真空隔离开关,具有“通-断-通”3个档位,可在电动机停止时或接触器故障状态下分断负载。 1HFU、2HFU-主回路熔断器,型号NGT-400A/1000V,作为主回路电子保护装置的后备保护,极限切断电流为10kA。 3HFU、4HFU-控制变压器一次侧熔断器,型号RL30-2A/1140V,作为控制变压器的短路保护装置。 TA1~TA3-电流互感器,作为过流保护装置的传感电路。 1KM、2KM-电动机正转反转控制真空接触器。用以控制电动机的正转、反转,且有电气闭锁。 ZR-过电压吸收器,吸收操作过电压。 1FU、2FU-控制回路熔断器,型号BLX,3A,6A。作为控制回路的短路保护装置。 T1-控制变压器,1140V(660V)/36V,24V。作为控制及保护回路的电源。 T2-本安电源变压器,24V/17V,作为先导插件的电源。 T3-监视变压器,1140V(660V)/24V,控制时间继电器。 DSZ-电源时间组件,将AC24V变为直流DC24V,再经稳压,输出DC15V电压,作为整个保护装置的电源。另外还有时间继电器的延时控制。 XZZ-信号整定组件,电流互感器TA1~TA3把大电流变为小电流,经RA、RB、RC将电流信号变为电压信号,经粗调整定开关S1,将反映动力回路电流大小的交流电压信号送给信号整定组件XZZ,XZZ将处理后的直流信号送给保护组件BHZ,进行过流及断相保护。 BHZ-对电动机及动力回路实现过载保护、短路保护、断相保护,真空接触器漏电气保护。 LDZ-漏电闭锁组件,对低压动力回路实现漏电闭锁。 XDZ-先导控制组件。 3KJR、3KJF、4KJR、4KJF-控制用双向接触器。 SB1-停止按钮。 SB2-复位按钮。 2)起动前的准备 合上隔离开关QS,控制变压器T1得电,电源时间组件DSZ有电输出直流24V和直流15V电压,BHZ组件、LDZ组件得电而工作。 保护组件BHZ中过载继电器KVL与断相继电器KTP吸合,为继电器4KJF吸合准备。 电源时间组件DSZ中时间继电器1KT延时0.2S吸合,其常开接点1KT闭合,继电器1K吸合,常开接点1K1闭合,双向接触器4KJR吸合,常开接点4KJR1~4KJR3闭合,主回路漏电闭锁回路接通。 漏电组件LDZ对低压动力回路对地绝缘电阻进行测试,如果动力回路对地绝缘电阻r值:1140V系统,r>40kΩ(等效为单相);660V系统,r>22kΩ(等效为单相),漏电继电器KEL吸合,其常开接点KEL1闭合,本安变压器T2有电,为先导控制继电器1KJ、2KJ提供工作电压。同时,运行信号指示灯V7点亮,表示可以起动。 3)正转起动控制 按下起动按钮盒LA中的正向起动按钮,先导插件XDZ中的继电器1KJ吸合,常开接点1KJ1闭合,双向接触器3KJR吸合,常开接点3KJR1闭合,为正转接触器起动控制准备;常开接点1KJ2转换,4KJR释放,其常开接点4KJR1~4KJR3打开,漏电闭锁检测回路断开,解除漏电闭锁。 同时,双向继电器4KJF吸合,整流桥VC1得电,正转接触器1KM线圈得电吸合,主触头1KM闭合,电动机正转起动;辅助接点1KM1闭合,为先导组件中继电器1KJ自保提供通路;常闭接点1KM2打开,断开反转接触器线圈的整流桥回路,与反转控制进行电气闭锁,保证在正转运行过程中,反转运行不能起动;常闭接点1KM3打开,接触器1KM由吸动转为吸持;1KM4打开,保证4KJR释放,可靠地解除漏电闭锁;1KM5闭合,电动机正转运行灯V8亮,表示电动机正向运转。 4)反转起动控制 当电动机需要反转时,按下LA中的反向起动按钮,先导组件中1KJ释放,3KJR释放其常开接点3KJR1断开接触器1KM吸力线圈回路,使1KM跳闸,V8灯熄灭。 同时,先导回路中2KJ吸合,常开接点2KJ1闭合,3KJF吸合,常开接点3KJF1闭合,为反转起动控制准备;2KJ2转换,4KJR释放,解除漏电闭锁。4KJF吸合,常开接点4KJF1、4KJF2闭合,整流桥VC2得电,反转接触器线圈2KM得电吸合。 2KM得电吸合,主触头2KM闭合,电动机反转起动;常开接点2KM1闭合,先导回路继电器2KJ自保;常闭接点2KM2打开,保证1KM不能吸合,即电气闭锁;常闭接点2KM3打开,使反转接触器线圈由反转起动转为反转维持;2KM4打开,保证4KJR释放,解除漏电闭锁;2KM5闭合,反转运行灯V9亮,表示电动机反转运行。 3KJR与3KJF,4KJR与4KJF之间有机械闭锁装置,所以它们不可能同时吸合,这样既可以保证接触器1KM与2KM不同时吸合,又能保证在漏电检测回路断开后,1KM或2KM才能吸合。 作为双重保护,1KM、2KM之间机械与电气闭锁,保证它们不能同时吸合,提高了安全性。 5)按下远方控盒中的LA停止按钮或本开关上的停止按钮SB1,实现停止。 6)保护装置作原理 (1)漏电闭锁保护。起动前,4KJR吸合后,漏电闭锁检测回路接通,当动力回路对地绝缘电阻小于等于漏电闭锁值(1140V系统为40kΩ;660V为22kΩ)时,漏电继电器KEL释放,其常开接点KEL1断开本安变压器T2一次侧电源,起动器不能起动,进行漏电闭锁;常闭接点KEL2闭合,漏电闭锁指示灯V6点亮。待负荷侧绝缘电阻恢复正常后,继电器KEL自动吸合后,V6灯熄灭,可以起动。起动器运行后,漏电闭锁解除。 (2)过载保护工作原理。起动器在运行中,主回路出现过负荷,过负荷信号经电流传感器,信号整定组件XZZ变换后送入保护组件BHZ中进行处理,经过一段延时后,过载继电器KVL动作,其常开接点打开,断开4KJF继电器线圈通路,4KJF释放,常开接点4KJF1、4KJF2打开,接触器1KM或2KM断电释放。运行灯V8或V9灭,过载指示灯V3点亮。电路自动记忆故障。 按下复位按钮SB2,电路返回,过载继电器KVL吸合,V3灭,可再次起动。 (3)短路保护工作原理。电动机在运行中,出现大于额定电流8~10倍以上的过负荷故障时,BHZ中短路保护电路动作,其延时时间不大于0.28s,短路保护继电器KA吸合,其常闭接点KA打开,4KJF释放,接触器1KM或2KM释放,开关跳闸。同时,短路保护指示灯V4点亮。如果出现大于3000A以上的特大短电路电流,主回路熔断器1HFU、2HFU提前于过流保护电路先行熔断,切断短电路电流。 (4)断相保护。在运行中出现主回路缺相或取样回路某相断相时,则BHZ中断相保护电路延时8~12s动作,断相继电器KTP释放,电路自动记忆故障,4KJF释放,1KM或2KM释放,开关跳闸。若要重新起动,必须按复位按钮复位。 (5)防止先导控制回路短路自起动保护。因某种原因而造成控制回路电缆短路,远控按钮中的整流二极管被短接,先导组件中继电器1KJ或2KJ由于通过交流电流而不能吸合,从而防止自起动或起动。 5.常见故障及排除 QJZ-160/1140/660(N)隔爆型真空可逆磁力起动器常见故障及处理方法(表7-4) 表7-4 QJZ-160/1140/660(N)型可逆磁力起动器常见故障及处理方法 故障现象 故障原因 处理方法 正转、反转控制不起动 1.高压熔断器3HFU、4HFU熔断,主控制变压器T1无电,整个控制保护装置无电; 2.低压熔断器1FU、2FU熔断,控制保护装置无电; 3.先导组件XDZ损坏; 4.控制按钮盒接线错误; 5.本安变压器T2损坏; 6.漏电闭锁插件LDZ损坏,其常开接点不闭合,T2无电; 7.双向继电器器4KJF损坏,其常开接点不闭合,主接触器不起动; 8.保护组件BHZ损坏,其接点不闭合,4KJF不吸合,主接触器不起动; 9.控制线路接线不可靠,特别是插接头处锈蚀氧化,接触电阻很大,线路工作不可靠; 10.电源时间组件DSZ损坏,无直流电输出,导致漏电闭锁组件LDZ不工作; 1.更换3HFU、4HFU; 2.更换1FU、2FU; 3.更换先导组件; 4.校核接线; 5.更换本安变压器; 6.更换漏电闭锁插件LDZ; 7.更换4KJF继电器; 8.更换保护组件BHZ; 9.检修控制线路; 10.更换电源时间组件DSZ; 起动后不自保 1.外接按钮接线有误; 2.辅助常开接点1KM1、2KM1接触不良; 1.检查接线,正确连接; 2.修理、调整接点; 过流保护不动作 信号整定组件XZZ或保护组件BHZ损坏 更换XZZ或BHZ 漏电闭锁保护不动作 1.漏电闭锁组件LDZ损坏; 2.连接线开路; 3.AC36V电源线开路; 1.更换LDZ; 2.检查连接线; 3.检查电源线; 过流保护、断相保护误动作 1.保护装置整定不正确; 2.BHZ损坏; 1.重新计算及整定; 2.更换BHZ; 漏电闭锁误动作 1.漏电闭锁组件LDZ损坏 1.更换LDZ 真空接触跳闸后有一相仍有电 真空触头严重漏气 更换真空触头 接触器吸力线圈烧坏 接触器辅助常闭接点未打开 检查修理辅助接点 7.3 QJZ-200/1140矿用隔爆型真空磁力起动器 QJZ-200/1140隔爆型真空磁力起动器适用于含有爆炸性混合物的煤矿井下,用于直接起动、停止额定电压为1140V(或660V、380V),频率为50Hz,额定功率在7~296kW范围内的矿用隔爆型三相鼠笼异步电动机,可以进行就地、远方控制,在停机时进行换向。在特殊情况下,允许使用隔离开关手把断开电源。 1.主要技术特征 (1)QJZ-200/1140磁力起动器主要技术数据见表7-5。 表7-5 QJZ-200/1140矿用隔爆型真空磁力起动器主要技术数据 型号 额定电压/V 额定电流/A 当ηcosΦ=0.75时,控制鼠笼电动机功率/kW 引入电缆外径/mm 重量/kg QJZ-200/1140 1140/660/380 200 1140 660 380 动力电缆 控制电缆 285 22~296 13~171 7~98 32~66 14.5~21 (2)在电压为1140V时,断路器的分断能力为2400A。 (3)具有过载、短路、漏电闭锁、失压保护功能,程序控制和反向联锁控制功能;具有运行及故障显示功能。 (4)远方控制时,防止控制回路短路时开关自起动功能。 (5)起动器采用长时工作制(8h),当线路电压在额定电压值的75%~110%时,应可靠工作。 2.结构 起动器由装在橇形底架上的方形隔爆外壳、200A真空断路器总成、保护装置及显示装置等组成,前门为平面止口式,当前门右侧中部的机械闭锁解除后,可以抬起外侧固定于铰链上的操作手把,抬起约30mm即可把门打开,关门程序相反。 (1)DBH电子保护插件装在折页式门芯上,它具有漏电闭锁、过载、短路、断相保护功能,阻容吸收器吸收操作过电压;同时还具有程序控制及反相联锁控制功能。过电流的整定、漏电闭锁的选定(1140V或660V)、程序控制的选定可通过插件上的旋钮或开关来完成。当取下插件上的紧固螺钉可将该插件拔下。 (2)接触器腔(主腔)内装有200A真空接触器;主回路中作为后备保护的千伏级熔断器1FU、2FU和控制回路千伏级熔断器3FU、4FU;电流互感器1TA~3TA和阻容吸收装置。 (3)外壳上装有隔离换向开关QS,QS与停止按钮SB1之间有机械闭锁装置;接线腔装有主回路进/出线各3个端子;控制回路进/出线端子和接线端子排。其中K1~K7为本安回路出线端子。K2、K3、K4接远方控制按钮。K5、K6、K7、K14、K0与下一台开关的K1、K3、K4、K8、K9连接,可实现2台起动器的程序控制。K10、K11、K12为用户提供的备用端子。 (4)前门上装有就地起动按钮SB2和复位按钮SB3,试验开关S具有“过流—运行—漏电闭锁”试验3个位置,前门上还装有运行、过载、短路、断相、联控故障和电源指示灯。 3.控制原理 QJZ-200/1140隔爆型真空磁力起动器电气原理如图7-10所示。该起动器可进行近控、远控和程序控制。 1)起动前的准备(以远控为例) (1)接线。起动按钮接K2线,停止按钮接K4线,两钮中间连K3线。 (2)将先导插件XD上的“远方/就地”钮子开关3S置于“远控”位置。 (3)将隔离换向开关QS置于“正向”或“反向”位置。控制变压器T1得电,1140V(660V或380V)/220V、36V、24V。 T1二次侧。F5、F6输出AC220V,经熔断器5FU,VC桥式整流,作为接触器吸力线圈的电源;F7、F8输出AC24V,经熔断器6FU,作为本安变压器T2、电机综合保护器DBH的电源;F7、F9输出AC36V,作为中间继电器2KM的电源。 (4)电机综合保护装置DBH得电后,对起动器负荷侧动力电缆进行漏电闭锁检测。中间继电器2KM是释放的,其常闭接点2KM4、2KM5闭合,接通了漏电闭锁检测回路,当动力电缆对地绝缘电阻r>40kΩ(1140V系统,等效为单相),22kΩ(660V系统,等效为单相)或7 kΩ(380V系统,等效为单相)时,保护装置中继电器1K吸合,其常开接点1K1闭合,为中间继电器2KM得电吸合准备。继电器2KM受先导插件XD中的1KM控制。 电源指示灯亮,过载、短路、断相、漏电闭锁、联控故障灯灭。 图7-10 QJZ-200/1140隔爆型真空磁力起动器电气原理 2)远方起动控制过程 按下远方起动按钮SBS,先导插件XD中的继电器1KM得电吸合,其电流通路为,AC24V上端→F12→2号线→1KM线圈→4线→3S“远方”→3线→K2→SBS→SBP→远方整流二极管D01→K4→14线→F13→AC24V下。 继电器1KM为直流继电器,AC24V正半波,即F12为正,F13为负时,远方二极管D01整流,继电器1KM吸合,同时并联与1KM两端的电容C1、C2充电;AC24V负半波,即F12为负,F13为正,D01截止,C1、C2向1KM放电使其维持吸合。 继电器1KM吸合→ → 1KM2闭合,自保; 1KM1闭合→中间继电器2KM吸合→ → 2KM1闭合→整流桥VC输出直流→接触器KM线圈承受大电流而吸合→ 2KM2闭合→运行灯亮; 2KM3闭合→如果程控开关1S位于“程控”,便可实现程序控制; 2KM4、2KM5打开→断开漏电闭锁检测回路,解除漏电闭锁; 2KM6打开→断相保护电路投入工作。 → 主触头KM闭合→电动机起动; KM6打开→KM线圈由大电流起动转为小电流维持吸合; KM5闭合→使先导插件中继电器1KM自保; KM4、KM7闭合→可以实现程序控制。 远方整流二极管D01不能接反,接反后,开关不起动;D01也不能接在起动器中,若将D01接在磁力起动器中,控制回路发生短路后,开关将自起动,形成大事故。 3)就地控制 “将远/近控”开关3S置于“近控”位置,利用起动器自身的起动按钮SB2实现就地控制。 按下起动器上的起动按钮SB2→先导插件中的继电器1KM吸合→继电器2KM吸合→接触器KM吸合→电动机起动。详细控制过和同远方控制,这里不再赘述。 4)停止 按下远方停止按钮SBP→1KM释放→其常开接点1KM打开→2KM释放→2KM1打开→接触器KM释放→主回路被切断,电动机停止运行。 接下本起动器上的停止按钮SB1→真空接触器KM释放→主回路被切断,电动机停转。 5)程序控制 当两台开关需要实现程序控制时,其接线见图7-10“程控联控接线图”部分。两台开关电子保护装置DBH上的钮子开关1S均位于“程控”位置。 当第一台开关(主动)起动后延时1~5S其继电器2K得电吸合→ 2K1闭合→第二台开关(从动)起动; 2K2打开,对于“主动”开关不起作用;对于“从动”开关2K2串入起动控制回路中,第二台开关(从动)起动后,2K2延时打开,其自保是由“主动”开关的辅助常开接点KM4完成。 “从动”开关接收到起动信号后的1~10S内未起动,即接触器KM未吸合,其常开接点KM7(串入第一台开关程序控制回路中)不闭合。则“主动”开关的继电器1K释放,“主动”开关自动跳闸。同时“主动”开关的“联控故障”指示灯亮,指示程控失败。该控制方式亦称为反向联锁控制。 程控失败后经5min后自动复位;如需快速复位,须按下复位按钮SB3,3~5S后即可复位。 4.电子保护插件DBH工作原理 DBH型电子保护插件具有漏电闭锁保护、过载保护、短路保护、断相保护、联控故障保护功能。 保护装置的直流电源:AC24V经R45限流,D29整流,R39、D31稳压,C10滤波,再经R38、D28稳压后,输出稳定的直流电压,作为整个保护装置的电源。 1) 漏电闭锁保护工作原理 漏电闭锁是指起动器在合闸前,被控制的动力电缆对地绝缘电阻(等效为单相)1140V系统,小于等于(40kΩ+20%);660V系统,小于等于(22kΩ+20%);380V系统小于等于(7kΩ+20%)时,保护装置动作,接触器不能起动合闸。 DBH保护插件中漏电闭锁主要由集成电路G7(其型号为JEC-2,起非门作用)、晶体管G9、晶体管G11、继电器1K、漏电检测单元LJ、继电器2KM的常闭触点2KM4、2KM5等组成。 直流检测通路: 直流电流(+)→电位器RP5→A15端子→漏电检测单元LJ中RL1、DL→22号线→2KM4→2KM5→动力电网→三相动力回路对地绝缘电阻r→大地→地线K0→直流电源(-)。 开关在起动前,当电网对地绝缘电阻r降低至:1140V为(40kΩ+20%);660V为(22kΩ+20%)时,直流检测电流较大,在RL1上产生的电压较高,即RL1的下端为低电位,该电压不能经RL2、R47对C7充电。非门G7输入低电位,其输出为高电位,晶体管G9导通,漏电指示灯亮。同时晶体管G11的基极电流将通过漏电指示灯分流而截止,继电器1K释放,其常开触点1K1打开,中间继电器2KM不能吸合,开关不能起动,即进行漏电闭锁。 开关在起动前,当电网对地绝缘电阻r大于1140V为(40kΩ+20%),660V为(22kΩ+20%)时,直流检测电流较小,漏电检测单元LJ中RL1上的电压数值较小,即RL1下端电位升高,该电位经RL2、R47对C7充电。延时后,非门G7输入高电位,输出低电位,晶体管G9不导通,漏电指示灯不亮,晶体管G11有电吸合,继电器1K动作,开关可以起动。 开关起动后,中间继电器2KM的常闭触点2KM4、2KM5打开,解除漏电闭锁。 2) 过载保护工作原理 (1)过载保护、短路保护、断相保护的传感电路。 由电流互感器1TA~3TA、并联电阻RH1~RH3、粗调开关4S组成的I-U变换器,将主回路电流信号变换成交流电压信号,经VC1~VC3整流,电容器C1~C3滤波。第一路由D1~D3组成的或门电路,经RP1、R10~R20、波段开关5S作为过载、短路保护装置的传感电路;第二路由D4~D6、构成断相保护的传感电路。 (2)过载保护工作原理 通常一台起动器控制一台电动机。电动机过载,是指主回路实际电流大于电动机额定电流,电动机要发热,绝缘老化,寿命降低,长时间运行会烧坏电动机。 过载保护电路由R21、RP3、D9、R25、C6、非门G4等组成过载鉴幅器。 未发生过载时,即主回路实际电流小于对应的过载整定电流时,UR25上的电压较低,UC6上的电压较低,非门G4输入低电位,其输出高电位,D15截止,过载指示灯不亮,晶体管G11仍处于导通状态,继电器1K处于吸合状态,开关不跳闸。 当发生过载时,即主回路实际电流大于电动机的额定电流。也就电说,实际电流大于过载保护整定电流的一定倍数,过载信号电压经R21、RP3、D9对C6充电,反时限特性。非门G4输入高电位,其输出为低电位,D15导通,过载指示灯亮。同时G11基极电流通过过载故障指示灯分流而截止,继电器1K释放,中间继电器2KM释放,接触器KM断电,开关跳闸。 当过载故障消失后,C6经R25放电,复位时间约1min左右。如果按压复位按钮,则C6经非门G4的输入端放电,使复位时间缩短至1S~3S。 3)短路保护装置工作原理 由RP2、稳压管D7、R23、R26、C4、非门G5、晶体管G2等组成短路鉴幅电路。当主回路电流超过过载整定值的8~10倍时,稳压管D7击穿,C4充电延时240ms,G5输入高电位,输出低电位,晶体管G2导通,C4充电,保证G5输入高电位,其输出为低电位。二极管D16导通,短路指示灯亮。同时,晶体管G11截止,继电器1K释放,开关跳闸。 短路信号消失,故障仍记忆,如需复位,必需按下复位按钮SB3进行复位。 4)断相保护工作原理 由R4~R9、二极管D4~D6、晶体管G1、R24、RP4、C5、R46、晶体管G3、非门G6等组成断相取样及触发电路。在运行中,任一相动力回路断相时,晶体管G1基极经D4~D6之一、R7~R9之一变为低电位而导通,G1的集电极电流经RP4对C5充电,延时10S左右,非门G6输入高电位,输出低电位,晶体管G3导通,保证C5充电G6输入高电位,其输出为低电位。二极管D17导通,断相指示灯亮。同时G11截止,1K释放,开关跳闸。 如需复位,按动复位按钮SB3进行复位。 5)程序控制原理 程序控制接线按图7-10进行连接。 程序控制电路主要由钮子开关1S、R32、C9、稳压管D19、晶体管G10、程序继电器2K等组成。 当需要程序控制时,合上钮子开关1S。当“主动”台开关起动后,中间继电器触点2KM3闭合。直流电源经开关1S、2KM3、R32对C9充电,延时0.5S~3S,C9上的电压使稳压管D19击穿,晶体管G10导通,程控继电器2K吸合,其常开触点2K1闭合,“从动”台开关起动。 6)反向联锁保护 程序控制中,“主动”台开关起动后,“从动”台开关接到起动指令后,约10S内未起动,则“主动”台开关也跳闸,即为反向联锁保护。 反向联锁保护主要由扭子开关1S、触点2KM3、D14、R30、C8、D12、KM7(从动台开关辅助触点)、非门G8等组成。 正常工作时,“主动”开关中的2K吸合后,“从动”台开关起动,“从动”台的KM7闭合,“主动”台中的非门G8输入为低电位,其输出为高电位,D18截止,联控故障灯不亮。 非正常时,“主动”台起
展开阅读全文

开通  VIP会员、SVIP会员  优惠大
下载10份以上建议开通VIP会员
下载20份以上建议开通SVIP会员


开通VIP      成为共赢上传

当前位置:首页 > 环境建筑 > 其他

移动网页_全站_页脚广告1

关于我们      便捷服务       自信AI       AI导航        抽奖活动

©2010-2026 宁波自信网络信息技术有限公司  版权所有

客服电话:0574-28810668  投诉电话:18658249818

gongan.png浙公网安备33021202000488号   

icp.png浙ICP备2021020529号-1  |  浙B2-20240490  

关注我们 :微信公众号    抖音    微博    LOFTER 

客服