收藏 分销(赏)

第五章重点(关键)和难点工程的施工方案、.doc

上传人:xrp****65 文档编号:5849872 上传时间:2024-11-21 格式:DOC 页数:169 大小:3.14MB 下载积分:10 金币
下载 相关 举报
第五章重点(关键)和难点工程的施工方案、.doc_第1页
第1页 / 共169页
第五章重点(关键)和难点工程的施工方案、.doc_第2页
第2页 / 共169页


点击查看更多>>
资源描述
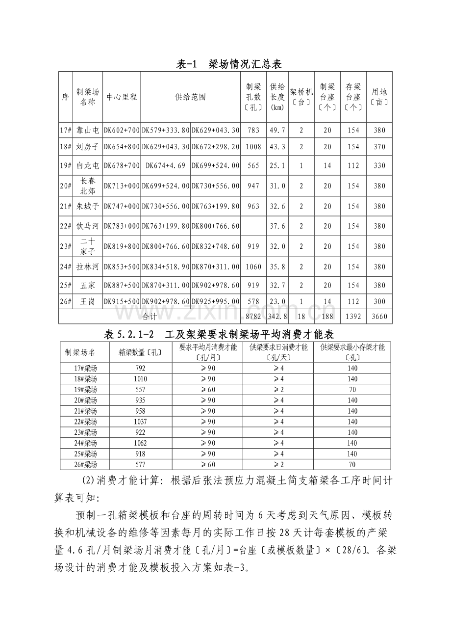
第五章 重点〔关键〕和难点工程的施工方案、 及其措施 5.1重点路基工程 本标段重点路基工程见“第三章3.3节路基、站场工程〞。 5.2重点桥梁工程 5.2.1箱梁预制施工方案、施工、施工工艺及其措施 .1工程概况 本工程为新建铁路哈尔滨至大连客运专线第三标段的箱梁预制工程本标段共预制双线简支箱梁8782孔其中包括32m梁8605孔24m梁177孔,方案设置10个箱梁预制场进展集中预制。17#、19#、20#、21#、22#、23#、24#、25#制梁场在桥跨处配置2台450t轮轨式提梁机用于提升梁18#、26#制梁场采取路基上运梁的方式;除19#、26#制梁场装备架桥机及运梁车各1套外17#、18#、20#、21#、22#、23#、24#、25#制梁场装备架桥机及运梁车各2套用于运梁及架梁作业;各梁场均装备900t轮胎式提梁机1台用于梁场内移梁作业。 箱梁截面类型为单箱单室等高度简支箱梁梁体混凝土强度设计为C50采用高性能混凝土。预应力筋采用高强度低松弛钢绞线锚固采用自锚式体系道形成采用波纹成孔孔道压浆采用真空压浆。 各梁场情况见“表-1梁场情况汇总表〞。 .2箱梁组织供给方案 .2.1供梁范围 本标段10个箱梁预制场,负责供给DK579+333.8~DK925+995段内所有预制箱梁。 .2.2预制箱梁的施工作业安排 (1)根据工要求本标段10个箱梁预制场筹备及建立时间为2007年8月1日~2008年6月5日施工工6个月预制场建立的同时从2008年4月1日开场进展1.2个月左右的试消费并按照铁路桥梁消费答应证理进展技术评审和消费答应证检查在获得消费答应证后部分制梁场最早于2008年5月6日开场进展正式批量消费。根据箱梁出场混凝土龄40天和对供梁速度的要求计算本标段各梁场消费才能必须满足表-2的要求。 新建铁路武汉至广州客运专线乌龙泉至花都〔不含〕段站前工程第四标段〔XXTJⅣ〕 技术分册 表-1 梁场情况汇总表 序 制梁场名称 中心里程 供给范围 制梁 孔数 〔孔〕 供给长度(km) 架桥机 〔台〕 制梁 台座 〔个〕 存梁 台座 〔个〕 用地〔亩〕 17# 靠山屯 DK602+700 DK579+333.80 DK629+043.30 783 49.7 2 20 154 380 18# 刘房子 DK654+800 DK629+043.30 DK672+298.20 1008 43.3 2 20 154 370 19# 白龙屯 DK678+700 DK674+4.69 DK699+524.00 565 25.1 1 14 112 330 20# 长春 北郊 DK713+000 DK699+524.00 DK730+556.00 947 31.0 2 20 154 380 21# 朱城子 DK747+000 DK730+556.00 DK763+199.80 963 32.6 2 20 154 380 22# 饮马河 DK783+000 DK763+199.80 DK800+766.60 37.6 2 20 154 380 23# 二十 家子 DK819+800 DK800+766.60 DK832+748.60 919 32.0 2 20 154 380 24# 拉林河 DK853+500 DK834+518.90 DK870+311.00 1060 35.8 2 20 154 380 25# 五家 DK887+500 DK870+311.00 DK902+978.60 919 32.7 2 20 154 380 26# 王岗 DK915+500 DK902+978.60 DK925+995.00 578 23.0 1 14 112 300 合计 8782 342.8 18 188 1392 3660 表5.2.1-2 工及架梁要求制梁场平均消费才能表 制梁场名 箱梁数量〔孔〕 要求平均月消费才能〔孔/月〕 供梁要求日消费才能〔孔/天〕 供梁要求最小存梁才能〔孔〕 17#梁场 792 ≥90 ≥4 140 18#梁场 1010 ≥90 ≥4 140 19#梁场 557 ≥60 ≥2 70 20#梁场 935 ≥90 ≥4 140 21#梁场 958 ≥90 ≥4 140 22#梁场 1037 ≥90 ≥4 140 23#梁场 922 ≥90 ≥4 140 24#梁场 1062 ≥90 ≥4 140 25#梁场 918 ≥90 ≥4 140 26#梁场 577 ≥60 ≥2 70 (2)消费才能计算:根据后张法预应力混凝土简支箱梁各工序时间计算表可知: 预制一孔箱梁模板和台座的周转时间为6天考虑到天气原因、模板转换和机械设备的维修等因素每月的实际工作日按28天计每套模板的产梁量4.6孔/月制梁场月消费才能〔孔/月〕=台座〔或模板数量〕×〔28/6〕。各梁场设计的消费才能及模板投入方案如表-3。 表-3 各梁场设计消费才能及模板投入方案表 制梁场名 17#、18#、22#、24#梁场 19#、26#梁场 20#、21#、23#、25#梁场 台座模具名称 配置数量 月产〔孔〕 配置数量 月产〔孔〕 配置数量 月产〔孔〕 底模台座 20 90 14 60 20 90 外模〔套〕 20 14 20 内模〔套〕 20 14 20 钢筋预绑台座 8 6 8 5.2.1.2.3预制箱梁的进度安排 本标段预制混凝土箱梁数量8782孔设10个大型预制场各梁场制梁数量及进度方案见表-4。 表-4 各制梁场消费工方案安排表 制梁场名 箱梁孔数〔孔〕 梁场建立时间 消费工安排〔已扣除4个月冬〕〔天〕 铺架工安排〔已扣除4个月冬〕〔天〕 总计 32米 24米 起止时间 总工 起止时间 总工 17#梁场 783 761 22 2007年8月1日~2008年4月10日 2008年5月8日~2009年10月1日 382 2008年7月1日~2009年11月18日 377 18#梁场 1008 986 22 2007年8月1日~2008年4月5日 2008年5月6日~2009年10月5日 3 2008年7月2日~2009年11月18日 376 19#梁场 565 540 25 2007年8月1日~2008年4月15日 2008年5月18日~2009年9月20日 362 2008年7月1日~2009年11月2日 361 20#梁场 947 877 45 2007年8月1日~2008年4月8日 2008年5月9日~2009年9月20日 371 2008年7月1日~2009年11月2日 362 21#梁场 963 951 12 2007年8月1日~2008年4月5日 2008年5月7日~2009年9月18日 371 2008年7月1日~2009年11月2日 361 22#梁场 1024 16 2007年8月1日~2008年4月4日 2008年5月6日~2009年10月10日 394 2008年7月1日~2009年11月25日 354 23#梁场 919 913 6 2007年8月1日~2008年6月5日 2008年7月5日~2009年10月10日 335 2008年8月25日~2009年11月25日 330 24#梁场 1060 1058 2 2007年8月1日~2008年4月3日 2008年5月6日~2009年10月10日 394 2008年7月1日~2009年11月28日 357 25#梁场 919 910 9 2007年8月1日~2008年6月5日 2008年7月10日~2009年8月25日 285 2008年9月1日~2009年10月16日 258 26#梁场 578 563 15 2007年8月1日~2008年4月2日 2008年5月8日~2009年10月10日 392 2008年7月1日~2009年11月20日 379 .2.4组织机构和劳动力安排 (1)组织机构 中交哈大客运专线指挥部下设五个工程经理部〔其中第五工程经理部为铺轨〕本标段各个制梁场直属各自的工程经理部直接指挥其组织机构图见“图-1 各制梁场组织机构示意图〞。 图-1 各制梁场组织机构示意图 18#梁场 21#梁场 24#梁场 26#梁场 中交哈大客运专线指挥部 第一工程经理部 22#梁场 20#梁场 23#梁场 25#梁场 19#梁场 17#梁场 第二工程经理部 第三工程经理部 第四工程经理部 (2)劳动力安排 根据各梁场消费进度方案合理装备梁场人员。按照箱梁预制的消费工艺消费人员分别装备在钢筋工段、模型工段、混凝土工段、保养工段、张拉工段、配套工段、机开工段等七个工段。各个梁场施工人员配置见表-5。 表-5 各制梁场人员配置汇总表 工种 17梁场 18梁场 19梁场 20梁场 21梁场 22梁场 23梁场 24梁场 25梁场 26梁场 人员理 12 14 10 12 15 13 10 14 10 10 技术员 38 42 26 36 40 38 35 42 35 26 试验员 30 32 18 30 29 34 28 30 28 18 质检员 15 17 8 18 18 16 18 20 18 8 平安员 8 6 4 6 5 8 6 7 6 4 电 工 18 15 6 16 12 15 15 16 15 6 机械司机 12 15 8 14 14 15 16 16 16 8 汽车司机 18 15 8 16 16 17 18 16 18 8 修理工 6 4 4 5 6 6 6 6 6 4 起重工 24 28 16 26 25 26 25 28 25 16 普 工 965 980 745 955 960 980 950 1015 960 765 合 计 1146 1168 853 1134 1140 1168 1127 1210 1137 873 5.2.1.3箱梁预制场的设计方案 5.2.1.3.1制梁场布置规划设计原那么 (1)梁场建立本着“经济实用、相对、便于理、方便施工、平安环保〞的原那么进展科学合理的规划布置同时按照“现场工厂化消费、流水线施工、化作业〞的高进展建立预留扩大消费条件兼顾考虑临时征地在施工任务完成后易于恢复。 (2)设计原那么:根底设计分制梁台座根底、存梁台座根底设计与轮胎式提梁机道路根底;台座根底设计时必须控制沉降量地基最终沉降量不超过10mm不均匀沉降小于2mm;台座有足够的强度和刚度;在保证前两条的根底之上兼顾经济原那么。梁场其它区域采用换填或地基夯实后浇筑混凝土硬化的地基加固措施。 5.2.1.3.2制梁场平面布设计要点 制梁场分为生活、办公、制梁、存梁及配套效劳等区域各区域严连接场内道路相通方便运输减少二次倒运及运输间隔 。生活区布表达环保、人文、便于理的特点;消费区从钢筋制作、绑扎、立模、灌注、养护、拆模、初张拉等整体为流水线设计方便施工;存梁区中移梁、存梁、提梁布合理满足施工要求;锅炉房、配电室等危险区远离其它区域减少平安事故隐患;生活区、消费区均设垃圾处理站或污水处理池;办公、生活、消费互相互不干扰;全梁场与外界围墙相隔平安。 5.2.1.3.3梁场设计 (1)预制场布置方案 本标段各制梁场均由制梁区、存梁区、消费辅助设施区、混凝土搅拌区、小构件预制区、办公生活区组成。根据施工工艺流程和工艺特点将各消费区设计成既互相又沿道路互相联络的区域便于进步工效和流水作业施工。其中: ①制梁区:主要布置有预制台座、内模拼装区、钢筋加工存放区、4台50t龙门吊及3台混凝土布料机〔其中一台备用〕。钢筋制作区主要布置有:钢筋加工区、钢筋绑扎区、钢筋存放区、2台10t吊装龙门吊钢筋绑扎区设在消费线的旁边每个梁场设置8个钢筋绑扎台座。 ②箱梁存放区:布置有箱梁存放台座、箱梁静载试验台座、轮胎式提梁机行走道路。箱梁预应力终张拉、道压浆、封锚、封端在箱梁存放台座上进展采用汽车吊和叉车配合吊装施工。各梁场台座数量见表-3。 ③发梁区:预制场靠近线路的位置均设置一处发梁区主要是箱梁装车的作业区提梁上线方案需设置两台450吨轮轨式龙门吊跨线路装车同时还应设置4个发梁台座〔同存梁台座〕;便线上路方案需设置一块平整的场地轮胎式提梁机直接在此装运梁车。 ④混凝土搅拌区:本标段各制梁场均设置2座HZS-120混凝土搅拌站〔19#梁场及26#梁场各设置2座HZS-75混凝土搅拌站〕每座混凝土拌合站配有1台JS1500搅拌主机采用自动计量和电脑控制系统。同时采用两台泵车输送混凝土混凝土供给才能大于90m3/h确保在一台搅拌主机停机的情况下混凝土浇注5小时左右完成。为保证混凝土的输送质量2台砼泵车分别安置在每座混凝土搅拌站的出口下部,混凝土直接流入泵车内,泵车输送混凝土至布料机进展浇注。 每个梁场的混凝土搅拌站均配置8个散装水泥筒仓每个筒仓储量200T;4个掺合料筒仓每个筒仓储量250T满足10孔箱梁的备用料。搅拌站根底采用钢筋混凝土筏板根底地基经重锤强夯处理砂石料场均采用25cm厚C20混凝土硬化。 ⑤小构件预制区:作为人行道板、电缆槽盖板等预制构件预制消费区,装备两台10t龙门吊和相应模板。 ⑥消费辅助设施区:布置有两台WNS4-2.0Y蒸汽锅炉及锅炉房装备有1200kVA容量的变配电设备350kVA备用发电机4台配件加工车间蓄水池、污水处理设施等。 ⑦办公生活区:主要有、会议室、试验室、宿舍、浴室、食堂以及职工文化区域等生活设施。 本标段10个梁场平面布置分别见“图-2 17#制梁场平面布置图〞、“图 18#制梁场平面布置图〞、“图 19#制梁场平面布置图〞、“图 20#制梁场平面布置图〞、“图 21#制梁场平面布置图〞、“图 22#制梁场平面布置图〞、“图 23#制梁场平面布置图〞、“图24#制梁场平面布置图〞、“图 25#制梁场平面布置图〞和“图-11 26#制梁场平面布置图〞。 (2)制梁台座方案 由于箱梁的自重大在设计制梁台座时充分考虑台座的强度、刚度、沉降变形及其稳定性。制梁台座布设计:制梁台座为34m〔26m〕×7m根底采用钻孔桩根底加承台;制梁台座和内模存放区交织排开间隔排放两排制梁台座横向间距7.7m纵向间距8.2m。 制梁台座沉降量的控制是保证箱梁质量的关键因此制梁台座端部的设计采用钻孔桩根底加承台的方式以确保箱梁初张拉后重量集中在端部时的不均匀沉降满足要求。 ①构造形式 制梁台座由钻孔桩根底、钢筋混凝土构造承台、钢制底模组成。箱梁预制台座根底端部采用钻孔桩每端6根每排2根分3排布置直径1.2m排距3.5米间距4.8米桩长20米。制梁台座底部采用钢筋混凝土板式构造、上部为钢筋混凝土条型根底纵梁。条形根底顶面设预埋铁板与底模联接。台座纵向两侧各设置一条轨作为侧模纵移轨道。 制梁台座构造形式如图-12所示。 台座采用C30钢筋混凝土构造长度34m端部设4道、中部纵向设3道宽度0.5m高度0.7m的矩形截面条形根底。 钢制底模由型钢和12mm的钢板制造由支座段与普通段组成纵向分段;底模通过预埋螺栓与底模根底相连接通过调节底模各段的标高预设反拱度;底模板上预留有泄水孔及内模位置固定螺杆通过预留的泄水孔与底模根底连接。 底模拼装完毕后在底模板上划出纵横向中心线梁体端线并且作好标志。底模在使用前必须检查底模的平整度、预设反拱度、长度、宽度、对角线、直线度等参数符合要求后才能投入使用。由于本工程24米箱梁的数量较少制作24m专用台座不经济,因此每个梁场均设置一个32m和24m箱梁共用台座。共用台座设置8根钻孔灌注桩分4排布置每排2根排间距3.5米。共用台座在由32m变为24m制梁台座时,只将台座底模中去掉8m再重新铺装和调整反拱即可。 “图-2 17#制梁场平面布置图〞 “图-3 18#制梁场平面布置图〞 “图-4 19#制梁场平面布置图〞 “图-5 20#制梁场平面布置图〞 “图-6 21#制梁场平面布置图〞 “图-7 22#制梁场平面布置图〞 “图-8 23#制梁场平面布置图〞 “图-9 24#制梁场平面布置图〞 “图-10 25#制梁场平面布置图〞 “图-11 26#制梁场平面布置图〞 图-12 制梁台座布置图 ②主要技术参数 台座长度 34 m; 台座宽度 7m; 台座钢筋混凝土 247m3; 制作箱梁重量 900t; 制作箱梁长度 32.6m。 ③根底处理 根据本标段的地质情况由于天然地基的承载力不可以满足制梁台座使用时的技术要求必须采取加固措施消除地基的沉降变形以保证地基不发生较大沉降或不均匀沉降。 基底地基的处理制梁台座端部采用钻孔桩的方式进展地基加固。桩径1.2m桩长20m〔根据地质情况适当调整〕桩顶浇注混凝土承台;台座中部设计采用强夯地基加扩大砼根底的构造形式。 ④各梁场制梁台座配置数量 考虑到箱梁架设工对存梁台座数量的要求各制梁场的存梁台座要满足一个月架设的箱梁孔数但从实际情况考虑各制梁场最多设置存梁台座154个最少设置112个。各梁场制梁台座数量见表-1及表3。 (3)存梁台座 箱梁在预制台座初张拉后被转移到存梁台座上。根据设计的要求依次进展终张拉、压浆等直至最后的出场架设。由于梁体的自重较大梁体对支点变形要求较高所以要做特殊的处理。根据所提供的地质资料梁场所在地均需要进展处理。根据实际情况及存梁台座的受力情况拟定在梁体两端存梁的支点处受力集中的部位采用摩擦桩根底来进步其承载力根据梁体的自重及土质的情况经计算得知在梁体的两端四个支点的部位采用直径1.2m桩长20m的钻孔桩且为保证梁体存放间各支点受力平衡防止发生不均沉降在两端的桩基顶部设置钢筋混凝土系梁以减小不均匀沉降系梁断面尺寸高×宽为1200mm×1700mm台座设防排水措施。 存梁台座桩根底设计图见图 图-13 存梁台座桩根底设计图 图5.2.1-14 存梁台座实体参考图 存梁台座数量配置见“表-6各梁场存梁台座汇总表〞。 (4)900t轮胎式提梁机行走道路 箱梁在预制场内的出运和存放由900t轮胎式提梁机来完成根据提梁机的构造形式及其自身的重量、箱梁的重量等我们在预制场内设置纵向和横向的行走道路并设置提梁机转向区域。轮胎式提梁机对路面的要求要高于普通重载车辆其接地比压为0.6kpa为满足提梁机对道路的要求对提梁机的行走道路进展加固处理。根据本标段的地质情况我们拟采用以下地基处理方案:由地表下挖1米的深度并用40t的压路机静碾基底4遍然后强振2遍换填70cm的砂砾并分两层逐层碾压实最后浇注30cm厚的C25混凝土路面。根据提梁机满负荷转向时道路地面的受力情况在转向区域加设配筋以进步路面的承载力。 表-6 各梁场存梁台座汇总表 存梁台座 种类 梁场名称 17# 梁场 18# 梁场 19# 梁场 20# 梁场 21# 梁场 22# 梁场 23# 梁场 24# 梁场 25# 梁场 26# 梁场 32m台座〔个〕 150 150 108 148 150 150 152 152 150 108 24m台座〔个〕 4 4 4 6 4 4 2 2 4 4 静载实验 台座〔个〕 1 1 1 1 1 1 1 1 1 1 存梁 才能〔孔〕 154 154 112 154 154 154 154 154 154 112 (5)梁场道路及电、水供给 ①施工便道 新建便道路基宽8m、路面宽7.5m路基采用填筑40cm厚碎石土碾压处理后路面采用水稳碎石路面厚度不小于25cm。 ②施工及生活用电 经过现场的调查理解梁场沿线电网分布较多施工用电方便。制梁场施工用电电源由附近10KV供电干线T接架空线至制梁场。同时装备4台350KW发电机组(当停电时发电机组自动启动并网发电)保证供电干线停电时施工正常进展。 为保证用电平安、防止和其他设施发生干扰场内低压线路采用三相五线制和电缆沟埋地敷设。电力设施、设备采取接地和接零保护用电设备合理选择漏电保护器一机一闸。 ③施工、生活用水、等 施工用水采用打深井的解决施工及生活用水本标段地下水深度在1~15m之间地下水取用相对方便。通过估算混凝土拌和、蒸汽养生、自然养护、生活用水等各梁场用水量为300T/日为保证供水的连续性和流量充足,每个制梁场设置80m3的水塔2座。供水主路采用DN80的钢埋设;钢外包保温材料;分别向制梁区、存梁区、锅炉房、搅拌站、生活区供水。制梁、存梁区内路沿进场便道纵向布置存梁区每两排设1横向供水支支采用直径50mmPVC埋设。 场区内施工废水全部设盲沟排至集水坑经过隔油和沉淀处理并经检验合格后排放。场区内排水沟沿场区纵向布置场区横向设置1坡度保证雨水和污水流入主排水沟;排水沟采用浆砌片石矩形沟上置C15混凝土盖板。 工程经理部各部、室均安装程控 以便于对外联络。各制梁场计算机采用宽带上网应用专用软件建立互联网的信息理系统实现数据网络传输信息共享。施工现场装备对讲机进展施工调度和现场联络。 .4箱梁预制主要设备配置方案 梁场设备配置原那么:在设备装备上遵循“先进、适用、配套、满足要求〞的原那么通过合理的组合力争限度地进步工效加快进度确保质量与平安;除主要施工设备外同时还配置了相应充足的工程测量、材料试验及质量检测仪器充分表达“以设备保工艺、以工艺保质量〞的施工指导思想确保创部优工程。 施工模板配置:各梁场模板配置见“表-7 各梁场模板配置表〞。 拟投入本合同工程的主要施工机械、设备:拟投入本合同工程的主要施工机械、设备见第十二章“拟投入本合同工程的主要施工机械、设备表〞。 拟投入本合同工程的主要试验、测量、检测仪器设备:拟投入本合同工程的主要试验、测量、检测仪器设备见第十二章“拟投入本合同工程的主要试验、测量、检测仪器设备表。 5.2.1.5箱梁预制技术方案综述 箱梁预制采用整体钢底模固定式整体钢外模液压与机械相结合的全自动钢内模;模板均采用模块化设计制造便于施工和转换梁型。底腹板钢筋骨架和顶板钢筋骨架分别在预绑扎台座上绑扎成型后用两台50t龙门吊将预绑扎好的底腹板钢筋骨架吊至底模台座安装合格后再将张开至设计尺寸的内模整体吊装至钢筋骨架内内模调整合格后再安装端模最后吊装桥面钢筋骨架;预应力孔道采用金属波纹成孔绑扎钢筋时安装。强迫式混凝土拌合站搅拌高性能混凝土采用HBT80型混凝土输送泵配合布料机浇筑入模插入式振捣器配合附着式振动器振捣浇筑时采用程度分层、纵向分段先浇筑底板、再浇筑腹板和顶板一次浇筑成型的 表-7 各梁场模板配置表 序 梁场名称 梁型 制梁台座〔个〕 外模〔套〕 内模〔套〕 1 17#制梁场 32m箱梁 19 19 19 24m箱梁 1 1 1 2 18#制梁场 32m箱梁 19 19 19 24m箱梁 1 1 1 3 19#制梁场 32m箱梁 13 13 13 24m箱梁 1 1 1 4 20#制梁场 32m箱梁 19 19 19 24m箱梁 1 1 1 5 21#制梁场 32m箱梁 19 19 19 24m箱梁 1 1 1 6 22#制梁场 32m箱梁 19 19 19 24m箱梁 1 1 1 7 23#制梁场 32m箱梁 19 19 19 24m箱梁 1 1 1 8 24#制梁场 32m箱梁 19 19 19 24m箱梁 1 1 1 9 25#制梁场 32m箱梁 19 19 19 24m箱梁 1 1 1 10 26#制梁场 32m箱梁 13 13 13 24m箱梁 1 1 1 施工工艺顶面采用高频提浆整平机处理后人工抹面。养护采用棚罩法蒸汽低温养护混凝土芯部温度控制在60℃以内通过热电偶温度传感器采集养护罩和梁体砼芯部的温度数据调整蒸汽流量控制温度。为有效防止早裂纹的出现预应力分预张拉、初张拉和终张拉三次进展机械穿束采用穿心式自锁千斤顶两端两侧同步对称张拉梁体混凝土到达设计强度的60以后撤除端模、松开内模、解除外模约束后进展预张拉当梁体混凝土到达设计强度的80以后进展初张拉然后脱出内模和撤除外模并用900t轮胎式提梁机将箱梁吊至存梁台座。当梁体混凝土到达设计强度、弹性模量到达设计要求且龄10d后在存梁台座上进展终张拉;孔道压浆采用真空辅助一次压浆工艺无收缩混凝土封锚;桥面防水层、保护层及防撞墙等桥面系工程在架梁完毕后在现场进展施工。 箱梁预制主要采用高性能混凝土、自动温控蒸汽养护、裂纹和徐变控制等关键技术以确保箱梁预制质量及进度。 5.2.1.6后张箱梁预制施工、施工工艺 5.2.1.6.1钢筋工程 (1)钢筋工程施工工艺 钢筋工程施工工艺见“图 -15 钢筋工程施工工艺流程图〞。 图5.2.1-15 钢筋工程施工工艺流程图 施工准备 钢筋弯曲 钢筋调直或对焊 钢筋下料 钢筋原材料检验 检验 (2)钢筋工程施工 ①钢筋制作 A.钢筋连接 钢筋接头可用闪光对焊或钢筋接驳器连接闪光对焊要求按照TB10210-2001的规定执行要求接头熔接良好完全焊透且不得有钢筋烤伤及裂纹等现象。焊接后应按规定经过接头冷弯和抗拉强度试验。钢筋闪光对焊接头:同一级别、规格、同一焊接参数的钢筋接头每200个为一验收批缺乏200个亦按一验收批计。每一验收批取一组以上试样〔三个拉力试件、三个弯曲试件〕。钢筋焊接及验收〔参见JGJ18-2003〕。钢筋熔接要求应符合表-10规定: 表-10 钢筋熔接要求 序 检 查 项 目 及 方 法 标 准 1 熔接接头的抗拉及冷弯抽样试验 合格 2 接头偏心〔两根钢筋轴线在接头处的偏移〕 ≤0.1d且≯2mm 3 两根钢筋轴线在接头处的弯折〔交织夹角〕 ≤4° 4 外观无裂口及过火开花等 良好 5 钢筋在熔接机夹口无烤伤 良好 钢筋接驳器连接即用专用套筒通过千斤顶的挤压联接两根钢筋此操作简便施工快速但本钱较高检验同闪光对焊。 B.冷拉调直 钢筋冷拉采用5吨的卷扬机钢筋的冷拉伸长率应控制在如下范围:Ⅰ级钢筋不得超过2;Ⅱ、Ⅲ级钢筋不得超过1。钢筋拉伸调直后不得有弯。 C.钢筋下料 钢筋下料时要去掉钢材外观有缺陷的地方;不弯钩的长钢筋下料长度误差为±15mm;弯钩及弯折钢筋下料长度误差为±1d〔d为钢筋直径〕。 D.钢筋弯制 a.图纸所标尺寸为钢筋中心线间距尺寸。钢筋端部有弯钩者其标注尺寸为自弯钩外皮顶切线与钢筋轴线交点的尺寸; b.钢筋弯制过程中如发现钢材脆断、过硬、回弹或对焊处开裂等现象应及时查出原因正确处理; c.箍筋的末端向内弯曲以防止伸入保护层; d.钢筋加工质量应符合表-11要求; 表-11 钢筋加工误差要求 序 项 目 允许偏向 L≤5000 L>5000 1 受力钢筋顺长度方向全长的净尺寸 ±10mm ±20mm 2 弯起钢筋的位置 ±20mm 3 箍盘内边间隔 尺寸差 ±3mm e.预应力道定位网片采用点焊加工其尺寸误差±2mm其中程度筋的尺寸是对最下一根钢筋中心而言竖向钢筋的尺寸是对网片中心而言。网眼尺寸误差≤3mm。 ②钢筋绑扎 梁体钢筋骨架由底腹板钢筋及顶板钢筋组成。钢筋应由铁丝绑扎结实除设计有特殊规定外梁中的箍筋应与主筋垂直。箍筋的末端应向内弯曲箍筋转角与主筋的交接点均需绑扎结实。箍筋的接头〔弯钩接头处〕在梁中应沿纵向线方向穿插布置。绑扎钢筋用的铁丝要向内弯曲不得伸向保护层内。后张梁预留道及钢筋绑扎要求见表-12。 表-12 后张梁预留道及钢筋绑扎要求 序 项 目 要求 1 金属波纹在任何方向与设计位置的偏向 距跨中4m范围≤4mm、其余≤6mm 2 桥面主筋间距及位置偏向〔拼装后检查〕 ≤15 mm 3 底板钢筋间距及位置偏向 ≤8mm 4 箍筋间距及位置偏向 ≤15 mm 5 腹板箍筋的不垂直度〔偏离垂直位置〕 ≤15 mm 6 混凝土保护层厚度与设计值偏向 +5 mm、0 7 其它钢筋偏移量 ≤20 mm A.梁体底腹板钢筋在台座上整体绑扎绑扎胎具按钢筋骨架中钢筋间距与钢筋直径利用角钢割缺口进展钢筋定位。为保证腹板钢筋骨架与底板的倾斜度利用可自锁、可旋转的胎具绑扎时自锁定位移运时松开自锁装置旋转胎具除去对腹板钢筋骨架的约束。道定位钢筋的间距不大于500mm。 B.桥面钢筋在绑扎台座上绑扎完毕在内模安装完毕后用专用吊具吊装到内模上与腹板钢筋联结。桥面钢筋绑扎的技术要求同梁体底腹板钢筋绑扎。绑扎桥面泄水处的钢筋时由于桥面泄水孔直径远远大于钢筋间距在绑扎时可采取两种其一将泄水周围的钢筋在制作时制成弧形其二将其断开然后用井字形钢筋进展加固。 C.钢筋骨架吊入模型之前须放置垫块以保证混凝土所需要的保护层。钢筋骨架底部的垫块需要承当整个骨架的重量因此要求有足够的强度和刚度以免发生变形;侧面垫块由于不承受骨架的重量但在安装外模时容易错动因此采用圆形的垫块以保证侧面的保护层设计厚度。垫块的厚度要符合设计要求。 ③预应力道成型 预应力钢束通过的混凝土道采用波纹形成。钢筋骨架绑扎完毕后才可以穿金属波纹穿时要注意以下事项: A.穿采用前面一人牵引穿过相应的网眼后面有人推进的。穿过程中要注意防止壁破裂。穿前如发现有微小裂纹应及时修补,在得到监理工程师的签字认可后进展下一道工序。 B.定位网片应与梁体纵向分布筋、下缘箍筋绑在一起并要求绑扎结实。 C.在绑扎钢筋骨架时道定位网片应同时按设计位置安放定位定位网片在沿梁长方向的定位误差不得超过5mm。 D.金属波纹外表刮伤或直径不圆以及有弯的不准使用。 E.金属波纹一般情况下采用通长假如需接长那么需要在接头处套以略粗的波纹两端用胶带缠结结实。 ④钢筋骨架吊装 钢筋骨架吊装采用专门制作的吊架吊架具有足够的强度和刚度以保证在吊运过程中不会发生变形及扭曲。利用龙门吊将绑扎好的底腹板钢筋骨架、顶板钢筋骨架分别吊至制梁台位。起吊及移运过程中严禁急速升降和快速行走制动以防止钢筋骨架扭曲变形,同时注意保护预应力道在吊运过程中不会受到损坏。 底腹板钢筋与顶板钢筋分开绑扎安装时先吊入底腹板钢筋等安装完内模后再吊入顶板钢筋。顶板钢筋吊入后要有专人对顶板及底腹板钢筋进展调整以保证钢筋不偏离设计位置。顶板钢筋放入后还要将顶板钢筋与底腹板钢筋进展连接绑扎以形成一个整体骨架。 钢筋安装工艺详见“图-16 钢筋安装流程图〞。 (3)预埋件、预留孔的设置 梁体的各种预埋件、预留孔与模板、钢筋骨架同时安装保证设置齐全、位置准确。 ①支座板加工及安装 支座板按图纸设计加工制作套筒与梁底钢板焊接时先用螺栓将其与钢板连接位置正确后将其焊牢保证焊缝高度6mm并保证套筒垂直。支座钢板要进展镀铬防锈处理。安装之前必须进展检查验收内容包括支座板的平整度、预埋套筒位置、孔径大小、垂直度及预埋筋、支座套筒与支座板焊接质量等。 图-16 钢筋安装工艺流程图 施工准备 上下部钢筋连接 底腹板钢筋绑扎 底腹部钢筋 骨架吊装 内模安装 绑扎工序检验 顶板 钢筋绑扎 ②桥面预埋件 防撞墙、电缆槽竖墙、接触网支柱、人行道挡板、梁端伸缩缝等在相应位置将预埋钢筋及预埋件与梁体钢筋一同绑扎、安装以保证预埋筋与梁体的连接。安装时严格按设计图纸施工确保其位置准确无误。 ③通风孔 在箱梁两侧腹板上设计有直径100mm的通风孔间距2m假设通风孔与预应力道位置干扰可适当挪动通风孔位置并保证预应力钢筋的保护层大于1倍道直径在通风孔处增设直径170mm的钢筋环。通风孔采用φ100mm的通风孔模具模具固定在内、外模板肋上混凝土初凝时及时松动拔出。 ④泄水孔 桥面泄水孔:在防撞墙内侧桥面板沿纵向间距4m设置φ150mm的PVC泄水泄水孔四周用井字筋或螺旋筋进展加固。梁体灌筑时采用模具成孔后再安装PVC竖向泄水方式模具需固定不能偏移。混凝土初凝前及时松动、拔出模具。 梁底板泄水孔:按设计要求设置采用内径为80mm的预制混凝土泄水孔垫块成洞在灌注梁底板混凝土时在底板上外表根据泄水孔位置设置一定的汇水坡。 ⑤吊装孔 箱梁吊点设在梁端腹板内侧顶板上每端吊点由4个吊孔组成吊点的孔径大小、位置、垂直度符合设计要求由于吊具与梁顶下缘的接触面为锯齿形在内模相应位置固定好吊孔处锯齿形模具并保证最小保护层厚度。吊装孔待梁体架设后采用无收缩混凝土封堵并进展部分防水及保护层施工。 ⑥检查孔 根据维修养护和施工架设时的操作空间需要在梁端底板按设计设置槽口为减少底
展开阅读全文

开通  VIP会员、SVIP会员  优惠大
下载10份以上建议开通VIP会员
下载20份以上建议开通SVIP会员


开通VIP      成为共赢上传

当前位置:首页 > 品牌综合 > 施工方案/组织设计

移动网页_全站_页脚广告1

关于我们      便捷服务       自信AI       AI导航        抽奖活动

©2010-2026 宁波自信网络信息技术有限公司  版权所有

客服电话:0574-28810668  投诉电话:18658249818

gongan.png浙公网安备33021202000488号   

icp.png浙ICP备2021020529号-1  |  浙B2-20240490  

关注我们 :微信公众号    抖音    微博    LOFTER 

客服