收藏 分销(赏)

外脚手架施工方案(金海岸).doc

上传人:可**** 文档编号:5156396 上传时间:2024-10-28 格式:DOC 页数:21 大小:233.50KB 下载积分:10 金币
下载 相关 举报
外脚手架施工方案(金海岸).doc_第1页
第1页 / 共21页
外脚手架施工方案(金海岸).doc_第2页
第2页 / 共21页


点击查看更多>>
资源描述
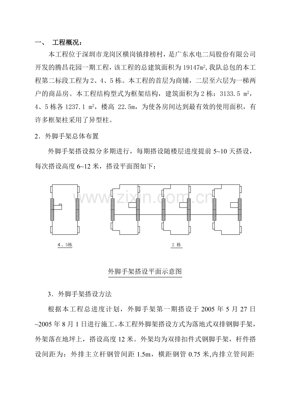
广东水电二局 腾昌花园一期工程(二标) 外 脚 手 架 施 工 方 案 广东水电二局股份有限公司 二零零五年五月一日 一、 工程概况: 本工程位于深圳市龙岗区横岗镇排榜村,是广东水电二局股份有限公司开发的腾昌花园一期工程,该工程的总建筑面积为19147m2,我队总包的本工程第二标段工程为2、4、5栋。本工程的首层为商铺,二层至六层为一梯两户的商品房。本工程结构型式为框架结构,建筑面积为2栋:3133.5 m2,4、5栋各1237.1 m2,楼高 22.5m,为使各房间达到最有效的使用面积,有许多框架柱采用了异型柱。 2.外脚手架总体布置 外脚手架搭设拟分多期进行,每期搭设随楼层进度提前5~10天搭设,每次搭设高度6~12米,搭设平面图如下: 外脚手架搭设平面示意图 3.外脚手架搭设方法 根据本工程总进度计划,外脚手架第一期搭设于2005年5月27日~2005年8月1日进行施工。本工程外脚架搭设方式为落地式双排钢脚手架,外架落在地坪上,搭设高度12米。外架均为双排扣件式钢脚手架,杆件搭设间距为:外排主立杆钢管间距1.5m,横距钢管0.75米,内排立管间距1.8m。横杆间距建筑物墙边为0.3m,横杆间距0.8m,横向水平杆0.9m。 外脚手架搭设及计算严格按《建筑施工扣件式钢安全技术规范》(JGJ130---2001、J84---2001)进行,计算书见附件一。 外脚手架搭尺寸见下图: 4、外脚手架的材料及构件选用 (1)钢管:采用φ48×3.5脚手管,纵向水平杆最大长度6m.弯曲变形,锈蚀钢管不得使用.脚手管使用前全部喷防锈漆。 (2)扣件:铸件制作,材质符合《钢管脚手架扣件》(GB15831)的规定,分直角扣件,旋转扣件,对接扣件。 (3)脚手板:采用竹脚手板,操作层底层满铺脚手板,中间每隔离步架封闭一次。 (4)安全网:密闭式阻燃安全网满挂。 (5)挡脚板(楼层标识)每层设置,用夹板制作,刷红白相间油漆高度为180mm,长度沿楼层水平方向周绕一周。 5、避雷措施 外架与主楼避雷钢筋相焊接,形成可靠的避雷系统。 6、脚手架搭设顺序 外脚手架杆件搭设的顺序为:摆放纵向扫地杆 逐根竖立杆,随即与扫地杆扣紧 装横向扫地杆并与立杆或纵向扫地杆扣紧 安第一步大横杆 安第一步小横杆 第二步大横杆 第二步小横杆 加临时斜撑杆 安第三步大横杆和小横杆 设置边墙长立 往上第四步大横杆、小横杆 铺篙竹走桥 绑护栏杆 杆件搭设…… 7、脚手架搭设构造要求 (1) 立杆 ①落地式脚手架立杆下垫木板; ②立杆脚部设置纵横向扫地杆。纵向扫地杆采用十字扣件固定有距底座上皮不大于200mm处,横向扫地杆亦采用十字扣件固定在紧靠纵向扫地杆下方的立杆上; ③相邻立杆的对接扣件,不设在同一高度处,并交错布置,两根相邻立杆的接头不应设在同步内隔一根立杆的相隔接头在高度方向错开的距离,不小于500mm,各接头中心主节点的距离不大于步距的1/3; ④开始搭设立杆时,每隔6跨设置一根抛撑,直至连墙件安装稳定后,方可根据情况拆除; ⑤当搭至连墙件的构造点时,在搭设完该处的立杆纵向水平杆,横向水平杆后,立即设置连墙件; ⑥顶层立杆搭接长度不小于1m,须用不少于2个旋转扣在固定,端部 边除主立端距离不小于100mm。立杆顶端应高出女儿墙上皮1m,高出檐口1.5m; ⑦为保证高空作业安全,在搭脚手架杆时先立竖杆然后再升外侧立杆及大横杆; (2)纵向水平杆 ①纵向水平杆应设于立杆内侧,其长度不小于3跨且不大于6M。 ②纵向水杆接长采用对接扣件连接,对接扣件应交错布置,两根相邻纵向水平杆的接头不宜设置在同步或同跨内;不同步或不同两个相邻接头在水平方向错开的距离不小于500mm,各接头中心至最近主节点的距离不大于纵距的1/3。 ③水平杆作为横向水平杆支座,用十字扣件固定在立杆上; ④手架同一步中,纵向水平杆应四周交圈,用十字扣件与内外角部立杆固定; (2) 横向水平杆 ①节点处必须设置一根横向水平杆,用直角扣件连接,且严禁拆除。主节点处两个直角扣件的中心距不大于150mm,靠建筑物一端外伸长度30mm,与墙装饰面的距离不大于100mm; ②作业层上主节点处横向水平杆根据支承脚手架的需要等内距设置,最大内距不大于纵距的1/2; ③横向水平杆两端均应采用直角扣件固定在纵向水平杆上; (3) 连墙件 ①边墙件靠近主节点设置,偏离主节点不大于300mm,从底层第一步纵向水平杆处开始设置,连墙件水平设置,若不能水平设置时,与脚手架连接的一端下斜连接,不采用上斜连接; ②当脚手架下部暂不能设连墙件时可搭设抛撑,抛撑采用通长杆与脚手架可靠连接,与地面倾斜角45º~60º,连接点中心至主节点的距离不大于300mm,抛撑在连墙件搭设后方平拆除; ③当脚手架施工操作层高出连墙件2步时,应采取临时稳定措施,直到上一层连墙件搭设完成后方可根据情况拆除; ④连墙件水平间距4.5m,竖向间距每层设置,上下错开,成菱形布置。裙楼1—3层部分没有连墙杆预埋件,拟在板上打入膨胀螺丝与连墙杆件焊接固定; (5)剪刀撑 剪刀撑在外侧立面整个长度和高度上连接设置,每道剪刀撑连续不少于五根立杆,与地面成45º-60º夹角,剪刀撑采用搭设方连接,且搭接长度不小于1m,等间距设置3个旋转扣件固定,端部扣件盖板边缘主搭接杆端距离不小于100mm。 (6)扣件安装 ①扣件规格必须与钢筋处径(Ф48)相同; ②螺栓拧紧力距不应小于40N.M,且不大于65 N.M; ③主节点扣件中心点的相互距离不大于150mm; ④对接扣件开口朝上或朝内; ⑤各杆件端头伸出扣件盖板边缘的长度不小于100mm; (7)作业层栏杆和档脚板 ①栏杆和挡脚板均搭设在外立杆内侧; ②上栏杆上皮高度1.2m; ③挡脚板高度不小于180mm; ④脚手板铺满、铺稳,作业层离开墙面120—150mm; ⑤脚手板设置在三根横向水平杆上,脚手板对接平铺时,接头处必须设两根横向水平杆,脚手板外伸长度取130—150mm;两面三刀块脚手板外伸长度的和不大于300mm。搭接时,接头必须置于横向水平杆上,搭接长度大于200mm;伸出横向水平杆的长度不小于100mm;脚手板探头用直径Ф3.2mm的钢丝固定在支承杆件上; ⑥在拐角斜道平台口处的脚手板与横向水平杆必须可靠连接,防止滑动; ⑦自顶层作业层的脚手板往下时,每隔6步满铺一层脚手板; (8)安全档板 安全档板设置在紧靠脚手架外侧,用钢管向脚手架外侧挑出2m,角度为10º-20º防止杂物滑出。钢管下密挂旧安全网,管上满铺竹子。每3层设置一道安全档板,安全挡板以当层板水平方向环绕一周。 (9)安全网要求 脚手架外侧满挂全新安全网,立网的下口与立杆或建筑物要牢固的扎结,固定点的间距不大于500mm。上下两网之间的拼接要严密。立网,平网与施工作业面边沿的最大间缝不得大于100mm。 8、节点处理 (1)连墙杆 连墙杆用短钢管制成,长度约500~800mm,一端用扣件固定于脚手架的立杆上,另一端用扣件固定在预埋的短钢管上,预埋在砼里的钢管长度为300mm,要求伸出楼面100~150mm。在卸载层,连墙杆与小横杆为一整杆,这样受力明确,架子整体性也好,另外也可抵御风涡流的作用。 (2)卸载装置 用钢管斜撑,每5层设置一次。钢管一端用扣件固定在杆上,另一端撑在结构上,结构上预埋固定件。 9、搭设质量要求 外架搭设基本要求;横平竖直,整齐清晰,图形一致,连接牢固,受荷安全,不变形 (1) 立杆垂直偏差 纵向偏差不大于H/400,且不大于50mm;横向偏差不大于H/600,且不大于30mm。 (2)纵向水平杆的水平偏差不大于总长的1/300,且不大于20mm;横向水平杆水平偏差不大于10mm; (3)脚手架的步距,主杆横距偏差不大于20mm。 (4)扣件紧扣力距在45~55N.M内, (5)连墙件数量,位置要准确,连墙牢固,无松动。 10.脚手架拆除技术要求 (1)拆除架前的准备工作 ①全面检查脚手架的扣件连接,连墙件支撑体系等是否符合安全要求; ②根据检查结果,补充完善施工组织设计中的拆除顺序,经技术部主管批准后方可实施; ③外架工程负责人及质安部门进行技术交底; ④消除脚手架上的杂物及障碍; (2)拆除脚手架时应符合下列规定 ①拆除作业必须由上而下逐层进行,严禁上下同时进行; ②连墙件必须随脚手架逐层拆除,严禁先将连层件整层或数层拆除后再拆脚手架,分段拆除高差不应大于2步,如高差大于2步,应增设连墙加固; ③当脚手架拆至下部最后一根长立杆的高度(均6.5m)时,应先在适当位置搭设临时抛撑加固后再拆除连墙件。 ④脚手架采取分段,分立面拆除时,对不拆除的脚手架两面三刀端,应先设置连墙件和横向斜撑加固; (3)卸料时应符合下列规定 ①各构配件必须分段集中运至地面,严禁抛掷至地面; ②运至地面的构配件按规范要求及时检查整修保养,并按品种,规格随时码堆存放; (4)拆除脚手架时应设围栏和警戒标志,并派专人看守,严禁非操作人员入内。 11、脚手架使用规定 (1)作业层架面上施工荷载:主体结构作业时不得超过300kg/m2(3kg/m2)。 (2)脚步手架上放砖高度不准超过3层,单位长度砂浆重量不得大于150kg;施工设备单重不得大于100kg;使用人力在架上搬运和安装的构件的自重不得大于250kg。 (3)在架面上设置的材料应堆放整齐稳固,不影响施工操作和人员通行,严禁上架人员在架面上奔跑,退行或倒退拉车。 (4)作业人员在架上的最大作业高度以可进行正常操作为度,禁止在架板上加垫器物或单块脚手板以增加操作高度。 (5)作业中,禁止随意拆除脚手架的基本构架杆件,整体性杆件,边接紧固件和连墙件。确因操作要求临时拆除时,必须经主管人员同意,采取相应弥补措施,并在作业完毕后,及时予以恢复。 (6)工人在架上作业中,注意自我保护和他人的安全,避免发生碰撞,闪失和落物,严禁在架上戏闹和坐在栏杆上等不安全处休息。 (7)人员上下脚手架作业时,先行检查有无影响安全作业的问题存在,在排除和解决后,方可开始作业,在作业中发现有不安全的总是和迹象时,应立即通知架体上所有人员撤离; (8)人员上下脚手架必须走设有安全防护的出入通(梯)道,严禁攀援脚手架上下。 (9)在每步脚手架的作业完成后,必须将架上剩余材料物品移至上(下)步架或室内,每次收工前清理架面,将架上剩余材料物品移至上(下)步架或室间应及时清理落入安全网内的材料和物品,在任何情况下严禁自架上向下抛掷材料物品和倾倒垃圾。 12、脚手架施工安全措施 (1)搭设部分 ①脚手架搭设前,技术部、质安部组织有关人员学习外架的规范及方案要求,搭设程序及时向搭设工人进行安全交底。 ②所有搭设工作人员均持证上岗(包括操作证,健康证,安全上岗证)。 ③搭设时,分区段进行,脚手架周边设安全警戒线,并有监护人员负责周边工作人员的安全警戒工作。 ④在搭设前,对脚手架的材质进行检查,包括对扣件的外观尺寸,质量缺陷,杆件的锈蚀,弯曲情况进行检查,确保各杆件、扣件的质量满足要求,对隐伤、压扁的扣件,杆件应坚决杜绝使用。 ⑤作业时,所有架上人员必须系好安全带(安全带要高挂低用)戴好安全帽系好帽带。 ⑥严禁在雨天,暴雨天气时搭设外架。 ⑦搭设外架时,外架剪刀撑要跟上脚手架的搭设进度,不准在搭设二步以上外架且在安全网已挂情况下搭设剪刀撑。 ⑧铺设脚手板前,要检查其质量,对缺损严重的不准使用。 ⑨立杆接长时,至少要两名工人配合对立杆进行对接,且脚站立位置要铺设临时脚手板或工具凳,要稳、要牢。 ⑩搭设完毕的每一步距脚手架,有关人员必须对其进行检查,包括对小横杆的设置情况,扣件紧固情况,外架水平结杆要满足验收要求。 附件一: 外脚手架设计计算书 一、荷载计算: 双排落地脚手架由-1.8m地坪处支承。根据《建筑施工扣件式钢管脚手架安全技术规范》第6.36条;立杆顶端宜高出女儿墙上皮1m,高出檐口上皮1.5m。由设计图知:设计标高为18.5,脚手架落地标高为0.00米,故需搭设的脚手架高度为:HS=22.5+1.0+0.0=23.5m 设外架 立杆横距 Lb=0.75m 步距 h=1.8m 内排纵距 La=0.8m 内排纵距 La=1.5m 实际采用的外架搭设高度为HS=1.8×13.05=23.5m 连墙件设置为二步三跨,每五层卸荷一次,外挂密目安全网,脚手架拟采用密竹脚手板,作业层及封闭层(每6步封密)满铺。 1.恒荷载 (1) 脚手架结构自重(附录A-1表)标准值gk=0.1248 KN/m (2) 构配件自重:: ①脚手板(表4.2.1-1):自重杆标准值 0.35KN/m ②杆、挡脚板自重(表4.2.1-2):标准值:0.14 KN/m ③安全网自重:取表 2.25N/m2 2.活荷载: 查表4.2.2:装饰脚手架标准值2 KN/m2 结构脚手架:标准值3 KN/m2 取二层装修、一层结构计算,则: 装修脚手架活荷载标准值:F1=(0.75+0.35/2)2×1.5×2=3.3 结构脚手架活荷载标准值:F2=(0.75+0.35/2)2×1.5×3=4.95 取一层结构,二层装修脚手架活荷载标准值:F1+F2=8.25KN 3、风荷载: wk=0.7μz·μS·WO 广州地区基本风压查《建筑结构荷载规范》(GB50005-2001)取 WO=0.5KN/m2 按背靠建筑物敞开计算荷载 查表4.2.4:μS =1.3ψ =1.3×[(An/Aw)1.2]=1.3×1.2×1/3=0.52 查《建筑结构荷载规范》(GB50009-2001)中表7.2.1 由插值法得到:μz=1.9731 wk=0.7×1.9731×0.52×0.5=0.359(KN/m2) 二、立杆稳定性验算: φ48×3.5钢管截面特性查规范附表B: A=4.89cm2 I=12.19cm4 W=5.08cm3 i=1.58cm 1、不组合风荷载时: 计算外立杆N1、内立杆N2在底部产生的轴力。 考虑卸载作用:设置四道卸载装置,每道卸载装置卸掉上部荷载的1/3,底部的立杆轴力为: N1层=2/3×1.2(NG1K+NG2K)+1.4ΣNQK =2/3×[1.2×(0.1248×77.4+0.35×0.8×(0.75+0.35)/2×10+0.14× 0.8×10+2.25×0.8×77.4÷1000)+0.85×1.4×8.25]=16.47KN ∴N/ΦA=16.47×103/0.243×489=106N/mm2<f=205N/mm2 2、组合风荷载时: N=1.2(NG1K+ NG2K)+0.85×1.4×ΣNQK =14.88+9.8 =24.68KN 风荷载产生的弯矩: MW=0.85×1.4MWK=(0.85×1.4MKIah2)/2=(0.85×1.4×0.359× 1.5×1.82)/10=0.208KN·m (N/ΦA)+(MW/W)=106+(0.208×106)/(5.08×103) =146.9N/mm2<f=205N/mm2 故立杆稳定性满足要求。 三、连墙件计算: 连墙件按二步三跨设置即; 竖向间距 h=2h=2×1.8=3.6m 水平间距 la=3 la=3×0.8=2.4m 连墙件采用菱形布置,主节点处各扣件的轴心距离不大于300mm 轴向力设计值:N1=N1w+NO =1.4×Wk·Aw+5 =1.4×0.359×3.6×2.7+5 =9.88KN<8×2=16 KN 故连墙件满足抗滑要求安全 预埋钢管剪应力 T=V/A=(16×103)/(3.14×82)=9.762N/m2<fV 四、纵向水平杆、横向水平杆计算: 1、横向水平杆按简支梁计算: qGK=0.35KN/m2×1.8=0.63 KN/m Q K=3×1.8=5.4 KN/m ①弯矩: M Q K=ql2/8(1-a2/l2)2=(5.4×0.82)/8×(1-0.352/0.82)2=0.28 KN·m M G K=ql2/8(1-a2/l2)2=(0.64×0.82)/8×(1-0.352/0.82)2=0.033 KNm ∴Mmax=1.2M G K+1.4ΣM Q K =1.2×0.033+1.4×0.28=0.432 KN·m ∴δ= Mmax/W= (0.432×l06)/ (5.08×l03)=85.04N/mm2<F=205N/mm2 (满足要求) ②挠度: Vc=qal2/24EI[-1+4(a2/l2)+3(a2/l2)] = (1.4×5.4+1.2×0.525)×0.35×0.82 × (-1+4×0.352/0.82+3×0.352/0.82) (24×2.06×103×12.19×104) =0.527mm<1/4W=2mm ③件件抗滑: VA左=-qG=-(1.4×5.4+1.2×0.525) ×(0.3+0.4) =5.733KN<Rc=8KN 一个扣件可以满足要求. 2、纵向水平杆: 按三跨连续梁计算: q=3×0.7×1.4+1.2×0.35×0.7=3.234KN/m M=0.1×ql2=0.1×3.234×0.92=0.26 KN·m δ=- 0. 26×106 =51 KN/mm2<f=205 KN/mm2(满足要求) 5.08×103 V=0.6×ql=0.6×3.234×0.9=1.746 KN<Rc=8KN(满足要求) Vc= 0.677×ql4/ (100EI) = 0.677×[3.234×0.94×1012/(100×2.06×105×12.19×104)] =5.72mm<1/0.9=11mm(满足要求) 五、斜撑钢管卸载设计: 1、由前面计算可知: 卸载装置受的最大压力N1,N2=2.064KN。 计算得到Ta、Ta值为: Ta=2.072KN Ta=2.192KN Nc=0.96KN<2×8=16KN 故支点处需双扣件与立杆固定。 下面为附送毕业论文致谢词范文!不需要的可以编辑删除!谢谢! 毕业论文致谢词 我的毕业论文是在韦xx老师的精心指导和大力支持下完成的,他渊博的知识开阔的视野给了我深深的启迪,论文凝聚着他的血汗,他以严谨的治学态度和敬业精神深深的感染了我对我的工作学习产生了深渊的影响,在此我向他表示衷心的谢意 这三年来感谢广西工业职业技术学院汽车工程系的老师对我专业思维及专业技能的培养,他们在学业上的心细指导为我工作和继续学习打下了良好的基础,在这里我要像诸位老师深深的鞠上一躬!特别是我的班主任吴廷川老师,虽然他不是我的专业老师,但是在这三年来,在思想以及生活上给予我鼓舞与关怀让我走出了很多失落的时候,“明师之恩,诚为过于天地,重于父母”,对吴老师的感激之情我无法用语言来表达,在此向吴老师致以最崇高的敬意和最真诚的谢意! 感谢这三年来我的朋友以及汽修0932班的四十多位同学对我的学习,生活和工作的支持和关心。三年来我们真心相待,和睦共处,不是兄弟胜是兄弟!正是一路上有你们我的求学生涯才不会感到孤独,马上就要各奔前程了,希望(,请保留此标记。)你们有好的前途,失败不要灰心,你的背后还有汽修0932班这个大家庭! 最后我要感谢我的父母,你们生我养我,纵有三世也无法回报你们,要离开你们出去工作了,我在心里默默的祝福你们平安健康,我不会让你们失望的,会好好工作回报社会的。 致谢词2 在本次论文设计过程中,感谢我的学校,给了我学习的机会,在学习中,老师从选题指导、论文框架到细节修改,都给予了细致的指导,提出了很多宝贵的意见与建议,老师以其严谨求实的治学态度、高度的敬业精神、兢兢业业、孜孜以求的工作作风和大胆创新的进取精神对我产生重要影响。他渊博的知识、开阔的视野和敏锐的思维给了我深深的启迪。这篇论文是在老师的精心指导和大力支持下才完成的 感谢所有授我以业的老师,没有这些年知识的积淀,我没有这么大的动力和信心完成这篇论文。感恩之余,诚恳地请各位老师对我的论文多加批评指正,使我及时完善论文的不足之处。 谨以此致谢最后,我要向百忙之中抽时间对本文进行审阅的各位老师表示衷心的感谢。 开学自我介绍范文:首先,我想说“荣幸”,因为茫茫人海由不相识到相识实在是人生一大幸事,更希望能在三年的学习生活中能够与大家成为好同学,好朋友。其次我要说“幸运”,因为在短暂的私下接触我感觉我们班的同学都很优秀,值得我学习的地方很多,我相信我们班一定将是团结、向上、努力请保留此标记。)的班集体。最后我要说“加油”衷心地祝愿我们班的同学也包括我在内通过三年的努力学习最后都能够考入我们自己理想中的大学,为老师争光、为家长争光,更是为了我们自己未来美好生活和个人价值,加油。哦,对了,我的名字叫“***”,希望大家能记住我,因为被别人记住是一件幸福的事!! )查看更多与本文《高中生开学自我介绍》相关的文章。 精品word文档可以编辑(本页是封面) 【最新资料 Word版 可自由编辑!!】
展开阅读全文

开通  VIP会员、SVIP会员  优惠大
下载10份以上建议开通VIP会员
下载20份以上建议开通SVIP会员


开通VIP      成为共赢上传

当前位置:首页 > 品牌综合 > 施工方案/组织设计

移动网页_全站_页脚广告1

关于我们      便捷服务       自信AI       AI导航        抽奖活动

©2010-2026 宁波自信网络信息技术有限公司  版权所有

客服电话:0574-28810668  投诉电话:18658249818

gongan.png浙公网安备33021202000488号   

icp.png浙ICP备2021020529号-1  |  浙B2-20240490  

关注我们 :微信公众号    抖音    微博    LOFTER 

客服