收藏 分销(赏)

新版焊接工艺计划书.doc

上传人:精*** 文档编号:4873910 上传时间:2024-10-16 格式:DOC 页数:4 大小:68.54KB 下载积分:5 金币
下载 相关 举报
新版焊接工艺计划书.doc_第1页
第1页 / 共4页
新版焊接工艺计划书.doc_第2页
第2页 / 共4页


点击查看更多>>
资源描述
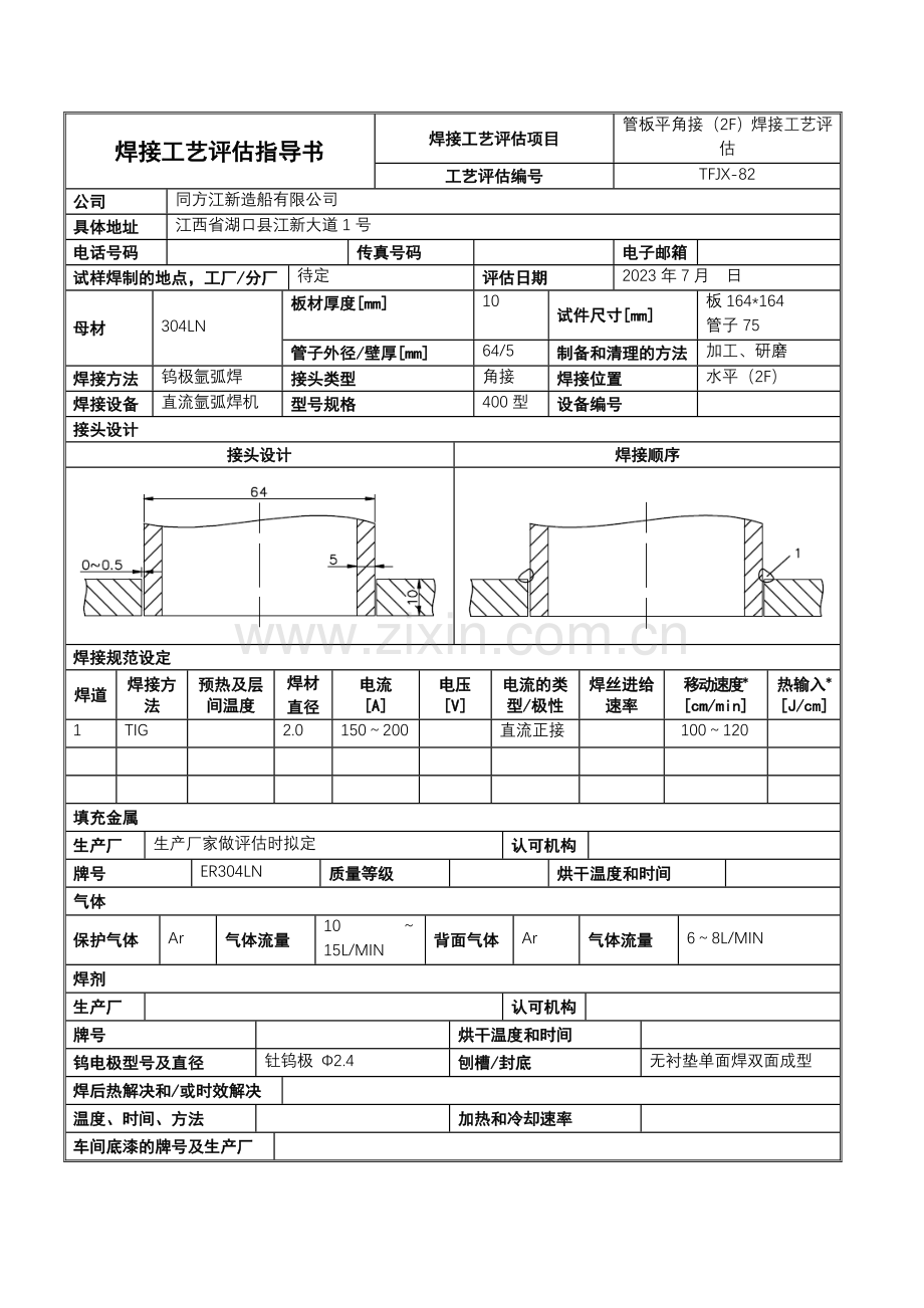
焊接工艺评估指导书 (TFJX-82) ( 304LN不锈钢管板平角接钨极氩弧焊工艺评估) 同方工业有限公司 (同方江新造船有限公司具体实行) 2023年7月4日 焊接工艺评估指导书 焊接工艺评估项目 管板平角接(2F)焊接工艺评估 工艺评估编号 TFJX-82 公司 同方江新造船有限公司 具体地址 江西省湖口县江新大道1号 电话号码 传真号码 电子邮箱 试样焊制的地点,工厂/分厂 待定 评估日期 2023年7月 日 母材 304LN 板材厚度[mm] 10 试件尺寸[mm] 板164*164 管子75 管子外径/壁厚[mm] 64/5 制备和清理的方法 加工、研磨 焊接方法 钨极氩弧焊 接头类型 角接 焊接位置 水平(2F) 焊接设备 直流氩弧焊机 型号规格 400型 设备编号 接头设计 接头设计 焊接顺序 焊接规范设定 焊道 焊接方法 预热及层间温度 焊材直径 电流 [A] 电压 [V] 电流的类型/极性 焊丝进给速率 移动速度* [cm/min] 热输入* [J/cm] 1 TIG 2.0 150~200 直流正接 100~120 填充金属 生产厂 生产厂家做评估时拟定 认可机构 牌号 ER304LN 质量等级 烘干温度和时间 气体 保护气体 Ar 气体流量 10~15L/MIN 背面气体 Ar 气体流量 6~8L/MIN 焊剂 生产厂 认可机构 牌号 烘干温度和时间 钨电极型号及直径 钍钨极 Φ2.4 刨槽/封底 无衬垫单面焊双面成型 焊后热解决和/或时效解决 温度、时间、方法 加热和冷却速率 车间底漆的牌号及生产厂 其他:风速小于2m/s,空气相对湿度小于90%,环境温度大于5℃时进行焊接。 焊接工艺评估实验项目 焊接工艺评估项目 管板平角接(2F)焊接工艺评估 工艺评估编号 TFJX-82 公司 同方江新造船有限公司 具体地址 江西省湖口县江新大道1号 电话号码 传真号码 电子邮箱 试件无损检测实验项目 目视检查 ■ 射线检测 □ 超声波检测 □ 磁粉检测 □ 渗透检测 ■ 试件理化性能实验项目 项目 数量 标准 拉伸 横向拉伸(接头) / / 纵向拉伸(焊缝金属) / 弯曲 正弯 / / 反弯 / 侧弯 / 冲击 焊缝中心 / / 熔合区 / 热影响区 / 金相 宏观 1 ASME 微观 / 硬度 / / 破断 / 化学分析 / / 其他规定:/ 时间、地点 公章 编制人签字
展开阅读全文

开通  VIP会员、SVIP会员  优惠大
下载10份以上建议开通VIP会员
下载20份以上建议开通SVIP会员


开通VIP      成为共赢上传

当前位置:首页 > 包罗万象 > 大杂烩

移动网页_全站_页脚广告1

关于我们      便捷服务       自信AI       AI导航        抽奖活动

©2010-2026 宁波自信网络信息技术有限公司  版权所有

客服电话:0574-28810668  投诉电话:18658249818

gongan.png浙公网安备33021202000488号   

icp.png浙ICP备2021020529号-1  |  浙B2-20240490  

关注我们 :微信公众号    抖音    微博    LOFTER 

客服