收藏 分销(赏)

管涵工程(完).doc

上传人:精*** 文档编号:4120392 上传时间:2024-07-30 格式:DOC 页数:4 大小:40.54KB 下载积分:5 金币
下载 相关 举报
管涵工程(完).doc_第1页
第1页 / 共4页
管涵工程(完).doc_第2页
第2页 / 共4页


点击查看更多>>
资源描述
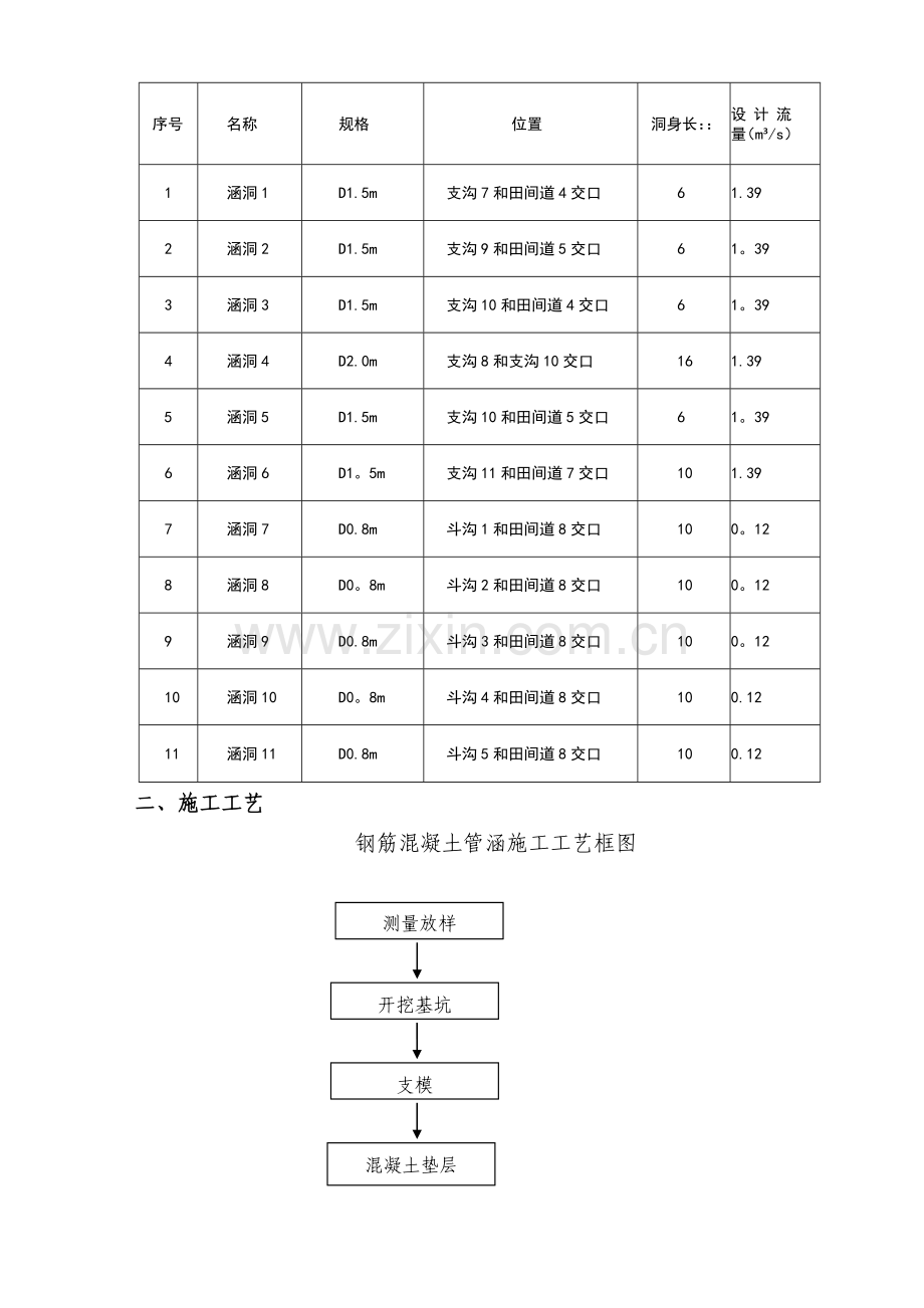
天津市滨海新区北大港农场2014年高标准 基本农田整理项目 涵洞工程施工方案 天津市东天建筑工程有限公司 二零一六年二月十五日 钢筋混凝土管涵施工方案 一、 工程概况: 为方便项目区内农业生产,保证渠系间的水流的畅通,需要在排水沟与道路相交处新建涵洞11座.其中涵洞1〜3和5〜6号为D1。5*6m涵洞,共5座,涵洞4 号为D2.0*16m涵洞,1座,涵洞7—11号为D0.8*10m涵洞,共5座。 涵洞是为田间道跨越沟渠而设。根据现场勘查和调研,管涵长度和管径尺寸依上下级沟渠设计流量和路宽而定。 序号 名称 规格 位置 洞身长:: 设计流量(m³/s) 1 涵洞1 D1.5m 支沟7和田间道4交口 6 1.39 2 涵洞2 D1.5m 支沟9和田间道5交口 6 1。39 3 涵洞3 D1.5m 支沟10和田间道4交口 6 1。39 4 涵洞4 D2.0m 支沟8和支沟10交口 16 1.39 5 涵洞5 D1.5m 支沟10和田间道5交口 6 1。39 6 涵洞6 D1。5m 支沟11和田间道7交口 10 1.39 7 涵洞7 D0.8m 斗沟1和田间道8交口 10 0。12 8 涵洞8 D0。8m 斗沟2和田间道8交口 10 0。12 9 涵洞9 D0.8m 斗沟3和田间道8交口 10 0。12 10 涵洞10 D0。8m 斗沟4和田间道8交口 10 0.12 11 涵洞11 D0.8m 斗沟5和田间道8交口 10 0.12 二、施工工艺 钢筋混凝土管涵施工工艺框图 测量放样 开挖基坑 支模 混凝土垫层 混凝土管安装 回填白灰土 回填白灰土 回填白灰土 浆砌石挡土墙 涵背土方回填 路缘石铺设 三、施工放样 使用全站仪对涵位进行定位,施工前放出中桩涵洞轴线并四角及基础边线。施工前详细审核图纸并计划 如沉降缝位置. 四、基坑开挖及基底处理 按基坑范围用机械开挖至设计基底标高上30cm再用人工精细找平并按要求修整。清至设计标高后用轻型触探仪检测地基承载力,如不能达到设计要求的承载力需报请变更进行地基加固处理。如满足要求可继续施工。砂砾垫层分层夯实,每层厚度不大于30cm。 五、基础浇筑 根据涵洞基础尺寸将基坑两侧整理成型或用模板进行浇筑.管基分两次进行浇筑。第一次浇至管底外壁下2~3cm,待强度达到设计强度的50%后进行管节安装,安装完毕后再进行二次浇筑。 混凝土由搅拌站按设计要求拌制运至工地。第一次浇筑应使砼顶面符合设计坡度表面平整.第二次浇筑前应将顶面打毛,在管节两侧进行对称浇筑。 六、管节安装 管节预制完成,强度达到70%后方可进行安装。安装时由中间沉降缝处向两侧进行,确保管端与沉降缝处在同一垂直断面上。同时在管底垫2~3cm水泥砂浆,确保管节顺直、稳定. 安装完成后,管节间缝隙按设计要求使用麻绳、4层沥青浸制麻布及粗铅丝绑扎 七、挡土墙及洞口铺砌砌筑 挡土墙及洞口铺砌为M10浆砌片石,侧墙、缘石为M10浆砌块石。 片石砌体应成行铺砌,并砌成大致水平层次,镶面石应按一丁一顺砌筑,任何层次石块应与邻层石块搭接至少80mm,砂浆砌筑缝宽应不大于30mm。 先铺砌角隅石及镶面石,然后铺砌帮衬石,最后铺砌腹石。角隅石或镶面石应与帮衬石互相锁合,帮衬石与腹石应互相锁合。帮衬石及腹石的竖缝应相互错开,砂浆砌筑平缝宽度不应大于30mm,竖缝宽度不应大于40mm。 如果石块松动或砌缝开裂,应将石块提起,将垫层砂浆与砌缝砂浆清扫干净,然后将石块重铺砌在新砂浆上。 在砂浆凝固前应将外露缝勾好,勾缝深度不小于20mm。如条件不允许时,应在砂浆未凝固前,将砌缝砂浆括深不小于20mm,为以后勾缝作准备。 勾好缝或灌好浆的砌体在完工后,视水泥种类及气候情况,在7一14d内应加强养生。 八、涵背回填 涵管两侧不小于2倍孔径范围内采用两侧对称分层夯实。分层垫筑厚度不大于20cm,压实度不小于95%。 施工过程中,当洞顶覆土厚度小于0。5米时禁止任何重型机械及车辆通过. 天津市东天建筑工程有限公司 2016年2月15日
展开阅读全文

开通  VIP会员、SVIP会员  优惠大
下载10份以上建议开通VIP会员
下载20份以上建议开通SVIP会员


开通VIP      成为共赢上传

当前位置:首页 > 包罗万象 > 大杂烩

移动网页_全站_页脚广告1

关于我们      便捷服务       自信AI       AI导航        抽奖活动

©2010-2026 宁波自信网络信息技术有限公司  版权所有

客服电话:0574-28810668  投诉电话:18658249818

gongan.png浙公网安备33021202000488号   

icp.png浙ICP备2021020529号-1  |  浙B2-20240490  

关注我们 :微信公众号    抖音    微博    LOFTER 

客服