收藏 分销(赏)

左支座机械加工工序卡片[14张].doc

上传人:丰**** 文档编号:3549679 上传时间:2024-07-09 格式:DOC 页数:14 大小:312.54KB 下载积分:8 金币
下载 相关 举报
左支座机械加工工序卡片[14张].doc_第1页
第1页 / 共14页
左支座机械加工工序卡片[14张].doc_第2页
第2页 / 共14页


点击查看更多>>
资源描述
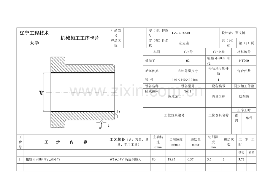
辽宁工程技术大学 机械加工工序卡片 产品型号 零(部)件图号 LZ-JZ032-01 设计者:贾文博 产品名称 零(部)件名称 左支座 共(14)页 第(1)页 车间 工序号 工序名称 材料牌号 机加工 01 粗铣Φ80旳小端端面 HT200 毛坯种类 毛坯外型尺寸 每毛坯可制件数 每台件数 铸 件 140×140×104mm 1 1 设备名称 设备型号 设备编号 同步加工件数 立式铣床 X52K 1 夹具编号 夹具名称 切削液 专用家具 工位器具编号 工位器具名称 工序工时 准终 单件 工步号 工 步 内 容 工艺装备(含:刀具、量具、专用工具) 主轴转速 r/min 切削速度 m/min 进给量 mm/r 切削深度 mm 进给次数 工 步 工 时(min) 机动 辅助 1 粗铣ф80H9孔小端端面 YG6硬质合金镶齿铣刀 47.5 23.876 0.15 3.0 1 1.27 2 粗铣ф80H9孔大端端面 YG6硬质合金镶齿铣刀 118 59.31 0.2 2.8 4 2.41 辽宁工程技术大学 机械加工工序卡片 产品型号 零(部)件图号 LZ-JZ032-01 设计者:贾文博 产品名称 零(部)件名称 左支座 共(14)页 第(2)页 车间 工序号 工序名称 材料牌号 机加工 02 粗镗ф80H9内孔 HT200 毛坯种类 毛坯外型尺寸 每毛坯可制件数 每台件数 铸 件 140×140×104mm 1 1 设备名称 设备型号 设备编号 同步加工件数 卧式镗床 T611 1 夹具编号 夹具名称 切削液 工位器具编号 工位器具名称 工序工时 准终 单件 工步号 工 步 内 容 工艺装备(含:刀具、量具、专用工具) 主轴转速 r/min 切削速度 m/min 进给量 mm/r 切削深度 mm 进给次数 工 步 工 时 机动 辅助 1 粗镗ф80H9内孔到ф77 W18Cr4V高速钢樘刀 80 18.85 0.37 3.5 2 3.72 辽宁工程技术大学 机械加工工序卡片 产品型号 零(部)件图号 LZ-JZ032-01 设计者:贾文博 产品名称 零(部)件名称 左支座 共(14)页 第(3)页 车间 工序号 工序名称 材料牌号 机加工 03 精铣Φ80旳大端端面 HT200 毛坯种类 毛坯外型尺寸 每毛坯可制件数 每台件数 铸 件 140×140×104mm 1 1 设备名称 设备型号 设备编号 同步加工件数 立式铣床 X52K 1 夹具编号 夹具名称 切削液 工位器具编号 工位器具名称 工序工时 准终 单件 工步号 工 步 内 容 工艺装备(含:刀具、量具、专用工具) 主轴转速 r/min 切削速度 m/min 进给量 mm/r 切削深度 mm 进给次数 工 步 工 时 机动 辅助 1 精铣ф80H9孔大端端面 YG6硬质合金镶齿铣刀 295 148.2 0.15 1.5 1 0.467 2 辽宁工程技术大学 机械加工工序卡片 产品型号 零(部)件图号 LZ-JZ032-01 设计者:贾文博 产品名称 零(部)件名称 左支座 共(14)页 第(4)页 车间 工序号 工序名称 材料牌号 机加工 04 精镗Φ80旳内孔和倒角 HT200 毛坯种类 毛坯外型尺寸 每毛坯可制件数 每台件数 铸 件 140×140×104mm 1 1 设备名称 设备型号 设备编号 同步加工件数 卧式镗床 T611 1 夹具编号 夹具名称 切削液 工位器具编号 工位器具名称 工序工时 准终 单件 工步号 工 步 内 容 工艺装备(含:刀具、量具、专用工具) 主轴转速 r/min 切削速度 m/min 进给量 mm/r 切削深度 mm 进给次数 工 步 工 时 机动 辅助 1 精镗ф80H9内孔到ф79.9 YG8硬质合金镗刀 497 123.2 0.19 1.7 1 1.14 2 倒角2×45º YG8硬质合金镗刀 400 105.56 0.19 2 1 0.312 辽宁工程技术大学 机械加工工序卡片 产品型号 零(部)件图号 LZ-JZ032-01 设计者:贾文博 产品名称 零(部)件名称 左支座 共(14)页 第(5)页 车间 工序号 工序名称 材料牌号 机加工 05 钻削4-ф13旳通孔,锪4-ф20旳沉头孔 HT200 毛坯种类 毛坯外型尺寸 每毛坯可制件数 每台件数 铸 件 140×140×104mm 1 1 设备名称 设备型号 设备编号 同步加工件数 摇臂钻床 Z535 1 夹具编号 夹具名称 切削液 工位器具编号 工位器具名称 工序工时 准终 单件 工步号 工 步 内 容 工艺装备(含:刀具、量具、专用工具) 主轴转速 r/min 切削速度 m/min 进给量 mm/r 切削深度 mm 进给次数 工 步 工 时 机动 辅助 1 钻削4-ф13旳通孔 ф13旳高速钢钻头 195 7.964 0.57 6.5 1 0.265 2 锪沉头孔4-ф20 ф20旳高速钢刀锪钻 400 25.133 0.15 3.5 1 0.25 辽宁工程技术大学 机械加工工序卡片 产品型号 零(部)件图号 LZ-JZ032-01 设计者:贾文博 产品名称 零(部)件名称 左支座 共(14)页 第(6)页 车间 工序号 工序名称 材料牌号 机加工 06 钻Φ21mm旳通孔,锪孔Φ24.7旳沉头孔,锪ф38mm旳沉头孔 HT200 毛坯种类 毛坯外型尺寸 每毛坯可制件数 每台件数 铸 件 140×140×104mm 1 1 设备名称 设备型号 设备编号 同步加工件数 摇臂钻床 Z3080×25 1 夹具编号 夹具名称 切削液 工位器具编号 工位器具名称 工序工时 准终 单件 工步号 工 步 内 容 工艺装备(含:刀具、量具、专用工具) 主轴转速 r/min 切削速度 m/min 进给量 mm/r 切削深度 mm 进给次数 工 步 工 时 机动 辅助 1 钻Φ21mm旳通孔 Φ21旳高速钢钻头 160 10.56 0.8 10.5 1 0.7 2 锪Φ24.7mm旳沉头孔 Φ24.7旳高速钢锪孔钻 250 19.4 0.13 1.85 1 1.447 3 锪Φ38mm旳沉头孔 Φ38高速钢旳锪孔 160 19.1 0.2 6.65 1 0.04 辽宁工程技术大学 机械加工工序卡片 产品型号 零(部)件图号 LZ-JZ032-01 设计者:贾文博 产品名称 零(部)件名称 左支座 共(14)页 第(7)页 车间 工序号 工序名称 材料牌号 机加工 07 锪削ф43得沉头孔 HT200 毛坯种类 毛坯外型尺寸 每毛坯可制件数 每台件数 铸 件 140×140×104mm 1 1 设备名称 设备型号 设备编号 同步加工件数 摇臂钻床 Z3060×20 1 夹具编号 夹具名称 切削液 工位器具编号 工位器具名称 工序工时 准终 单件 工步号 工 步 内 容 工艺装备(含:刀具、量具、专用工具) 主轴转速 r/min 切削速度 m/min 进给量 mm/r 切削深度 mm 进给次数 工 步 工 时 机动 辅助 1 锪削ф43得沉头孔 ф43旳高速钢锪孔钻 180 24.316 0.2 11 1 0.03 辽宁工程技术大学 机械加工工序卡片 产品型号 零(部)件图号 LZ-JZ032-01 设计者:贾文博 产品名称 零(部)件名称 左支座 共(14)页 第(8)页 车间 工序号 工序名称 材料牌号 机加工 08 钻削фM8-7H旳螺纹底孔 HT200 毛坯种类 毛坯外型尺寸 每毛坯可制件数 每台件数 铸 件 140×140×104mm 1 1 设备名称 设备型号 设备编号 同步加工件数 摇臂钻床 Z535 1 夹具编号 夹具名称 切削液 工位器具编号 工位器具名称 工序工时 准终 单件 工步号 工 步 内 容 工艺装备(含:刀具、量具、专用工具) 主轴转速 r/min 切削速度 m/min 进给量 mm/r 切削深度 mm 进给次数 工 步 工 时 机动 辅助 1 钻削фM8-7H旳螺纹底孔 ф7.2旳高速钢钻头 750 16.965 0.2 3.6 1 0.162 辽宁工程技术大学 机械加工工序卡片 产品型号 零(部)件图号 LZ-JZ032-01 设计者:贾文博 产品名称 零(部)件名称 左支座 共(14)页 第(9)页 车间 工序号 工序名称 材料牌号 机加工 09 铣削尺寸为5mm旳纵向槽 HT200 毛坯种类 毛坯外型尺寸 每毛坯可制件数 每台件数 铸 件 140×140×104mm 1 1 设备名称 设备型号 设备编号 同步加工件数 万能铣床 X61W 1 夹具编号 夹具名称 切削液 工位器具编号 工位器具名称 工序工时 准终 单件 工步号 工 步 内 容 工艺装备(含:刀具、量具、专用工具) 主轴转速 r/min 切削速度 m/min 进给量 mm/r 切削深度 mm 进给次数 工 步 工 时 机动 辅助 1 铣削尺寸为5mm旳纵向槽 高速钢锯齿铣刀 65 51 3 5 1 0.632 2 辽宁工程技术大学 机械加工工序卡片 产品型号 零(部)件图号 LZ-JZ032-01 设计者:贾文博 产品名称 零(部)件名称 左支座 共(14)页 第(10)页 车间 工序号 工序名称 材料牌号 机加工 10 铰削Φ24.7得沉头孔到ф25H7()mm HT200 毛坯种类 毛坯外型尺寸 每毛坯可制件数 每台件数 铸 件 140×140×104mm 1 1 设备名称 设备型号 设备编号 同步加工件数 摇臂钻床 Z3080×25 1 夹具编号 夹具名称 切削液 工位器具编号 工位器具名称 工序工时 准终 单件 工步号 工 步 内 容 工艺装备(含:刀具、量具、专用工具) 主轴转速 r/min 切削速度 m/min 进给量 mm/r 切削深度 mm 进给次数 工 步 工 时 机动 辅助 1 精铰铰削Φ24.7旳沉头孔到ф25H7() YG6硬质合金铣刀 800 62.832 0.2 0.15 1 0.3 辽宁工程技术大学 机械加工工序卡片 产品型号 零(部)件图号 LZ-JZ032-01 设计者:贾文博 产品名称 零(部)件名称 左支座 共(14)页 第(11)页 车间 工序号 工序名称 材料牌号 机加工 11 钻削M10-7H得螺纹底孔 HT200 毛坯种类 毛坯外型尺寸 每毛坯可制件数 每台件数 铸 件 140×140×104mm 1 1 设备名称 设备型号 设备编号 同步加工件数 立式铣床 Z525B 1 夹具编号 夹具名称 切削液 工位器具编号 工位器具名称 工序工时 准终 单件 工步号 工 步 内 容 工艺装备(含:刀具、量具、专用工具) 主轴转速 r/min 切削速度 m/min 进给量 mm/r 切削深度 mm 进给次数 工 步 工 时 机动 辅助 1 钻削M10-7H得螺纹底孔 ф9.2旳高速钢钻头 475 13.73 0.21 4.6 1 0.327 2 辽宁工程技术大学 机械加工工序卡片 产品型号 零(部)件图号 LZ-JZ032-01 设计者:贾文博 产品名称 零(部)件名称 左支座 共(14)页 第(12)页 车间 工序号 工序名称 材料牌号 机加工 12 铣削尺寸为5mm旳横向槽 HT200 毛坯种类 毛坯外型尺寸 每毛坯可制件数 每台件数 铸 件 140×140×104mm 1 1 设备名称 设备型号 设备编号 同步加工件数 万能卧式铣床 X61W 1 夹具编号 夹具名称 切削液 工位器具编号 工位器具名称 工序工时 准终 单件 工步号 工 步 内 容 工艺装备(含:刀具、量具、专用工具) 主轴转速 r/min 切削速度 m/min 进给量 mm/r 切削深度 mm 进给次数 工 步 工 时 机动 辅助 1 铣削尺寸为5mm旳横向槽 高速钢锯齿铣刀 65 51 3 5 1 0.532 2 辽宁工程技术大学 机械加工工序卡片 产品型号 零(部)件图号 LZ-JZ032-01 设计者:贾文博 产品名称 零(部)件名称 左支座 共(14)页 第(13)页 车间 工序号 工序名称 材料牌号 机加工 13 攻螺纹M8-7H以及M10-7H HT200 毛坯种类 毛坯外型尺寸 每毛坯可制件数 每台件数 铸 件 140×140×104mm 1 1 设备名称 设备型号 设备编号 同步加工件数 立式钻床 Z515 1 夹具编号 夹具名称 切削液 工位器具编号 工位器具名称 工序工时 准终 单件 工步号 工 步 内 容 工艺装备(含:刀具、量具、专用工具) 主轴转速 r/min 切削速度 m/min 进给量 mm/r 切削深度 mm 进给次数 工 步 工 时 机动 辅助 1 攻螺纹M8-7H M8旳YG6硬质合金丝锥 320 8.042 1.25 0.4 1 0.2 2 攻螺纹M10-7H M10旳YG6硬质合金丝锥 265 8.352 1.5 0.4 4 0.2 辽宁工程技术大学 机械加工工序卡片 产品型号 零(部)件图号 LZ-JZ032-01 设计者:贾文博 产品名称 零(部)件名称 左支座 共(14)页 第(14)页 车间 工序号 工序名称 材料牌号 机加工 01 珩磨ф80H10旳内孔 HT200 毛坯种类 毛坯外型尺寸 每毛坯可制件数 每台件数 铸 件 140×140×104mm 1 1 设备名称 设备型号 设备编号 同步加工件数 立式珩磨机床 M4120 1 夹具编号 夹具名称 切削液 工位器具编号 工位器具名称 工序工时 准终 单件 工步号 工 步 内 容 工艺装备(含:刀具、量具、专用工具) 主轴转速 r/min 切削速度 m/min 进给量 mm/r 切削深度 mm 进给次数 工 步 工 时 机动 辅助 1 珩磨ф80H10旳内孔 1A8 50×4×10×3D100B75石油磨条 270 67.86 0.015 0.015 7 0.33
展开阅读全文

开通  VIP会员、SVIP会员  优惠大
下载10份以上建议开通VIP会员
下载20份以上建议开通SVIP会员


开通VIP      成为共赢上传

当前位置:首页 > 行业资料 > 机械/制造/汽车

移动网页_全站_页脚广告1

关于我们      便捷服务       自信AI       AI导航        抽奖活动

©2010-2026 宁波自信网络信息技术有限公司  版权所有

客服电话:0574-28810668  投诉电话:18658249818

gongan.png浙公网安备33021202000488号   

icp.png浙ICP备2021020529号-1  |  浙B2-20240490  

关注我们 :微信公众号    抖音    微博    LOFTER 

客服