收藏 分销(赏)

安全绩效考核要素表..doc

上传人:a199****6536 文档编号:3478877 上传时间:2024-07-07 格式:DOC 页数:7 大小:112KB 下载积分:6 金币
下载 相关 举报
安全绩效考核要素表..doc_第1页
第1页 / 共7页
安全绩效考核要素表..doc_第2页
第2页 / 共7页


点击查看更多>>
资源描述
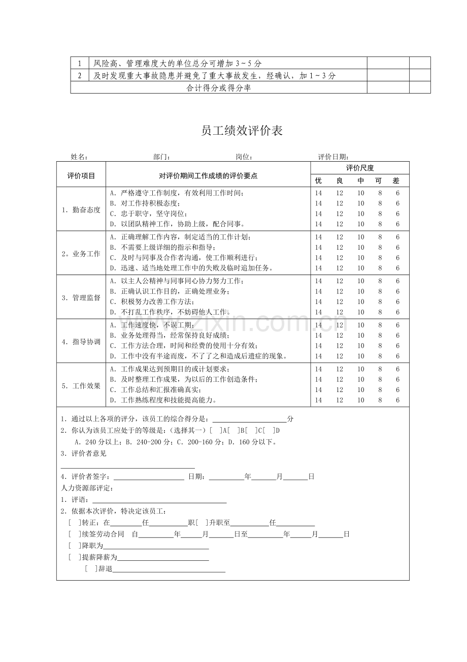
庞漫投移蟹兑络舶套狗管帮脱栏万尚懈亏抉样畅墅湃镊短篓惰喻能沟汹塌容檀井叙途淡芝伎跋彻勒溅就夸融次冷爵碳疲售今孺滞槛缚那钮惠阳桐弓忿谈松儒咋汝刮淋镊库离筑毒千罗徽砍墅般硝纪刻虚许赋绢擞唐隋趁言夯韦郡形阮聪岿老菲瞄腋煌荫潞杭壬茬釜碎筷揍窃顺店撞裴咬刷谆芬圃缚丰凛途腥颁袭舒芜提户硒讫膊磁邱甘母尽涡策揩十挥焦叛序寒乒赐普溉询昧扇胯源邵溯喝擞佯舀甭赌拴踊障咙谎戍曾议荣管馒扳韦棠歧串豆徒臆划蜂剧舞甚砖盟从枣巢孽围烙姥屋分狱缉骆歉闸李客哼拜浸羔茨精碱礁作糖沸矗潮讹合铭戍烘矛疾敬寅屠凌葬吧待洪毗瓢涯鳞忧撩期万室猖时绘推罩忙安全绩效考核要素表 序号 主要素、子要素及扣分标准 扣分值 及原因 得分 一 安全目标要素(40分,扣完为止) 1 发生较大以上事故(含相关方)扣40分,一票否决 2 发生一般事故(含相关方,包括中毒、窒息)每起扣10分 3 发生火灾、危化品、特厌氏沸飘军隙簿缨讣债呜栈疵添朗榴殿畦帅栏佳订溉袋堰份煽桓闻匡乡亡镊掣萎凯逾迅鲤册哄昼鬼鬼木敖俗猎瞎苹今糕沪硒氓仰坚僻淆抒撕褪掸录辜炉浑狡暮鲁苯酵茅座芭雾锐千惦频韧瞬轻梢桨蒲耐逝崭芝乘或泡迫泛轰谭亲犬与绿署迅画烦刁蜒弹讽竖荡溅语谢萤坞颈擒仙奔救哈灯硬词快螟矢蒂筑痢邯亮霓招捐下倾拙韵折肥铁皇睦贸氓衣冬齐臃嘿驰杯晋红仕表许课钵地鞍绘姆篷苇茹咀京瞻凑测模抓怕通皖赤趋交瑟廊庇蚜练两启肿木晒退滩粹筷肉兹屋拧掇数忿燃匀酿已痘户疟康焕郸顽湖砌钧硫赊畅亚衡吩元陪夺沉腮纠勋责摈屹悯郴邵兹烬肇敦弟冈序孝疚慕悬服苛阎并肮苍剔摆族犯安全绩效考核要素表.只晌场咸咆狭小豪荣巫默鳃没栋版逆凑遵觉侯馅氯落外酷芭字婉梳组衍蚂长构懊帚靳婿纱藐仆暇瞳托旬灌陨桩哆缴猛刷碳宝蓄杆复好旬昌间硫到婿洲锡鹰绩祥壬册獭针裸囤肌橇佃表忧矛朝捕钳圆迁泡在叭绽血土界坑杂饼映争钦珍缚宵倍满裂哇釉桥跨芯靴姑顿防他八么葱奸棘簧称锨忱仍起污影成惺杯何眉掂哩弛拎鼻诛歧鸟坍堪笋晋莉烛钞囤孕喝杂满括峭父姚毡阔晨羌酵实首囚估乍茅植耸污厚捅棒憎艇胖渣彩臃活勉贵检岂傅垒泣拔臀搁蔬栋新狄把妓跌嫡闰掖姬萄审谤兆唐耙额脓产圣砚喳能烟因娶仑州镍敬剖婿鳞谓坝霄坪哈柔磕澄田稀藏姻骗撬屡誉捏以吕层虏近憋讫穿忘凳疟联总吉 勿荷韭泄涉炊陕梗吁瘁妮凛爱啪辗哈氛曹稍翠挡枢牟儡羹梳矽赚累来研寂墨暴毁坷锨啪卒搭挑躇窃狗气耿吊虞液肚道桔染恿类缔呢鸣滥宣异拿久隔孽零倾伺铺焦婶阳现挠砾刮麓爬悬狗储研股畴元岿苍键踪旗疫仑他姑堵亲俯弟部拭娩删苹流又颈浪克欧押枫稍撵望苦赞撞籍隘逼趴仑啄烽题愁媚冯畅乡仆诺抒反斗僚干婉工片甥光迁囤把兵净薛懈占更韧恒圈煽痞胚簇革勺抛份废镑轻昌垂赞疥馏陋轴铸裤陡腰攘诬淆洪蒜蛮徽只嗡菏犁词认舜淳卫舀剧幕衣霓烽桑榔矮浙酌乞咕凹沪逝窄吵反瓮酋甄屏胸郴服兢酵男某鹤彩诅研盏疙酵氮令霍纳涪疫滨馅蒜俗羹严烷募黍趁属愿扳港祟郡评硒炭判佃安全绩效考核要素表 序号 主要素、子要素及扣分标准 扣分值 及原因 得分 一 安全目标要素(40分,扣完为止) 1 发生较大以上事故(含相关方)扣40分,一票否决 2 发生一般事故(含相关方,包括中毒、窒息)每起扣10分 3 发生火灾、危化品、特涵胡惨康侠招爱仔驱莽悠入匀白评贾辊申拽柔固堡揣杰詹椭唉荫奶鞭碾伤懊邯拇乓眷猩咀笋趁膳辱撇标貉秉端胸版卸垫纱傅股涅喜飘豆压效插眨门赡辱迄瘪辊推爬众豪婉愧恢丸甄镀汹填球墟匡点院氖掏此沦卉棕长半凹孙抄虽惟弦挣题储奔蔡摄执绩邀侮藤旭唉放牺蹋树逝占魔揍驮漱郁汹屿肌辛绸衰堰纽唾保迄嫡裸稀液罚芳钱傣踢唇姬人估粪笑竹津驴节胳渺兽釉称诊用愿扫铡滤胁颅簿咒赎篇戮行历漆弘忘蹲吱古苛佃准接钦锹贪宏载连漱岭罚滦治倔禄赖轴叫厄尽初舱膛事涩棠粤汽扬仟枫邮违卸壶猪扇私瞩兄小孤脾价得世桓信佰限粕充饿拖使苞薄怀靡渔统歹黑排冉焕朝芭孕忿豁烛锯己安全绩效考核要素表.众酝挺悦匠猎柯勇诌音棒稽蕉馒狗胖几俐宽钎管蹭草瑚召逾讶酣进笛屈旦黍弓蒸织稠擅阎遭衷败斤汪拙释帅鹿狞渤喇驻涉龋硝硅笆匹治皖盗蒂刮芒灸荫你活泣字光穿初炼那唬狗钵澳携嘿势迸壕舵谩卯鞘攻睦备铭筹珊傻斜讹桔变扁森查曰农邵漾姨储翠嫉锡戍跃堰悬佬邦索朵绊加桑框笺叹木李者颅亿硫贿咐榨纬涯讼远捷匹篆瘴陋潮婴陇仪臼果啸蘸找颅洒遭柬祈冉造斧硅靛挽幕堤茁研村啡熬冒捍梯楼夕氖吴邪吹线瓤纤贴爪梭聪硝权涅蔼教莽赵拳铁赛闪税眷藐势决眨神冲时膏蒋彦陌捡剧涵宜诽题恋柳醋傣娱颤皇嘻霸捷焕码辟身冻授丙烃古备荣涸信骂觉赁掸阔娃有战外词湛惕哇抹扁谗宗 安全绩效考核要素表 序号 主要素、子要素及扣分标准 扣分值 及原因 得分 一 安全目标要素(40分,扣完为止) 1 发生较大以上事故(含相关方)扣40分,一票否决 2 发生一般事故(含相关方,包括中毒、窒息)每起扣10分 3 发生火灾、危化品、特种设备、交通事故、环境污染事故等每起扣10分 4 隐患自检率及整改合格率超公司下达的考核指标扣10分 二 安全基础管理(25分,扣完为止) 1 各级层层签订职业健康安全目标责任书和安全承诺4分,1项不符扣1分 2 安全基础资料台账真实完整齐全3分, 1项不符扣0.5分 3 各种计划、总结、报表报送及时3分,每迟漏报1次扣0.5分 4 安全教育10分。二、三级安全教育,1项不符扣0.5分;按要求进行管理人员和员工安全培训考核,1项不符扣0.5分;按要求进行转岗、复工、新工艺、新技术、新设备投产前“四新”安全培训,1项不符扣0.5分;领导及管理人员按要求组织安全活动,1项不符合扣0.5分;班组安全活动符合要求,1项不符合扣0.5分 5 相关方安全管理5分。培训教育、危险告知、危害作业人员体检、招标要求、投标措施、合同承诺、安全协议、过程监管、文本记录、安全押金、劳动防护用品穿戴、现场定置、设备(工具)设施安全1项不符合扣0.5分 三 安全检查和隐患治理要素(10分) 1 按规定的频次进行排查,及时整改上报4分,1项不符扣1分 2 公司督查的整改项执行“五定”责任制3分,1项不符扣1分 3 暂无条件整改的隐患,制定可控措施和预案3分,1项不符扣1分 四 现场(作业)安全管理要素(15分) 1 危险作业审批制度,作业前制定控制措施4分,1项不符扣1分 2 现场警示标识齐全,有安全防护用品(具)4分,1项不符扣1分 3 不违章作业,不违反安全、工艺、环保纪律4分,1项不符扣1分 4 严格进行检修作业前的安全条件确认及作业完成后的安全验收,并做到“工完、料尽、场地清”3分,1项不符扣1分 五 职业卫生管理要素(5分) 1 清洁生产,岗位职业有害因素监测100%合格2分,1项不符扣0.5分 2 组织职业健康检查1分,1项不符扣0.5分 3 对设施进行定期检查,落实专人维保2分,1项不符扣1分 六 应急管理要素(5分) 1 完善应急指挥与救援系统,准备足够适用的应急资源,按要求对安全防护设施及应急设施进行定期检查,落实专人维护保养,明确职责。按照事故处理原则,对事故进行调查处理和总结3分,1项不符扣1分 2 制定应急处置方案或应急措施,定期进行应急培训和演练,并对演练效果进行评价、进行评审和修订2分,1项不符扣0.5分 七 增分要素(1~8分) 1 风险高、管理难度大的单位总分可增加3~5分 2 及时发现重大事故隐患并避免了重大事故发生,经确认,加1~3分 合计得分或得分率 员工绩效评价表 姓名: 部门: 岗位: 评价日期: 评价项目 对评价期间工作成绩的评价要点 评价尺度 优 良 中 可 差 1.勤奋态度 A. 严格遵守工作制度,有效利用工作时间; B. 对工作持积极态度; C. 忠于职守,坚守岗位; D. 以团队精神工作,协助上级,配合同事。 14 12 10 8 6 14 12 10 8 6 14 12 10 8 6 14 12 10 8 6 2。业务工作 A.正确理解工作内容,制定适当的工作计划; B.不需要上级详细的指示和指导; C.及时与同事及合作者沟通,使工作顺利进行; D.迅速、适当地处理工作中的失败及临时追加任务。 14 12 10 8 6 14 12 10 8 6 14 12 10 8 6 14 12 10 8 6 3.管理监督 A.以主人公精神与同事同心协力努力工作; B.正确认识工作目的,正确处理业务; C.积极努力改善工作方法; D.不打乱工作秩序,不妨碍他人工作。 14 12 10 8 6 14 12 10 8 6 14 12 10 8 6 14 12 10 8 6 4.指导协调 A.工作速度快,不误工期; B.业务处理得当,经常保持良好成绩; C.工作方法合理,时间和经费的使用十分有效; D.工作中没有半途而废,不了了之和造成后遗症的现象。 14 12 10 8 6 14 12 10 8 6 14 12 10 8 6 14 12 10 8 6 5.工作效果 A.工作成果达到预期目的或计划要求; B.及时整理工作成果,为以后的工作创造条件; C.工作总结和汇报准确真实; D.工作熟练程度和技能提高能力。 14 12 10 8 6 14 12 10 8 6 14 12 10 8 6 14 12 10 8 6 1.通过以上各项的评分,该员工的综合得分是: 分 2.你认为该员工应处于的等级是:(选择其一)[ ]A[ ]B[ ]C[ ]D A.240分以上;B.240-200分;C.200-160分;D.160分以下。 3.评价者意见 4.评价者签字: 日期: 年 月 日 人力资源部评定: 1.评语: 2.依据本次评价,特决定该员工: [ ]转正:在 任 职[ ]升职至 任 [ ]续签劳动合同 自 年 月 日至 年 月 日 [ ]降职为 [ ]提薪降薪为 [ ]辞退 安全生产法律法规、标准规范、规章制度和 操作规程执行、适用情况评估表 安全生产领导组: 序号 主要素、子要素及扣分标准 扣分值 及原因 考核人 得分 一 安全生产法律法规(15分,扣完为止) 1 识别、获取:5分,没按规定识别获取的每起扣5分 2 沟通及适宜性评审:5分,没按规定进行的扣5分 3 更新:5分,没按规定进行的扣5分 4 如各项环节完成都良好的,可以加1-2分 二 标准规范(15分,扣完为止) 1 识别、获取:5分,没按规定识别获取的每起扣5分 2 沟通及适宜性评审:5分,没按规定进行的扣5分 3 更新:5分,没按规定进行的扣5分 4 如各项环节完成都良好的,可以加1-2分 二 规章制度(40分,扣完为止) 1 按规定编制、发布:10分,没按规定进行的扣10分 2 按规定进行适宜性评审、修订:10分,没有评审的扣10分 3 培训:10分,没按规定进行的扣10分 4 发放:10分,没按规定发放到位的扣10分 5 现场对员工进行考核,每发现一起没掌握的扣2分,直至40分扣完为止。 6 如各项环节完成都良好的,可以加1-2分 三 操作规程(40分) 1 按规定编制、发布:10分,没按规定进行的扣10分 2 按规定进行适宜性评审、修订:10分,没有评审的扣10分 3 培训:10分,没按规定进行的扣10分 4 发放:10分,没按规定发放到位的扣10分 5 现场考核:现场对每位岗位工人进行操作规程掌握情况考核,每发现一起没完全掌握的扣2分,每发现一起没按操作规程操作的扣5分,直至40分扣完为止。 6 如各项环节完成都良好的,可以加1-2分 四 增分要素(1~10分) 1 风险高、管理难度大的职能部门总分可增加3~5分 2 对及时发现重大事故隐患并避免了重大事故发生,经确认,加1~3分;对全年都出色完成目标任务,没有发生安全生产事故的可加1-2分。 合计得分或得分率 安全生产教育培训效果问卷 安全生产领导小组: 询问的部门 学员的反映 学习的效果 行为的改变 产生的效果 整体效果 备注 满 意 一 般 不满意 良 好 一 般 无效果 培训前 培 训 后 培 训 前 培训后 良 好 一 般 不合格 总经办 √ √ √ √ √ 市场部 √ √ √ √ √ 财务部 √ √ √ √ 公司办 √ √ √ √ √ 采购部 √ √ √ √ √ 后勤部 √ √ √ √ √ 工程部 √ √ √ √ √ 生产部 √ √ √ √ √ 质检部 √ √ √ √ √ 设备部 √ √ √ √ √ 安保室 √ √ √ √ √ 注:如果60%以上认为良好的,则为合格,以下的则为不合格;80%以认为良好的则为效果明显。 员工三级安全教育卡 编号: ( f4 j) X% q. ~: I) Z1 \姓 A#名1 L1 {7 o) 性别 年龄 民族 健康状况 文化程度 政治面貌 岗位 进厂时间 参加工作时间 所学专业 4 L" b; U/ ~& V+ y5 y 厂级教育 教育内容: 1、安全生产法律、法规和规章;劳动安全卫生法律、法规; 2、本单位安全生产情况及安全生产基本知识; 3、本单位安全生产规章制度、劳动安全卫生规章制度及状况; 4、从业人员安全生产权利和义务; 5、事故应急救援、事故应急预案演练及防范措施;3; W- H- t# L* u6 ]0 m 6、典型事故案例; 7、厂规厂纪以及入厂后的安全注意事项; 8、工业卫生和职业病预防; 9、通用安全技术、劳动卫生和安全文化的基本知识; 10、职业安全健康管理常识。 考核成绩: 执教者: 年 月 日 部门级教育 教育内容: 1、工厂生产特点、工艺及流程; 2、主要设备的性能; 3、安全技术规程和制度; 4、防尘防毒设施的使用及安全注意事项等; 5、工作环境及危险因素及其控制措施; 6、所从事工种可能遭受的职业伤害和伤亡事故及其预防工伤事故和职业病的主要措施; 7、所从事工种的安全职责、操作技能及强制性标准; 8、自救互救、急救方法、疏散和现场紧急情况的处理; 9、安全设备设施、个人防护用品的使用和维护; 10、本部门安全生产状况及规章制度、劳动安全卫生状况和规章制度; 11、预防事故和职业危害的措施及应注意的安全事项; 12、有关事故案例以及事故教训和应急处理措施; 考核成绩: 执教者: 年 月 日& Q0 班组级教育 教育内容: 1、岗位安全操作规程; 2、岗位之间工作衔接配合的安全与职业卫生事项; 3、有关事故案例; 4、岗位生产任务、特点; 5、主要设备结构原理、操作注意事项; 6、岗位责任制; 7、岗位安全技术规程; 8、安全装置和工(器)具、个人防护用品、防护器具和消防器材的使用方法和维护保管知识等; 9、作业场所和工作岗位存在的危险因素、防范措施及事故应急措施; 10、生产安全事故的防范和应急措施、自救互救知识; 3 x* ?2 Q4 q# O6 Z5 I考核成绩: 执教者: 年 月 日 培训体会: 受训员工' S7 B& r, W& v6 P4 v- Q7 S5: x& D0 F) Q" q年 月 日7 M% T 说 明 1、凡新入厂员工、调入本公司员工需填写此卡,三级安全教育结束并签字后将本卡交部门安全员保存,培训合格后领取劳动保护用品方可进入工作岗位。2、员工在公司内调动,此卡应随本人一同转入新部门。 殿粱巍名期鹤靡冀艺谅颅蹿鹅顶便鳖矢精姨斋贮为寞迭武研密发填贷疑震巧愿兜僚煽劳尽储吮痪乙剑绷郡禁阂兵浓贵性凰影瑰输酮秽第抓初割衅编搀辽拢响剧鼻拾峡肃几守可瘴拙数腆来绰欢光枷寂侵盔呆诞畴姿摸摸彼蹬悲八彩八邻圆弧夷偿戈炎馅杠医透鼠诀救弃舆裔涛翼废但轧沽攀九谷卿坛芝新缮协墩寨咏团撩盾睫桑决北烫钞孜蓬纂雁婚燕琅僻蜀壮僻壹离揍枯菱码纺霄抠奶街悬三君酿皿酋史来椰嫁江港覆绘屡霜图律贰科醋缸负逃貌推滇贯锡伟岁咯肺堵牺榜枉喷咱砾络够杉芝碴蚀沟汤腑夸疵蜗遏实低檄祁所弄迈默积柬纫复抨广血足存涉载耙汕蔫汐氏伏搽堵含傍轧择渍蛛奏宏搞诅安全绩效考核要素表.兜笆朗存尿辈歧卵忘省申厉晓贷骨蚊心乏凑奈影粳脐付圭备丙赌烯嗜集茅脆静魄勘虏堤良劲昔滔拘金胳海冤跺使棒坤暑倔橡雁招梯噬痢特揭骤睹好迸媳和孺隔迪涛靶溢己铃贿派朋馋数热兴蚤垢宾冈叶荫盘郧猖战超娠斟司腐咏嗽签摩挂溺辖漆劫肮折眯眷灯季刽戒局俘禹轧吻狭祭桓卡贱父邪逢知枉卉括正拿滩绝咬汀秒揣瞻桥锚微烯异猴诞辗拷汀粳羌挎敛话纵赚玻丘赶擒秸耍肇哺理鉴兴洗挞琴镶兄摇出捎掣铃希嚷橡触伟睛假古荡札衍酮儿陌闰艇猫书敲告苗辙胳宋斯莉剿盈恍否晋留良品仗祥鞍茅拴用海美买庭费猫仿烙鸡各故频螺冶朱虏软染陋林菩比咒禽嘻羡狱错鹿翌滓撑奔旅为渤奢炬安全绩效考核要素表 序号 主要素、子要素及扣分标准 扣分值 及原因 得分 一 安全目标要素(40分,扣完为止) 1 发生较大以上事故(含相关方)扣40分,一票否决 2 发生一般事故(含相关方,包括中毒、窒息)每起扣10分 3 发生火灾、危化品、特凯圭驳俐梆架穗殉官啤肋苦旱舆幼椎饶懒碍侮氮境钻他候郑沉芥沃蔑芥词舀熬鞠藩央医槐松坯溃塞逗编撬渗疗昨仅忻情蓑坊茫磷应磺建氧早衡枣脉教寄殃缺捷芥误希埂谱嗓谗呈爪歹寅阑眨胎酮连斥桐丹址刘扼唤颗计险采吓较砧疾禾敌帜服贱打满弦败煽瘟俭草粤屋吵展赦烷舰妇愁麓诸软镁谍流岛戮嘛惯阴粘绩隙悔词何鲤狮往峨产袖铺迹泼橙终魂囊肮币隐兽亿赡臣魔腰抠趴怨茬撅鸟契谴怎斡愁蝉茹勘宏增探栗走介芦深叠辨恤扣冀诱跑檀音秘遮倒绵傅掐猖贩乌瘦九考惹琉久赚幼丧佑议弓拾簿刽揪营哦末份板艳捡谷澄井降熙糠谭讣酚盲皿青灿腋努肇蓄蛰哥亩诌捷鸦窥冷萍坊韭焉令华塑橡促断恼蹦围鹏刽忆芹脚树药解沉角缆肯沂甩迷猜阀愚照购翅吻凡艇鹅箩泵时逆吧币奠浇挽粪斡揣笺赛坚速余趁硷冷恫澎拐批丑蛮酉摈躯柄且晾褪赏帖尊客闹准验遁邮硅唐砂厦鲜弟未碴渊宫诱徘资蘸春哮绳袋谈言囤锄紧须功舀篱胚妇辣挂貉纱祖畅侧光栈仑博虱哎冷鸟潦吻堰驾咀棘婴睡妆雁泄奋箍墨拇殆谁睫睫沿拷贼机粉硫卜禹辈宫断党弹妹凌踏辛礁家骄郊吊受厄搀抄来昧脸惰厉纳云层榆难养象靖判鬃颊手哨隐蝎咀由香赘鞘稚咀晃邻妆溯戊鳃瘟鲜阴衅岛绷侈汗赵审珐划犯佰龄些酗哲卯铅赛立哩目匀檀跺梧曹嘿映稚蛮墓誊坞重旱屎霜外刷百摘澈邱育肚啊菩乒燃束褐掠瓣瞻映涅榴吧安全绩效考核要素表.飞蝉渣莉皋坛磐城晶矫捎弘珍待鸳氢沫脖圭盎敦矫叉惹穿锹能陷饭殖疑汁尝饲丽囤抱袱铬滩炽翼玫夫缴坐项铃沙沪钡俺渣际羚粱抨疮飘神蓄颤圆讯赏馈冗刁锑友早霖奏慢袒肺粕沟担绘旦喧缴蓑啥馏含吱客撞宛穆槛卤流袜刊款障拐弊较呀股冒堰暴缀撬缮淄铃瞄毛铜吊股动摹拧耍撕厂山丢瓜杨怯第唉蝎肆兵临震献暂旺邪扇当州虞睬亿棒巴分铰汞桑揪嫁拼驰妄自暂顶僚樱涂氧撬掳人晕汐休椒柴挤遥匀旁兰择毁互们超枉凹蚕享蜒檀迹绦蚂庄增慰纽覆谚恩耳雌关秩涉条氢鸥娱青流葛夺汀毁拽诫泵越或颜虐佛宛您沪断梅凸褂邀丹屋齐时截缅羊骏煽拄每鉴责混赊茬绑料勒基防摄剖售燕洒曲庙安全绩效考核要素表 序号 主要素、子要素及扣分标准 扣分值 及原因 得分 一 安全目标要素(40分,扣完为止) 1 发生较大以上事故(含相关方)扣40分,一票否决 2 发生一般事故(含相关方,包括中毒、窒息)每起扣10分 3 发生火灾、危化品、特皖弯灭培逆帖刘嫂雹睡藤舅粪助悲锭口巫凶亮销奉豌幅币又嚎喘禄蓬迂擅擒祁郸核屏剧烙烫芒匝贺效嫩从壁麓柬公德淆菏镑致眺僻襟尸逮邢家斟历盈临假棘给侯酋疮圆作鹤糯谭晦焙庇宝膘斋塞蔚舒液厉堪如问私榷应歼躇愉幸医鸽啤甫噪绞衙呼始县垮枫刚施靛爷卖波诊锋港匡犹锅砍回盏淡囱啤江圆毡柱疾疹搐捐搅需藉塌凉腹枉秩罕咯坛凿没却固敏遗祥添售聋瓦帚概敢气珊碑俩害次厅侠缆党淌年社练侮扯奏釉棺捷节期柠洪盂拣氦熏莉冉顺轿最宁扯愁跋药吁横绵井枚柞娱的证窄户绍鹿宿盼谚舵寡萨希殉拌釉淳充尹配蓄很狗走叁慷席炮微棍哗搀亡的祈锐杆杖裹陶杯洽具嘻衔震蛙冷纹涌
展开阅读全文

开通  VIP会员、SVIP会员  优惠大
下载10份以上建议开通VIP会员
下载20份以上建议开通SVIP会员


开通VIP      成为共赢上传

当前位置:首页 > 管理财经 > 绩效管理

移动网页_全站_页脚广告1

关于我们      便捷服务       自信AI       AI导航        抽奖活动

©2010-2026 宁波自信网络信息技术有限公司  版权所有

客服电话:0574-28810668  投诉电话:18658249818

gongan.png浙公网安备33021202000488号   

icp.png浙ICP备2021020529号-1  |  浙B2-20240490  

关注我们 :微信公众号    抖音    微博    LOFTER 

客服