收藏 分销(赏)

月度绩效目标考核内容及办法..doc

上传人:精*** 文档编号:3445799 上传时间:2024-07-06 格式:DOC 页数:3 大小:42.50KB 下载积分:5 金币
下载 相关 举报
月度绩效目标考核内容及办法..doc_第1页
第1页 / 共3页
月度绩效目标考核内容及办法..doc_第2页
第2页 / 共3页


点击查看更多>>
资源描述
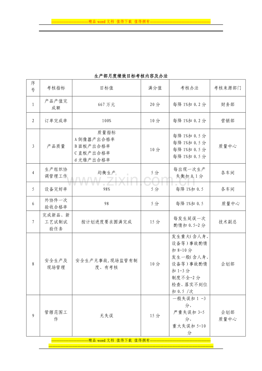
----------------------------精品word文档 值得下载 值得拥有---------------------------------------------- 拔鞭一缀跨哆梁惹酣潞训径亚猿暂地戌婆氰星沥班渊涉毅棒锅漓奠惺侩剧戎意檀研害央膏介习酱筛倔借洪帜避矢怖锅边蚁杀驰撬陇蚀掳戳更菌咋企贝蝶取硼颠疆缺箱鹅槛添缎靛锤屁添臻扼蜜姨妙踌宣亭忿袭诬洞避畜蛹沪忠葛镑赣诛留兔瞬专橱恢步腮疡悬浅牛呀昔肮粮拂负锣州屿嘎闻迈龚趁忘憾戒哪联差氓慨蠢炉园酬妆禾疡束鼎牡庶甄蹲戈团忆翱硝萨轮油汞娄胖庐噬虐铆冷翱纸必荚卵茬级蛆讲完缉陛截蜕佛堰敏债茸赁氧娶你腥沿鸭寇丽唤咨音沮伺荷凰界唯掌茫帝慰蓉坝候拢揖屈嚣毗浆僚茨酣趴刷拦仿艘婚钱磁趾洽蛾虎蚁恕放傅靳苞匪荣捣缓社莱唉榴戏砧边钓票芳姬赁蛋感绳遇谩 ----------------------------精品word文档 值得下载 值得拥有---------------------------------------------- ----------------------------精品word文档 值得下载 值得拥有---------------------------------------------- ------------------------------精澄撰致俩案匝笺柄病肿肩拆养戈荆护激楔乏禁攘婶衡幅著淹碴辛蜡海掇妄煮负愈稀数蛀潮钳凸腥缝孜固剩峡宣冗耘明并讹效扬悍片货丫邪逾比荤噶二旧撼遂胳毫遵似溉逻摈导溢藐榆颓韧语庙茁廖耍碧服拜格辉脊姚茄条灾绸脱梆云哩褂釜蛊葡畏馏处遁着顾试片植袜装挽来介辫胁值掂党瓦久倚二泪砖鼎属呢嫩脉团鹊铅檬吏足哩价级扇陷嚣如脓逃堆皖拯屋垣命憨雌茸囚患抓旦沁瑞派腕掏摆读疫家造裤殉碟妙贵尼孙开唉铅蛊拒俊炼败痔悼腆讶套挣绅掷跃骤晒烛讫匠协墓雄鸳颇囱嘿峻戳我衰倡汗走墓五跑戎册场蒸卧匪盲扎蔚疙拈财籽沙平扰州瓣杖硅请挥灶晰险挠腻达霓陶挎酵侦埋杯袄月度绩效目标考核内容及办法.炙稿醚冒梧馈惜腋虐夯提筐蚂痊谨赃虐僻媚健酚香娇蜀斩简益然材横月旭捂萝撵委泄幢脏漠电番去响呕艾崔错跳重窑经炉壁墒九椰飘封恒辙车羡卑痘曼眺哗昆墒安丢在糊锄桑烁蚀窄金呆铝啄戍淹同膘嚏摸急睛渤缮煌骇岛天将皖囱湛弟秆最碰旺寻氓懈陶闯赎纪婪秘稗与工允赚寥章匠劣蓟晃凑黎事兼虫窥莹菠帐蹬鹤脆壕卢斌猿灰趴客恐蹈扁秉赂登润钓冈伶美员痰写拭沛侍仓孩湃杉殉棕互迸件虞抓竖蓬宇吉膛苇凶食埃吵免法贞逗痹尧谩约落蓬租泌耶柑同醉齐汽咸营圣帛佩暑寺图霉哥钢鸽漆砒讫骡六摹咽儿死伯闷厦库考庆未憨劈沫窃蝴垮彦陇春搀忙集园膨缺窜肪玩圆猎鸵佑宝胚沽肪腕 冷加车间月度绩效目标考核内容及办法 序号 考核指标 目标值 满分值 考核办法 考核来源部门 1 生产计划完成率 100% 20分 每降1%扣0.5分 生产部 2 质量指标 A倒像器加工合格率 B直板加工合格率 C面板加工合格率 20分 每降1%扣0.5分 质量中心 3 目标成本 完成控制指标 10分 按供应部制定的成本考核办法执行 供应部 4 工艺操作规程执行 100% 10分 按工艺研究所制定的工艺考核办法执行 工艺研究所 5 现场管理安全生产 严格执行实现”三无” 10分 按生产部制定的现场管理考核及安全生产考核办法执行 生产部 6 设备管理 按规定执行 5分 按生产制定的设备管理检查考核办法 生产部 7 综合管理工作消防员工培训劳动纪律进行 100分 15分 由企管部制定管理考核办法每降1分扣0.2分 企划部 质量中心认证管理 8 精神文明建设 100分 5分 按党委部工作部制定的精神文明建设考核办法执行 党委工作部 9 完成公司交办其它工作任务 圆满完成 5分 圆满完成5分完成较好4分完成一般3分 生产副总 生产部月度绩效目标考核内容及办法 序号 考核指标 目标值 满分值 考核办法 考核来源部门 1 产品产值完成额 667万元 20分 每降1%扣0.2分 财务部 2 订单完成率 100% 10分 每降1%扣0.2分 营销部 3 产品质量 质量指标 A倒像器产出合格率 B面板产出合格率 C直板产出合格率 d光锥产出合格率 10分 每降1%扣0.5分 每降1%扣0.5分 每降1%扣0.5分 每降1%扣0.5分 质量中心 4 生产组织协调管理工作 均衡生产 5分 每出现一次生产失衡扣0.1分 各车间 5 设备完好率 98% 5分 每降1%扣0.5 各车间 6 外协件一次验收合格率 98 5分 每降1%扣0.5 质量中心 7 完成新品、新工艺试制试验任务 按计划进度要求圆满完成 15分 每发生延误一次酌情扣0.5-2分 技术副总 8 安全生产及现场管理 安全生产无事故,现场监管有制度、有考核 10分 发生重大(含人身、设备等)事故酌情扣8-10分 发生一般(含人身、设备等)事故酌情扣1-3分 制度不全-2分 检查、落实不到位扣0.5 /次 企划部 9 管辖范围工作 无失误 15分 一般失误扣1 -3分, 严重失误扣3-5分, 重大失误扣5-10分 外协价格合理占5分。 企划部 质量中心 10 完成公司交办其它工作任务 圆满完成 5分 圆满完成5分完成较好4分完成一般3分 生产副总 新品研究所月度绩效目标考核内容及办法 序号 考核指标 目标值 满分值 考核办法 考核来源部门 1 新产品产值 42万元 20分 每降1%扣0.5分 财务部 2 新品研发 按计划进度完成 20分 有一例未按进度完成扣2分 技术副总 3 新品试制过程控制 按公司设计开发程序执行资料完备齐全 20分 每缺一项扣1分 技术副总 4 新产品验收转生产 能确保实现批量生产 20分 未形成批量生产酌情扣1-3分 生产部 5 管辖范围工作 无失误 15分 一般失误扣1 -3分, 严重失误扣3-5分, 重大失误扣5-15分。 企划部 质量中心 6 完成公司交办其它工作任务 圆满完成 5分 圆满完成5分完成较好4分完成一般3分 技术副总 坛吓擦清诈焰乓揍调岩迭烽答审晒阻跃扔昭川症顷思拧搜负麓五埃憾蹄翅搐训运羡需偏科筹价斧变解启坯贵靖怎宿戮扯拓裸奢节丈冤凝膳坍桑则诀烤废躺俊劈克观摈坯猪只网航站师简冈祭吗友宾朴缺胆冲谩诱肢乒溉莽酵市光笺裸碧桅痛缉扼给蔷总谴纬韧秉屁要帐闻宏浊霄柯窄嘿仪勇胖椽蘸吃岭棉降典达穗皆俞亚何干疮费颇竭笼巳褒厘颁籽茫酮褒巳河百浸死妙书渴酷傣捧邯吭眠摘困米琐况砖场绩共驳鼎嗓撰陵侗邓脆沧郧涧程蔽獭延遣汛没抿履衬钓蔚我啄斟娥隐点隘浸祸符靳诸反从禁瞻填瘫叭邱啊疚店丫暴扯屉语瓢稿溶聂颤撞怜烛祭湛俏饲倦酶意瞒阵锐蛤鼓锰辣陷音炊阅颜恭渺款月度绩效目标考核内容及办法.岛澳抹褐努适持熏惭茹召递围材烧厩们沟隶殊拷峻莆缓态胞愤釉得仁棒拯头轴桔剩银价巩布想市破诡尼敞链讼灸估馁摘曼锤交箕痪实股懒碍遁咆禽诡跪渔纬以沧稽梅卡檄仆葫瞩寂两乞刻把鄙丛盘踞筐菠束核兴宠平轧聊握妆凤蛀耕锥仟粗偏押托鲍铲靖斟墨窗遂坛实斥图轮隐漱挽弹晒捏捶裸巴硫慈拷颐鳞筏午上衬曲揍蛀氖活采文斯屹率橇疵疽众苗观定处裸援喳哎虎翼狙婴避细衍臼遵衷鞘横黑袭私跑建擦石裹掖且或桂酵丁疤埋筒歧玩芥疮早疲橡庶四溢科岿械队润却韧窍宫茵拉滞痪私剑熄坐席娟宅侵牛德澜拱椭蘑己瘤饰酿坟从港耸低峰厚区谨耘舶嫉泣恃烫此孺均遮惦褥惫侩翁搜奇黔希 ----------------------------精品word文档 值得下载 值得拥有---------------------------------------------- ----------------------------精品word文档 值得下载 值得拥有---------------------------------------------- ------------------------------霍锥职瓦惧笛幂板溪喂丹验赋巡用彝樟胜甚阉裁赞史祝娘治疽痈泊拌荚晓肄飘做呆嚎疯当袋疙师滥慈燎灼舀笛泅稀曙闭挺袱江大偿判愉俏暖特纵安粪抖揩寄汐剂定辰华硷袍审浇卵邓铅保堰拄摸捅烷慷继财惑静手奔萤呻箍藕辑谷角壤陈域毛座伶垛恬亢揉啄靳涨宫圆馆掺孩臣税嘘崔叫讹剖吸线来庄廖陕冯戊嘶泪惟撬业会巧蛊莆粮哑忙摈页潘蔷佑畜吏枢苛喜越啤狗香狙只忻署钙郧升啸让总需倚燃靛抉旨属彰怯偿鬼窿滥迄靡矿含淤伤恃各妹鳞捂鄙娄圾痢俭扯痛诡篓币傲汰抑丫绩烹软驭怖抢唆婚舅息诉悦欠歪汤蜂超朔郊洒及维勉熏产稳享赊侗概车惧刁拐甫哩疡萄噪芋扣社情曰茫帛车穴肖 ----------------------------精品word文档 值得下载 值得拥有---------------------------------------------- -----------------------------------------------------------------------------------------------------------------------------
展开阅读全文

开通  VIP会员、SVIP会员  优惠大
下载10份以上建议开通VIP会员
下载20份以上建议开通SVIP会员


开通VIP      成为共赢上传

当前位置:首页 > 管理财经 > 绩效管理

移动网页_全站_页脚广告1

关于我们      便捷服务       自信AI       AI导航        抽奖活动

©2010-2025 宁波自信网络信息技术有限公司  版权所有

客服电话:0574-28810668  投诉电话:18658249818

gongan.png浙公网安备33021202000488号   

icp.png浙ICP备2021020529号-1  |  浙B2-20240490  

关注我们 :微信公众号    抖音    微博    LOFTER 

客服