收藏 分销(赏)

监理安全检查记录表.doc

上传人:精**** 文档编号:3308856 上传时间:2024-07-01 格式:DOC 页数:10 大小:138.04KB 下载积分:8 金币
下载 相关 举报
监理安全检查记录表.doc_第1页
第1页 / 共10页
监理安全检查记录表.doc_第2页
第2页 / 共10页


点击查看更多>>
资源描述
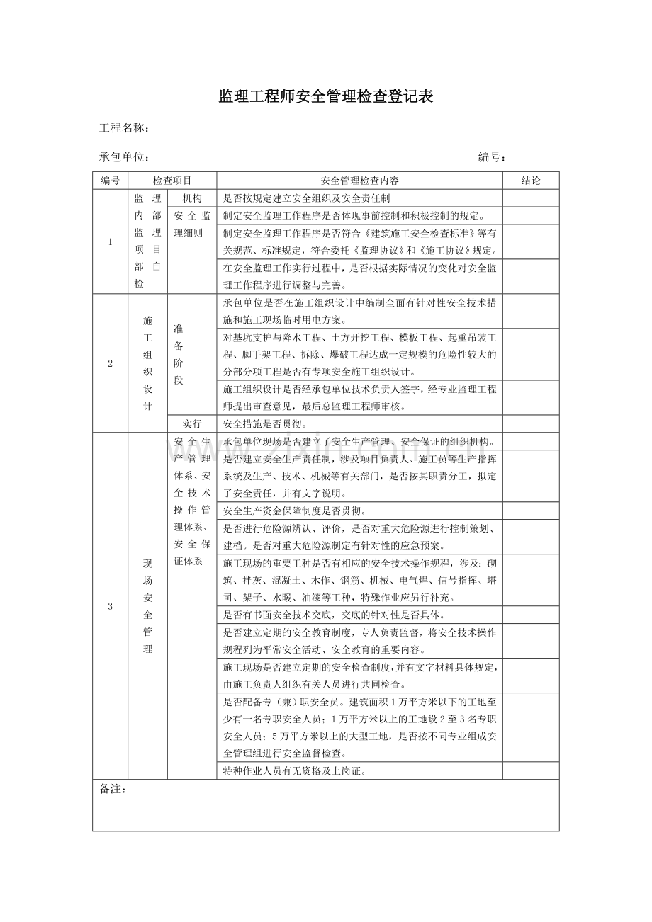
联合安全大检查登记表 工程名称: 检查日期: 编号: 联 合 检 查 单 位 及 人 员 单位名称 参与人员 检查情况及存在隐患: 整改施工单位: 整改限定期间: 年 月 日 施工单位整改反馈: 安全负责人: 日 期: 监理复检: 监理工程师: 日 期: 监理工程师安全管理检查登记表 工程名称: 承包单位: 编号: 编号 检查项目 安全管理检查内容 结论 1 监理内部监理项目部自检 机构 是否按规定建立安全组织及安全责任制 安全监理细则 制定安全监理工作程序是否体现事前控制和积极控制的规定。 制定安全监理工作程序是否符合《建筑施工安全检查标准》等有关规范、标准规定,符合委托《监理协议》和《施工协议》规定。 在安全监理工作实行过程中,是否根据实际情况的变化对安全监理工作程序进行调整与完善。 2 施 工 组 织 设 计 准 备 阶 段 承包单位是否在施工组织设计中编制全面有针对性安全技术措施和施工现场临时用电方案。 对基坑支护与降水工程、土方开挖工程、模板工程、起重吊装工程、脚手架工程、拆除、爆破工程达成一定规模的危险性较大的分部分项工程是否有专项安全施工组织设计。 施工组织设计是否经承包单位技术负责人签字,经专业监理工程师提出审查意见,最后总监理工程师审核。 实行 安全措施是否贯彻。 3 现 场 安 全 管 理 安全生产管理体系、安全技术操作管理体系、安全保证体系 承包单位现场是否建立了安全生产管理、安全保证的组织机构。 是否建立安全生产责任制,涉及项目负责人、施工员等生产指挥系统及生产、技术、机械等有关部门,是否按其职责分工,拟定了安全责任,并有文字说明。 安全生产资金保障制度是否贯彻。 是否进行危险源辨认、评价,是否对重大危险源进行控制策划、建档。是否对重大危险源制定有针对性的应急预案。 施工现场的重要工种是否有相应的安全技术操作规程,涉及:砌筑、拌灰、混凝土、木作、钢筋、机械、电气焊、信号指挥、塔司、架子、水暖、油漆等工种,特殊作业应另行补充。 是否有书面安全技术交底,交底的针对性是否具体。 是否建立定期的安全教育制度,专人负责监督,将安全技术操作规程列为平常安全活动、安全教育的重要内容。 施工现场是否建立定期的安全检查制度,并有文字材料具体规定,由施工负责人组织有关人员进行共同检查。 是否配备专(兼)职安全员。建筑面积1万平方米以下的工地至少有一名专职安全人员;1万平方米以上的工地设2至3名专职安全人员;5万平方米以上的大型工地,是否按不同专业组成安全管理组进行安全监督检查。 特种作业人员有无资格及上岗证。 备注: 专业监理工程师: 日 期: 安全监理日检查登记表 工程名称: 检查日期: 编号: 检查项目 安全监理情况 深基坑 高空作业 脚手架搭设、拆卸 模板支立、拆除 现 场 巡 查 巡查项目 巡查情况 备注 人 班前安全交底 安全防护措施 执证上岗 现场作业情况 临边防护 电梯井口防护 预留孔洞防护 通道口防护 其他临边防护 施工用电 接零、接地保护 配电箱、开关箱 现场照明 配电线路 施工机械 挂牌使用 专人持证操作 漏保、接零 开关固定位置 防护罩、挡板 塔吊 专人持证操作 岗前检查记录 吊钩保险装置 专人指挥情况 人货梯 专人持证操作 岗前检查记录 电气安全 其他 材料堆放 现场防火 现场标牌 临时通道、道路 安全检查结论: 监理: 日 期: 年 月 日 监理工程师基坑专项安全检查登记表 工程名称: 承包单位: 编号: 编号 基坑检查项目内容 结论 1 基坑深度超过5米,是否有专项支护设计。 2 支护设计及方案是否有上级审批。 3 深度超过2M的基坑施工是否有防护措施,是否符合规定。 4 基坑的边坡的稳定支护措施和计算书是否齐全完整。 5 基坑排水措施是否齐全完整,深基坑施工采用坑外降水, 是否有防止临近建筑危险沉降措施。 6 坑边荷载积土,料具堆放,机械设备施工距槽边距离是否 符合规定。 7 相临建筑物的保护措施是否齐全完整。 8 是否按规定进行基坑支护变形监测。 9 是否按规定对毗临建筑物和重要管线进行沉降观测。 10 基坑内人员是否有安全立足点。 11 基坑光线局限性时是否有足够照明光线。 12 13 14 15 备注: 专业监理工程师: 日 期: 年 月 日 监理工程师脚手架专项安全检查登记表 工程名称: 承包单位: 编号: 编号 脚手架检查项目内容 结论 1 脚手架施工方案必须有经审的方案及技术交底。 2 立杆基础坚实平整、有排水措施,木脚手架杆埋地或设扫地杆。 3 架体与建筑物拉结拉结点间距、水平垂直距离符合规定,拉结材料符合规定。 4 防护栏杆及围网自第二步起设栏杆扶手,按规定设立围栏封闭,密目安全网符合规定。 5 立杆垂直、间距符合规定、大小横杆纵横平稳。 6 进入作业面的通道铺设牢固、平整、无明显高低。 7 钢管脚手架为 ¢48×3.5或 ¢51×3.0,严禁混用。 8 拉结、设立的间距、方式符合规定。 9 操作平台铺设材料符合规定、不留空隙。 10 11 12 13 14 备注: 专业监理工程师: 日 期: 监理工程师临时用电及施工机具专项安全检查登记表 工程名称: 承包单位: 编号: 编号 临时用电及施工机具安全检查项目内容 结论 1 在检查供电设备中配电箱时,是否“一机一闸一漏一箱”,检查重点在漏电保护器开关保持开关是否灵敏可靠。 2 施工现场合有用电设备,是否在设备负荷的首端处设立漏电保护装置。开关箱中必须装设漏电保护箱,开关箱的漏电保护器其额定漏电动作电流不大于30mA,额定漏电动作时间应小于0.1S。若在潮湿和有腐蚀介质场合的漏电保护器应采用防溅型产器。电流应不大于15mA 3 在用设备中,是否所有带有金属外壳的用电设备使用专用零线(PE线)进行接零保护。 4 动力设备是否采用4蕊电缆,带金属外壳的照明灯具是否采用3蕊电缆。 5 移动式电气设备和手持式电动工具是否与配电箱PE端子连接。 6 施工机具防护罩、外壳完整,电缆线完好。 7 钢筋机械、木工机械、砼搅拌机、灰浆机的传动及制动部分符合规定;限位器齐全,是否灵敏有效。 8 潜水泵电源绝缘良好,电机负荷线应采用YHS防水橡套电缆,长度不超过3M不得承受外力,应有随机配电箱,漏电保护器漏电电流不大于15MA。 9 砼震捣器电源线是否用耐气候型的橡皮护套铜芯软电缆,长度不超过30M,是否配置随机配电箱。 10 露天使用配电箱是否有防雨措施。 11 保护零线必须做反复接地,工作零线严禁做反复接地。保护零线的是否是统一标志为绿/黄双色线,在任何情况下不准使用绿/黄双色线作负荷载。 12 设备比较集中地方钢筋作业区等是否有一组反复接地;在高大设备处如塔吊、外用电梯、物料提高机等是否有反复接地。 13 工作零线与保护零线必须严禁分开。保护零线严禁穿过漏电保护器,工作零线必须穿过漏电保护器。 14 照明系统中的是否每单相回路应有独立的隔离开关、熔断器及漏电保护器。 15 室内线路及灯具安装高度低于2.4M应使用安全电压为36V,潮湿和易触带电体场合电源电压不得大于24V。 16 备注: 专业监理工程师: 日 期: 监理工程师“三宝、四口”专项安全检查纪录表 工程名称: 承包单位: 编号: 编号 检查项目 三宝、四口安全检查内容 结论 1 安全帽 施工现场人员是否按规定佩戴安全帽。 2 安全带 安全带系挂符是否合规定。 3 安全网 在建工程外侧是否用密目安全网封闭。 安全网是否取得建筑安全监督管理部门准用证。 平网材质是否符合国家标准规定,严禁用围护网当平网或旧网不经检查重新使用。 是否距地面3M处(首层顶)设一道安全平网,施工层设平网防护,随施工层上升,施工层下是否每隔10M上额一道平网。 搭设平网时,是否按规定网外每侧每跟筋绳要牢固地绑扎在外脚手架横向水平杆上,网内侧筋的固定,当主体砌筑采用无架眼施工时,应根据平网筋绳的间距设立预埋钢筋环。 平网内是否有杂物。 因施工需要拆除的平网是否及时修复。 抽查平网内外绑扎点是否符合规定。 4 楼梯口、电梯井口防护 施工用电梯井是否各层门口必须安装不低于1.2M定型活动门,做到牢固可靠,非施工期间要关门加锁,非施工用电梯井除井口封闭防护外,并内距地面3M设一道平网,随建筑主体每升高10M加上设一道平网。 临时楼梯防护栏杆应通长设立,水平杆两道,立杆间距不大于2M。并与建筑物固定牢固。 预留洞口 预留洞口根据实际情况,针对洞口大小进行防护设计,较小的洞口是否用木板封严。较大的洞口临边外侧是否设立防护栏杆,洞口下张设安全网。 出入通道口 地面通道(楼梯口通道、安全通道),上部防护棚的宽度大于入口,长度应根据建筑物高度设立,建筑物高度在20M以下时长度不应小于3M,建筑物高度在20M以上时长度不应小于5M,棚顶采用不小于5CM厚木板或强度相称的其它材料铺设。楼梯通道口在外脚手架两端必须用栏杆、密目网严密封闭。栏杆搭设位置要置于防护棚的保护范围之内。 对暂不通行的楼梯口、通道口是否封闭严密。 对施工现场入口处、施工起重机械、临时用电设施、脚手架、出入通道口、楼梯口、电梯井口、孔洞口、隧道口、基坑边沿、爆破物及有害气体和液体存入处等危险部位,设立明显的符合国家标准安全警示标志。夜间要有红灯警示。 阳台、楼梯、屋面等临边防护 每一处临边是否符合规定及防护是否属实。 备注: 专业监理工程师: 日 期: 监理工程师施工设备专项安全检查纪录表 工程名称: 承包单位: 编号: 编号 施工设备安全检查项目内容 结论 1 建设工程施工特种起重机械设备安装前由施工单位是否提出报装申请,并提供经审批的基础设计及安装施工方案。 2 工程施工特种起重机械设备安装完毕自检合格后及时报检;由相关单位检查检测,是否有经检查检测合格证。 3 对施工电梯、吊篮等必须监督施工单位报安全监督站有关部门验收后方可使用。 4 钢丝绳磨损有无超过报废。 5 检查施工单位定期自检施工机械各种部件结果。 6 施工单位应在吊装区域设立警戒线。 7 8 9 10 11 12 13 备注: 专业监理工程师: 日 期: 监理工程师文明施工专项安全检查纪录表 工程名称: 承包单位: 编号: 编号 检查项目 文明施工检查内容 结论 1 施工现场挂牌 挂牌内容齐全,五牌一图挂放整齐、醒目。 2 封闭式管理 佩带出入证,确立门卫制度,杜绝人员混杂。 3 总平面布置 构件、料具及设施布局严格按经审定的总平面实行,道路通畅,无大面积积水。 4 现场住宿 施工作业区与住宿区必须隔离,住宿环境安全、卫生。 5 保健急救 现场是否配备医疗室及经培训的急救人员,具有急救措施和器材。 6 宣传 现场有安全标语、安全标志。 7 垃圾、污水 垃圾集中堆放,及时清运,排污符合环卫规定。 8 防 火 防 火 设 备 是否按国家有关规定设立消防通道、消防水源,配备消防设施和灭火器材,并在施工现场入口处设立明显标志。 配备消防设施和灭火器材是否在有效期。 易 燃 材 料 易燃材料是否按规定堆放。 氧气瓶、乙炔罐存放地方周边10米以内严禁堆放易燃、易爆物品,杜绝明火。 氧气瓶与乙炔发生器间应保持5米以上距离,氧气瓶瓶口不得粘上油脂及灰尘,乙炔发生器应距火源10米以上,应放在不被移动和不受震动的地方,夏季防日光暴晒。 汽油等宜堆放在主导风的下风向。 备注: 专业监理工程师: 日 期:
展开阅读全文

开通  VIP会员、SVIP会员  优惠大
下载10份以上建议开通VIP会员
下载20份以上建议开通SVIP会员


开通VIP      成为共赢上传

当前位置:首页 > 环境建筑 > 工程监理

移动网页_全站_页脚广告1

关于我们      便捷服务       自信AI       AI导航        抽奖活动

©2010-2026 宁波自信网络信息技术有限公司  版权所有

客服电话:0574-28810668  投诉电话:18658249818

gongan.png浙公网安备33021202000488号   

icp.png浙ICP备2021020529号-1  |  浙B2-20240490  

关注我们 :微信公众号    抖音    微博    LOFTER 

客服