收藏 分销(赏)

18米普通钢桁架设计计算书.doc

上传人:胜**** 文档编号:3063487 上传时间:2024-06-14 格式:DOC 页数:25 大小:1.34MB 下载积分:10 金币
下载 相关 举报
18米普通钢桁架设计计算书.doc_第1页
第1页 / 共25页
18米普通钢桁架设计计算书.doc_第2页
第2页 / 共25页


点击查看更多>>
资源描述
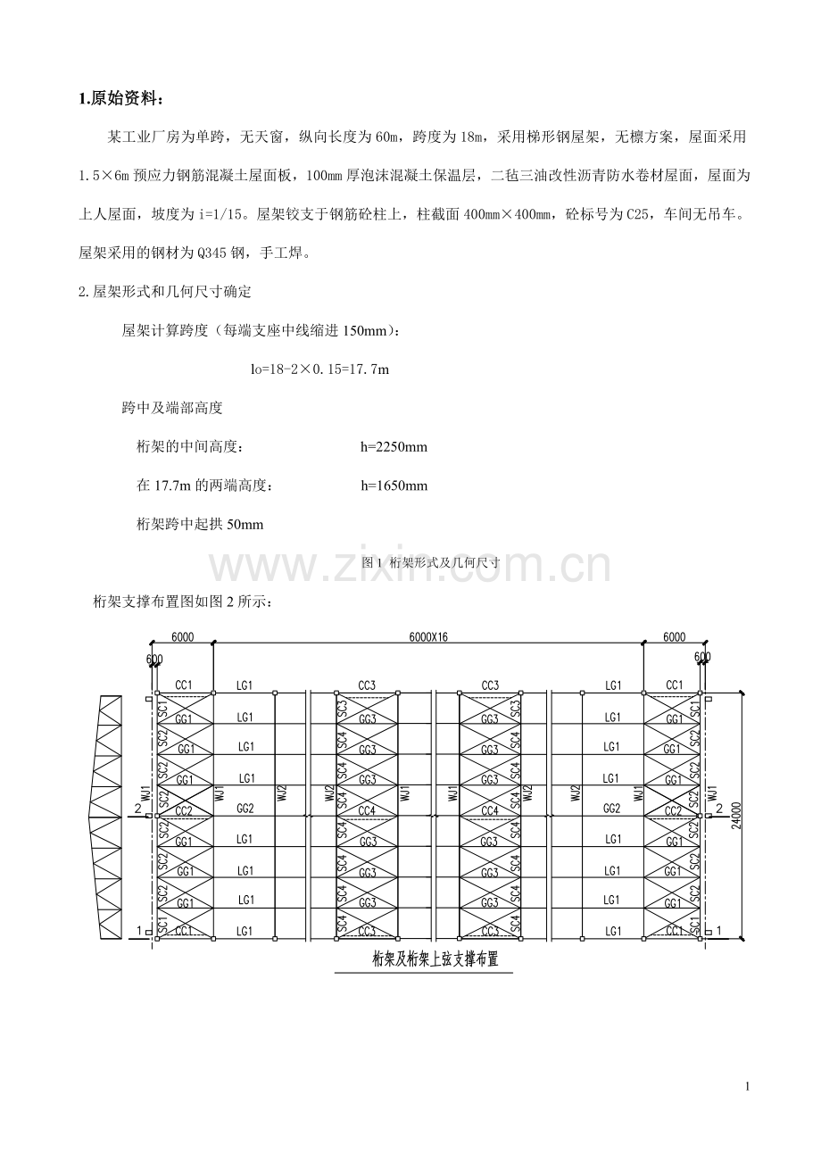
钢屋架设计 姓 名: 班 级: 学 号: 指导教师: 1.原始资料: 某工业厂房为单跨,无天窗,纵向长度为60m,跨度为18m,采用梯形钢屋架,无檩方案,屋面采用1.5×6m预应力钢筋混凝土屋面板,100mm厚泡沫混凝土保温层,二毡三油改性沥青防水卷材屋面,屋面为上人屋面,坡度为i=1/15。屋架铰支于钢筋砼柱上,柱截面400mm×400mm,砼标号为C25,车间无吊车。屋架采用的钢材为Q345钢,手工焊。 2.屋架形式和几何尺寸确定 屋架计算跨度(每端支座中线缩进150mm): lo=18-2×0.15=17.7m 跨中及端部高度 桁架的中间高度: h=2250mm 在17.7m的两端高度: h=1650mm 桁架跨中起拱50mm 图1 桁架形式及几何尺寸 桁架支撑布置图如图2所示: 图2 4.荷载和内力计算 4.1荷载计算: 4.11屋面永久荷载标准值: ① 屋架及支撑自重:按经验公式q=0.12+0.011L,L为屋架跨度,以m为单位,q为屋架及支撑自重,以kN/m2为单位; ② 屋面活荷载:施工活荷载标准值为2.0kN/m2,雪荷载的基本雪压标准值为S0=0.35kN/m2,施工活荷载与雪荷载不同时考虑,而是取两者的较大值。 积灰荷载标准值:0.5kN/m2。 ③ 屋面各构造层的荷载标 准值: 二毡三油改性沥青防水层 0.40kN/m2 水泥砂浆找平层 0.40kN/m2 保温层 0.60kN/m2 预应力混凝土屋面板 1.50kN/m2 屋面活荷载与雪荷载不会同时出现,从资料可知屋面活荷载大于雪荷载,故取屋面活荷载计算。沿屋面斜面分布的永久荷载应乘以换算为沿水平投影面分布的荷载。桁架沿水平投影面积分布的自重(包括支撑)按经验公式(支撑) 计算,跨度单位m。 永久荷载标准值: 二毡三油改性沥青防水层 1.002×0.4 kN/m2=0.4008kN/m2 水泥砂浆找平层 1.002×0.4 kN/m2=0.4008kN/m2 保温层 1.002×0.6 kN/m2=0.6012kN/m2 预应力混凝土屋面板 1.002×1.5 kN/m2=1.503 kN/m2 桁架和支撑自重 0.12 KN/m2+0.011 ×18 kN/m2=0.318kN/m2 总计:3.2kN/m2 可变荷载标准值: 屋面活荷载 2.0kN/m2 积灰荷载 0.5kN/m2 4.2荷载组合: 设计桁架时,应考虑以下三种荷载组合: (1)全跨永久荷载+全跨可变荷载(按永久荷载为主控制的组合) 全跨节点荷载设计值: F=(1.35×3.2kN/㎡+1.4×0.7×2.0 kN/㎡+1.4×0.9×0.5 kN/㎡)×1.5m×6m =62.19kN (2)全跨永久荷载+半跨可变荷载 全跨节点永久荷载设计值: 对结构不利时: F1.1=1.35×3.2 kN/㎡×1.5m×6m=38.88kN (按永久荷载为主的组合) F1.2=1.2×3.2 kN/㎡×1.5m×6m=34.54kN (按可变荷载为主的组合) 对结构有利时: F1.3=1.0×3.2 kN/㎡×1.5m×6m=28.8kN 半跨节点可变荷载设计值: F2.1=1.4×(0.7×2.0 kN/㎡+0.9×0.5 kN/㎡)×1.5m×6m=23.31kN (按永久荷载为主的组合) F2.2=1.4×(2.0+0.9×0.5)kN/㎡×1.5m×6m=22.05kN (按可变荷载为主的组合) (3)全跨桁架包括支撑+半跨屋面板自重+半跨屋面活荷载(按可变荷载为主的组合) 全跨节点屋架自重设计值: 对结构不利时: F3.1=1.2×0.318 kN/㎡×1.5m×6m=3.43kN 对结构有利时: F3.2=1.0×0.318 kN/㎡×1.5m×6m=2.86kN 半跨节点屋面板自重及活荷载设计值: F4=(1.2×1.503 kN/㎡+1.4×2.0 kN/㎡)×1.5×6=41.4kN (1)、(2)为使用阶段荷载情况,(3)为施工阶段荷载情况。单位力作用下的计算详图见图3。 4.3内力计算 假设屋架杆件的连接均为铰接,则屋架为静定结构,内力计算与杆件截面无关。在半跨单元节点力作用下,各杆件的内力系数如下图所示。 (a) (b) 图4 桁架各杆件的内力系数 表1 桁架杆件内力组合表 杆件 名称 内力系数(F=1) 第一种 组 合 F×① 第二种组合 第三种组合 计算杆件内力/KN 全跨① 左半 跨② 右半 跨③ F1,i×①+ F2,i×② F1,i×①+ F2,i×③ F3,i×①+ F4×② F3,i×①+ F4×③ 上 弦 AB 0 0 0 0 0 0 0 0 0 BC、CD -6.22 -4.37 -1.85 -386.82 -386.82 DE、EF -8.99 -5.64 -3.36 -559.09 -559.09 FG -9.1 -4.55 -4.55 -565.93 -565.93 下 弦 ac 3.47 2.54 0.93 215.80 215.80 ce 7.96 5.33 2.64 495.03 495.03 eg 9.28 5.31 3.97 577.12 577.12 斜腹杆 aB -6.5 -4.75 -1.75 -404.24 -404.24 Bc 4.74 3.16 1.58 294.78 294.78 cD -3.38 -1.86 -1.52 -210.20 -210.20 De 1.88 0.54 1.34 116.92 116.92 eF -0.69 0.62 -1.31 -42.91 -12.32 (F1,1 ,F2,1) -57.36 (F1,1 ,F2,1) 23.30 (F3,1 ,F4) -56.60 (F3,1 ,F4) -57.36 23.30 Fg -0.46 -1.63 1.17 28.62 -55.88 (F1,1 ,F2,1) 9.39 ,(F1,1 ,F2,1) -68.80 (F3,2 ,F4) 46.86 (F3,1 ,F4) -68.80 46.86 竖杆 Aa -0.50 -0.50 0 -31.10 -31.10 Cc -1.00 -1.00 0 -62.19 -62.19 Ee -1.00 -1.00 0 -62.19 -62.19 Gg 0.81 0.41 0.41 -50.37 -50.37 注:F=62.19kN;F1.1=38.88kN;F1.2=34.54kN;F1.3=28.8kN;F2.1=23.31kN;F2.2=22.05kN;F3.1=3.43kN; F3.2=2.86kN;F4=41.4kN。 四、杆件设计 1、上弦杆 整个上弦杆采用等截面,按FG杆之最大设计内力设计。N=565.93 kN。 上弦杆计算长度: 在桁架平面内,为节间轴线长度: 在桁架平面外,根据支撑布置和内力变化情况,取: 因为,故截面宜选用两个不等肢角钢,短肢相并(图5)。 腹杆最大内力N=404.24kN,查表9.6.4,节点板厚度选用12mm,支座节点板厚度用14mm。 设λ=60,查附录4得 需要截面积: 需要回转半径: , 根据需要的A、、查角钢型钢规格表(附录8),选2L140×90×10,A=4452,=2.56cm、=6.85cm,b1/t=140/10=14,按所选角钢进行验算: , 因为 所以 满足允许长细比的要求。 截面在x和y平面皆属b类,由于,只需求。查附录得。 ,所选截面合适。 图5 2、下弦杆 整个下弦杆采用同一截面,按最大设计值计算: N=577.12 kN。 计算长度: 所需净截面面积为: 选用2L140×90×8。因为,故用不等肢角钢,短肢相并(图6)。 A=36.08cm2 > 29.89cm2 。 考虑下弦有2φ21.5mm的栓孔削弱,下弦净截面面积: 所选取的截面满足要求。 图6 3、端斜杆(aB杆): 杆件轴力: N=-404.24kN 计算长度:因为,故采用不等肢角钢,长肢相并,使。选用角钢2L125×80×10(图7)。 A=39.42cm2,。 截面刚度和稳定性验算: , 因为 因,只求: ,所需截面合适。 图7 4、腹杆Hi: 最大拉力:N=31.04kN 最大压力:N=-83.06kN 桁架平面内计算长度: 桁架平面外计算长度: 选用2L70×4(图8),A=11.14,=2.18cm、=3.29cm,b/t=70/4=17.5,按所选角钢进行验算: , 因为 所以满足允许长细比的要求。 截面在x和y平面皆属b类,由于,只需求。 查(附录4)轴心受力稳定系数表得。 ,所选截面合适。 拉应力: 所选取的截面满足要求。 图8 5、中竖杆(Ii杆): 杆件轴力:NIi=103.99kN(拉), 计算长度: 取, 需要截面面积为: 需要的回转半径为: 。 查型钢表选用十字形截面L56×5(图9),得截面几何特性:A=10.83cm2, 考虑有的栓孔削弱,净截面面积: ,所需截面合适。 图9 其余各杆件的截面选择计算过程不作一一列出,计算结果详见表2。 表2 杆件截面选择表 杆 件 内 力 /KN 截 面 规 格 面 积 /cm2 计算长度/cm 回转半径/cm 上弦 -565.93 短肢相并 2L140X90X10 44.52 150.80 301.60 2.56 6.85 下弦 577.12 短肢相并 2L140X90X8 36.08 300.00 1185.00 2.587 6.80 aB -404.24 长肢相并 2L125X80X10 39.42 253.5 253.50 3.98 3.39 Bc 294.78 T形截面2L80X5 15.82 208.64 260.80 2.48 3.71 cD -210.2 T形截面 2L100X6 23.86 228.72 285.90 3.10 4.51 De 116.92 T形截面 2L70X4 11.14 228.72 285.90 2.18 3.29 eF -57.36 T形截面 2L70X4 11.14 249.52 311.90 2.18 3.29 23.30 Fg -68.8 T形截面 2L70X4 11.14 271.68 339.60 2.18 3.29 46.86 Aa -31.1 T形截面 2L63X5 12.286 199.00 199.00 1.94 3.04 Cc -62.19 T形截面 2L63X5 12.286 183.20 229.00 1.94 3.04 Ee -62.19 T形截面 2L63X5 12.286 207.20 259.00 1.94 3.04 Gg -50.37 T形截面 2L63X5 12.286 231.20 289.00 1.94 3.04 五、节点设计 各杆件内力由表1查得。 这类节点的设计步骤是:先根据腹杆的内力计算腹杆与节点板连接焊缝的尺寸,即和,然后根据的大小按比例绘出节点板的形状和尺寸,最后验算下弦杆与节点板的连接焊缝。 用E50型焊条,角焊缝的抗拉、抗压和抗剪强度设计值。 1、 下弦节点“c” (图10): (1)“Bc”杆与节点板的焊缝长度计算: N=294.78kN,设肢背与肢尖的焊角尺寸分别为8mm和6mm.所需焊缝长度为: 肢背:加后取 肢尖:加后取 (2) “Dc” 杆与节点板的焊缝长度计算: N=-210.2kN,设肢背与肢尖的焊角尺寸分别为8mm和6mm.所需焊缝长度为: 肢背:加后取 肢尖:加后取 (3)“Cc” 杆与节点板的焊缝长度计算: N=-62.19kN,其内力很小,焊缝尺寸可按构造确定,取焊脚尺寸=6mm,焊缝长度,取。 (4) 节点板尺寸:根据上面求得的焊缝长度,并考虑杆件之间应有的间隙以及制作和装配等误差,按比例绘出节点详图,从而确定节点板尺寸为315mm×380mm。 下弦与节点板连接的焊缝长度为380mm,=6mm。焊缝所受的力为左右两下弦杆的内力差△N=704.37-288.96=415.41KN,受力较大的肢背处的焊缝应力为: 焊缝强度满足要求。 图10 2、 下弦节点“e”(图11): (1) “De”杆与节点板的焊缝长度计算: N=116.92kN,设肢背与肢尖的焊角尺寸分别为8mm和6mm.所需焊缝长度为: 肢背:加后取 肢尖:加后取 (2) “eF”杆与节点板的焊缝长度计算: N=-57.36kN,设肢背与肢尖的焊角尺寸分别为8mm和6mm.所需焊缝长度为: 肢背:加后取 肢尖:加后取 (3) “eE”杆与节点板的焊缝长度计算: N=-61.09kN,因为其内力很小,焊缝尺寸可按构造确定,取焊脚尺寸=6mm,焊缝长度,取。 (4) 节点板尺寸:根据以上求得的焊缝长度,并考虑杆件之间应有的间隙和制作装配等误差,按比例绘出节点详图,从而确定节点板尺寸为280mm×310mm。 下弦与节点板连接的焊缝长度为310mm,=6mm。焊缝所受的力为左右两下弦杆的内力差△N=577.12-495.03=82.09KN,受力较大的肢背处的焊缝应力为: 焊缝强度满足要求。 图11 3、 下弦节点“g” (图13): (1) “Fg”杆与节点板的焊缝长度计算: N=-68.8kN,设肢背与肢尖的焊角尺寸分别为8mm和6mm.所需焊缝长度为: 肢背:取 肢尖:取 (2) “Gg”杆与节点板的焊缝长度计算: N=50.37kN, 因为其内力很小,焊缝尺寸可按构造确定,取焊脚尺寸=6mm,焊缝长度,取。 (4)节点板尺寸:根据以上求得的焊缝长度,并考虑杆件之间应有的间隙和制作装配等误差,按比例绘出节点详图,从而确定节点板尺寸为270mm×320mm。 下弦与节点板连接的焊缝长度为320mm,=6mm。焊缝所受的力为左右两下弦杆的内力差△N=0kN。 焊缝强度满足要求。 图13 4、上弦节点“B”(图14): (1) “Bc”杆与节点板的焊缝尺寸和节点“c”相同。 (2) “aB”杆与节点板的焊缝尺寸按上述同样方法计算: ,设肢背与肢尖的焊脚尺寸分别为:10mm和8mm。 所需焊缝长度为: 肢背:加后取 肢尖:加后取 (3) 上弦杆与节点板连接焊缝计算: 为了便于在上弦上搁置大型屋面板,上弦节点板的上边缘可缩进上弦肢背8mm。用槽焊缝将上弦角钢和节点板连接起来。槽焊缝可按两条角焊缝计算,焊缝强度设计值应乘以0.8的折减系数。计算时可略去屋架上弦坡度的影响,而假定集中荷载F与上弦垂直。上弦肢背槽焊缝内的应力计算如下: (节点板厚度)=×12mm=6mm, 上弦与节点板间焊缝长度为380mm。 节点荷载由槽焊缝承受,上弦两相邻节间内力差由角钢肢尖焊缝承受,这时槽焊缝肯定是安全的,可不必验算。肢尖焊缝验算如下: ,满足要求。 图14 5、上弦节点“D”(图15): (1) “cD”杆与节点板的焊缝尺寸和节点“c”相同。 (2) “De”杆与节点板的焊缝尺寸和节点“e”相同。 (3)上弦杆与节点板连接焊缝计算: 为了便于在上弦上搁置大型屋面板,上弦节点板的上边缘可缩进上弦肢背8mm。用槽焊缝将上弦角钢和节点板连接起来。槽焊缝可按两条角焊缝计算,焊缝强度设计值应乘以0.8的折减系数。计算时可略去屋架上弦坡度的影响,而假定集中荷载F与上弦垂直。上弦肢背槽焊缝内的应力计算如下: (节点板厚度)=×12mm=6mm, 上弦与节点板间焊缝长度为310mm。 节点荷载由槽焊缝承受,上弦两相邻节间内力差由角钢肢尖焊缝承受,这时槽焊缝肯定是安全的,可不必验算。肢尖焊缝验算如下: ,满足要求。 图15 6、上弦节点“F”(图17): (1) “eF”杆与节点板的焊缝尺寸和节点“e”相同。 (2) “Fg”杆与节点板的焊缝尺寸和节点“g”相同。 (3) 上弦杆与节点板连接焊缝计算: 为了便于在上弦上搁置大型屋面板,上弦节点板的上边缘可缩进上弦肢背8mm。用槽焊缝将上弦角钢和节点板连接起来。槽焊缝可按两条角焊缝计算,焊缝强度设计值应乘以0.8的折减系数。计算时可略去屋架上弦坡度的影响,而假定集中荷载F与上弦垂直。上弦肢背槽焊缝内的应力计算如下: (节点板厚度)=×12mm=6mm, 上弦与节点板间焊缝长度为210mm。 节点荷载由槽焊缝承受,上弦两相邻节间内力差由角钢肢尖焊缝承受,这时槽焊缝肯定是安全的,可不必验算。肢尖焊缝验算如下: ,满足要求。 图17 7、屋脊节点G点(图18): (1) 弦杆一般都采用同号角钢进行拼接,为使拼接角钢与弦杆之间能够密合,并便于施焊,需将拼接角钢的尖角削除,且截去垂直肢的一部分宽度(一般为t++5mm=25mm)。拼接角钢的这部分削弱,可以靠节点板来补偿。接头一边的焊缝长度按弦杆内力计算。 N=-565.93KN,设焊缝=10mm,则所需焊缝计算长度为(一条焊缝): ,取 拼接角钢的长度取:540mm>2×200mm=400mm。 (2) 竖杆Gg与节点板连接焊缝计算:N=118.51KN 因为其内力很小,焊缝尺寸可按构造确定,取焊脚尺寸=6mm,焊缝长度,取 。 (3)弦杆与节点板的连接焊缝计算:上弦肢背与节点板用槽焊缝,假定承受节点荷载,验算略。上弦肢尖与节点板的连接焊缝,应按上弦内力的15%计算。设肢尖焊缝=10mm,节点板长度为400mm,节点一侧弦杆焊缝的计算长度为:,焊缝应力为: ,满足要求。 因桁架的跨度较大,需将桁架分成两个运输单元,在屋脊节点和下弦跨中节点设置工地拼接,左半边的上弦、斜杆和竖杆与节点板连接用工厂焊缝,而右半边的上弦、斜杆与节点板的连接用工地焊缝。 图18 10、支座节点“a”(图19) 为了便于施焊,下弦杆角钢水平肢的底面与支座底板的净距离取160mm。在节点中心线上设置加劲肋,加劲肋的高度与节点板的高度相等,厚度为14mm。 (1) 支座底板计算: 支座反力:R=8F=488.27kN 支座底板的平面尺寸采用280mm×400mm,如仅考虑有加劲肋部分的底板承受支座反力,则承压面积为:。 验算柱项混凝土的抗压强度: Error! Reference source not found. 式中:为混凝土强度设计值,对C30混凝土,。 底板的厚度按支座反力作用下的弯矩计算,节点板和加筋肋将底板分为四块,每块板为两相邻边支承而另两块相邻边自由的板,第块板的单位宽度的最大弯矩为: 式中,为底板下的平均应力为:。 为两支承边之间的对角线长度: 为系数,由查表8.4.1而定,b1为两支承边的相交点到对角线的垂直距离(图11)。由相似三角形的关系,得: ,,查表得。 底板厚度 ,t应增大到 。 图19 (2) 加劲肋与节点板的连接焊缝计算: 加劲肋与节点板的连接焊缝计算与牛腿焊缝相似(图20),偏于安全地假定一个加劲肋的受力为桁架支座反力的1/4,即: 则焊缝内力: , 设,焊缝计算长度, 图20 (3) 节点板、加劲肋与底板的连接焊缝计算: 设底板连接焊缝传递全部支座反力,其中每块加劲肋各传 ,节点板传递。 设节点板与底板的连接焊缝的焊脚尺寸为, 则焊缝长度 则焊缝强度验算如下: 每块加劲肋与底板的连接焊缝长度为: 验算焊缝应力: ,满足要求。 1. 基于C8051F单片机直流电动机反馈控制系统的设计与研究 2. 基于单片机的嵌入式Web服务器的研究 3. MOTOROLA单片机MC68HC(8)05PV8/A内嵌EEPROM的工艺和制程方法及对良率的影响研究 4. 基于模糊控制的电阻钎焊单片机温度控制系统的研制 5. 基于MCS-51系列单片机的通用控制模块的研究 6. 基于单片机实现的供暖系统最佳启停自校正(STR)调节器 7. 单片机控制的二级倒立摆系统的研究 8. 基于增强型51系列单片机的TCP/IP协议栈的实现 9. 基于单片机的蓄电池自动监测系统 10. 基于32位嵌入式单片机系统的图像采集与处理技术的研究 11. 基于单片机的作物营养诊断专家系统的研究 12. 基于单片机的交流伺服电机运动控制系统研究与开发 13. 基于单片机的泵管内壁硬度测试仪的研制 14. 基于单片机的自动找平控制系统研究 15. 基于C8051F040单片机的嵌入式系统开发 16. 基于单片机的液压动力系统状态监测仪开发 17. 模糊Smith智能控制方法的研究及其单片机实现 18. 一种基于单片机的轴快流CO〈,2〉激光器的手持控制面板的研制 19. 基于双单片机冲床数控系统的研究 20. 基于CYGNAL单片机的在线间歇式浊度仪的研制 21. 基于单片机的喷油泵试验台控制器的研制 22. 基于单片机的软起动器的研究和设计 23. 基于单片机控制的高速快走丝电火花线切割机床短循环走丝方式研究 24. 基于单片机的机电产品控制系统开发 25. 基于PIC单片机的智能手机充电器 26. 基于单片机的实时内核设计及其应用研究 27. 基于单片机的远程抄表系统的设计与研究 28. 基于单片机的烟气二氧化硫浓度检测仪的研制 29. 基于微型光谱仪的单片机系统 30. 单片机系统软件构件开发的技术研究 31. 基于单片机的液体点滴速度自动检测仪的研制 32. 基于单片机系统的多功能温度测量仪的研制 33. 基于PIC单片机的电能采集终端的设计和应用 34. 基于单片机的光纤光栅解调仪的研制 35. 气压式线性摩擦焊机单片机控制系统的研制 36. 基于单片机的数字磁通门传感器 37. 基于单片机的旋转变压器-数字转换器的研究 38. 基于单片机的光纤Bragg光栅解调系统的研究 39. 单片机控制的便携式多功能乳腺治疗仪的研制 40. 基于C8051F020单片机的多生理信号检测仪 41. 基于单片机的电机运动控制系统设计 42. Pico专用单片机核的可测性设计研究 43. 基于MCS-51单片机的热量计 44. 基于双单片机的智能遥测微型气象站 45. MCS-51单片机构建机器人的实践研究 46. 基于单片机的轮轨力检测 47. 基于单片机的GPS定位仪的研究与实现 48. 基于单片机的电液伺服控制系统 49. 用于单片机系统的MMC卡文件系统研制 50. 基于单片机的时控和计数系统性能优化的研究 51. 基于单片机和CPLD的粗光栅位移测量系统研究 52. 单片机控制的后备式方波UPS 53. 提升高职学生单片机应用能力的探究 54. 基于单片机控制的自动低频减载装置研究 55. 基于单片机控制的水下焊接电源的研究 56. 基于单片机的多通道数据采集系统 57. 基于uPSD3234单片机的氚表面污染测量仪的研制 58. 基于单片机的红外测油仪的研究 59. 96系列单片机仿真器研究与设计 60. 基于单片机的单晶金刚石刀具刃磨设备的数控改造 61. 基于单片机的温度智能控制系统的设计与实现 62. 基于MSP430单片机的电梯门机控制器的研制 63. 基于单片机的气体测漏仪的研究 64. 基于三菱M16C/6N系列单片机的CAN/USB协议转换器 65. 基于单片机和DSP的变压器油色谱在线监测技术研究 66. 基于单片机的膛壁温度报警系统设计 67. 基于AVR单片机的低压无功补偿控制器的设计 68. 基于单片机船舶电力推进电机监测系统 69. 基于单片机网络的振动信号的采集系统 70. 基于单片机的大容量数据存储技术的应用研究 71. 基于单片机的叠图机研究与教学方法实践 72. 基于单片机嵌入式Web服务器技术的研究及实现 73. 基于AT89S52单片机的通用数据采集系统 74. 基于单片机的多道脉冲幅度分析仪研究 75. 机器人旋转电弧传感角焊缝跟踪单片机控制系统 76. 基于单片机的控制系统在PLC虚拟教学实验中的应用研究 77. 基于单片机系统的网络通信研究与应用 78. 基于PIC16F877单片机的莫尔斯码自动译码系统设计与研究 79. 基于单片机的模糊控制器在工业电阻炉上的应用研究 80. 基于双单片机冲床数控系统的研究与开发 81. 基于Cygnal单片机的μC/OS-Ⅱ的研究 82. 基于单片机的一体化智能差示扫描量热仪系统研究 83. 基于TCP/IP协议的单片机与Internet互联的研究与实现 84. 变频调速液压电梯单片机控制器的研究 85. 基于单片机γ-免疫计数器自动换样功能的研究与实现 86. 基于单片机的倒立摆控制系统设计与实现 87. 单片机嵌入式以太网防盗报警系统 88. 基于51单片机的嵌入式Internet系统的设计与实现 89. 单片机监测系统在挤压机上的应用 90. MSP430单片机在智能水表系统上的研究与应用 91. 基于单片机的嵌入式系统中TCP/IP协议栈的实现与应用 92. 单片机在高楼恒压供水系统中的应用 93. 基于ATmega16单片机的流量控制器的开发 94. 基于MSP430单片机的远程抄表系统及智能网络水表的设计 95. 基于MSP430单片机具有数据存储与回放功能的嵌入式电子血压计的设计 96. 基于单片机的氨分解率检测系统的研究与开发 97. 锅炉的单片机控制系统 98. 基于单片机控制的电磁振动式播种控制系统的设计 99. 基于单片机技术的WDR-01型聚氨酯导热系数测试仪的研制 100. 一种RISC结构8位单片机的设计与实现 101. 基于单片机的公寓用电智能管理系统设计 102. 基于单片机的温度测控系统在温室大棚中的设计与实现 103. 基于MSP430单片机的数字化超声电源的研制 104. 基于ADμC841单片机的防爆软起动综合控制器的研究 105. 基于单片机控制的井下低爆综合保护系统的设计 106. 基于单片机的空调器故障诊断系统的设计研究 107. 单片机实现的寻呼机编码器 108. 单片机实现的鲁棒MRACS及其在液压系统中的应用研究 109. 自适应控制的单片机实现方法及基上隅角瓦斯积聚处理中的应用研究 110. 基于单片机的锅炉智能控制器的设计与研究 111. 超精密机床床身隔振的单片机主动控制 112. PIC单片机在空调中的应用 113. 单片机控制力矩加载控制系统的研究 项目论证,项目可行性研究报告,可行性研究报告,项目推广,项目研究报告,项目设计,项目建议书,项目可研报告,本文档支持完整下载,支持任意编辑!选择我们,选择成功! 项目论证,项目可行性研究报告,可行性研究报告,项目推广,项目研究报告,项目设计,项目建议书,项目可研报告,本文档支持完整下载,支持任意编辑!选择我们,选择成功! 单片机论文,毕业设计,毕业论文,单片机设计,硕士论文,研究生论文,单片机研究论文,单片机设计论文,优秀毕业论文,毕业论文设计,毕业过关论文,毕业设计,毕业设计说明,毕业论文,单片机论文,基于单片机论文,毕业论文终稿,毕业论文初稿,本文档支持完整下载,支持任意编辑!本文档全网独一无二,放心使用,下载这篇文档,定会成功! 24
展开阅读全文

开通  VIP会员、SVIP会员  优惠大
下载10份以上建议开通VIP会员
下载20份以上建议开通SVIP会员


开通VIP      成为共赢上传

当前位置:首页 > 环境建筑 > 其他

移动网页_全站_页脚广告1

关于我们      便捷服务       自信AI       AI导航        抽奖活动

©2010-2025 宁波自信网络信息技术有限公司  版权所有

客服电话:0574-28810668  投诉电话:18658249818

gongan.png浙公网安备33021202000488号   

icp.png浙ICP备2021020529号-1  |  浙B2-20240490  

关注我们 :微信公众号    抖音    微博    LOFTER 

客服