收藏 分销(赏)

汽车维修电工高级工实操考核重点项目DOC.doc

上传人:精**** 文档编号:3009912 上传时间:2024-06-13 格式:DOC 页数:6 大小:128.50KB 下载积分:6 金币
下载 相关 举报
汽车维修电工高级工实操考核重点项目DOC.doc_第1页
第1页 / 共6页
汽车维修电工高级工实操考核重点项目DOC.doc_第2页
第2页 / 共6页


点击查看更多>>
资源描述
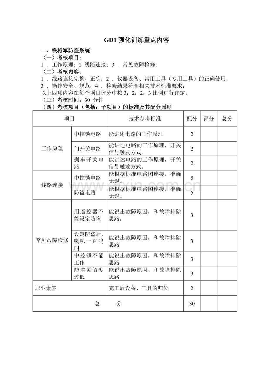
GD1强化训练重点内容 一、铁将军防盗系统 (一)考核项目: 1 .工作原理;2 线路连接;3 .常见故障检修; (二)考核内容: 1 .线路连接完整、正确;2 .仪器设备、常用工具(专用工具)的正确使用;3 .操作安全、规范;4 .检修结果符合相关技术标准要求; 以上四项内容在每个项目评分中按3:2:2:3比例进行评定。 (三)考核时间:30 分钟 (四)考核项目(包括:子项目)的标准及其配分原则 项目 技术参考标准 配分 评分 总分 工作原理 中控锁电路 能讲述电路的工作原理 2 门开关电路 能讲述电路的工作原理,开关信号触发方式。 2 刹车开关电路 能讲述电路的工作原理,开关信号触发方式。 2 线路连接 中控锁电路 能根据标准电路图连接,准确无误。 5 防盗电路 能根据标准电路图连接,准确无误。 5 常见故障检修 用遥控器不能设定防盗 能说出故障原因,和故障排除思路。 3 设定防盗后,喇叭一直鸣叫 能说出故障原因,和故障排除思路 3 中控锁不能工作 能说出故障原因,和故障排除思路 3 防盗灵敏度过低 能说出故障原因,和故障排除思路 3 职业素养 完工后设备、工具的归位 2 总 分 30 二、自动空调电路检修 (一)考核项目: 1 .自动空调组成;2 自动空调各组成电路工作原理;3 .自动空调电路检修;4 .传感器和执行器检修;5.仪器设备的选用 (二)考核内容: 1 .检修工艺的完整、正确;2 .仪器设备、常用工具(专用工具)的正确使用;3 .操作安全、规范;4 .检修结果符合相关技术标准要求; 以上四项内容在每个项目评分中按3:2:2:3比例进行评定。 (三)考核时间:30 分钟 (四)考核项目(包括:子项目)的标准及其配分原则 项目 技术参考标准 配分 评分 总分 自动空调的组成 制冷系统 能熟练讲出组成部件 2 取暖系统 能熟练讲出组成部件 2 电气控制系统 能熟练讲出组成部件 2 电路原理与检修 鼓风机电路原理和检修 能讲出电路工作原理和电路检修思路 3 气源门电路原理和检修 能讲出电路工作原理和电路检修思路 3 模式门电路原理和检修 能讲出电路工作原理和电路检修思路 3 温度门电路原理和检修 能讲出电路工作原理和电路检修思路 3 传感器检修 车内温度传感器 能正确检测传感器数值 2 车外温度传感器 能正确检测传感器数值 2 蒸发器温度传感器 能正确检测传感器数值 2 阳光传感器 能正确检测传感器数值 2 执行器检修 气源门电机 能讲出检测方法 1 温度门电机 能讲出检测方法 1 模式门电机 能讲出检测方法 2 总 分 30 GD2强化训练重点内容 一、节气门位置传感器的检查 (一).考核项目: 1 .节气门位置传感器阻值测试; 2 .节气门位置传感器动态测试; (二).考核内容: 1 .检修工艺的完整、正确;2 .仪器设备、常用工具(专用工具)的正确使用;3 .操作安全、规范;4 .检修结果符合相关技术标准要求; 以上四项内容在每个项目评分中按3:2:2:3比例进行评定 (三).考核时间:20 分钟. (四)考核项目(包括:子项目)的标准及其配分原则 项目 技术参考标准 配分 评分 总分 节气门位置传感器阻值检查 类型判别 电位计式;开关式 3 怠速触点开关检查 怠速—0Ω;非怠速—∞Ω 3 电位计检查 阻值标准参见原车数据 3 阻值变化检查 连续性——连续变化 3 节气门位置传感器动态测试 电源检查 电源电压:5V 4 信号电压 0.5/—4.8V 4 总分 20 三、喷油器的检测 (一).考核项目: 1 .阻值检测;2 .供电电压检测;3 .控制端检测 (二).考核内容: 1 .检修工艺的完整、正确;2 .仪器设备、常用工具(专用工具)的正确使用;3 .操作安全、规范;4 .检修结果符合相关技术标准要求; 上四项向容在每个项目评分3:2:2:3比例进杆件定 (三).考核时间:20 分钟 (四).考核项目(包括:子项目)的标准及其配分原则 项目 技术参考标准 配分 评分 总分 阻值检查 线圈阻值(短路、断路) 一般为13 — 16Ω(高阻类型) 4 搭铁 ∞Ω 4 供电电压 电压 蓄电池电压 4 控制端检测 控制信号 是否正常 5 转速信号 是否正常 4 ECU检查 开关电路是否正常 4 总 分 25 四、油泵电路检查 (一).考核项目: 1 .动作检查 2 .阻值检查 3 .供电电压检查 4 .油泵继电器检查 (二).考核内容: 1 .检修工艺的完整、正确;2 .仪器设备、常用工具(专用工具)的正确使用;3 .操作安全、规范;4 .检修结果符合相关技术标准要求; 以上四项内容在每个项目评分中按3:2:2:3比例进行评定。 (三).考核时间:20 分钟。 (四).考核项目(包括:子项目) 项目 技术参考标准 配分 评分 总分 动作检查 动作检查 钥匙刚接到KEY—ON是否有动作 4 阻值检查 阻值检查 油泵线脚间的电阻值是否符合技术标准 4 供电电压检查 供电电压检查 是否有9.5V以上的电压 4 油泵继电器检查 继电器励磁线圈 阻值符合技术标准 4 继电器开关电路 开关状态(接通为0Ω,断开为∞Ω) 4 继电器外部线脚功能状态 电源脚电压;控制端信号;输出脚对地阻值 5 总 分 25 GD3强化训练重点内容 一、轿车用普通起动机检修 (一)考核项目: 1 .转子总成检修;2 定子绕组的检验;3 .电刷总成的检修;4 .单向离合器的检验;5 .电磁开关的检验;6 .空载、满载(扭矩试验)试验;7 .仪器设备的选用 (二)考核内容: 1 .检修工艺的完整、正确;2 .仪器设备、常用工具(专用工具)的正确使用;3 .操作安全、规范;4 .检修结果符合相关技术标准要求; 以上四项内容在每个项目评分中按3:2:2:3比例进行评定。 (三)考核时间:30 分钟 (四)考核项目(包括:子项目)的标准及其配分原则 项目 技术参考标准 配分 评分 总分 转子总成检修 电枢轴 径向跳动0.10—0.15mm 2 换向器 直径不小于标准直径1.10mm ; 换向槽深:0.40—0.80mm 2 电枢 电枢线圈的搭铁、(短路)断路检查 2 定子绕组检验 磁场线圈 搭铁检查,电阻:∞Ω 2 磁力检查 (短路)断路检查 2 电刷总成检修 电刷高度检查 不小于原高度的一半 2 绝缘电刷架检查 ∞Ω 1 搭铁电刷架检查 0Ω 1 电刷弹簧检查 1 1.7—14.7N.m 2 单向离合器检验 表面检查 无烧蚀现象 1 制动试验 22.5N.m 2 电磁开关检验 吸拉线圈 吸拉良好 2 保位线圈 保位良好 2 装配后 轴向间隙 0.5—1.0mm 2 开关止推间隙 l/4 mm 1 空载 5000r/min ;电流:小于90A 2 满载 与原机数据比较 2 总 分 30 二、整车电路检修 (一)考核项目: 1 .电路工作原理;2 .电路检修;3 .常见故障排除;4 .仪器设备的选用 (二)考核内容: 1 .检修工艺的完整、正确;2 .仪器设备、常用工具(专用工具)的正确使用;3 .操作安全、规范;4 .检修结果符合相关技术标准要求; 以上四项内容在每个项目评分中按3:2:2:3比例进行评定。 (三)考核时间:30 分钟 (四)考核项目(包括:子项目)的标准及其配分原则 项目 技术参考标准 配分 评分 总分 起动系统电路 电路的组成 熟悉电路的组成 1 电路工作原理 能讲述电路的工作原理 2 起动机不转的故障检修 能分析故障影响原因,故障排除思路清晰 3 充电系统电路 电路的组成 熟悉电路的组成 1 电路工作原理 能讲述电路的工作原理 2 充电系统不充电的故障检修 能分析故障影响原因,故障排除思路清晰 3 点火系统电路 电路的组成 熟悉电路的组成 1 电路工作原理 能讲述电路的工作原理 2 发动机不能发动对点火系的检修 能分析故障影响原因,故障排除思路清晰 3 照明系统电路 电路的组成 熟悉电路的组成 1 电路工作原理 能讲述电路的工作原理 2 前照灯不亮的故障检修 能分析故障影响原因,故障排除思路清晰 3 仪表系统电路 电路的组成 熟悉电路的组成 1 电路工作原理 能讲述电路的工作原理 2 水温表不工作的故障检修 能分析故障影响原因,故障排除思路清晰 3 总 分 30
展开阅读全文

开通  VIP会员、SVIP会员  优惠大
下载10份以上建议开通VIP会员
下载20份以上建议开通SVIP会员


开通VIP      成为共赢上传

当前位置:首页 > 考试专区 > 其他

移动网页_全站_页脚广告1

关于我们      便捷服务       自信AI       AI导航        抽奖活动

©2010-2025 宁波自信网络信息技术有限公司  版权所有

客服电话:0574-28810668  投诉电话:18658249818

gongan.png浙公网安备33021202000488号   

icp.png浙ICP备2021020529号-1  |  浙B2-20240490  

关注我们 :微信公众号    抖音    微博    LOFTER 

客服