收藏 分销(赏)

安全挡板专项综合项目施工专项方案.doc

上传人:a199****6536 文档编号:2496096 上传时间:2024-05-30 格式:DOC 页数:5 大小:58.04KB 下载积分:6 金币
下载 相关 举报
安全挡板专项综合项目施工专项方案.doc_第1页
第1页 / 共5页
安全挡板专项综合项目施工专项方案.doc_第2页
第2页 / 共5页


点击查看更多>>
资源描述
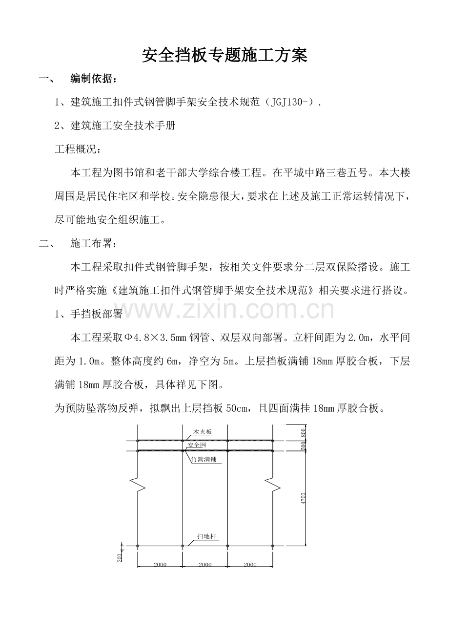
安全挡板专题施工方案 一、 编制依据: 1、建筑施工扣件式钢管脚手架安全技术规范(JGJ130-). 2、建筑施工安全技术手册 工程概况: 本工程为图书馆和老干部大学综合楼工程。在平城中路三巷五号。本大楼周围是居民住宅区和学校。安全隐患很大,要求在上述及施工正常运转情况下,尽可能地安全组织施工。 二、 施工布署: 本工程采取扣件式钢管脚手架,按相关文件要求分二层双保险搭设。施工时严格实施《建筑施工扣件式钢管脚手架安全技术规范》相关要求进行搭设。 1、手挡板部署 本工程采取Ф4.8×3.5mm钢管、双层双向部署。立杆间距为2.0m,水平间距为1.0m。整体高度约6m,净空为5m。上层挡板满铺18mm厚胶合板,下层满铺18mm厚胶合板,具体祥见下图。 为预防坠落物反弹,拟飘出上层挡板50cm,且四面满挂18mm厚胶合板。 2、手挡板施工 底座部署 底座部署应依据搭设方案要求按轴线铺设 放横向扫地杆 自角部起依次向两边竖立底层立杆,底端和横向扫地杆扣接固定 装设纵向扫地杆并拉杆固定,固定底杆端前,应吊线确保立杆垂直,每边立起四跟立杆后,随即装设第一步大横杆和下横杆(全部搭设完成后拆除)各杆件符合要求后,按40∽60NM力矩扳手拧紧紧围绕件螺杆,形成构架起始段。再按上述要求依次向前延伸搭设,直至第一步架交圈完成。交圈后,再全方面检验一遍构架质量和地基情况,严格确保符合设计要求和构架质量。随搭设进程立即设连墙件、剪刀撑。最终搭设水平构架,下层水平构架搭设完成后。随即满铺18mm胶合板,再全铺安全网。固定后再搭设上层构架 满铺胶合板 外围铺18mm胶合板 完成全方面检验。 3、扫地杆搭设 扫地杆设置为纵、横向相排列水平杆,离地20cm。安装要牢靠。它是约束立杆底脚所发生位移和用来避免或降低脚手架不均匀沉降。 4、连墙杆搭设 尽可能地利用原有建筑物凹凸位进行连接。如没有,要求用拉爆螺栓进行固定。 5、剪刀撑搭设 为增强脚手架纵向稳定性和整体性。在脚手架竖向外侧沿高度由下而上连续设置竖向剪刀撑。斜杆和地面夹角在45o∽60o范围内。如需搭接,其搭接长度为1m,用旋转扣件固定。 6、立杆误差控制 为预防立杆偏斜而承受过大偏心力,需对立杆垂直偏差程度进行控制,并实施双控。 (1) 在脚手架高度段H内,立杆全部垂直偏差绝对值为小于100mm。 (2) 在脚手架高度段H内,立杆偏差相对值小于H/400. 7、通道搭设 本工程施工通道设置最关键,左边为居民区和小学教学楼。后面为小学操场。均需考虑人通行。具体搭设以下: 8、搭设作业应注意事项 (1)严禁Ф48mm和Ф51mm钢管及其相配套扣件混用。 (2)连墙件和剪刀撑应立即设置,不得滞后超出2步架。 (3)杆件端部伸出扣件之外长度不得小和100mm。 (4)在顶排连墙件之上加高不得多于两步。 (5)剪刀撑斜杆和基础构架结构杆件之间最少有3道连接,其中斜杆搭接接头部位最少有一道连接。 (6) 部分关键部位,如吊架、挂架、排架吊索、挂钩、挑梁和预埋件质量和强度,使用前要作荷载检验。 (7) 严格控制作业面上施工荷载。同时限制作业和铺板层数,以免荷载过大,或产生较大偏心。 (8) 必需有良好防电、避雷装置。 (9) 加强对施工人员及施工管理人员技术安全培训,实现持证上岗,以确保质量、安全方法要求得以切实实施。 (10)坚持做到分层验收交付使用,验收签证必需存档备查。 9、拆卸作业 拆除次序应遵守由上而下,先搭后拆、后搭先拆标准,即:安全网 挡脚板 护身栏 脚手板 剪刀撑 纵向支撑 连墙杆 小横杆 大横杆 立杆。并按一步一清标准进行,严禁上下同时拆除作业。拆除时应尤其注意以下几点。 (1) 连墙杆应待其上部杆见拆除完成拆能拆除,严禁出现拆除了多步连墙杆后再拆除其它构架杆件违章危险作业。 (2) 松开扣件,平杆件等应随即撤下,不得松挂在架上。 (3) 拆除长杆件时应有两人同时作业,以避免单人作业时闪失事故。 (4) 拆下杆配件应吊运至地面,不得向下抛掷。 (5) 应设专员警戒监护。 (6) 必需安排泥工班配合随拆除过程立即补做划花外墙面和补连墙杆埋件洞口工作。 三、 安全防护方法 安全施工在施工方案中已多提及,对于外脚手架有牢靠骨架,可靠连接,稳妥基底。并需按正确次序架设和拆卸。这些均是确保安全关键步骤。除此之外,尚需重视在使用过程中出现安全防护问题。 1、避免高处坠落物品砸伤地面活感人群,它关键方法是设置安全人行通道或运输通道。通道顶盖应满铺脚手板或其它可靠承接落物材料。蓬顶外侧尚应设高于蓬顶大于0.8m档墙,以免落物又反弹出去。 2、在脚手架边有可能出现人员坠落地方及每层脚手架底,设能承接坠落人和物安全平网。 3、依据气象预报,在台风到来前,应停止脚手架搭设作业,进行检验加牢,台风过后要对脚手架进行全方面检验,发觉存在安全隐患时,应进行全方面加固。 4、在施工期间应派专员定时和不定时检验脚手架安全情况,做到无事故隐患,发觉有隐患立即处理。 5、在安装作业时应做好安全防护,作业人员必需戴安全帽,系安全带和工具袋等。 6、在首层各通道出如口必需搭设双层防护棚,并挂上安全标志。 四、 文明施工 1、施工现场按平面图堆放材料及半成品,材料要编码,堆放整齐。 2、施工现场要常常保持整齐卫生,搭设后应该班把剩下下来材料堆放整齐、杂物清理运走。 3、安全立网挂设要整齐、美观。 4、在每层施工完成后要检验场地杂乱情况,如有不符合安全文明施工要求要立即整改。
展开阅读全文

开通  VIP会员、SVIP会员  优惠大
下载10份以上建议开通VIP会员
下载20份以上建议开通SVIP会员


开通VIP      成为共赢上传

当前位置:首页 > 品牌综合 > 施工方案/组织设计

移动网页_全站_页脚广告1

关于我们      便捷服务       自信AI       AI导航        抽奖活动

©2010-2026 宁波自信网络信息技术有限公司  版权所有

客服电话:0574-28810668  投诉电话:18658249818

gongan.png浙公网安备33021202000488号   

icp.png浙ICP备2021020529号-1  |  浙B2-20240490  

关注我们 :微信公众号    抖音    微博    LOFTER 

客服