收藏 分销(赏)

技术部门绩效考核标准.doc

上传人:天**** 文档编号:2144242 上传时间:2024-05-20 格式:DOC 页数:4 大小:77.54KB 下载积分:5 金币
下载 相关 举报
技术部门绩效考核标准.doc_第1页
第1页 / 共4页
技术部门绩效考核标准.doc_第2页
第2页 / 共4页


点击查看更多>>
资源描述
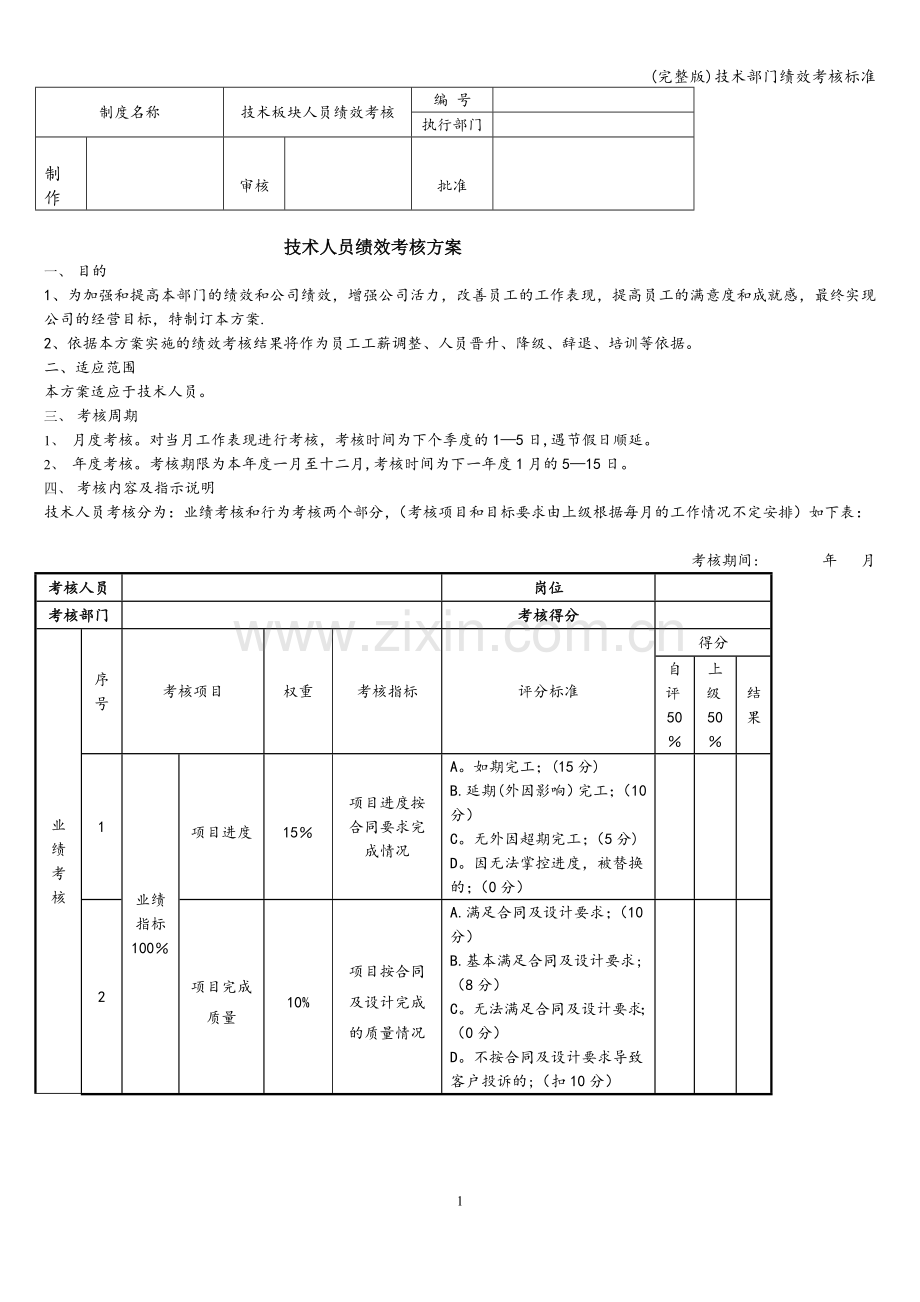
(完整版)技术部门绩效考核标准 制度名称 技术板块人员绩效考核 编 号 执行部门 制作 审核 批准 技术人员绩效考核方案 一、 目的 1、为加强和提高本部门的绩效和公司绩效,增强公司活力,改善员工的工作表现,提高员工的满意度和成就感,最终实现公司的经营目标,特制订本方案. 2、依据本方案实施的绩效考核结果将作为员工工薪调整、人员晋升、降级、辞退、培训等依据。 二、适应范围 本方案适应于技术人员。 三、 考核周期 1、 月度考核。对当月工作表现进行考核,考核时间为下个季度的1—5日,遇节假日顺延。 2、 年度考核。考核期限为本年度一月至十二月,考核时间为下一年度1月的5—15日。 四、 考核内容及指示说明 技术人员考核分为:业绩考核和行为考核两个部分,(考核项目和目标要求由上级根据每月的工作情况不定安排)如下表: 考核期间: 年 月 考核人员 岗位 考核部门 考核得分 业绩考核 序号 考核项目 权重 考核指标 评分标准 得分 自评50% 上级50% 结果 1 业绩 指标 100% 项目进度 15% 项目进度按合同要求完成情况 A。如期完工;(15分) B.延期(外因影响)完工;(10分) C。无外因超期完工;(5分) D。因无法掌控进度,被替换的;(0分) 2 项目完成质量 10% 项目按合同及设计完成的质量情况 A.满足合同及设计要求;(10分) B.基本满足合同及设计要求;(8分) C。无法满足合同及设计要求;(0分) D。不按合同及设计要求导致客户投诉的;(扣10分) 3 项目成本控制 10% 项目成本掌控情况 A。成本控制合理,公司资源利用合理并适当节约开支的;(10分+5分) B.成本控制未超出概预算;(10分) C.成本超支,有正当原因的;(5分) D.成本控制不当,超出预算成本;(0分) 4 日常工作 10% 日常交办工作完成情况 A.主动完成交办工作;(10分) B.被动完成交办工作;(5分) C.交办工作完成较差,需要额外资源协助的;(2分) D.无法完成交办工作;(0分) 5 服务质量 5% 客户及销售 投诉一次扣一分,甲方客户表扬的加5分; 加权合计 工作能力 序号 考核项目 权重 评分标准 得分 自评50% 上级50% 结果 1 业绩 指标 100% 自主工作能力 10% A.无需督促,主动完成工作并积极服务客户;(10分) B.需要督促,被动工作,可以服务客户,需要上级协调资源;(5分) C。工作被动,马虎,没有监督不工作,不提供资源不工作的;(0分) 2 专业技能及知识的掌握 5% A.熟练掌握专业技能及知识,具有相应专业认证证书的(5分) B。基本掌握专业技能及知识;(3分) C.有相关专业基础,可以被培训的;(1分) 3 本岗位胜任度 5% A。具有本岗位或相关岗位工作经验三年,能完成本岗位工作;(5分) B.具有相关岗位工作经验,基本完成岗位工作;(3分) C。具有相关岗位工作经验,无法完成本岗位工作;(0分) 4 执行力 5% A。能够完成既定目标,并能主动解决难题;(5分) B。可以完成既定目标,需要主管或他人协助;(3分) C。执行能力欠缺,需要帮助才可完成任务;(1分) 5 团队合作 3% A。与团队成员合作融洽、顺畅,团队效率高;(3分) B.合作能力一般,需要上级协调;(1分) C.团队合作能力差,无法沟通,浪费公司资源;(0分) 6 自我提升能力 2 A。能够通过实际工作,根据自身不足或特点努力提升自身能力;(2分) B。自我懈怠,不愿总结、学习;(0分) 加权合计 行为 考核 序号 考核指标 权重 指标说明 考核评分 自评50% 上级50% 结果 1 出勤率 5% 满勤计满分,迟到一次扣一分 2 日常行为管理规范 5% 每违反一次扣一分 责任感 10% A.除了做好自己的本质工作外,还主动承担公司内部额外的工作(10分) B.自觉的完成工作任务且对自己的行为负责 (8分) C.自觉地完成工作任务,但对工作中的失误有时推卸责任(5分) D。工作马虎,不能保质、保量的完成任务,且工作态度极不认真(0分) 加权合计 管理制度 1、 每月有违纪行为,每次违纪在总分里扣1分 2、 三次善意迟到以外每次迟到1次在总分里扣除1分 总分 总分=业绩考核得分×100%+行为考核得分×20%= 考核人 签字: 年 月 日 五、 考核实施 1.考核机构 技术部对技术人员进行考核,人力资源部进行监督与配合,考核结果上报总经办审核生效, 2.考核实施程序 (1)根据员工实际工作表现,技术员先自评,技术部总监组织相关人员对照“技术人员绩效考核表”对技术人员进行评估,将评估结果汇总上交人力资源部,人力资源部经审核交领导审批. (2)人力资源部将考核结果于考核后的3日内报考核小组审批. (3)人力资源部将审批后的结束后的5个工作日内将考核结果反馈给被考者,进行绩效面谈 六、考核结果运用 1.考核结果划分 每月考核总分为100分,考核结果实行正态分布法,对不同人的成绩采取不同的人事政策,具体考核结果分4个等级,具体如下表所示: 得分 90分(含以上) 80分(含)-90分 60分(含)-80分 60分以下 等级 优(S) 良(A) 合格(B) 差(C) 七.奖金的发放 1. 月度考核 (1) 月度考核等级为S级的,按月度绩效工资全额发放,满100分绩效奖金100元;超过110分绩效可奖励300元。 (2) 考核等级为A级的,月度绩效工资全额发放 (3) 考核等级为B级的,绩效考核工资发放60%—80% (4) 考核被评为C级的,月度绩效工资不予发放,还扣减岗位工资的10% 2 .年度考核 (1)年度考核评分=月度考核平均值*60%+年终考核得分*40% (2)年度考核评分在90—100分的,年终奖金全额发放 (3)年度考核评分在70—89分的,年终奖金按80%发放 (4)年度考核评分在60—69分的,年终奖金按60%发放 (5)年度考核评分在60以下的,年终奖金不予发放 八.工资调整 1. 年度绩效考核被评为S级的,视工作情况予以适当的加薪 2. 年度绩效被评为A和B的,工资等级不变 3. 年度考核被评为C级的,降低1个工资级别 4. 工资等级的调整半年考核周期开始执行 九.岗位调整 1. 根据年度绩效的优差考核视情况而定.年度考核多次评为S级和A级,公司作为晋升考虑。 2. 年度考核多次评为C级的,公司考虑是否符合岗位及安排岗位培训。 十 考核反馈与申诉 1.绩效面谈 通常情况下绩效考核在结束后一周内,部门主管要与绩效被考者进行绩效面谈,对其上个考核周期内取得成绩表示祝贺,同时对于出现的问题进行分析,以便于今后工作的开展。 2.考核的结果申诉 如果被考核者认为考核结果不公正并与考核者沟通无效,在确有证据证明的情况下可以启动考核结果申诉程序。 3. 超级向考核者上级反应情况 附则 第1条.本考核制度由人力资源部负责制定和解释 第2条.本制度报总经理审核批准后实施 编制人员 审核人员 批准人员 编制日期 审核日期 批准日期 4
展开阅读全文

开通  VIP会员、SVIP会员  优惠大
下载10份以上建议开通VIP会员
下载20份以上建议开通SVIP会员


开通VIP      成为共赢上传

当前位置:首页 > 管理财经 > 绩效管理

移动网页_全站_页脚广告1

关于我们      便捷服务       自信AI       AI导航        抽奖活动

©2010-2026 宁波自信网络信息技术有限公司  版权所有

客服电话:0574-28810668  投诉电话:18658249818

gongan.png浙公网安备33021202000488号   

icp.png浙ICP备2021020529号-1  |  浙B2-20240490  

关注我们 :微信公众号    抖音    微博    LOFTER 

客服