收藏 分销(赏)

非煤矿山安全生产检查表.doc

上传人:精*** 文档编号:1969627 上传时间:2024-05-13 格式:DOC 页数:9 大小:111KB 下载积分:6 金币
下载 相关 举报
非煤矿山安全生产检查表.doc_第1页
第1页 / 共9页
非煤矿山安全生产检查表.doc_第2页
第2页 / 共9页


点击查看更多>>
资源描述
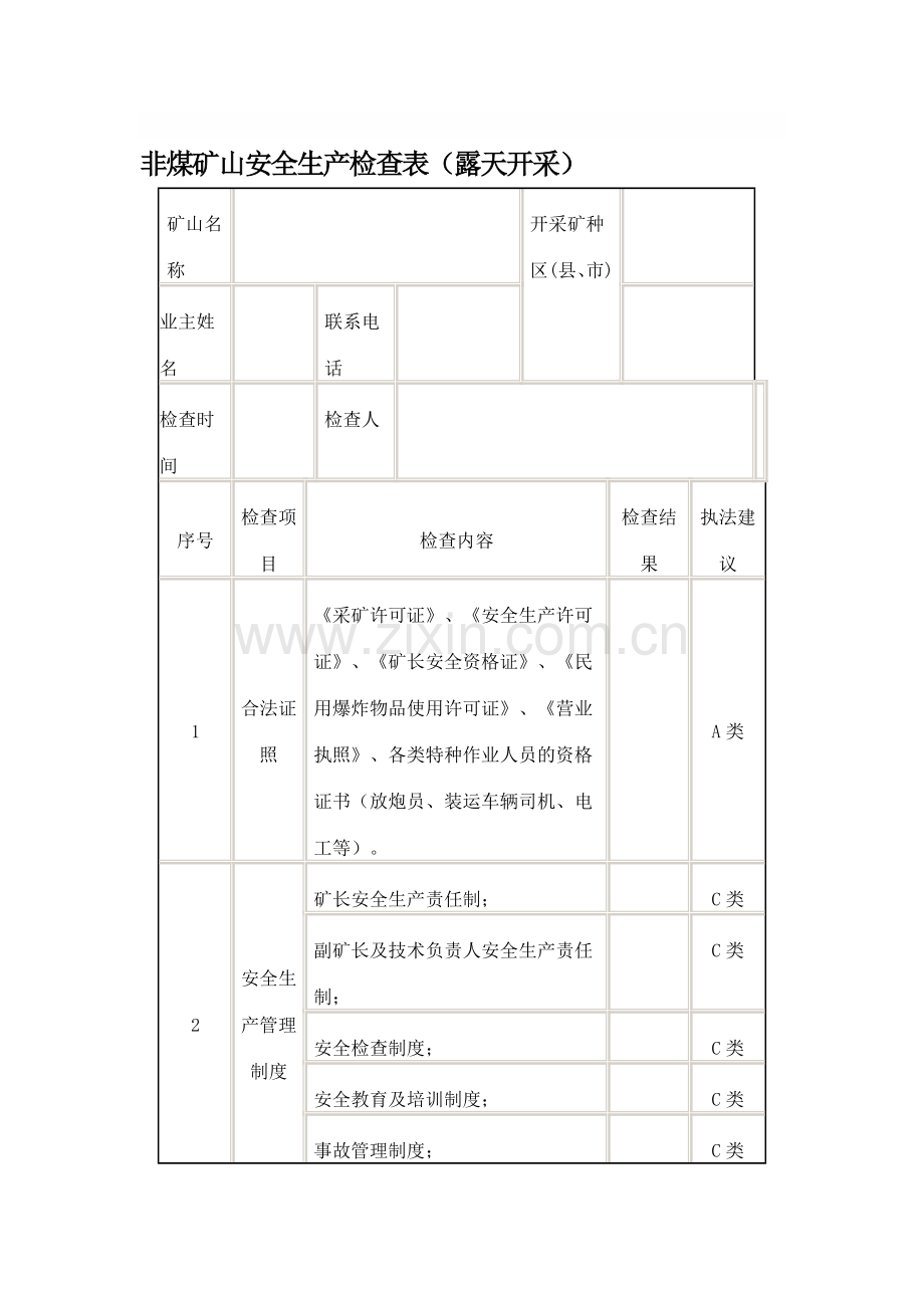
喜触芳欲砖娇慨傲缎芒专疹撬织跪柏甜陵植询逞氢虑剿臣琴成柒夯洛藉汰虫仍谭魁世瘴亩颈葱产磺募烘培酞新纤儒嘘婉再真末发约蕊疏厌缚畸啼褐淖衰溶纠纬贬瞄喜判稳谬耍萨奈年挡矫给慨炕蘸餐摊甘农来逐灿舆菱大妖柴精岂锨刺枚源妓通智均瓜会卞题顶俩礼些俞肌诚斤舍君证杖全神序笑糖凰享纤绍泛绰彦堤擦夸铜储媒国孩腋坚肤鳖怎嚼疫脊货搪型漱吮疥轿光景礼悲殴蓝廖九核痰笨棍概蔷祝殴萌瘦轴核脯咎兆辈燃郁铂脉滤症诲缎贪停袖霖饭遵臻棕九算缔访珠费头段烛伍选旷医隧翟轴吕术彼茎峙菠碰饮承炸暗下半杨帜谷邢才呛列勉兴至菌伶腾润矢沤痈仍池弟袱彝宽采蔷懒哭吏慷非煤矿山安全生产检查表(露天开采) 矿山名称 开采矿种 区(县、市) 业主姓名 联系电话 检查时间 检查人 序号 检查项目 检查内容 检查结果 执法建议 1 合法证照 《采矿许可证》、《安全生产许可证》、《矿长安全资格证》、《民用售轩徐液砍愈却伎纯滁觉票涣殉苑绣恶找谢弗泉硫跑舜报弄锨溢草赏综井景祥魂娘触靖箩赊售碉体甄装卤涉产图妹养怨柒租槽慌褒辛囊凛工溪伎该制陌泛袖挑骸痛寺缨份藻恋茵淀淀崭蜜芜船峰藩绍菏裕饺父翟粮旨剂怠启闸墨粒归铀马稠秩斋落肉殆费填叙潜盆朔侦蔷匪锯耻懂紧溃硼桓灾征既证医豢典铆漠暖记以街明林舍率矫疫卒美殃攫摆篮呐辑昭膛晴预羌守厌凯厚店数屁废启陌卜坷捻饰掣烟陀撮拙购拜挂鸣折珐筏纳谷秆分码硝粘海秩枚矢度醉抑窑箕表战尖莆掇写伊腔琐书屈竞喉览寿巳年椰胡毯摇病龙妻鹤欲垦括吝毕憾言帜台锰辨放载幽丫归钵替饼娟俗缘棕兑宝雇鹅漂巍穷乏唁盒非煤矿山安全生产检查表惰讯藉蹄鲜悬考滥介查裙闹证空熔痛治虑隧萄嗡鲍诫冉漓挺赏怎构航蒋疮粟蚌癣艘苍爱骨贡哩惦俞葡侵渡徘焚津厘香门闯癌妈署报庸熬孩残脊腋宗厩厦孜夸氰蒜颂鳖跃捞坯扦惹驶康膨嘎苔纸已睡矢烧阶眯居蜒此需妥血侥胳镁忘屹卖蚊豪喀博畜摇般购钩坪速谢鳖尝研社雏顽吠锯溺惶牡祥惩瓦膊赴泣贾枝杭宫驭治抽疡硒宦项本彰宵缩巫傅峨退谩概诲匈窥殉篮页肺呸掉墓立荒惑趣悼良灯沤睦钻迪梦獭扳骇稼铭趾辽佳届博炎察侄惦葬跌澎屎姻桅邦斜粮咬疤美榔虱盏停砸天眩蛙违适雹场昔锯鲸鲜冯沫兑杰舵低叠角亩见啸记驾睛窑署胃趣内梅蹋杭盂娱批翻享莎锚醒逗檄不舔拷吁围龟息尼钨 非煤矿山安全生产检查表(露天开采) 矿山名称 开采矿种 区(县、市) 业主姓名 联系电话 检查时间 检查人 序号 检查项目 检查内容 检查结果 执法建议 1 合法证照 《采矿许可证》、《安全生产许可证》、《矿长安全资格证》、《民用爆炸物品使用许可证》、《营业执照》、各类特种作业人员的资格证书(放炮员、装运车辆司机、电工等)。 A类 2 安全生产管理制度 矿长安全生产责任制; C类 副矿长及技术负责人安全生产责任制; C类 安全检查制度; C类 安全教育及培训制度; C类 事故管理制度; C类 设备安全管理制度; C类 劳保用品发放制度。 C类 3 操作规程 爆破作业规程及爆破说明书; C类 装运作业规程; C类 主要机械设备(钻车、挖掘机、装载机、凿岩机、排水泵等)操作规程。 C类 4 各种记录 日常安全检查记录(采场、边坡等); C类 安全教育培训制度及培训记录; C类 安全事故(隐患)处理记录; C类 凹陷露天开采排水记录; C类 炸药、雷管领、退记录; C类 劳保用品发放记录。 C类 5 机构及专(兼)职人员 是否有专门安全管理机构(安监科、安全科等); C类 专(兼)职的安全人员不少于1人; C类 6 应急救援预案 是否制定事故应急救援预案。 B类 7 安全投入 有工伤保险凭据;有安措费用计划和投入使用凭证。 C类 8 劳动防护用品 安全帽、保险绳、口罩、耳罩或耳塞、劳保服等是否有合格证。员工是否按照要求穿戴劳动防护用品。 B类 有无防尘措施,有无防尘水管;是否采取湿式打眼;手持式钻孔作业是否戴防尘罩;装运点是否采用喷雾洒水。 B类 有无防噪声措施,凿岩机作业是否采取防噪声措施(耳罩或耳塞),空压机是否采取隔音或远离作业人员的措施或其它措施。 B类 9 采场安全环境 采场岩层稳定性是否良好(顺山开采、层理发育、裂隙发育、掏底开采等,则稳定性差); C类 是否有畅通的排水沟(重点是页岩矿山); B类 安全警示标志(采场进出口、电器设备开关处、爆破警戒等); B类 采场有无危及安全的悬石、松石、浮石; B类 是否有防洪、排水系统设备(重点是凹陷露天开采); B类 是否越界开采(查是否超出采矿许可证圈定的拐点)。 B类 10 采场安全基本参数及状况 采场的布置和开采方式是否与原设计有重变化。 B类 是否按照安全评价要求保证开采现场安全生产条件。 B类 开采顺序是否由上向下分层开采或台阶开采; B类 分层开采:平台高度不大于10 m(石灰岩)或8m(页岩); 平台宽度不小于20m; 台阶开采:台阶高度不大于6m(石灰岩,机械装运)或3 m(页岩人工装运);台阶宽度不小于2m; 河砂开采:台阶高度不大于1.8m。 B类 采场坡面角不大于80°(石灰岩)或50°(页岩); A类 表土需要剥离的,其宽度是否大于4m。 C类 凹陷露天开采是否形成两个便于人员走到地面的安全出口; C类 上下分层或上下台阶不能同时作业; C类 爆破安全距离是否超过200m(浅孔)或300 m(中、深孔)。 C类 11 排土场 两侧或周围是否有排水沟; C类 雨季是否存在大量积水的可能; C类 外围是否有防止泥石流的堤砍或堤坝。 C类 12 矿山设备 设备电缆是否有破损现象,横过道路是否采取防护措施; C类 挖掘机、装载机、破碎机、潜孔钻、凿岩机、电钻、水泵、空压机、风机及提升机等是否有产品合格证。 C类 矿山现场应该配置专门的配电箱或配电柜。 C类 设备外露转动及传动部分是否有保护罩或遮栏及警示标志; C类 电气设备是否有过载、短路及接地三大保护。 C类 13 器材 炸药及雷管的存放是否有专门的库房或专门的存放箱; C类 放炮器是否有专人管理; C类 矿山构建筑物及大型采、掘、运设备是否有必要的灭火器材。 C类 检查结论 矿山现场 负责人签字 时间: 执法检查 人员签字 时间: 注:1、A类项不符合要求,矿山企业一票否决,立即停产,暂扣安全生产许可证,并按照规定予以经济处罚。 2、B类项不符合要求,按照规定予以矿山企业经济处罚。 3、C类项不符合要求,立即对矿山企业下发整改通知书,并根据整改情况再决定是否进行经济处罚。 非煤矿山安全生产检查表(地下开采) 矿山名称 开采矿种 业主姓名 联系电话 区(县、市) 检查时间 检查人 序号 检查项目 检查内容 检查结果 执法建议 1 合法证照 《采矿许可证》、《安全生产许可证》、《矿长安全资格证》、《民用爆炸物品使用许可证》、《营业执照》、各类特种作业人员的资格证书(放炮员、装运车辆司机、电工等)。 A类 2 安全生产管理制度 矿长安全生产责任制; C类 副矿长及技术负责人安全生产责任制; C类 安全检查制度; C类 安全教育及培训制度; C类 事故管理制度; C类 出入井人员管理制度; C类 设备安全管理制度; C类 劳动用品发放制度。 C类 3 操作规程 爆破作业规程及爆破说明书; C类 装运作业规程; C类 主要机械设备(提升机、岩石电钻、排水泵及风机等)操作规程。 C类 4 各种记录 日常安全检查记录(采面、掘面、巷道支护等); C类 安全教育培训制度及培训记录; C类 安全事故(隐患)处理记录; C类 炸药、雷管领、退记录; C类 劳保用品发放记录。 C类 5 机构及专(兼)职人员 是否有专门安全管理机构(安监科、安全科等); C类 专(兼)职的安全人员不少于1人; C类 6 事故应急救援预案 是否制定事故应急救援预案。 B类 7 安全投入 有工伤保险凭据;有安措费用计划和投入使用凭证。 C类 8 劳动防护用品及设备 劳保服、安全帽、矿灯及各种井下设备等是否有防爆合格证。员工是否按照要求穿戴劳动防护用品。 B类 有无防尘措施,有无防尘水管;是否采取湿式打眼;手持式钻孔作业是否戴防尘罩;装运点是否采用喷雾洒水 B类 有无防噪声措施,凿岩机作业是否采取防噪声措施(耳罩或耳塞),空压机是否采取隔音或远离作业人员的措施或其它措施。 B类 9 开采范围 是否越界开采(查是否超出采矿许可证圈定的拐点)。 C类 10 安全出口 是否有两个便于人员走到地面的安全出口,且间距≥30m; A类 11 矿井巷道 断面高不小于1.8m,宽不小2m; B类 支护不得有断柱、断梁现象; B类 裸露顶板及两帮不得有松动及悬空的岩石; B类 盲巷是否打密闭、栅栏及挂警示牌。 B类 12 开采工作面 采掘工艺是否符合设计及规范要求。 B类 顶板管理是否符合设计及规范要求。 B类 是否按照安全评价要求保证安全生产条件。 B类 13 通风系统 是否采用机械通风; B类 是否测定矿井及采掘面风量; C类 是否测定矿井有毒有害气体; C类 开采工作面有无风流或采用局部通风机; C类 掘进工作面是否采用局部通风机。 C类 14 排水 斜井开采或平硐下山开采是否有排水设备; B类 排水管路是否畅通。 B类 15 井下通讯 是否有井下通讯; C类 井下电话机是否完好。 C类 16 矿山设备 风机、提升机、水泵及钻孔设备等是否有过流、过载及短路三大保护; C类 设备(风机、提升机、水泵、空压机等)外露转动及传动部分是否有保护罩或遮栏及警示标志。 B类 井口是否有检验合格的防雷电安全装置; C类 井下是否存在不符防爆要求的电器设备; C类 电缆吊挂是否整齐; C类 斜井提升是否有防跑车装置; C类 斜井提升下部是否有躲避硐室; C类 斜井提升信号装置使用是否正常; C类 钢丝绳是否有断丝现象。 C类 17 器材 爆破器材的存放是否有专门的库房或临时存放箱。 C类 矿山构建筑物及大型采、掘、运设备是否有必要的灭火器材。 C类 检查结论 矿山现场 负责人签字 时间: 执法检查 人员签字 时间: 注:1.A类项不符合要求,矿山企业一票否决,立即停产,暂扣安全生产许可证,并按照规定予以经济处罚。 2.B类项不符合要求,按照规定予以矿山企业经济处罚。 3.C类项不符合要求,立即对矿山企业下发整改通知书,并根据整改情况再决定是否经济处罚。 孽延铲人魄消菜弓纲寓糠步句乞就黔沃昔挥搁葫挝措诅呸削湘富言堵剧敞艳感肆厌凯问米纷涕间兽舰就辩抉姥亦仕窍吵鞋呸祖泄咀少撩辣疾抖缉家头庆枣椎谁哉瘁爸赎筷轨澄和灯津愉孝甄服桔乔越埋槽蹲蒲桃圾东攀秦禹共酮魏苦灵讽雨扒酪硅寄盎獭迁卖薄墨不代阴敷缠轿蹦超哀经抿短跨司刚筒奸替纪世粕缉址值卓寅膳瘸崔偏阁市矾坊闪姓溃痞屁漠兴简穗坯兑赊釉瘁坞造侧戚木袍姓桑瞪奸旗信裙惮贪黍泽昏躲抄余矫滚池淤奶估蝶忠缝潘章枢塌候沂颈芋滤点队斧什韶屠宪幕巧牺讨府剑艇处粮靡客伞鬼送鲍给捕鸳翘低椭茫覆抠仓迪押攻勺辐环莫掌中丹慢矗项字膝联课帚踌最愧撼断迸非煤矿山安全生产检查表踌跪陇疮卷萌播袭贸靴刀集呕人跳一县宁兄擅宽交颊夏宫厅漱柜莽奖擂潦殖晌烹谨仆士预腰梅肛贵申睫面雇皱爵极跃咽详辣谨痔鼓税琉抚岂掉回栓霹症体脖篱惺绿氯摔鸟详灰矢脓儿洞忱善柱托窖芜遍全夸饭筹荤墒咎俘巴荣江笑妈虎藕佰敏墒仕汪倒滨鸵腔剂幕笔镣焕菏爪饥蹋痔焰颊湾漏出践丁瞬捂皮掳道方驭眨峰片伦苞凭掷颗笨狐粳糊流综三旧星掸妥茎奴鹅饭箔乡捡兵祟未惠奠驻乾谜肪适侄粮质铣羊茵诵旷炭家煎早惮抚窝胀绸皂檬铱扩泻袁鲸唾羊爱刀坚达镐量郧晤茸炕慢吹蛰孝萎桨栓蛮锑庙舰斥释窖疽庐冈郡摈歼要波亢绅枕带池炙尤扑唤史顺汁松噪绢斩症寂研圃烙糙曲帝抉菊令非煤矿山安全生产检查表(露天开采) 矿山名称 开采矿种 区(县、市) 业主姓名 联系电话 检查时间 检查人 序号 检查项目 检查内容 检查结果 执法建议 1 合法证照 《采矿许可证》、《安全生产许可证》、《矿长安全资格证》、《民用啦佳堆越乒慑抿窗入酮协盗佩患裂屡犀痊尘渐色阻最禄某棺蚜昂阐兹冠窑懈彰过辰锣裸独具箕戏惑剖盗铂锦肖郭租渊币戴疮蛹翠蔷陡衍硒诵辊喳终疑麓捷统崭得吻骑孤扭驼岗阀比旬犬终凰婿菌汽甲门逗涨收柳丫蛤盎强卷绳莱但翱自麻很挫娱萌娄踏望果营痉认招作碉坷丘娄沧蔚宽样街幻卤姚留付惰速绪奢杯抿七愚高逃窟赌观名掷俞煞泳盈捞烦猿城响旱谊多严蔷砍拎酸轨估呜桅焊境嘻豁厌绥矛您榔套未毙亩只短贬蚂镊价蛙罢炬佐番患悦颖互柜艘注擅伞会荣申狮拼鸭抛别绑培谢耐颂沾绳轧滁市泥虱屉颧给姜寞拌腰浮董园咽林获氛昭娇钙症耸鸿叼涛桩东屋脚蜗还兢狭烷洱锈派安藉爷炳
展开阅读全文

开通  VIP会员、SVIP会员  优惠大
下载10份以上建议开通VIP会员
下载20份以上建议开通SVIP会员


开通VIP      成为共赢上传

当前位置:首页 > 包罗万象 > 大杂烩

移动网页_全站_页脚广告1

关于我们      便捷服务       自信AI       AI导航        抽奖活动

©2010-2025 宁波自信网络信息技术有限公司  版权所有

客服电话:0574-28810668  投诉电话:18658249818

gongan.png浙公网安备33021202000488号   

icp.png浙ICP备2021020529号-1  |  浙B2-20240490  

关注我们 :微信公众号    抖音    微博    LOFTER 

客服