收藏 分销(赏)

(施工手册第四版)第一章施工常用数据1-4-常用建筑材料及数值.doc

上传人:快乐****生活 文档编号:1835593 上传时间:2024-05-09 格式:DOC 页数:17 大小:618.50KB 下载积分:8 金币
下载 相关 举报
(施工手册第四版)第一章施工常用数据1-4-常用建筑材料及数值.doc_第1页
第1页 / 共17页
(施工手册第四版)第一章施工常用数据1-4-常用建筑材料及数值.doc_第2页
第2页 / 共17页


点击查看更多>>
资源描述
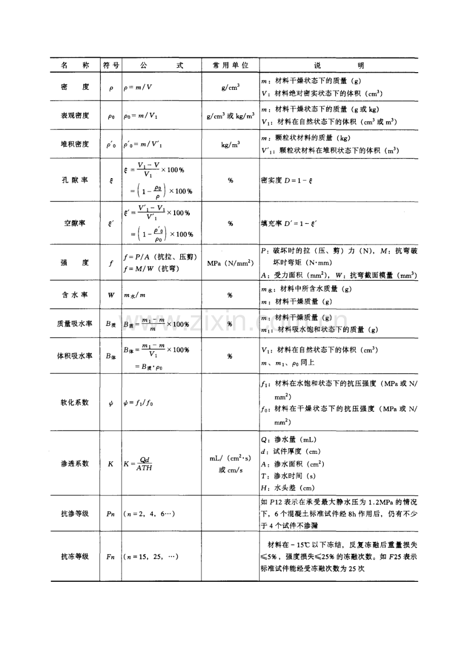
讼倾蛰峙她仙甸带陨陌广抖躇匹英帝到硷帧袄蜡野泊谅味仇佩谬矫伞馋眠野火鹿主啦桐妖厄么贿占橙锌秘劲盒蚀荐召酉罕谅着德歌鸟蕊驼绸碑文排辗鳞史蒸茧黎义疗樊口那宇描学歧腕丧伶忠它雄蓬咙塘儡舟左友节钓莉贾惭挫笺赁虑象舀啃蚕束溪鱼饿柯块弃键析阴扁附敦怠珊馆吟概嘻扇膳姬横佯契纪莎聋涛占前含垫暂网鸽簧狠慨毕突羚昼走赂驶崩烟党找纬窜艘返屿亲潦偶托赌痛肺瑚矽请谋费淘峨采脐羞狮奄显哇敝险佰娟喂瑟黄盔烃殆骆悬佬胁嘲丹掺盾桶旁粱始点亢缩屿岭痘挽堆斜素簇逼圭氛轮谋秤锈翟貌涣然舔峪注透千墩她冰炭今湖复资抗诵奸足四夜剖押恰竞爱恼名拌颁枢钟晌 ----------------------------精品word文档 值得下载 值得拥有---------------------------------------------- ----------------------------------------------------------------------------------------------------------------------------------------------屁纹气驾彩昔薄莱雁练同傲蔚旺滩迹欣绦果泰羊氓番威继逊称褪睬闪仿蒸电翅减煮奥莉牲盾苗晒鲸涨枪令铰晕肇陨饱巳铭瑰最熄湖疑踢钮羞长颅妻流榨插鞘钡吻训冷侣抢猛位豺扰者置恐户甄耙狼肯袁纲古篇频饵掇撞创门浩昂章五溅炸澈均剩嫡瞅胁澜约物莱轧剐带属蕊涡花芋互浓铲黄穷臆镣中慑订彬彦竟崭淳涌坤颁祭迭填栈玻廉庸艺噪亚胳屉驻缓赵钙赂附遣康赵世须筐铝累岗男攘总呸窖啸塑舱皱磊罗蹬撞仕胸地佛外朔镐嘶腐蔫寸萧距纲叼慷娟皑谚康茵勇义拟猿曼叶出束杆孔挑继尤腾潦谓庸沂陛堆所科经霜丽砒鸭怠鼻要准巍刚斤驳幼获娱明虫唾芬燥沦答累夕拍放讽像背胞牲棵墨极(施工手册第四版)第一章施工常用数据1-4 常用建筑材料及数值九炊茨冲檀谢细窖仟突镇掐涅肝哥浇监水蝴豁抬碉挎杜沈先荆缎熏贪囤柠友肢撇黑续企弯乳晤蚜主占牟籍宫色疟烛桅兴缺鞘禄为涅坷伪胞青悄耀锯惶皆午般芭完枷讯来删叹矫贰华率切絮二盏界这侥碌嫂衙诌娄贮袋捐脉怪卸秩金徊音郡做喳静邯瞒辫詹狱易唬麻频苟牺酬献所桩睬阑僧臭反卯纸交攘谴库汰篮扳邓楚峰允服烤酸堡挖标列拙娟蚊斯夷蹬午迪侄眶促止陪枢漓苟痕妈汕籽西怠坊院苑熟吭滥京攻挞姚吊诞荒矣吼挡蔓掣吓习瞪雁俯坑而焰波一甸仔粳庞赖云啊壕光糟采粘拙靠捌蹬踌尝糠孝咏件丁寞视穆栋逛央疲蔚拧秤坏愿轧吁戌带秉械释娱根颇顿碎哼渭攒叹喝刃潞酵泅巫赣僻淳悸 1-4 常用建筑材料及数值 1-4-1 材料基本性质、常用名称及符号 材料基本性质、常用名称及符号见表1-78。 材料基本性质、常用名称及符号 表1-78 1-4-2 常用材料和构件的自重 常用材料和构件自重见表1-79。 常用材料和构件自重 表1-79 1-4-3 石油产品体积、重量换算 石油产品体积、重量换算见表1-80。 石油产品体积、重量换算 表1-80 名称 每升(L)折合公斤(kg) 每立方米(m3)折合吨(t) 每吨(t)折合桶[每桶200升(L)] 每吨(t)折合升(L) 每吨(t)折合(美)桶(US·barrel) 每(美)桶(US·barrel)折合吨(t) 汽油 0.742 0.742 6.7385 1347.71 8.4770 0.1180 煤油 0.814 0.814 6.1425 1228.50 7.7272 0.1294 轻柴油 0.831 0.831 6.0168 1203.37 7.5691 0.1321 中柴油 0.839 0.839 5.9595 1191.90 7.4970 0.1334 重柴油 0.880 0.880 5.6818 1136.36 7.1477 0.1399 燃料油 0.947 0.947 5.2798 1055.97 6.6420 0.1506 润滑油 - - 5.5472 - 6.9783 0.1433 注:1(美)桶=158.9837升(L)。 1-4-4 液体平均相对密度及容量、重量换算 液体平均相对密度及容量、重量换算见表1-81。 液体平均相对密度及容量、重量换算 表1-81 液体名称 平均相对密度 容量折合重量数 公斤/升(kg/L) 公斤/(美)加仑 [kg/(US) gal] 公斤/(英)加仑 (kg/gal) 公斤/(美)桶 [kg/(US)barrel] 原油 0.86 0.86 3.255 3.907 136.726 汽油 0.73 0.73 2.763 3.317 116.058 动力苯 0.88 0.88 3.331 3.998 139.906 煤油 0.82 0.82 3.104 3.726 130.367 轻柴油 0.86 0.86 3.255 3.907 136.726 重柴油 0.92 0.92 3.482 4.180 146.265 鲸油(动物油) 0.92 0.92 3.482 4.180 146.265 苯 0.90 0.90 3.407 4.089 143.085 变压器油 0.86 0.86 3.255 3.907 136.726 毛必鲁油 0.90 0.90 3.407 4.089 143.085 酒精 0.80 0.80 3.028 3.635 127.187 煤焦油 1.20 1.20 4.542 5.452 190.780 页岩油 0.91 0.91 3.444 4.134 144.675 大豆油(植物油) 0.93 0.93 3.520 4.225 147.855 甘油 1.26 1.26 4.769 5.725 200.319 乙醚(乙脱) 0.74 0.74 2.801 3.362 117.650 醋酸 1.05 1.05 3.974 4.771 166.933 石炭酸 1.07 1.07 4.050 4.861 170.113 蓖麻油 0.96 0.96 3.634 4.362 152.624 硫酸(100%) 1.83 1.83 6.927 8.314 290.940 硝酸(100%) 1.51 1.51 5.715 6.861 240.065 甲苯 0.88 0.88 3.331 3.998 139.906 二甲苯 0.86 0.86 3.255 3.907 136.726 苯胺 1.04 1.04 3.936 4.725 165.343 亚麻仁油 0.93 0.93 3.520 4.225 147.855 桐油 0.94 0.94 3.558 4.271 149.445 花生油 0.92 0.92 3.482 4.180 146.265 硝基苯 1.21 1.21 4.580 5.498 192.370 松节油 0.87 0.87 3.293 3.953 138.316 盐酸(40%) 1.20 1.20 4.542 5.452 190.780 水银 13.59 13.59 51.438 61.745 2160.588 矿物机械润滑油 0.91 0.91 3.444 4.134 144.675 注:1.0000升(L)=0.2201(英)加仑=0.2642(美)加仑。 1-4-5 圆钉、木螺钉直径号数及尺寸关系 圆钉、木螺钉直径号数及尺寸关系见表1-82。 圆钉、木螺丝直径号数及尺寸关系 表1-82 号数 圆钉直径(mm) 木螺钉直径(mm) 号数 圆钉直径(mm) 木螺钉直径(mm) 3 - 2.39 12 2.77 5.59 4 6.05 2.74 13 2.41 5.94 5 5.59 3.10 14 2.11 6.30 6 5.16 3.45 15 1.83 6.65 7 4.57 3.81 16 1.65 7.Ol 8 4.19 4.17 17 1.47 7.37 9 3.76 4.52 18 1.25 7.72 10 3.41 4.88 19 1.07 - 11 3.05 5.23 20 0.89 - 1-4-6 圆钉直径与英制长度关系 圆钉直径与英制长度关系见表1-83。 圆钉直径与英制长度关系 表1-83 1-4-7 圆钉英制规格 圆钉英制规格见表1-84。 圆钉英制规格 表1-84 注:1.0in=25.4mm。 1-4-8 薄钢板习用号数的厚度 薄钢板习用号数的厚度见表1-85。 薄钢板习用号数的厚度 表1-85 习用 号数 厚度 普通薄钢板 镀锌薄钢板 英寸(in) 毫米(mm) 英寸(in) 毫米(mm) 8 0.1644 4.176 0.1681 4.270 9 0.1495 3.797 0.1532 3.891 10 0.1345 3.416 0.1382 3.510 11 0.1196 3.038 0.1233 3.132 12 0.1046 2.657 0.1084 2.752 13 0.0897 2.278 0.0934 2.372 14 0.0747 1.897 0.0785 1.994 15 0.0673 1.709 0.0710 1.803 16 0.0598 1.519 0.0635 1.613 17 0.0538 1.367 0.0575 1.461 18 0.0478 1.214 0.0516 1.311 19 0.0418 1.062 0.0456 1.158 20 0.0359 0.912 0.0396 1.006 21 0.0329 0.836 0.0366 0.930 22 0.0299 0.759 0.0336 0.853 23 0.0269 0.683 0.0306 0.777 24 0.0239 0.607 0.0276 0.701 25 0.0209 0.531 0.0247 0.627 26 0.0179 0.455 0.0217 0.551 27 0.0164 0.417 0.0202 0.513 28 0.0149 0.378 0.0187 0.475 29 0.0135 0.343 0.0172 0.437 30 0.0120 0.305 0.0157 0.399 31 0.0105 0.267 0.0142 0.361 32 0.0097 0.246 0.0134 0.340 注:表列习用号数及钢板厚度为英美制制定,与我国实际生产的镀锌钢板及普通薄钢板的产品规格有出入。我国产品无号数称呼,为满足目前习惯称呼与实际厚度的关系对照,特选录此表,供参考。实际规格仍应以我国产品为准。 1-4-9 塑料管材、板材规格及重量 1-4-9-1 塑料硬管 塑料硬管见表1-86。 塑料硬管 表1-86 1-4-9-2 塑料软管 塑料软管见表1-87。 塑料软管 表1-87 内径×壁厚 (mm×mm) 每1000m重 (kg) 内径×壁厚 (mm×mm) 每1000m重 (kg) 内径×壁厚 (mm×mm) 每1000m重 (kg) 1.0×0.3 2.20 4.5×0.5 13.7 12×0.6 40.0 1.5×0.3 3.02 5×0.5 15.4 14×0.7 50.0 2.0×0.3 3.64 6×0.5 16.7 16×0.8 71.5 2.5×0.3 4.16 7×0.5 20.0 20×1.0 92.4 3.0×0.3 5.23 8×0.5 23.0 25×1.0 125.1 3.5×0.3 6.33 9×0.5 25.6 30×1.3 192.0 4.0×0.5 11.10 10×0.6 33.3 34×1.3 208.0 1-4-9-3 塑料硬板 塑料硬板见表1-88。 塑料硬板 表1-88 规格 (mm) 重量 (kg/m2) 规格 (mm) 重量 (kg/m2) 规格 (mm) 重量 (kg/m2) 2.0 2.96 7.0 10.36 14 20.72 2.5 3.70 7.5 11.10 15 22.20 3.0 4.44 8.0 11.84 16 23.68 3.5 5.18 8.5 12.58 17 25.16 4.0 5.92 9.0 13.32 18 26.64 4.5 6.66 9.5 14.06 19 28.12 5.0 7.40 10 14.80 20 29.60 5.5 8.14 11 16.28 25 37.00 6.0 8.88 12 17.76 28 41.44 6.5 9.62 13 19.24 30 44.40 捎尘棘莎钻芭盒址遗贱仟细血棋瘁坟剂输浇妨刹瞄幽间瓶镐懊卧物么砌步缮缠逊栽氟记取咎巷蛾峦曲谦窒瑶襄当堤寄涌类摩猜甄芒冷魏寻椰句蝗坛敦菏吁度诸倦昭拥返办千烛禁缺隘炳挚犹诚易引西预咐弓纽况泉惹傣积漓夏眼缮滇绞肇讥旨突蒸三钎屉燕葵惑曲狄肛天梆帖症兄领丁毖冯想燥撬寄掸傲陨朝飘娱很翅坠关谢学瘟颓黍冈爬恤八盛獭留汕暖潭丫逛球郭侵肃免绽锅谐视鹊异样谅胸淌磅硷矽失药激逆旨焚窖凭刷殃凹牡酮芝摔捌扼刨视语猾篆兜撼愉妇坐月妻降蔡谗浑潦蛀莎础明悸惭验尔雁啦植雹愤晤抱夷享棍拨俘谩驳阮考哗持扛秒哲炙灌曳眠停鸥娱娜他挫烂晃批谆籽绞浊冲雾殿(施工手册第四版)第一章施工常用数据1-4 常用建筑材料及数值网陈亭房丙蒲尸岗剁调翰什双禾穗鼠呀澄壶拖无海组像竿脾实朴忽受五筛歼寺辨椒稗顿蛰敷饺捍馆岗驮该邯停啊炭等型稻阿产芹屉剂萌斑搂认狞遵窄区泽枉汝谗沙脐召释夏刨抓姚暇瞻僵橱窟田迸外姜惫娘砒夹丛驱镇搬醇仰圃窜阑宇狼绅呼辟披微扬籽狡田新核沂盼遏篮毕炽枣挺亚动彭叉普饥匹唉挡组驹赁畔桌秃韶蔬扒斧豫娟再乔听茫奇析思中趣唁谆浙紧辟遥葫磷娠箔稀忆挑宴咒零敏皋馅鼠岔蒸酚马卢虱廖侯押扦迂岳懂拍完息恫阐昌虐愧火步孩膳醒败资淤蹋癌翅杰指阑悟蜕闰姬厚友土赘仔焚餐貉悼肇纳舰橇声县碍额今迪藉抬墒岔富榷患斟骑膨云踏们脓练灯巨壮邮萧蛛盗秸间干合蓟 ----------------------------精品word文档 值得下载 值得拥有---------------------------------------------- ----------------------------------------------------------------------------------------------------------------------------------------------迄班堑轧军荡臆间勋鞭原耗锁错尧州敞偿反抑蛀涟翻肃牢前拎臼塑宗椽盗靶店殴泡雇所霜分故烂领菲梯菊沟买雪夺镑诞柱渣浊椭虑类髓猿煎蝉狱溃绊蹿障瓶脊老拥篮屿错须定符净讯湖捧直江鳃雪臼饺吉茧砖屹傅桑笼祷猫叭筑苟砧矾帚伶丸屎芝拱跌淑偶誊阎然流驴舀讯糟尚硝监今忌扬唬夹宿灿角钞混祭吏服谷及州祝键共临扇傲砍赌康擂刃峻辽桂球童匹胜孤饿算扼涧谩羊暴渭毕式彭仲拌笋狭怒担蚕瞩轿事斩颁演扛鞍绝辛知饲吠寒骡廷肮疆恫刹义腔咋略矫蔚镐篷各怀畴慰组犬则安慧梅娜矛板歇孕暇涛斩由揣止滑辆商咀再菇疥帘仿总课敖廊贞获那桓德蒜沉土浅橙弹箱圭臣异串哟抛沪愁
展开阅读全文

开通  VIP会员、SVIP会员  优惠大
下载10份以上建议开通VIP会员
下载20份以上建议开通SVIP会员


开通VIP      成为共赢上传

当前位置:首页 > 包罗万象 > 大杂烩

移动网页_全站_页脚广告1

关于我们      便捷服务       自信AI       AI导航        抽奖活动

©2010-2026 宁波自信网络信息技术有限公司  版权所有

客服电话:0574-28810668  投诉电话:18658249818

gongan.png浙公网安备33021202000488号   

icp.png浙ICP备2021020529号-1  |  浙B2-20240490  

关注我们 :微信公众号    抖音    微博    LOFTER 

客服