收藏 分销(赏)

机械类综合课程设计--综采工作面设备选型设计.doc

上传人:可**** 文档编号:12100258 上传时间:2025-09-12 格式:DOC 页数:55 大小:1.12MB 下载积分:8 金币
下载 相关 举报
机械类综合课程设计--综采工作面设备选型设计.doc_第1页
第1页 / 共55页
机械类综合课程设计--综采工作面设备选型设计.doc_第2页
第2页 / 共55页


点击查看更多>>
资源描述
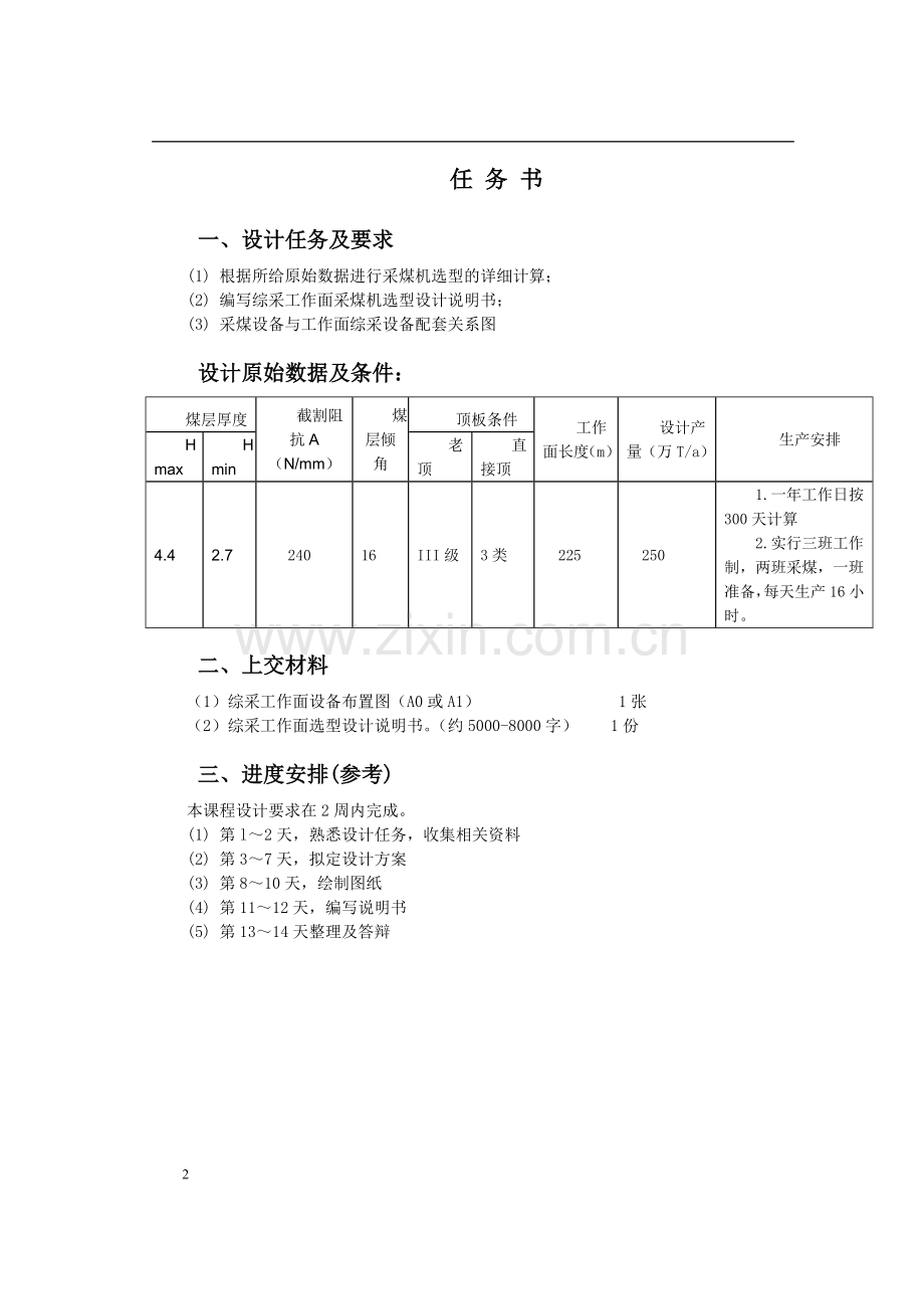
兰州大学 机械类综合 课程设计 题目:综采工作面设备选型设计 班  级: 机械二学位15—1 姓 名: 夏雨 学 号: 1501210122 指导教师: 完成日期: 2017.01.04 任 务 书 一、设计任务及要求 (1) 根据所给原始数据进行采煤机选型的详细计算; (2) 编写综采工作面采煤机选型设计说明书; (3) 采煤设备与工作面综采设备配套关系图 设计原始数据及条件: 煤层厚度 截割阻抗A(N/mm) 煤层倾角 顶板条件 工作面长度(m) 设计产量(万T/a) 生产安排 Hmax Hmin 老顶 直接顶 4.4 2.7 240 16 III级 3类 225 250 1.一年工作日按300天计算 2.实行三班工作制,两班采煤,一班准备,每天生产16小时。 二、上交材料 (1)综采工作面设备布置图(A0或A1) 1张 (2)综采工作面选型设计说明书。(约5000-8000字) 1份 三、进度安排(参考) 本课程设计要求在2周内完成。 (1) 第l~2天,熟悉设计任务,收集相关资料 (2) 第3~7天,拟定设计方案 (3) 第8~10天,绘制图纸 (4) 第11~12天,编写说明书 (5) 第13~14天整理及答辩 五、成绩评定 优秀 良好 中等 及格 不及格 满分 得分 平时表现 勤奋好学,善于思考 勤奋积极,态度认真 比较勤奋 不够勤奋 不勤奋,态度不端正 10 图纸质量 方案合理新颖,表达规范 方案合理,图纸比较规范 方案一般,图纸基本规范 方案基本合理,图纸欠规范 方案不合理,图纸不规范 40 说明书质量 内容全面,准确 内容全面,基本准确 内容一般,准确性一般 内容基本全面,有小错误 内容不全,错误较多 20 答辩 回答问题准确流利 回答问题比较准确 回答问题基本准确 回答问题欠准确 回答错误 30 总分 100 综合评定成绩: □优秀、 □ 良好、 □中等、 □ 及格、 □不及格 指导教师     日  期 2017.01.04  摘 要 本设计主要研究了综采工作面采煤机的设计综合机械化采煤是指完成落煤,装煤,运煤以及顶板支护等一系列机械化的总称。本设计所研究的煤层采高2.7-4.4米的中厚煤层,是较为常见的,所以选型比较容易,采煤机型号的选择主要根据煤层硬度,厚度,倾角等因素来选取,选型后计算采煤机的主要参数,采高,截深,生产力,牵引速度,牵引力,截割速度和装机功率,然后选择与之能够配套的相关设备。 Abstract This design study of the fully mechanized coal face miner design mechanized mining of coal is used to finish off, installed a series of general mechanized coal, coal and roof support and the like. The design of the study 2.7-4.4 meters high seam mining in thick coal seam, is more common, so the selection easier, Shearer model selection based primarily on coal seam hardness, thickness, angle and other factors to select, after the selection calculation the main parameters of shearer, cutting height, cutting depth, productivity, speed traction, traction, cutting speed and installed power,and then choose to be able to support the relevant equipment. 目 录 5.2.6 刮板输送机刮板链强度验算 34 6 液压支架 36 6.1 液压支架架型的确定 36 6.1.1 顶板类型及其分类 36 6.2 液压支架参数的确定 38 6.2.1 支架高度确定 38 6.2.2 支架的伸缩比确定 39 6.2.3 顶梁长度的确定 39 6.2.4顶梁宽度的确定 40 6.2.5 底板的长度确定 41 6.2.6 底座的宽度 41 6.2.7 支架中心距 41 6.2.8 支架移架步距 41 6.2.9 支护强度和工作阻力 41 6.2.10 初撑力确定 43 6.2.11 移架阻力及推溜力 43 6.3 初选液压支架型号 43 6.4 性能验算 44 6.4.1 底板比压校核 44 6.4.2 工作阻力(支架强度)初撑力验算 44 6.4.3 顶板覆盖率 44 6.4.4 支架布置台数 45 6.5 端头支架 45 6.6 小结 46 7顺槽转载机选型 46 7.1 桥式转载机概述 46 7.2 转载机选型计算 46 7.2.1 转载机运输能力计算 46 7.2.2 选择转载机 47 8 乳化液泵站的选型 48 8.1 乳化液泵站的组成 48 8.2 乳化液泵站的计算 48 8.2.1 乳化液泵站压力的确定 48 8.2.2 乳化液泵站流量的确定 50 8.2.3 选择乳化液泵 51 8.2.4 乳化液泵的电机功率 51 8.3 乳化液箱容积的验算 52 8.4 乳化液 53 8.5 小结 53 9综采工作面通风系统及合理配风量确定 54 9.1 综采工作面通风系统确定 54 9.2 综采工作面合理通风参数及其配风量 54 9.3 小结 55 10综采工作面三机配套 55 10.1 工作面三机生产能力配套 55 参考文献 58 55 1 综述 1.1 工作面综述 此工作面设计长度225m,煤层厚度2.7m--4.4m。老顶为III级,直接顶为3类,截割阻抗240N/mm,煤层倾角16°,底板坚硬,设计年产量250万吨。 1.2选型的基本原则 1.2.1采煤机 ⑴采煤机必须满足煤层开采厚度和煤的切割阻力的需要,要与煤层的倾角适应。 ⑵采煤机以最小的电耗获得最大的采煤速度即最大的生产能力,以及获得最佳的块度。 ⑶要考虑与支架和运输机配套,与支架移支速度和运输机运煤能力相适应。 ⑷具备有效的喷雾抑尘装置。 1.2.2运输机 ⑴要满足工作面长度和倾角对于运输机铺设长度和稳定性的要求。 ⑵运输机必须与采煤机的能力相适应,要保证采煤机效能的发挥。 ⑶要与支架和采煤机配套,保证采煤机骑溜(或不骑溜)正常运行。 ⑷能在正常状态下随采煤机之后适当弯曲,并配有清扫浮煤的装置,并使移置液压支架和拖动电缆方便。 1.2.3液压支架 ⑴要顶得住,它的初撑力和工作阻力要适应直接顶和老顶岩层移动所产生的压力(包括二次来压),使控顶区的顶板下沉量限制到最小程度。 ⑵要移得走,它的结构形式和支护特性,要适应直接顶下部岩层的冒落特点,尤其要注意顶板在暴露后尚未支护情况下的破碎状态,要尽量保持该处顶板的完整性。支架底座要适应底板岩石的抗压强度,以防底软而使支架陷入底板。 ⑶要适应采高变化和按煤层倾角考虑的对支架稳定性的要求。 ⑷要满足通风(尤其是高瓦斯工作面)和行人的需要,以及要和采煤机、运输机配套。 ⑸要考虑投资,力求以较低的投资获得所需的技术经济效果。支架复用次数高,损坏情况少,即能降低吨煤成本。 由于以上这些要求显而易见,故不拟作过多的说明。 按开采技术特点,可将煤层厚度分三类:⑴薄煤层------从最小可采厚度到1.3m;⑵中厚煤层------1.3-3.5m;⑶厚煤层------大于3.5m。 按开采技术特点,将煤层倾角分为三类:⑴缓倾斜煤层------0°-25°; ⑵倾斜煤层------25°-45°;⑶急倾斜煤层------45°-90°。倾角小于12°的煤层对于综采机械化来说,最为有利,一般可以不考虑设备自重分力的影响。煤层倾角加大,会使采煤机上行采煤时的牵引阻力加大,并造成机器下滑的危险;使支架的横向稳定性变坏,甚至下滑、倾倒;输送机也会下滑,给采煤工作造成困难。 1.2.4其他设备选型原则 乳化液泵站的选型要结合液压支架来进行选型,乳化液泵站的公称压力和公称流量能够提供液压支架符合正常工作的初撑力要求,移动变电站通过工作面机械设备的功率,功率因数等参数的计算进行选型,移动变电所的输出电压及容量满足工作面机械设备正常工作与生产要求。 2.概况 2.1国外采煤机的发展历史 在20世纪70年代初期,国外部分厂商开始在煤矿机械上使用电气调速技术,用于改进采机械设备的牵引方式。美国JOY公司研制成功了1LS多电机横向布置直流电牵引采煤机,此后又陆续研制了2LS-6LS等型多电机横向布置电牵引采煤机。7LS5采煤机总功率1940kW,牵引速度30m/min,采用JOY Ultratrac2000 型强力销轨无链牵引系统,加大销轨节距和宽度,并采用锻造销排,装备了与6LS5型通用的JNA机载计算机信息中心,具有人机通讯界面、故障诊断图形显示和储存、无线电遥控、牵引控制和保护等功能。 德国公司于1976 年研制成功直流电牵引采煤机,并基本停止了液压牵引采煤机的研发,此后又陆续开发了多种形式电牵引采煤机。20世纪90年代开发的SL系列横向布置交流电牵引采煤机,将截割电机布置在摇臂上。其中SL500型电牵引采煤机装机功率达1 815 kW,最大牵引力869 kN;SL300型电牵引采煤机总装机功率1138 kW,采用双变频器一拖一系统,最大牵引速度达36.7 m /min;SL1000型采煤机装机功率达2600 kW,牵引力1003kN。控制系统具有交互式人机对话、设备状态监测与故障预报、在线控制、数据传输等功能。 英国long - Airdox公司于1984年研制成功第1台将截割电机布置在摇臂上的多电机横向布置Electra55V型直流电牵引采煤机,在此基础上又开发出功率更大的Electra1000型直流电牵引采煤机。20世纪90年代,在Electra系列机型基础上,进一步加大功率,改进控制系统,开发了EL系列交流电牵引采煤机, 主要机型EL600、EL1000、EL2000、EL3000型。在EL系列机型上装置的Impact集成保护及监控系统具有负荷控制、机器监控、采煤机自动定位、自动调高、区域控制、智能化安全联锁、随机故障诊断和数据传输等功能。 日本三井三池制作所1987年后陆续研制成功多种截割电机纵向布置的MCLE - DR系列交流电牵引采煤机,近几年又开发了截割电机横向布置的多电机交流电牵引采煤机。采煤机装有微机工况监测及故障诊断系统,可数字显示牵引速度、滚筒位置、留顶底煤厚度、电机负载及各处温度,具有无线遥控装置,并可加装红外线发射器操纵采煤机。 波兰在与中国合作研制成功KSE-344型薄煤层交流电牵引采煤机的基础上,陆续开发了KSE-360、KSE-700、KSE-800RW/2BP、KSE-535S、KSE1000型等交流电牵引采煤机。采煤机截深有630mm提高到800-1000mm。 前苏联20世纪70年代研制出K128Ⅱ直流电牵引采煤机后,又相继研制成功多种直流电牵引采煤机。90年代开发了K-88型等交流电牵引采煤机。总体来看,俄罗斯的电牵引采煤机功率较小,直流牵引,性能参数较低。 2.2我国采煤机的发展历史 从上世纪八十年代开始,我国进入了采煤机发展的兴旺时期,在 广泛吸取国外先进技术的同时,不断的实践创新,锐意进取,重视采煤机成系列的开发,不断矿大使用范围,同时推广使用无连牵引,是采煤机工作更平稳,使用更更安全。在九十年代,电牵引技术逐渐成熟,多电机驱动横向布置的总体结构成为电牵引采煤机发展的主流,为提高生产效率立下了汗马功劳。 随着科技的进步,开发高产高效矿井综合配套设备已成为我国煤炭科技发展的主流:大功率、大截深电牵引采煤机被广泛的开发和使用,一些世界前沿的先进技术也被用到了采煤机的开发应用中,如变频技术,远程监控、无线遥控等等,为更好的服务我国煤矿事业奠定了坚实的基础。 1991年 ,煤炭科学总院上海分院与波兰合作,在国内率先研制成功了我国第一台交流变频调速技术的薄煤层爬底板采煤机后,上海分院又先后研制成功了截割电机纵向布置的交流电牵引采煤机、截割电机横向布置的适用于中厚和较薄煤层的交流电牵引采煤机,并成功应用于晋城、淮南、徐州、大同等矿务局。 到目前为止,国内采煤机生产厂家均对交流电牵引采煤机进行了大量的研究开发。上海分院研制的MG系列电牵引采煤机已形成9大系列共几十个品种,现正在开发装机功率达1800kw的交流电牵引采煤机;太原矿上机器厂与上海分院合作,将AM500液压牵引采煤机改造成MG375/830-WD型交流电牵引采煤机后,又与兖州矿业集团合作,研制成功了MGTY400/-3.3D型交流电牵引采煤机;鸡西煤机厂与上海分院合作将MG2×300-W型液压牵引采煤机改造MG300/360-WD型交流电牵引采煤机后,又开发了MG200/463型、MG400/985型交流电牵引采煤机;辽源煤机厂与邢台矿业集团合作研制成功了我国首台应用电磁转差离合器调速技术的MG668-WD型电牵引采煤机;无锡采煤机厂与中纺机电研究所合作,开发研制成功了国内首台应用开关磁阻电机调速技术的MG200/500-CD型电牵引采煤机。 采煤机发展到现在,随着各项技术的掌握,我国将在以下方面进行攻关研究,力争赶上世界先进水平: 1.大功率、大截深电牵引采煤机的进一步研究; 2.大功率采煤机的工况监制。故障诊断于控制系统的研究; 3.为最大限度的利用我国能源,着力研制发展薄煤层采掘机; 4.应用高新技术,严格管理,提高可靠性. 在电牵引采煤机的研制领域,我国虽然取得了一些客观的成绩,但与目前与国外先进的采煤机相比,再总体参数性能方面尚有较大差距,某些关键部件的性能、功能、适用范围还亟待完善和提高,尤其是线监控、故障诊断及预报、信号传输与采煤机自动控制、传感器等智能化技术和机械部件的可靠性、寿命与国外的相比差距很大,此外,我国在采煤机的机械结构参数设计、加工制造和材质性能上与国外先进水平也有较大的差距。因此,为提高产品质量,采煤机的机械传动系统理论设计尚需加大研究力度。 2.3中国电牵引采煤机的发展状况 2.3.1 20世纪70年代是我国综合机械化采煤起步阶段 20世纪70年代初期,煤炭科学研究总院上海分院集中主要科技骨干,研制出综采面配套的MD-150型双滚筒采煤机,另一方面改进普采配套的DY100型、DY150型单滚筒采煤机;70年代中后期,制造出MLS3-170型双滚筒采煤机。20世纪70年代我国采煤机的发展有以下特点: 1.装机功率小 例如,MLS3-170型双滚筒采煤机,装机功率170KW;KD-150型双滚筒采煤机,装机功率150KW;DY-100和DY-150型单滚筒采煤机,装机功率100KW和150KW。 2.有链牵引,输出牵引力小 此时期的采煤机牵引方式都是圆环链轮与牵引链轮啮合传动,传递牵引力小,牵引力在200KN以下。 3.牵引速度低 由于受液压元部件可靠性的限制,设计的牵引力功率较小,牵引速度一般不超过6m /min 。 4.自开切口差 由于双滚筒采煤机摇臂短,又都是有链牵引,很难割透两端头,且容易留下三角煤,故需要人工清理,单滚筒采煤机更是如此. 5.工作可靠性较差 我国基础工业比较薄弱,元部件质量较差,反映在采煤机的寿命普遍较低,特别是液压元部件的损坏比较严重。 2.3.2 20世纪80年代是我国采煤机发展的兴旺时期 20世纪70年代后期,我国总共引进143套综采成套设备。世界主要采煤机生产国如英国、德国、法国、波兰、日本等都进入中国市场,其技术也展示在中国人的面前,为我们深入了解外国技术和掌握这些技术创造了条件,同时通过20世纪70年代自行研制采煤机的实践,获得了成功和失败的经验与教训,确立了我国采煤机的发展方向,即仿制和自行研制并举。 解决难采煤层的问题是20世纪80年代重大课题之一:具体的课题是薄煤层综合机械化成套设备的研制:大倾角综采成套设备的研制:“三硬”、“三软”4.5m一次采全高综采设备的研制:解决短工作面的开采问题,短煤臂采煤机的研制。 据初步统计,20世纪80年代自行开发和研制的采煤机品种有50余种,是我国采煤机收获的年代,基本满足我国各种煤层开采的需要,大量依靠进口的年代已一去不复返了。20世纪80年代采煤机的发展有如下特点: 1.重视采煤机系列的开发,扩大使用范围 20世纪70年代开发的采煤机,一种类型只有一个品种,十分单一,覆盖面小,很难满足不同煤层开采需要。20世纪80年代起重视系列化采煤机的开发工作,一种功率的采煤机可以派生出多种机型,主要元部件在不同功率的采煤机上都能通用,这样不仅扩大了工作面的适应范围,而且便于用户配件的管理。采煤机系列化是20世纪80年代采煤机发展中非常突出的特点。 2.元部件攻关先行,促使采煤机工作可靠性的提高 总结20世纪70年代采煤机开发中的经验教训,元部件的可靠性直接决定采煤机开发的成功率,所以功关内容为:主电机的攻关,以解决烧机的现象;齿轮攻关,从选择材质上,热处理工艺上着手,学习国内外先进技术成功经验,以德国齿轮为目标进行攻关,达到预期目的,解决了低速重载齿轮早失效的问题:液压系统和液压元部件的攻关,主油泵和油马达的可靠性直接影响牵引部工作的可靠性,在20世纪80年代中期,把斜轴泵、斜轴马达、阀组和调速机构等都列入重点攻关内容。 3.无链牵引的推广使用,使采煤机工作平稳,使用安全 在引进大功率采煤机的同时,无链牵引技术传入中国,德国艾柯夫公司的销轨式无链牵引和英国安德森公司的齿轨式无链牵引占绝大多数,而且技术成熟。为此,我国研制采煤机的无链牵引都向引进机组的结构上靠拢。仿制和引进技术生产的采煤机更是如此。无链牵引使采煤机工作平稳,使用安全,承受的牵引力大,因此,得到用户的广泛欢迎,大功率采煤机都采用无链牵引系统。 2.3.3 20世纪90年代至今是我国电牵引采煤机发展的时代 进入20世纪90年代后,随着煤炭生产向集约化方向发展,减员提效,提高工作面单产成为煤炭发展的主流,发展高产高效工作面势在必行,此采煤机开发研制围绕高产高效的要求进行,其主要方向是: 1.大功率高参数的液压牵引采煤机:最具代表性的机型是MG2X400-W型采煤机。 2.高性能电牵引采煤机:电牵引采煤机的研制从20世纪80年代开始起步,20世纪90年代全面发展,电牵引的发展存在直流和交流两种技术途径。进入20世纪90年代后,交流变频调速技术在中厚煤层采煤机中推广使用,上海分院先后开发成功MG200/500-WD、MG200/450-BWD、MG250/600-WD、MG400/920-WD和MG450/1020-WD等采煤机,变频调速箱可以是机载,也可以是非机载。另外派生出8种机型,都已投入使用,取得较好的效果。太原矿山机械厂在引进英国Electra1000直流电牵引全套技术的基础上,开发出MG400/900-WD和MG250/600-WD型两种电牵引采煤机,鸡西煤机厂、辽源煤机厂也开发了交流电牵引采煤机。 国产电牵引采煤机虽然发展速度很快,但在性能和可靠性上与世界先进国家的I采煤机相比,还存在较大的差距,所以一些有实力的矿务局,在装备高产高效工作面时,把目光移到国外,进口国外先进电牵引采煤机。如神府华能集团引进美国的7LS、6LS电牵引采煤机;兖州矿业集团公司引进德国的SL-500型和日本的MCLE-DR102型交流电牵引采煤机,但由于价格昂贵,故引进数量较少,90年代采煤机技术发展的特点如下: 1.多电机驱动横向布置的总体结构成为电牵引采煤机发展的主流 我国开发的电牵引采煤机,一般都采用横向布置。各大部件由单独的电动机驱动,传动系统彼此独立,无动力传递,结构简单,拆装方便,因而有取代电动机纵向布置的趋势。 2.我国采煤机的主要参数与世界先进水平的差距在缩小 在装机功率方面,我国的液压牵引采煤机装机功率达到800KW,电牵引采煤机装机功率达到1020KW,其牵引功率为2X50KW,可满足高产高效工作面对功率的要求。在牵引力和牵引速度方面,电牵引的最大牵引力已达到700KN,最大牵引速度达12.56m/min,微处理机的工矿监测、故障显示、无线电离机控制等方面已达到较高技术水平。 3.液压紧固技术的开发研究取得成功 采煤机连接构件经常松动是影响工作可靠性的重要因素,而且解决难度较大,液压螺母和专用超高压泵,在电牵引采煤机中得到推广应用,防松效果显著,基本解决采煤机连接可靠性的问题。 回顾这30多年我国采煤机发展的历程,走的是一条自力更生和仿制引进结合的道路,也是一条不断学习国外先进技术为我所用的发展道路,从20世纪70年代主要靠进口采煤机来满足我国生产需要,到近年几乎是国产采煤机占我国整个采煤机市场,这也是个了不起的进步。 我国从20 世纪80 年代末期, 煤科总院上海分院与波兰合作研制开发了我国第1 台MG3442PWD薄煤层强力爬底板交流电牵引采煤机, 在大同局雁崖矿使用取得成功。借助MG3442PWD 电牵引采煤机的电牵引技术, 对液压牵引采煤机进行技术更新。第1 台MG300/ 6802WD 型电牵引采煤机是在鸡西煤矿机械厂生产的MG300 系列液压牵引采煤机的基础上改造成功, 并于1996 年7 月在大同晋华宫矿开始使用。与此同时, 在太原矿山机器厂生产的AM2500 液压牵引采煤机上应用交流电牵引调速装置改造MG375/8302WD 型电牵引采煤机。截止目前, 我国已形成5 个电牵引采煤机生产基地, 鸡西煤矿机械厂、太原矿山机器厂、煤炭科学研究总院上海分院、辽源煤矿机械厂生产交流电牵引采煤机, 西安煤矿机械厂则生产直流电牵引采煤机。我国近期开发的电牵引采煤机有以下特点: 1.多电机驱动横向布置电牵引采煤机。截割电机横向布置在摇臂上, 取消了螺旋伞齿轮和结构复杂的通轴。 2.总装机功率、牵引功率大幅度提高, 供电电压(对单个电机400kW 及以上) 由1140V 升至3300V , 保证了供电质量和电机性能。 3.电牵引采煤机以交流变频调速牵引装置占主导地位, 部分厂商同时也研制生产直流电牵引采煤机。 4.主机身多分为3 段, 取消了底托架, 各零部件设计、制造强度大大提高, 部件间用高强度液压螺母联接, 拆装方便, 提高了整机的可靠性。 5.电控技术研究和采煤机电气控制装置可靠性不断提高。在通用性、互换性和集成型方面迈进了一大步, 功能逐步齐全, 无线电随机控制研制成功, 数字化、微机的电控装置已进入试用阶段。 6.在横向布置的截割电机上, 设计使用了具有弹性缓冲性能的扭矩轴,改善了传动件的可靠性, 对提高采煤机的整体可靠性和时间利用率起到了积极作用。 7.耐磨滚筒及镐形截齿的研究, 推进了我国的滚筒及截齿制造技术,开发研制的耐磨滚筒,可适用于截割f = 3~4 的硬煤。具有使用中轴向力波动小,工作平稳性好,块煤率高,能耗低等优点。 2.4采煤机的发展趋势 80年代以来,滚筒式采煤机在结构、性能参数、可靠性和易维修性上都有很大的改进。归结起来,滚筒式采煤机有以下特征和发展趋势: 1.增大功率和能力 为了适应综采工作面高产、高效和在不同地质条件下快速截割煤岩的需要,不论厚、中厚和薄煤层的采煤机均在不断增大装机功率和生产能力。 2.电牵引采煤机已成为主导机型 目前电牵引采煤机已成为德国、英国、美国、日本和法国等主要生产国的主导机型。 3.增大牵引速度和牵引力,并改进无链牵引机构 为了适应综采高产高效的要求,近代采煤机的牵引速度和牵引力都有较大的增大。 4.机器的结构布置有新的发展 近年来不断发展和研制出了多机横向布置、部件可侧面拉装的整机箱式机身、纵向布置采煤机的牵引部和截割部合为一个部件、破碎机采用单独电动机传动、改进挡煤板传动装置、无底托架或不用整体底托架等新的结构布置方式。 5.截割滚筒的革新和改进 截割滚筒的改进是围绕增大截深、减低煤尘、增大块煤率和提高寿命等目标进行的其主要改进有增大截深、采用强力截齿、增大块煤率和减少煤尘生成、滚筒设计CAD、高压水射流喷雾降尘和助切、加固滚筒结构等方面。 6.扩大采煤机的使用范围,不断开发难采煤层的机型 薄煤层、厚煤层、硬粘并有夹矸煤层、大倾角、破碎顶板等难采煤层的机型的发展有,开发出了薄煤层、厚煤层、大倾角、短机身、窄机身等机型。 7.提高采区工作电压 80年代以前,各国采区工作面设备电压多为1000V左右。随着综采设备向大功率发展,目前采煤机最大功率达1220kW,截割电机最大功率达6000kW,刮板输送机最大功率达1125kW,驱动电机最大功率达525 kW,加上工作面长度的不断增长,所以必须提高采区的供电电压,目前各国生产的大功率采煤机,其供电电压一般为2300、3300、4160和5000V等几档。 8.采用微电子技术,实现机电液一体化的采集、工况监测、故障诊断和自动控制 现代采煤机均装有功能完善的用微处理器控制的数据采集、工况监测、故障诊断和自动控制,这是代表采煤机水平的重要标志。现代采煤机的微处理系统除了工况监测,还可以对其采集信息进行分析处理,再输出显示、存储、控制和传输等,以实现检测、预警、保护、健康诊断、事故查询、维修指导和调度分析等多种功能。 9.贯彻标准化、系列化和通用化原则,加速开发适合不同地质条件的新机型 目前各主要采煤机生产厂家都十分重视三化原则,将采煤机各主要部件:如电动机、截割部固定减速箱、摇臂、滚筒、牵引部、截牵箱、行走箱、牵引机构等)制定标准,作为适合不同条件的通用部件,各部件间的连接尺寸一致。这样,就可以根据不同的地质条件的要求,很容易用积木式方法将各部件组合成新机型,以扩大采煤机的系列和加速研制过程。 10.提高采煤机的可靠性和寿命,提高易维修性,缩短井下更换部件时间,延长大修周期,提高机器的使用率和开机率。 3.综采工作面概述 综采设备是指综合机械化采煤工作面机电设备的总称。综采工作面成套设备以采面所需设备为核心,一般情况下,其成套机械和电器设备布置分别如图2-1所示。综采设备将各种相对独立的机械合理地组合在一起,在工艺过程中协调工作,使采煤工作面的破、装、运、支全部工序实现机械化。综采设备包括滚筒采煤机或刨煤机、可弯曲刮板输送机、液压支架以及各种供电、供液设备和其他辅助设备。 图2-1 滚筒采煤机综采工作面设备布置图 1-端头支架;2-液压安全绞车;3-喷雾泵站;4-液压支架;5-刮板运输机; 6-双滚筒采煤机;7-端头支架;8- 集中控制台;9-配电箱;10-乳化液泵站; 11-移动变电站;12-轨道;13-带式输送机;14-转载机;15-煤仓 工作面主要设备及功能如下: 采煤机 采煤机是完成破煤、装煤工序的一种机械设备。当前普遍使用的是可调高的双滚筒采煤机,它可以骑在可弯曲刮板输送机上沿工作面穿梭割煤,一般截深为600mm或800mm,最大截深可达1000mm。 刮板输送机 可弯曲刮板输送机是完成工作面运煤的机械,同时它还作为采煤机械的导轨,以及液压支架及推移输送机的支点。 液压支架 液压支架是以高压液体为动力,由若干液压元件(油缸和阀件)与一些金属结构件组合而成的一种支撑和控制顶板的采煤工作面设备,用于支护、移架、推移运输机和管理顶板。 端头支架 端头支架是用于加强工作面端部(上下出口)顶板支护的液压支架。 排头支架 排头(或称过渡)支架是用于可弯曲刮板输送机机头、机尾放置电动机、减速箱和液力偶合器处支护顶板的液压支架,它比工作面中间架滞后一个步距,顶梁长于中间架一个步距。 转载机 转载机是20-60m长的刮板输送机。它一端与工作面输送机机头相搭接,另一端骑在可伸缩胶带输送机的机尾上,其作用是将刮板输送机运出的煤炭转移到胶带输送机上,它可随工作面的推进进行整体移动,转载机常配置破碎机。 可伸缩胶带输送机 可伸缩胶带输送机是工作面运输巷中的运煤设备。通过其贮带装置,可调节输送机的长度。当工作面前进式或后退式回采时,能做到伸长或缩短。 乳化液泵站 乳化液泵站是供给液压支架和其他液压装置压力液的动力设备。 除以上设备外,上端巷道中还设有运送设备和材料的单吊车,或搬运绞车,以及在倾斜角度较大时防止采煤机下滑的液压安全绞车;下端巷道中设有供电移动变电站和配电点,以及刮板输送机和巷道转载机的监视、控制、通讯照明的集中控制台。如上所述,综采成套设备主要由采煤机、液压支架、刮板输送机、转载机、破碎机及胶带输送机等组成,这些设备不是孤立的“单机”,而是结构上需要相互配合、功能上需要相互协调的有机整体,具有较强的配套要求和较高的可靠性要求。组成综采成套设备的每一种机械设备,都有严格限定的适用条件,选型不当会导致设备不配套、生产效率低、经济效益差。因此,设备的正确选型设计是充分发挥其效能,实现综采工作面高产高效、经济安全运行的前提 采煤机的组成 采煤机主要由电动机、牵引部、截割部和附属装置等部分组成(如图1-1)。 电动机:是滚筒采煤机的动力部分,它通过两端输出轴分别驱动两个截割部和牵引部。采煤机的电动机都是防爆的,而且通常都采用定子水冷,以缩小电动机的尺寸。 牵引部:通过其主动链轮与固定在工作面输送机两端的牵引链3相啮合,使采煤机沿工作面移动,因此,牵引部是采煤机的行走机构。 左、右截割部减速箱:将电动机的动力经齿轮减速后传给摇臂5的齿轮,驱动滚筒6旋转。 滚筒:是采煤机落煤和装煤的工作机构,滚筒上焊有端盘及螺旋叶片,其上装有截齿。螺旋叶片将截齿割下的煤装到刮板输送机中。为提高螺旋滚筒的装煤效果,滚筒一侧装有弧形挡煤板7,它可以根据不同的采煤方向来回翻转180°。 图2-2 双滚筒采煤机 1-电动机;2-牵引部;3-牵引链;4-截割部减速箱;5-摇臂;6-滚筒7-弧形挡煤板 8-底托架;9-滑靴;10-调高油缸;11-调斜油缸;13-电气控制箱 底托架:是固定和承托整台采煤机的底架,通过其下部四个滑靴9将采煤机骑在刮板输送机的槽帮上,其中采空区侧两个滑靴套在输送机的导向管上,以保证采煤机的可靠导向。 调高油缸:可使摇臂连同滚筒升降,以调节采煤机的采高。 调斜油缸:用于调整采煤机的纵向倾斜度,以适应煤层沿走向起伏不平时的截割要求。 电气控制箱:内部装有各种电控元件,用于采煤机的各种电气控制和保护。 此外,为降低电动机和牵引部的温度并提供内外喷雾降尘用水,采煤机设有专门的供水系统。采煤机的电缆和水管夹持在拖缆装置内,并由采煤机拉动在工作面输送机的电缆槽中卷起或展开。 初选采煤机 采煤机有许多种如西安煤矿机械厂,辽源煤矿机械厂,三一重装......。现开采工作面煤层厚度2.7-4.4m,煤层倾角16°,工作面长度225m,生产能力250万吨/年,一年工作按300天计算,实行三班制工作,二班采煤,一班准备,每天生产呢时间为16小时。选型如表1-1 表2-1采煤机选型表 型号 MGD-150 MGD-200B IMG-200 采高/m 1.3-2.5 1.0-1.8 1.2-2.0 截深/m 1.0 0.63 0.63 适应倾角/(°) ≤25° ≤25° ≤25° 滚筒直径/m 1.25 0.9 1.4 装机总功率/kw 150 200 200 摇臂长度形式/mm 1168 1286 1330 摇臂摆动中心距/mm 5322 5722 5850 牵引力/KN 120 250 250 牵引速度/m/min 0-6.0 0-6.0 0-6.0 牵引方式 液压链牵引 液压链牵引 液压链牵引 机面高度/mm 1070 750 1000 卧底量/mm 175 206 300 喷雾方式 内外喷雾 内外喷雾 内外喷雾 电压/V 1140 1140 1140 总质量/t 12.5 15 3.1滚筒的确定 3.1.1滚筒直径 式中:——螺旋滚筒装煤效率;对小直径滚筒,=0.59~0.63;对大直径滚筒,=0.56~0.59。 ——采高,计算时取最大采高,4.4m。 则: = m 由于综采工作面双滚筒采煤机一般都是一次采全高,故滚筒直径应稍大于最大采高之半,即> 目前采煤机滚筒直径已经系列化,分别为0.6m、0.65m、0.7m、0.8m、0.9m、1.0m、1.1m、1.25m、1.4m、1.6m、1.8m、2.0m、2.3m、2.6m、2.7m、2.8m、3.0m、3.2m。 计算结果要按照滚筒系列化标准进行圆整后,最后确定滚筒直径为2.6m 滚筒的截深 工作机构(如滚筒)每次切入煤体的深度称为截深。截深过小,采煤机生产率受到影响,但加大截深,会使支架的步距加大,顶梁长度和千斤顶行程也要加大;同时也使采煤机电机功率及运输机的输送能力加大。目前采煤机的截深有:0.5,0.6,0.7,0.75,0.8,0.865、0.9及1.0m等几种。目前我国多数采煤机的截深在0.6m左右。在薄煤层中,由于牵引速度不能太快,为了提高生产率,采煤机截深可加大到0.75~1.0m,现代的点牵引采煤机,为了使其生产率满足高产高效的要求,截深普遍达到0.8-1.0m,少数可达到1.2m,这需要大的装机功目初步确定采煤机截深为0.6m。 滚筒的转速 滚筒转速的取值:直径为0.5~0.6m的滚筒转速n=80~120r/min;直径为1.8~2.0m的滚筒转速n=30~40r/min。大直径滚筒选用低档转速,小直径滚筒选用高档转速。为防止碎煤抛过筒缘循环的转速,一般认为滚筒转速为30~50r/min较适宜,目前滚筒转速有降低的趋势。根据上述所确定的采煤机滚筒直径为2.6m,设计推荐滚筒转速为30r/min较合适。 目前常用的截割速度,最好在4m/s左右。过高将使煤尘增多,大大降低截齿的寿命。 式中 ——选定的滚筒直径,2.6m; ——选定的滚筒转速。 则: 根据上述验算结果,截割速度为符合要求。 3.2 采煤机生产率 3.2.1理论生产率 在给定条件下,以最大参数连续运行时的生产率称为理论生产率,理论生产率 的计算公式为: 式中 ——理论生
展开阅读全文

开通  VIP会员、SVIP会员  优惠大
下载10份以上建议开通VIP会员
下载20份以上建议开通SVIP会员


开通VIP      成为共赢上传

当前位置:首页 > 学术论文 > 其他

移动网页_全站_页脚广告1

关于我们      便捷服务       自信AI       AI导航        抽奖活动

©2010-2025 宁波自信网络信息技术有限公司  版权所有

客服电话:0574-28810668  投诉电话:18658249818

gongan.png浙公网安备33021202000488号   

icp.png浙ICP备2021020529号-1  |  浙B2-20240490  

关注我们 :微信公众号    抖音    微博    LOFTER 

客服