收藏 分销(赏)

教学楼土方开挖施工技术交底.doc

上传人:仙人****88 文档编号:11990220 上传时间:2025-08-26 格式:DOC 页数:7 大小:369.50KB 下载积分:10 金币
下载 相关 举报
教学楼土方开挖施工技术交底.doc_第1页
第1页 / 共7页
教学楼土方开挖施工技术交底.doc_第2页
第2页 / 共7页


点击查看更多>>
资源描述
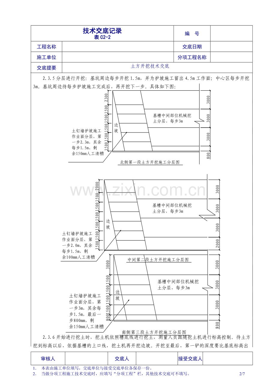
技术交底记录 表C2-2 编 号 工程名称 交底日期 施工单位 分项工程名称 交底提要 土方开挖技术交底 交底内容: 1施工准备 1.1机具准备 3台PC反铲挖掘机、40辆自卸汽车、全站仪、水准仪、铁锹等。 1.2作业条件 1.2.1测量放线工作完成并经验收合格。 1.2.2土中氡含量已经由建设方委托有关部门检测完毕。 1.2.3具有切实可行的降排水及基坑支护方案。 1.2.4地下情况清楚,妨碍开挖的水电管线改造完毕 1.2.5对现场的地上障碍物进行清除,保证做到“三通一平”。 1.2.6车辆经过的地方已检查,并对强度不够的路段进行硬化。 1.2.7施工前已经合理安排好车辆行走的路线。 2施工方法 2.1工艺流程 测量放线→挖第1步土方→做第1步护坡→挖第i步土方→做第i步护坡→挖最后1步土方→做最后1步护坡→修边清底→坡道收尾 2.2测量放线: 2.2.1土方开挖平面测量:根据土方开挖范围、放坡尺寸、槽底作业面尺寸计算、确定开挖的外轮廓线和槽底线,并撒出灰线。测量放线时,将全站仪架设在控制点上,放出各轴线的临时控制桩。基坑边线放线完毕以后,要有专业验线员进行验收。 2.2.2土方开挖高程控制:高程测量控制采用高程控制网点,控制土方开挖标高,利用水准仪随时监控土方开挖深度,待边坡支护工作完成之后将标高引测到支护面上。并相互校核,校核后的较差不得超过3mm,取平均值作为施工中标高的基准点,以此标高为依据,进行槽底清理。 2.3土方开挖: 2.3.1本次开挖采用机械开挖,人工辅助。 2.3.2开挖时南侧做混凝土护坡桩;东、西、北三面做土钉墙,按照1:0.2的坡度放坡。 2.3.3本次开挖由北向南分为三段进行开挖。 2.3.4在进行第一步开挖时,鉴于地下管线没有完全移改到位,现场施工时采取如下措施: ①南侧临马路处按照开挖线先向北开挖11m,分两步开挖深度3m,将此3m深度范围内的土方清开,为降水及护坡桩的施工提供条件。 ②北侧开挖时,为护坡施工留出4.5m工作面。但是在施工时,如此处的上水管线没有移改到位,则开挖时要离开水管至少3m的距离,并撒出灰线,开挖时严禁超过灰线进行施工,同时边坡采取45°大放坡施工。 2.3.5分层进行开挖:基坑周边每步开挖1.5m,并为护坡施工留出4.5m工作面;中心区每步开挖3m。基坑周边待每步护坡施工完成后,再开挖下一步。具体如下图: 2.3.6开始进行挖土时,挖土机依照槽底线进行挖土,测量人员跟随挖土机进行标高控制。待土方挖到标高以后,依据基槽的上口线,挖土机再开挖边坡。开挖至最后,第一铲的深度要比基底标高出500mm,进行试挖,测量人员进入槽底,检查标高,掌握具体标高后,再挖到控制的标高。做出标高点,钉好标高桩。 2.3.7柱基及电梯井、集水坑加深部位开挖:此部位人工开挖。测量人员将加深部位用白灰线撒出(撒出位置只包括加深部位,其设计要求的放坡不必放出),挖土时依照白灰线垂直下挖。加深部分挖完以后,测量人员放出加深部分的放坡线,由人工按照设计要求修理边坡。 2.3.8开挖时,每间距3m钉一根标高桩,标高桩用钢筋制成,长50cm,砸入土中20cm,在标高桩上涂上红油漆,拉通小白线,做为控制清理土方的依据。 2.3.9排水措施:基坑四周坡顶设置防水堰,防水堰距离边坡1.5m,高度为300mm,宽度240mm,用页岩砖砌筑双面抹灰,防止坑外的水流进基坑。基坑四周2m范围内不得堆放重物。沿基槽四周做排水明沟,同时设置500mm×500mm×500mm集水坑,集水坑间距每50m设置一处,雨水有组织排到集水坑内,及时将积水抽出,保证基底不积水。 3质量标准 3.1土方开挖过程当中,测量人员必须保证在现场,随时监测放坡情况及标高,严禁出现坡度超出要求及超挖现象。 3.2土方开挖机械距边坡线应为100mm,此部分土层由人工修坡,确保边坡位置及坡度的准确。 3.3土方开挖完毕以后,各种机具严禁进入基槽,避免扰动基础。 3.4下雨以后,人员不得进入基槽。 3.5各项允许偏差如下: 项序 项 目 允许偏差或允许值(mm) 检验方法 柱基、基坑、基槽 主控项目 1 标高 -50 水准仪 2 长度、宽度(由设计中心线向两边量) +200 -50 经纬仪 用钢尺量 一般项目 1 表面平整度 20 用2m靠尺和楔形塞尺检查 2 基底土性 设计要求 观察或土样分析 4注意事项 4.1成品保护措施 4.1.1挖运土方时要注意保护定位标准桩、轴线引桩、标准水准点,并定期复测检查定位桩和水准基点是否完好。 4.1.2施工中如发现有文物、古墓等,应妥善保护,并应及时报请当地有关部门处理后方可继续施工。如发现有测量用的永久性标桩或地质、地震部门的长期观测点等,应加以保护。 4.1.3在敷设有地上或地下管线、电缆的地段进行土方施工时,应事先取得有关部门的书面同意,施工中应采取措施,以免损坏管线,造成严重事故。 4.1.4挖土时,要对边坡支护结构进行保护,机械开挖的外边线要距边坡线一定距离,尤其是在护坡桩部位施工时,要派相关人员进行看护。 4.2安全防护措施 4.2.1进入施工现场必须正确佩戴安全帽,现场内严禁吸烟。 4.2.2土方开挖过程中,在挖掘机大臂旋转半径内任何人不得穿行,以免发生安全事故。 4.2.3基坑开挖后,必须保证基坑边坡的稳定性,严禁在基坑开挖过程中碰撞,确保边坡的稳定。距边坡1.5m以内不得堆放材料、停靠车辆等。 4.2.4在夜间挖土时,基坑四周应设充足的照明设备,同时运土通道也应设照明设备(每20m不少于3个碘钨灯),并派专人指挥。 4.2.5在基坑边设置防护围挡并用密目安全网封闭,坑边设安全标识,夜间应保证现场照明并设置红色LED警示灯,确保夜间作业安全。做法如下图: 4.2.6施工人员严禁在基坑边坡处停留、休息。 4.2.7施工人员必须走施工通道,不得翻越护栏,攀爬边坡。 4.2.8施工人员不许带病作业。严禁酒后作业。 4.2.9土方运输车辆在施工现场及校区内行驶时速不得超过学校规定的时速,在施工现场内要设专人指挥交通。 4.2.10土方运输车辆在校区内行驶时,要注意避让行人及非机动车,尤其在拐弯时,不得抢道,以免发生事故。 4.2.11土方运输车辆出场清理时,在未清理干净前,在车辆前需设置挡车安全警示牌,防止清理车辆人员工作时由于车辆开动发生危险。 4.2.12土方运输车辆要盖好车盖。清扫土的工人站在专门搭设的架子上进行工作,架子要满铺脚手板,并搭设至少两道防护栏杆。工人清扫完毕后要离开车帮至少600mm的距离,以免汽车开动时将工人碰到发生危险。 4.3文明施工、环境保护措施 4.3.1运土车辆必须覆盖严密,避免土方在运输过程中产生扬尘及道路遗洒,在运土车辆的出口处,设置汽车清洗站,对出场汽车进行清洗。 4.3.2施工道路每2h洒水一次,避免扬尘。 4.3.3土方车出场区以后,在校区内严禁鸣笛及猛踩踏油门。 4.3.4夜间施工时施工人员严禁大声喧哗。 4.3.5施工人员不许吸烟,不得随地大小便。 4.3.6遇有四级以上大风时,不得进行土方施工。 接受交底人会签: 审核人 交底人 接受交底人 1. 本表由施工单位填写,交底单位与接受交底单位各保存一份。 2. 当做分项工程施工技术交底时,应填写“分项工程”栏,其他技术交底可不填写。 7/7
展开阅读全文

开通  VIP会员、SVIP会员  优惠大
下载10份以上建议开通VIP会员
下载20份以上建议开通SVIP会员


开通VIP      成为共赢上传

当前位置:首页 > 品牌综合 > 技术交底/工艺/施工标准

移动网页_全站_页脚广告1

关于我们      便捷服务       自信AI       AI导航        抽奖活动

©2010-2025 宁波自信网络信息技术有限公司  版权所有

客服电话:0574-28810668  投诉电话:18658249818

gongan.png浙公网安备33021202000488号   

icp.png浙ICP备2021020529号-1  |  浙B2-20240490  

关注我们 :微信公众号    抖音    微博    LOFTER 

客服