收藏 分销(赏)

住宅工程见证取样实施细则.doc

上传人:知****运 文档编号:11434962 上传时间:2025-07-23 格式:DOC 页数:11 大小:4.55MB 下载积分:8 金币
下载 相关 举报
住宅工程见证取样实施细则.doc_第1页
第1页 / 共11页
住宅工程见证取样实施细则.doc_第2页
第2页 / 共11页


点击查看更多>>
资源描述
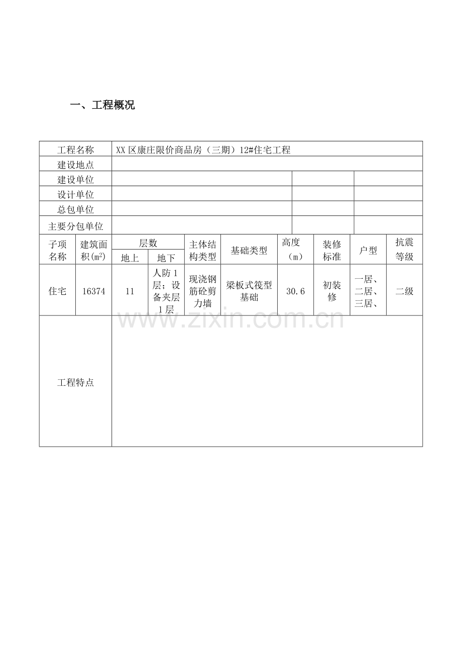
细 则 目 录 一、工程概况 二、本细则编写所依据的文件及规范 三、建筑材料试验基本技能 四、见证取样、送样的范围 五、见证取样送样的程序 六、见证人员的基本要求和职责 七、试样留置 一、工程概况 工程名称 XX区康庄限价商品房(三期)12#住宅工程 建设地点 建设单位 设计单位 总包单位 主要分包单位 子项名称 建筑面积(m2) 层数 主体结构类型 基础类型 高度 (m) 装修标准 户型 抗震 等级 地上 地下 住宅 16374 11 人防1层;设备夹层1层 现浇钢筋砼剪力墙 梁板式筏型基础 30.6 初装修 一居、二居、三居、 二级 工程特点 二、本细则编写所依据的文件及规范 1.建设部工程有关法律﹑法规:主要有《中华人民共和国建筑法》﹑《建筑工程管理条例》﹑《中华人民共和国合同法》、《房屋建筑工程和市政基础设施工程实行见证取样与送样的规定》建建〖2004〗41号。 2.技术标准﹑规范﹑规程:主要有《建设工程监理规范》(GB50319—2000)﹑《建筑工程施工质量验收统一规范》(GB50300—2001)﹑《地下防水工程质量验收规范》(GB50208—2002)﹑《屋面工程质量验收规范》(GB50207—2002)﹑《建筑地面工程施工质量验收规范》(GB50209—2002)﹑《砌体工程施工质量验收规范》(GB50203—2002)﹑《建筑地基基础工程施工质量验收规范》(GB50202—2002)﹑《砼结构工程施工质量验收规范》(GB50204—2002)﹑《钢筋砼用带热扎带肋钢筋》(GB1499—1998)﹑《钢筋砼用热扎光圆钢筋》(GB13013—91)﹑《建筑中卵石﹑碎石》(GB/T14684—2001)﹑《建筑变形测量规程》﹑《钢筋焊接及验收规程》JGJ18﹑《硅酸盐水泥,普通硅酸盐水泥》(GB175—1999)﹑《烧结普通砖》(GB/T5101—1998)﹑《烧结空心砖和空心砌块》(GB13545—92)等 3.合同:本工程的建设工程监理合同﹑建筑工程施工合同及相关协议。 4.设计文件:本工程的地质勘探资料﹑经批准的设计文件(图纸﹑设计说明﹑设计指定的标准图集﹑设计交底会议纪要﹑设计变更文件﹑经设计确认的工程变更文件等)。 5.施工及监理文件:本工程的施工组织设计和监理规划﹑监理细则。 三、建筑材料试验基本技能 1.取样:在进行试验之前首先要选取试样,试样必须具有代表性。取样原则为随机抽样,即在若干堆(捆、包)材料中,对任意堆放材料随机抽取试样。取样方法视材料而定。 2 .仪器的选择:试验中有时需要称取试件或试样的质量,称量时要求具有一定的 精确度,如试样称量精度要求为0.1g,则应选用感量0.1g的天平,一般称量精度大致为试样质量的0.1%。另外测量试件的尺寸,同样有精度要求,一般对边 长大于50mm的,精度可取1mm;对边长小于50mm的,精度可取0.1mm。 3.试验:试验前一般应将取得的试样进行处理、加工或成型,以制备满足试验要求的试样或试件。制备方法随试验项目而异,应严格按照各个试验所规定的方法进行。比如检测混凝土强度要制备符合要求的砼试块等。 4.结果计算与评定:试验结果经计算处理后,应给予评定,是满足标准要求,评定其等级,在有些情况下还应对试验结果进行分析,并得出结论。对监理人员来说,观察试验过程更加重要。 5.试验报告:试验的主要内容都应在试验报告中反映,试验报告的形式可以不尽相同,但其内容应该包括: 5.1试验名称、内容; 5.2目的与原理; 5.3试样编号、测试数据与计算结果; 5.4结果评定与分析; 5.5试验条件与日期; 5.6试验、校核、技术负责人。 工程的质量检测报告内容包括:委托单位;委托日期;报告日期;样品编号; 工程名称、样品产地和名称;规格及代表数量;检测条件;检测依据;检测项目;检测结果;结论;等等。 四 、见证取样、送样的范围 下列试块、试件和材料必须实施见证取样和送样 1.用于承重结构的混凝土试块。 2.用于承重墙体的砌筑砂浆试块。 3.用于承重结构钢筋及连接接头试件。 4.用于承重墙的砖和混凝土小型砌块。 5.用于承重结构的混凝土中使用的外加剂。 6.地下室、屋面、厕浴间使用的防水材料。 7.国家规定必须实行见证取样和送样的其他试块、试件和材料。 8.凡涉及房屋建筑工程和市政基础设施工程结构安全的试块、试件和其他建筑材料施工企业必须按照有见证取样送样的规定执行,按不低于有关技术标准中取样数量的30%送至当地建设行政主管部门委托的法定检测机构检测。 5.空心砖,机制小红砖: 烧结空心砖以三万块为一批,不足者仍按一批计;机制小红砖以3.5~15万为一批,不足3.5万按一批计 6.砂浆试块:每一验收批且不超过250m3砌体的各种类型及强度等级的砌筑砂浆,每台搅拌机应至少抽查一次。试块在搅拌机出料口制作。 7.砼试块: 应在砼浇筑地点随机抽取,梁﹑板﹑柱﹑剪力墙﹑筏基并按下列情况留置: 7.1不超过100 m3的同配合比留置一组标准试块; 7.2当一次连续浇筑超过1000 m3时,同一配合比砼每200 m3留置一组标准试块; 7.3每一楼层,同一配合比的砼留置一组标准试块; 上述三条以最小单元留置。 7.5对抗渗砼,除留置强度试块还应按连续浇注5003砼留置一组抗渗试件,且每项工程不得少于2组,拆模及反映实体强度的同条件养护试块,留置组数根据实际需要确定,以满足拆模和实体强度评定为原则。 8.回填土环刀试样:室内回填土按《建筑地基基础工程施工质量验收规范》(GB50202—2002)中6.3.3和表6.3.3执行,基础到±0.000时场地部分为填方区,压实系数为0.94,每层按100~500 m2取样一组。 9.防水材料: 按《地下防水工程质量验收规范》(GB50208—2002)﹑《屋面工程质量验收规范》(GB50207—2002)中相关材料规定取样送检。 10.外加剂: 视外加剂种类按相应规范取样送检。 附表一:有见证取样和送检见证人备案书 有见证取样和送检见证人备案书 质量监督站: 检测中心(试验室): 我单位决定,由 同志担任工程有见证取样和送检见证人。有关的印章和签字如下,请查收备案。 有见证人取样和送检的印章 见证人签字 建设单位名称(盖章) 年 月 日 监理单位名称(盖章) 年 月 日 施工项目负责人签字 年 月 日 附表二:见证取样记录 见证记录 编 号: 工程名称: 取样部位: 样品名称: 取样数量: 取样地点: 取样日期: 见证记录: 有见证取样和送检印章: 取 样 人 签 字 : 见 证 人 签 字 :
展开阅读全文

开通  VIP会员、SVIP会员  优惠大
下载10份以上建议开通VIP会员
下载20份以上建议开通SVIP会员


开通VIP      成为共赢上传

当前位置:首页 > 包罗万象 > 大杂烩

移动网页_全站_页脚广告1

关于我们      便捷服务       自信AI       AI导航        抽奖活动

©2010-2026 宁波自信网络信息技术有限公司  版权所有

客服电话:0574-28810668  投诉电话:18658249818

gongan.png浙公网安备33021202000488号   

icp.png浙ICP备2021020529号-1  |  浙B2-20240490  

关注我们 :微信公众号    抖音    微博    LOFTER 

客服