收藏 分销(赏)

定位放线.doc

上传人:綻放 文档编号:10818453 上传时间:2025-06-18 格式:DOC 页数:2 大小:26KB 下载积分:9 金币
下载 相关 举报
定位放线.doc_第1页
第1页 / 共2页
定位放线.doc_第2页
第2页 / 共2页
本文档共2页,全文阅读请下载到手机保存,查看更方便
资源描述
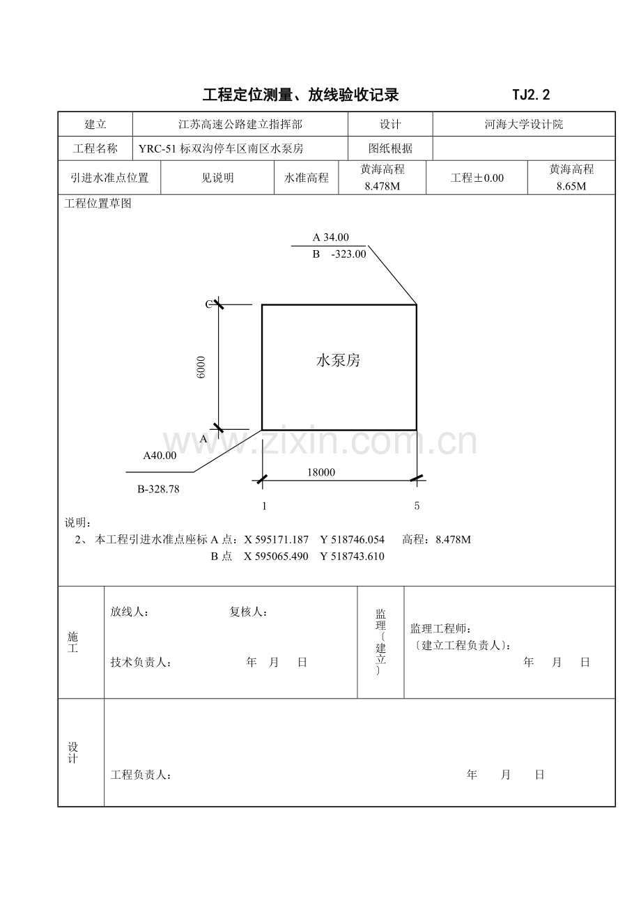
工程定位测量、放线验收记录 TJ2.2 建立 江苏高速公路建立指挥部 设计 河海大学设计院 工程名称 YRC-51标双沟停车区北区广场 图纸根据 引进水准点位置 见说明 水准高程 黄海高程 8.478M 工程±0.00 黄海高程 M 工程位置草图 说明: 1、 本工程引进水准点座标A点:X 595171.187 Y 518746.054 高程:8.478M B点 X 595065.490 Y 518743.610 施工 放线人: 复核人: 技术负责人: 年 月 日 监理〔建立〕 监理工程师: 〔建立工程负责人〕: 年 月 日 设计 工程负责人: 年 月 日 工程定位测量、放线验收记录 TJ2.2 建立 江苏高速公路建立指挥部 设计 河海大学设计院 工程名称 YRC-51标双沟停车区南区水泵房 图纸根据 引进水准点位置 见说明 水准高程 黄海高程 8.478M 工程±0.00 黄海高程 8.65M 工程位置草图 A 34.00 B -323.00 水泵房 C 6000 A A40.00 18000 B-328.78 1    5 说明: 2、 本工程引进水准点座标A点:X 595171.187 Y 518746.054 高程:8.478M B点 X 595065.490 Y 518743.610 施工 放线人: 复核人: 技术负责人: 年 月 日 监理〔建立〕 监理工程师: 〔建立工程负责人〕: 年 月 日 设计 工程负责人: 年 月 日
展开阅读全文

开通  VIP会员、SVIP会员  优惠大
下载10份以上建议开通VIP会员
下载20份以上建议开通SVIP会员


开通VIP      成为共赢上传

当前位置:首页 > 包罗万象 > 大杂烩

移动网页_全站_页脚广告1

关于我们      便捷服务       自信AI       AI导航        抽奖活动

©2010-2026 宁波自信网络信息技术有限公司  版权所有

客服电话:0574-28810668  投诉电话:18658249818

gongan.png浙公网安备33021202000488号   

icp.png浙ICP备2021020529号-1  |  浙B2-20240490  

关注我们 :微信公众号    抖音    微博    LOFTER 

客服