收藏 分销(赏)

机械台班签证单.doc

上传人:丰**** 文档编号:10691172 上传时间:2025-06-09 格式:DOC 页数:1 大小:26.51KB 下载积分:5 金币
下载 相关 举报
机械台班签证单.doc_第1页
第1页 / 共1页
本文档共1页,全文阅读请下载到手机保存,查看更方便
资源描述
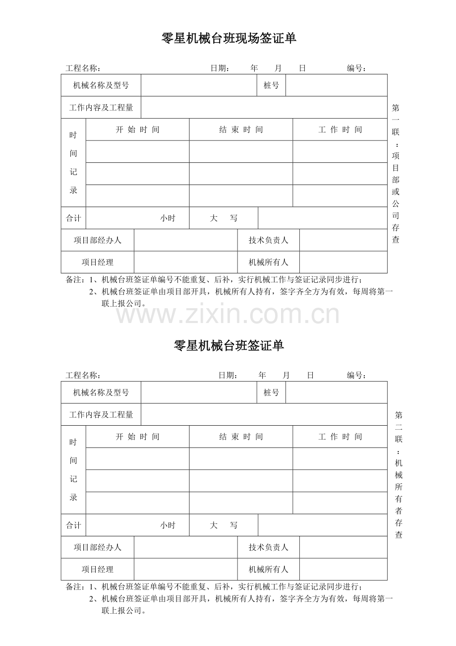
零星机械台班现场签证单 工程名称: 日期: 年 月 日 编号: 机械名称及型号 桩号 第 一 联 : 项 目 部 或 公 司 存 查 工作内容及工程量 时 间 记 录 开 始 时 间 结 束 时 间 工 作 时 间 合计 小时 大 写 项目部经办人 技术负责人 项目经理 机械所有人 备注:1、机械台班签证单编号不能重复、后补,实行机械工作与签证记录同步进行; 2、机械台班签证单由项目部开具,机械所有人持有,签字齐全方为有效,每周将第一联上报公司。 零星机械台班签证单 工程名称: 日期: 年 月 日 编号: 机械名称及型号 桩号 第 二联 : 机械所有者存查 工作内容及工程量 时 间 记 录 开 始 时 间 结 束 时 间 工 作 时 间 合计 小时 大 写 项目部经办人 技术负责人 项目经理 机械所有人 备注:1、机械台班签证单编号不能重复、后补,实行机械工作与签证记录同步进行; 2、机械台班签证单由项目部开具,机械所有人持有,签字齐全方为有效,每周将第一联上报公司。
展开阅读全文

开通  VIP会员、SVIP会员  优惠大
下载10份以上建议开通VIP会员
下载20份以上建议开通SVIP会员


开通VIP      成为共赢上传

当前位置:首页 > 包罗万象 > 大杂烩

移动网页_全站_页脚广告1

关于我们      便捷服务       自信AI       AI导航        抽奖活动

©2010-2026 宁波自信网络信息技术有限公司  版权所有

客服电话:0574-28810668  投诉电话:18658249818

gongan.png浙公网安备33021202000488号   

icp.png浙ICP备2021020529号-1  |  浙B2-20240490  

关注我们 :微信公众号    抖音    微博    LOFTER 

客服