收藏 分销(赏)

西柏坡修路基础地基三七灰土换填施工方案.docx

上传人:精**** 文档编号:10126030 上传时间:2025-04-22 格式:DOCX 页数:10 大小:39.63KB 下载积分:8 金币
下载 相关 举报
西柏坡修路基础地基三七灰土换填施工方案.docx_第1页
第1页 / 共10页
西柏坡修路基础地基三七灰土换填施工方案.docx_第2页
第2页 / 共10页


点击查看更多>>
资源描述
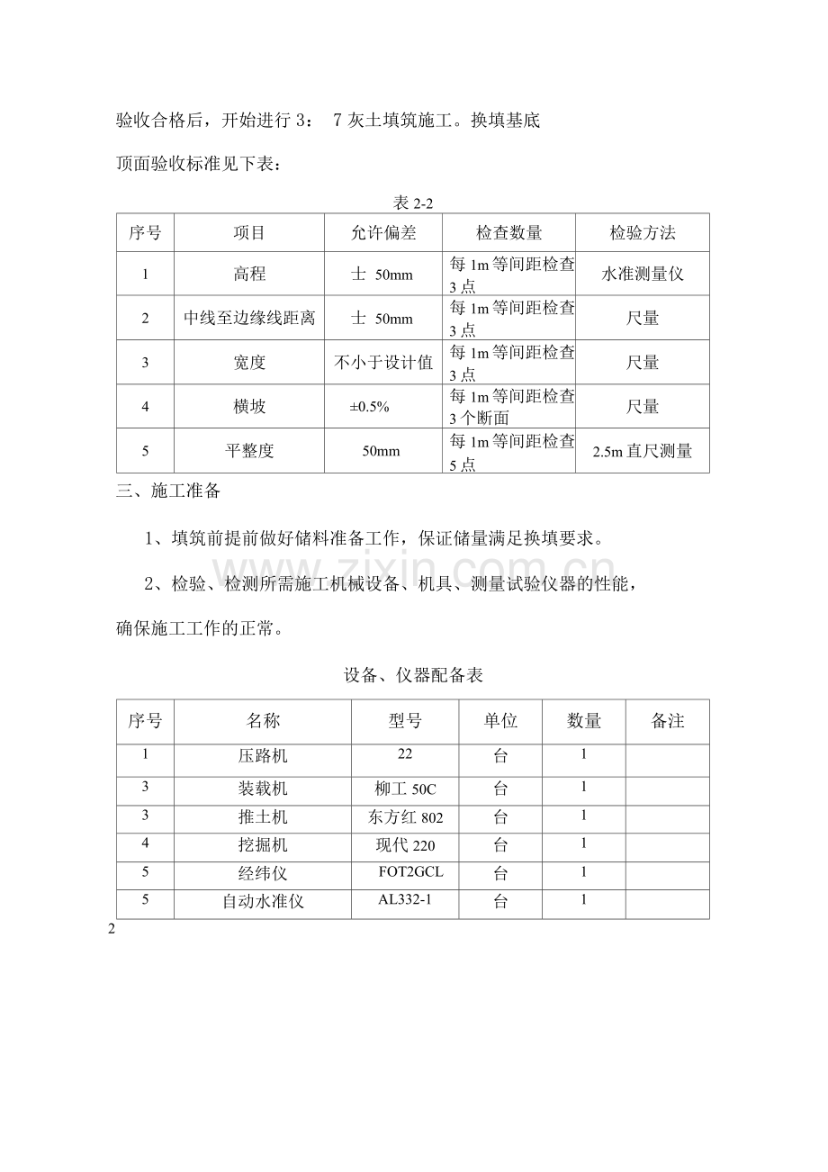
换填三七灰土施工方案 一、工程概况 本项目为西柏坡高速公路高庄至北沟段沿线设施北胡庄互通收费站,开槽位置为宿办楼及其附属设施。因基底为含水率较高的粉质粘土,地基承载力达不到施工要求,故采用换填3:7灰土的地基处理措施,以达到提高地基承载力的目的,换填厚度为1.0m。 二、用料组成及压实标准 1、用料组成 灰土系用一定量的石灰与土拌合夯压而成,其强度随时间缓慢增长,具有一定的水稳定性和不渗水性(为原土的1013倍),灰土体积比设计为3:7土料采用开槽土,土块粒径不大于15mm.石灰采用熟石灰粉,石灰等级不得小于III级,要求同产地、同品种、同规格。含水量的控制是关键环节,灰土垫层土料的施工含水量宜控制在最优含水量wp±2%的范围内,最优含水量可通过击实试验确定。 2、压实标准 地基基底换填灰土,采用20T震动压路机碾压,压实标准见下表: 路基基底3: 7灰土压实标准 表2-1 填料 压实标准 3: 7灰土填料 地基系数K30(mpa/m) >110 压实系数K >0.95 孔隙率n <28% 3、挖除原地面软质土,按照现场放出的边线桩及下挖标高控制分 段开挖,挖至设计换填标高后,用铲车配合人工基底找平,并用水准仪控制设计高程。按照换填地基顶面的检验标准自检合格后,报监理工程师检查验收,验收合格后,开始进行3: 7灰土填筑施工。换填基底 顶面验收标准见下表: 表2-2 序号 项目 允许偏差 检查数量 检验方法 1 高程 士 50mm 每1m等间距检查3点 水准测量仪 2 中线至边缘线距离 士 50mm 每1m等间距检查3点 尺量 3 宽度 不小于设计值 每1m等间距检查3点 尺量 4 横坡 ±0.5% 每1m等间距检查3个断面 尺量 5 平整度 50mm 每1m等间距检查5点 2.5m直尺测量 三、施工准备 1、填筑前提前做好储料准备工作,保证储量满足换填要求。 2、检验、检测所需施工机械设备、机具、测量试验仪器的性能, 确保施工工作的正常。 设备、仪器配备表 序号 名称 型号 单位 数量 备注 1 压路机 22 台 1 3 装载机 柳工50C 台 1 3 推土机 东方红802 台 1 4 挖掘机 现代220 台 1 5 经纬仪 FOT2GCL 台 1 5 自动水准仪 AL332-1 台 1 2 四、施工工艺 施工放样 3:7灰土施工工艺流程图 1、下承层施工: 因基底为含水率较高的粉质粘土,故下承层及基底施工完毕后,无须碾压,按表2-2验收即可。如土过湿,为防止换填过程中基底出现“橡皮土”现象,可适当晾晒1〜2天. 2、施工放样: 在施工现场附近引临时水准点,每隔20m钉出中线和边线桩,并在桩上标注出虚铺厚度标高,拉工程线作为基准线,控制填筑高程。 3、备料: ⑴、采集土前,应先将树木、草皮、杂土等杂物清除干净. ⑵、土中的超尺寸颗粒应予筛除或进行粉碎后使用。 ⑶、不得将不同土体一起采集。 ⑷、土体和白灰均应过筛,过筛后的土体粒径不得大于15mm ,石灰粒径不得大于5mm ,且不应夹有石灰块或含有过多水分。 4、土料和石灰的拌和 ⑴、结合工程实际情况,采用铲车拌合(一铲灰两铲土)。 ⑵、灰土的配料必须严格按体积比3:7进行配置。 ⑶、灰土拌和必须均匀,颜色要一致,并控制好灰土的含水量,达到用手紧握成团、用指轻捏即碎为最佳。若水分过大或不足时,应晾干或洒水湿润,气温较低时,可允许撒盐水。 ⑷时值冬季,土体严谨有冻块儿掺入。 5、整形: ⑴、三七灰土拌和均匀后,应立即用铲车配合人工进行初铺找平,依照工程线和边桩控制虚铺高度. ⑵、在整形过程中,严禁任何车辆通行,并保持无明显的粗细集料离析现象. 6、碾压: ⑴、换填碾压时,遵循先两侧后中间、先静压后振动再静压的操作程序,压路机行驶速度控制在2km/h以内,碾压分初压、复压和终压。 ⑵、初压(即静压)采用20t中型压路机,关闭振动装置,先静压两遍,起整平和稳定混合料的作用。 ⑶、复压时打开振动装置,弱振两遍,强振两遍,当压实密度达到设计和规范要求时复压停止. ⑷、终压时压路机静压12遍。 ⑸、碾压时,区段交接处应重叠压实,纵向搭接长度不得小于 50cm,纵向行与行之间的轮迹重叠压实不小于0.3m。 ⑹本工程换填厚度为1.0m,分两层铺填碾压,考虑到基底为含水率较高的粉质粘土,为防止碾压夯实时产生橡皮土现象,下层定为40cm,中层定为30cm上层定为30cm,虚铺厚度均比设计厚度高5cm。 10、接缝和调头处的处理: 同日施工的两工作段的衔接处,应采用搭接。前一段拌和整形后,留5〜8cm不进行碾压,后一段施工时,前段留下未压部分,应再加部分灰土,并与后一段一起碾压。 11、养护 三七灰土压实后,应按规定进行养护。 五、技术要求及质量保证措施 1、技术要求 ⑴、基底土质必须符合设计要求. ⑵、配料正确,拌合均匀,分层虚铺厚度符合规定,碾压夯实,表面无松散、翘皮. ⑶、分层留接茬方法正确,接茬密实、平整. 2、质量保证措施 ⑴、按设计标高尺寸挖除原地面软质土后,按照有关标准进行自检,合格后报监理工程师检查验收,验收合格后,方可进行灰土填筑施工。验收标准见表2 2. ⑵、配料、拌合由试验员现场盯班,严格控制灰土的比例不超出验收标准。拌合均匀,颜色一致。 ⑶、由现场施工员、工点技术员和安质员共同检查接茬台阶留置情况,并报监理工程师验收,合格后在进行填筑.碾压成型后专门对接茬处进行密实度检测试验,合格后方可进行下道工序的施工。 六、检测验收 路基换填灰土,必须层层检测试验,并做记录,自检合格后报请监理工程师抽检验收,符合要求后方可进行上层的填筑施工. 检验数量:《建筑地基基础工程施工质量验收规范》(GB50202-22)规定,每单位工程不应少于三点,10m2以上工程,每1m2至少应有一点,本工程基槽换填约15 m2,结合工地实际情况,检验数量定为15个点. 检验方法按《建筑地基基础工程施工质量验收规范》(GB50202 —22)规定的试验方法检验,压实系数检验采用环刀法。 七、施工注意事项 1、找平验收:灰土最上一层完成后,应拉线检查标高和平整度,超高处用铁锹铲平,低洼处应及时补打灰土. 2、雨天和一10°C以下天气不允许施工。 3、灰土地基完工后,应及时砌筑基础,回填基坑,防止受水浸湿或晒裂,否则应临时遮盖。 4、分段铺设灰土时,要严格执行留置接茬的规定,接茬的茬子应垂直切齐,切成台阶形式,台阶高度不大于0.3m,宽度不大于1.0m。 6、石灰的包装、运输和储存应保证不受潮变质,土料中不应含草根、 杂物。 北胡庄互通收费站宿办楼地基三七灰土换填方案 编制: 审核: 审批: 河北天洋建筑装饰工程有限公司 西柏坡高速公路高庄至北沟段SFZ-1合同段 项目经理部 2010年12月12日 下面为附送毕业论文致谢词范文!不需要的可以编辑删除!谢谢! 毕业论文致谢词 我的毕业论文是在韦xx老师的精心指导和大力支持下完成的,他渊博的知识开阔的视野给了我深深的启迪,论文凝聚着他的血汗,他以严谨的治学态度和敬业精神深深的感染了我对我的工作学习产生了深渊的影响,在此我向他表示衷心的谢意 这三年来感谢广西工业职业技术学院汽车工程系的老师对我专业思维及专业技能的培养,他们在学业上的心细指导为我工作和继续学习打下了良好的基础,在这里我要像诸位老师深深的鞠上一躬!特别是我的班主任吴廷川老师,虽然他不是我的专业老师,但是在这三年来,在思想以及生活上给予我鼓舞与关怀让我走出了很多失落的时候,“明师之恩,诚为过于天地,重于父母”,对吴老师的感激之情我无法用语言来表达,在此向吴老师致以最崇高的敬意和最真诚的谢意! 感谢这三年来我的朋友以及汽修0932班的四十多位同学对我的学习,生活和工作的支持和关心.三年来我们真心相待,和睦共处,不是兄弟胜是兄弟!正是一路上有你们我的求学生涯才不会感到孤独,马上就要各奔前程了,希望(,请保留此标记。)你们有好的前途,失败不要灰心,你的背后还有汽修0932班这个大家庭! 最后我要感谢我的父母,你们生我养我,纵有三世也无法回报你们,要离开你们出去工作了,我在心里默默的祝福你们平安健康,我不会让你们失望的,会好好工作回报社会的。 致谢词2 在本次论文设计过程中,感谢我的学校,给了我学习的机会,在学习中,老师从选题指导、论文框架到细节修改,都给予了细致的指导,提出了很多宝贵的意见与建议,老师以其严谨求实的治学态度、高度的敬业精神、兢兢业业、孜孜以求的工作作风和大胆创新的进取精神对我产生重要影响。他渊博的知识、开阔的视野和敏锐的思维给了我深 深的启迪.这篇论文是在老师的精心指导和大力支持下才完成的 感谢所有授我以业的老师,没有这些年知识的积淀,我没有这么大的动力和信心完成这篇论文。感恩之余,诚恳地请各位老师对我的论文多加批评指正,使我及时完善论文的不足之处。 谨以此致谢最后,我要向百忙之中抽时间对本文进行审阅的各位老师表示衷心的感谢。 开学自我介绍范文:首先,我想说“荣幸”,因为茫茫人海由不相识到相识实在是人生一大幸事,更希望能在三年的学习生活中能够与大家成为好同学,好朋友。其次我要说“幸运”,因为在短暂的私下接触我感觉我们班的同学都很优秀,值得我学习的地方很多,我相信我们班一定将是团结、向上、努力请保留此标记。)的班集体。最后我要说“加油"衷心、地祝愿我们班的同学也包括我在内通过三年的努力学习最后都能够考入我们自己理想中的大学,为老师争光、为家长争光,更是为了我们自己未来美好生活和个人价值,加油。哦,对了,我的名字叫“***”,希望大家能记住我,因为被别人记住是一件幸福的事!!)查看更多与本文《高中生开学自我介绍》相关的文章。 10
展开阅读全文

开通  VIP会员、SVIP会员  优惠大
下载10份以上建议开通VIP会员
下载20份以上建议开通SVIP会员


开通VIP      成为共赢上传

当前位置:首页 > 品牌综合 > 施工方案/组织设计

移动网页_全站_页脚广告1

关于我们      便捷服务       自信AI       AI导航        抽奖活动

©2010-2025 宁波自信网络信息技术有限公司  版权所有

客服电话:0574-28810668  投诉电话:18658249818

gongan.png浙公网安备33021202000488号   

icp.png浙ICP备2021020529号-1  |  浙B2-20240490  

关注我们 :微信公众号    抖音    微博    LOFTER 

客服